URI: 
  TEXT View Source
       
       # ADVANCED STORAGE CONCEPTS
       
          ASC-88
       
          Card Type               Hard drive controller card             
          Hard Drives supported   Up to 7 SCSI devices                   
          Floppy drives supported None                                   
          Data Bus                8-bit ISA                              
          Card Size               Quarter-length, full-height card       
       
   IMG IMG 1
          
       
          +------------------------------------------------------------+
          |                        CONNECTIONS                         |
          |------------------------------------------------------------|
          |        Function        | Location |  Function   | Location |
          |------------------------+----------+-------------+----------|
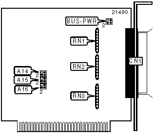
          | 50-pin SCSI connector  |   CN1    | Terminating | RN1-RN3  |
          | - external             |          | resistors   |          |
          +------------------------------------------------------------+
       
          +------------------------------------------------------------+
          |                USER CONFIGURABLE SETTINGS                  |
          |------------------------------------------------------------|
          |              Function              | Location |  Setting   |
          |------------------------------------+----------+------------|
          | ยป | Power to external pull-ups     | BUS-PWR  | Pins 1 & 2 |
          |   | disabled                       |          |   closed   |
          |---+--------------------------------+----------+------------|
          |   | +5V power to external pull-ups | BUS-PWR  | Pins 3 & 4 |
          |   | enabled                        |          |   closed   |
          +------------------------------------------------------------+
       
          +------------------------------------------------------------+
          |                 SEGMENT ADDRESS SELECTION                  |
          |------------------------------------------------------------|
          |  Setting   |      A16       |      A15      |     A14      |
          |------------+----------------+---------------+--------------|
          |   C000h    |   Pins 1 & 2   |  Pins 1 & 2   |  Pins 1 & 2  |
          |            |     closed     |    closed     |    closed    |
          |------------+----------------+---------------+--------------|
          |   C400h    |   Pins 1 & 2   |  Pins 1 & 2   |  Pins 2 & 3  |
          |            |     closed     |    closed     |    closed    |
          |------------+----------------+---------------+--------------|
          |   C800h    |   Pins 1 & 2   |  Pins 2 & 3   |  Pins 1 & 2  |
          |            |     closed     |    closed     |    closed    |
          |------------+----------------+---------------+--------------|
          |   CC00h    |   Pins 1 & 2   |  Pins 2 & 3   |  Pins 2 & 3  |
          |            |     closed     |    closed     |    closed    |
          |------------+----------------+---------------+--------------|
          |   D000h    |   Pins 2 & 3   |  Pins 1 & 2   |  Pins 1 & 2  |
          |            |     closed     |    closed     |    closed    |
          |------------+----------------+---------------+--------------|
          |   D400h    |   Pins 2 & 3   |  Pins 1 & 2   |  Pins 2 & 3  |
          |            |     closed     |    closed     |    closed    |
          |------------+----------------+---------------+--------------|
          |   D800h    |   Pins 2 & 3   |  Pins 2 & 3   |  Pins 1 & 2  |
          |            |     closed     |    closed     |    closed    |
          |------------+----------------+---------------+--------------|
          |   DC00h    |   Pins 2 & 3   |  Pins 2 & 3   |  Pins 2 & 3  |
          |            |     closed     |    closed     |    closed    |
          |------------------------------------------------------------|
          |                           Note:                            |
          |                                                            |
          | A total of 8 segment address settings are available. The   |
          | settings are a binary representation of the hexidecimal    |
          | segment addresses. A16 is the Most Significant Bit and     |
          | switch A14 is the Least Significant Bit. The jumpers have  |
          | the following decimal values: A16=1000h, A15=800h, and     |
          | A14=400h. Turn off the jumpers by closing pins 1 & 2 and   |
          | turn on the jumpers by closing pins 2 & 3. Add the values  |
          | of the jumpers with pins 2 & 3 closed to obtain the        |
          | correct memory address. (Pins 1 & 2 = Off, Pins 2 & 3 =    |
          | On.)                                                       |
          +------------------------------------------------------------+