URI: 
  TEXT View Source
       
       # UNIDENTIFIED
       
          SUN-5230
       
          +------------------------------------------------------------+
          +------------------------------------------------------------+
       
          Data bus: 8-bit, ISA
       
          Size: Half-length, full-height card
       
          Hard drives supported:  Up to seven SCSI devices
       
          Floppy drives supported: None
       
   IMG IMG 1
          
       
          +------------------------------------------------------------+
          |                        CONNECTIONS                         |
          |------------------------------------------------------------|
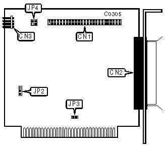
          | 50-pin SCSI connector-internal             |      CN1      |
          |--------------------------------------------+---------------|
          | 25-pin SCSI connector-external             |      CN2      |
          |--------------------------------------------+---------------|
          | 4-pin connector-drive active LED           |      CN3      |
          +------------------------------------------------------------+
       
          +------------------------------------------------------------+
          |                 USER CONFIGURABLE SETTINGS                 |
          |------------------------------------------------------------|
          |           Function            | Location |     Setting     |
          |-------------------------------+----------+-----------------|
          | » | Interrupt Request is IRQ3 |   JP2    |   pins 1 & 2    |
          |   |                           |          |     closed      |
          |---+---------------------------+----------+-----------------|
          |   | Interrupt Request is IRQ5 |   JP2    |   pins 2 & 3    |
          |   |                           |          |     closed      |
          |---+---------------------------+----------+-----------------|
          | » | Zero Wait State enabled   |   JP3    |      open       |
          |---+---------------------------+----------+-----------------|
          |   | Zero Wait State disabled  |   JP3    |     closed      |
          +------------------------------------------------------------+
       
          +------------------------------------------------------------+
          |                        BIOS ADDRESS                        |
          |------------------------------------------------------------|
          |       Address        |       JP4        |       JP4A       |
          |----------------------+------------------+------------------|
          | » |      CA00h       |       open       |       open       |
          |---+------------------+------------------+------------------|
          |   |      C800h       |      closed      |       open       |
          |---+------------------+------------------+------------------|
          |   |      CE00h       |       open       |       open       |
          |---+------------------+------------------+------------------|
          |   |      DE00h       |      closed      |      closed      |
          +------------------------------------------------------------+
       
          +------------------------------------------------------------+
          |               MISCELLANEOUS TECHNICAL NOTES                |
          |------------------------------------------------------------|
          |         This controller has no on-board software.          |
          +------------------------------------------------------------+