URI: 
  TEXT View Source
       
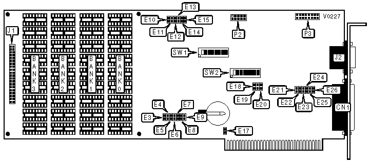
       # AST RESEARCH, INC.
       
          SIXPACK PREMIUM
       
          Card Type          Memory/Multi I/O                            
          Chipset/Controller Western Digital                             
          I/O Options        Game port, parallel port, serial ports (2)  
          Maximum DRAM       1024KB                                      
       
   IMG IMG 1
          
       
          +------------------------------------------------------------+
          |                        CONNECTIONS                         |
          |------------------------------------------------------------|
          |       Purpose        | Location |    Purpose    | Location |
          |----------------------+----------+---------------+----------|
          | Parallel port        |   CN1    | Serial port 2 |    P2    |
          |----------------------+----------+---------------+----------|
          | Premium Pak          |    J1    | Game port     |    P3    |
          | connector            |          |               |          |
          |----------------------+----------+---------------+----------|
          | Serial port 1        |    J2    |               |          |
          +------------------------------------------------------------+
       
          +------------------------------------------------------------+
          |                FACTORY CONFIGURED SETTINGS                 |
          |------------------------------------------------------------|
          |            Switch             |          Setting           |
          |-------------------------------+----------------------------|
          |         SW1/switch 5          |            N/A             |
          |-------------------------------+----------------------------|
          |         SW1/switch 6          |            N/A             |
          |-------------------------------+----------------------------|
          |         SW2/switch 5          |            N/A             |
          |-------------------------------+----------------------------|
          |         SW2/switch 6          |            N/A             |
          +------------------------------------------------------------+
       
          +------------------------------------------------------------+
          |                 SERIAL PORT CONFIGURATION                  |
          |------------------------------------------------------------|
          |  Port 1 (J2)   | Port 2 (P2) |   E3    |   E4    |   E5    |
          |----------------+-------------+---------+---------+---------|
          | » |    COM1    |    COM2     | Closed  |  Open   | Closed  |
          |---+------------+-------------+---------+---------+---------|
          |   |    COM2    |  Disabled   |  Open   | Closed  |  Open   |
          |---+------------+-------------+---------+---------+---------|
          |   |  Disabled  |    COM2     |  Open   |  Open   | Closed  |
          |---+------------+-------------+---------+---------+---------|
          |   |  Disabled  |  Disabled   |  Open   |  Open   |  Open   |
          +------------------------------------------------------------+
       
          +------------------------------------------------------------+
          |              SERIAL PORT INTERRUPT SELECTION               |
          |------------------------------------------------------------|
          |  Port 1 (J2)  | Port 2 (P2) |   E18    |   E19   |   E20   |
          |---------------+-------------+----------+---------+---------|
          | »   |  IRQ4   |    IRQ3     |  Closed  |  Open   | Closed  |
          |-----+---------+-------------+----------+---------+---------|
          |     |  IRQ3   |     N/A     |   Open   | Closed  |  Open   |
          +------------------------------------------------------------+
       
          +------------------------------------------------------------+
          |       SERIAL PORT NORMAL/FORCED TRUE CONFIGURATION         |
          |------------------------------------------------------------|
          |   Port 1    |  E21  |  E22  |  E23  |  E24  |  E25  | E26  |
          |-------------+-------+-------+-------+-------+-------+------|
          |»|  Normal   | Open  |Closed | Open  |Closed | Open  |Closed|
          |-+-----------+-------+-------+-------+-------+-------+------|
          | |Forced True|Closed | Open  |Closed | Open  |Closed | Open |
          +------------------------------------------------------------+
       
          +------------------------------------------------------------+
          |       SERIAL PORT NORMAL/FORCED TRUE CONFIGURATION         |
          |------------------------------------------------------------|
          |   Port 2    |  E10  |  E11  |  E12  |  E13  |  E14  | E15  |
          |-------------+-------+-------+-------+-------+-------+------|
          |»|  Normal   | Open  |Closed | Open  |Closed | Open  |Closed|
          |-+-----------+-------+-------+-------+-------+-------+------|
          | |Forced True|Closed | Open  |Closed | Open  |Closed | Open |
          +------------------------------------------------------------+
       
          +------------------------------------------------------------+
          |                  PARALLEL PORT SETTINGS                    |
          |------------------------------------------------------------|
          |          LPT           |       E6        |       E7        |
          |------------------------+-----------------+-----------------|
          | » |         1          |     Closed      |      Open       |
          |---+--------------------+-----------------+-----------------|
          |   |         2          |      Open       |     Closed      |
          |---+--------------------+-----------------+-----------------|
          |   |      Disabled      |      Open       |      Open       |
          +------------------------------------------------------------+
       
          +------------------------------------------------------------+
          |                 PARALLEL PORT INTERRUPTS                   |
          |------------------------------------------------------------|
          |              IRQ7               |           E17            |
          |---------------------------------+--------------------------|
          | »  |          Enabled           |          Closed          |
          |----+----------------------------+--------------------------|
          |    |          Disabled          |           Open           |
          +------------------------------------------------------------+
       
          +------------------------------------------------------------+
          |                  GAME PORT CONFIGURATION                   |
          |------------------------------------------------------------|
          |            Game Port             |           E8            |
          |----------------------------------+-------------------------|
          | »  |           Enabled           |         Closed          |
          |----+-----------------------------+-------------------------|
          |    |          Disabled           |          Open           |
          +------------------------------------------------------------+
       
          +------------------------------------------------------------+
          |               CLOCK/CALENDAR CONFIGURATION                 |
          |------------------------------------------------------------|
          |           Clock/Calendar            |          E9          |
          |-------------------------------------+----------------------|
          | »     |           Enabled           |          On          |
          |-------+-----------------------------+----------------------|
          |       |          Disabled           |         Off          |
          +------------------------------------------------------------+
       
          +------------------------------------------------------------+
          |                 DUAL PAGE MODE SELECTION                   |
          |------------------------------------------------------------|
          |        Dual Page Mode         |        SW1/switch 7        |
          |-------------------------------+----------------------------|
          | »  |         Enabled          |             On             |
          |----+--------------------------+----------------------------|
          |    |         Disabled         |            Off             |
          +------------------------------------------------------------+
       
          +------------------------------------------------------------+
          |                 BASE I/O ADDRESS SETTINGS                  |
          |------------------------------------------------------------|
          |    Address     |  SW2/1   |  SW2/2   |  SW2/3   |  SW2/4   |
          |----------------+----------+----------+----------+----------|
          | » |   0218h    |    On    |    On    |    On    |   Off    |
          |---+------------+----------+----------+----------+----------|
          |   |   0208h    |    On    |    On    |    On    |    On    |
          |---+------------+----------+----------+----------+----------|
          |   |   0258h    |    On    |   Off    |    On    |   Off    |
          |---+------------+----------+----------+----------+----------|
          |   |   0268h    |    On    |   Off    |   Off    |    On    |
          |---+------------+----------+----------+----------+----------|
          |   |   02A8h    |   Off    |    On    |   Off    |    On    |
          |---+------------+----------+----------+----------+----------|
          |   |   02B8h    |   Off    |    On    |   Off    |   Off    |
          |---+------------+----------+----------+----------+----------|
          |   |   02E8h    |   Off    |   Off    |   Off    |    On    |
          +------------------------------------------------------------+
       
          +------------------------------------------------------------+
          |              STARTING MEMORY ADDRESS SETTING               |
          |------------------------------------------------------------|
          |   Starting Memory   |  SW1/1  |  SW1/2  |  SW1/3  | SW1/4  |
          |     (Mainboard)     |         |         |         |        |
          |---------------------+---------+---------+---------+--------|
          | »     |    640KB    |   Off   |   On    |   Off   |   On   |
          |-------+-------------+---------+---------+---------+--------|
          |       |    576KB    |   On    |   Off   |   Off   |   On   |
          |-------+-------------+---------+---------+---------+--------|
          |       |    512KB    |   Off   |   Off   |   Off   |   On   |
          |-------+-------------+---------+---------+---------+--------|
          |       |    448KB    |   On    |   On    |   On    |  Off   |
          |-------+-------------+---------+---------+---------+--------|
          |       |    384KB    |   Off   |   On    |   On    |  Off   |
          |-------+-------------+---------+---------+---------+--------|
          |       |    320KB    |   On    |   Off   |   On    |  Off   |
          |-------+-------------+---------+---------+---------+--------|
          |       |    256KB    |   Off   |   Off   |   On    |  Off   |
          |-------+-------------+---------+---------+---------+--------|
          |       |    192KB    |   On    |   On    |   Off   |  Off   |
          |-------+-------------+---------+---------+---------+--------|
          |       |    128KB    |   Off   |   On    |   Off   |  Off   |
          |-------+-------------+---------+---------+---------+--------|
          |       |    64KB     |   On    |   Off   |   Off   |  Off   |
          |-------+-------------+---------+---------+---------+--------|
          |       |     0KB     |   Off   |   Off   |   Off   |  Off   |
          |------------------------------------------------------------|
          | Note:Setting the starting address to 256KB allocates all   |
          | SixPak Premium memory as expanded memory.                  |
          +------------------------------------------------------------+
       
          +------------------------------------------------------------+
          |           SIXPAK PREMIUM MEMORY SIZE SELECTION             |
          |------------------------------------------------------------|
          |         Size         |   SW2/switch 7   |   SW2/switch 8   |
          |----------------------+------------------+------------------|
          | » |   Up to 512KB    |        On        |       Off        |
          |---+------------------+------------------+------------------|
          |   |   Up to 640KB    |       Off        |       Off        |
          |---+------------------+------------------+------------------|
          |   |   Up to 256KB    |       Off        |        On        |
          |---+------------------+------------------+------------------|
          |   |       0KB        |        On        |        On        |
          +------------------------------------------------------------+
       
          +------------------------------------------------------------+
          |                    DRAM CONFIGURATION                      |
          |------------------------------------------------------------|
          |  Size  |   Bank 0   |   Bank 1   |   Bank 2   |   Bank 3   |
          |--------+------------+------------+------------+------------|
          | 256KB  | (9) 41256  |    None    |    None    |    None    |
          |--------+------------+------------+------------+------------|
          | 512KB  | (9) 41256  | (9) 41256  |    None    |    None    |
          |--------+------------+------------+------------+------------|
          | 768KB  | (9) 41256  | (9) 41256  | (9) 41256  |    None    |
          |--------+------------+------------+------------+------------|
          |  1MB   | (9) 41256  | (9) 41256  | (9) 41256  | (9) 41256  |
          +------------------------------------------------------------+
       
          +------------------------------------------------------------+
          |                   PARITY CONFIGURATION                     |
          |------------------------------------------------------------|
          |            Parity            |        SW1/switch 8         |
          |------------------------------+-----------------------------|
          | » |         Enabled          |             On              |
          |---+--------------------------+-----------------------------|
          |   |         Disabled         |             Off             |
          +------------------------------------------------------------+
       
   IMG IMG 2
          
       
          +------------------------------------------------------------+
          |                        CONNECTIONS                         |
          |------------------------------------------------------------|
          |            Purpose            |          Location          |
          |-------------------------------+----------------------------|
          | Premium Pak connector         |             J1             |
          +------------------------------------------------------------+
       
          +------------------------------------------------------------+
          |             PREMIUM PAK MEMORY CONFIGURATION               |
          |------------------------------------------------------------|
          |  Size   |   Bank 4   |   Bank 5   |   Bank 6   |  Bank 7   |
          |---------+------------+------------+------------+-----------|
          | 1.25MB  | (9) 41256  |    None    |    None    |   None    |
          |---------+------------+------------+------------+-----------|
          |  1.5MB  | (9) 41256  | (9) 41256  |    None    |   None    |
          |---------+------------+------------+------------+-----------|
          | 1.75MB  | (9) 41256  | (9) 41256  | (9) 41256  |   None    |
          |---------+------------+------------+------------+-----------|
          |   2MB   | (9) 41256  | (9) 41256  | (9) 41256  | (9) 41256 |
          +------------------------------------------------------------+