URI: 
  TEXT View Source
       
       # BOCA RESEARCH INC.
       
          IO/AT
       
          Card Type          Multi I/O card                              
          Chipset/Controller Unknown                                     
          I/O Options        Clock, parallel port, serial ports (2)      
          Maximum DRAM       N/A                                         
       
   IMG IMG 1
          
       
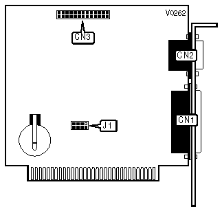
          +------------------------------------------------------------+
          |                        CONNECTIONS                         |
          |------------------------------------------------------------|
          |    Purpose    |   Location   |    Purpose    |  Location   |
          |---------------+--------------+---------------+-------------|
          | Parallel port |     CN1      | Serial port 2 |     CN3     |
          |---------------+--------------+---------------+-------------|
          | Serial port 1 |     CN2      |               |             |
          +------------------------------------------------------------+
       
          +------------------------------------------------------------+
          |                    I/O AT CONFIGURATION                    |
          |------------------------------------------------------------|
          |       Cards Installed       |              J1              |
          |-----------------------------+------------------------------|
          | ยป      |         1          |      Pins 1 & 2 closed       |
          |--------+--------------------+------------------------------|
          |        |         2          |      Pins 3 & 4 closed       |
          |--------+--------------------+------------------------------|
          |        |         3          |      Pins 5 & 6 closed       |
          |--------+--------------------+------------------------------|
          |        |         4          |      Pins 7 & 8 closed       |
          +------------------------------------------------------------+