URI: 
  TEXT View Source
       
       # ARNET CORPORATION
       
          SYNCOM/386, SYNCOM/386I
       
          Card Type              Serial                                  
          Processor              80386SX                                 
          Processor Speed        25MHz                                   
          Chip Set               Zilog/AMD                               
          Maximum Onboard Memory 5MB RAM                                 
          I/O Options            Serial ports (4)                        
          Data Bus               16-bit ISA                              
       
   IMG IMG 1
          
       
          +------------------------------------------------------------+
          |                        CONNECTIONS                         |
          |------------------------------------------------------------|
          |          Function          | Label |   Function    | Label |
          |----------------------------+-------+---------------+-------|
          | Four-port daughterboard    |  J1   | Two-port      |  J2   |
          | header                     |       | daughterboard |       |
          |                            |       | header        |       |
          +------------------------------------------------------------+
       
          +------------------------------------------------------------+
          |                 USER CONFIGURABLE SETTINGS                 |
          |------------------------------------------------------------|
          |            Setting             | Label |     Position      |
          |--------------------------------+-------+-------------------|
          | » | Fast Select enabled        |  JP1  | Pins 2 & 3 closed |
          |---+----------------------------+-------+-------------------|
          |   | Fast Select disabled       |  JP1  | Pins 1 & 2 closed |
          +------------------------------------------------------------+
       
          +------------------------------------------------------------+
          |                      BASE I/O ADDRESS                      |
          |------------------------------------------------------------|
          |   Setting    |   SW1/1   |   SW1/2   |  SW1/3   |  SW1/4   |
          |--------------+-----------+-----------+----------+----------|
          |   |   03Ch   |    On     |    On     |    On    |    On    |
          |---+----------+-----------+-----------+----------+----------|
          |   |   07Ch   |    On     |    On     |    On    |   Off    |
          |---+----------+-----------+-----------+----------+----------|
          |   |   0BCh   |    On     |    On     |   Off    |    On    |
          |---+----------+-----------+-----------+----------+----------|
          |   |   0FCh   |    On     |    On     |   Off    |   Off    |
          |---+----------+-----------+-----------+----------+----------|
          |   |   13Ch   |    On     |    Off    |    On    |    On    |
          |---+----------+-----------+-----------+----------+----------|
          |   |   17Ch   |    On     |    Off    |    On    |   Off    |
          |---+----------+-----------+-----------+----------+----------|
          |   |   1BCh   |    On     |    Off    |   Off    |    On    |
          |---+----------+-----------+-----------+----------+----------|
          |   |   1FCh   |    On     |    Off    |   Off    |   Off    |
          |---+----------+-----------+-----------+----------+----------|
          |   |   23Ch   |    Off    |    On     |    On    |    On    |
          |---+----------+-----------+-----------+----------+----------|
          |   |   27Ch   |    Off    |    On     |    On    |   Off    |
          |---+----------+-----------+-----------+----------+----------|
          |   |   2BCh   |    Off    |    On     |   Off    |    On    |
          |---+----------+-----------+-----------+----------+----------|
          |   |   2FCh   |    Off    |    On     |   Off    |   Off    |
          |---+----------+-----------+-----------+----------+----------|
          | » |   33Ch   |    Off    |    Off    |    On    |    On    |
          |---+----------+-----------+-----------+----------+----------|
          |   |   37Ch   |    Off    |    Off    |    On    |   Off    |
          |---+----------+-----------+-----------+----------+----------|
          |   |   3BCh   |    Off    |    Off    |   Off    |    On    |
          |---+----------+-----------+-----------+----------+----------|
          |   |   3FCh   |    Off    |    Off    |   Off    |   Off    |
          +------------------------------------------------------------+
       
   IMG IMG 2
          
       
          +------------------------------------------------------------+
          |                        CONNECTIONS                         |
          |------------------------------------------------------------|
          |      Function       | Label |       Function       | Label |
          |---------------------+-------+----------------------+-------|
          | V.35 or V.24 serial |  CN1  | Daughterboard header |  J1   |
          | ports via DB-37     |       |                      |       |
          |------------------------------------------------------------|
          |      Note: Serial ports are provided via included adapter  |
          |      cable.                                                |
          +------------------------------------------------------------+
       
          +------------------------------------------------------------+
          |                        PORT 1 TYPE                         |
          |------------------------------------------------------------|
          |  Setting  |   JP1   |   JP2   |   JP3   |   JP4   |  JP5   |
          |-----------+---------+---------+---------+---------+--------|
          |   V.35    |  1 & 2  |  1 & 2  |  1 & 2  |  1 & 2  | 1 & 2  |
          |-----------+---------+---------+---------+---------+--------|
          |   V.24    |  2 & 3  |  2 & 3  |  2 & 3  |  2 & 3  | 2 & 3  |
          |------------------------------------------------------------|
          |      Note: Pins designated are in the closed position.     |
          +------------------------------------------------------------+
       
          +------------------------------------------------------------+
          |                        PORT 2 TYPE                         |
          |------------------------------------------------------------|
          |  Setting  |   JP6   |   JP7   |   JP8   |   JP9   |  JP10  |
          |-----------+---------+---------+---------+---------+--------|
          |   V.35    |  1 & 2  |  1 & 2  |  1 & 2  |  1 & 2  | 1 & 2  |
          |-----------+---------+---------+---------+---------+--------|
          |   V.24    |  2 & 3  |  2 & 3  |  2 & 3  |  2 & 3  | 2 & 3  |
          |------------------------------------------------------------|
          |      Note: Pins designated are in the closed position.     |
          +------------------------------------------------------------+
       
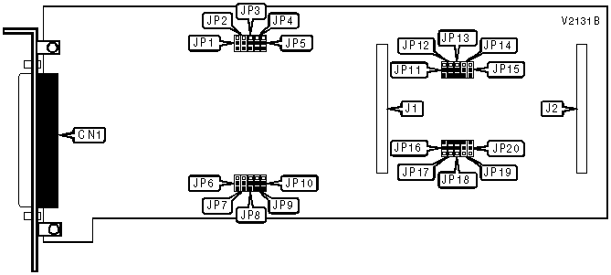
   IMG IMG 3
          
       
          +------------------------------------------------------------+
          |                        CONNECTIONS                         |
          |------------------------------------------------------------|
          |         Function         | Label  |    Function    | Label |
          |--------------------------+--------+----------------+-------|
          | V.35 or V.24 serial      |  CN1   | Daughterboard  |  J2   |
          | ports via DB-62          |        | header         |       |
          |--------------------------+--------+----------------+-------|
          | Daughterboard header     |   J1   |                |       |
          |------------------------------------------------------------|
          |      Note: Serial ports are provided via included adapter  |
          |      cable.                                                |
          +------------------------------------------------------------+
       
          +------------------------------------------------------------+
          |                        PORT 1 TYPE                         |
          |------------------------------------------------------------|
          |  Setting  |   JP1   |   JP2   |   JP3   |   JP4   |  JP5   |
          |-----------+---------+---------+---------+---------+--------|
          |   V.35    |  1 & 2  |  1 & 2  |  1 & 2  |  1 & 2  | 1 & 2  |
          |-----------+---------+---------+---------+---------+--------|
          |   V.24    |  2 & 3  |  2 & 3  |  2 & 3  |  2 & 3  | 2 & 3  |
          |------------------------------------------------------------|
          |      Note: Pins designated are in the closed position.     |
          +------------------------------------------------------------+
       
          +------------------------------------------------------------+
          |                        PORT 2 TYPE                         |
          |------------------------------------------------------------|
          |  Setting  |   JP6   |   JP7   |   JP8   |   JP9   |  JP10  |
          |-----------+---------+---------+---------+---------+--------|
          |   V.35    |  1 & 2  |  1 & 2  |  1 & 2  |  1 & 2  | 1 & 2  |
          |-----------+---------+---------+---------+---------+--------|
          |   V.24    |  2 & 3  |  2 & 3  |  2 & 3  |  2 & 3  | 2 & 3  |
          |------------------------------------------------------------|
          |      Note: Pins designated are in the closed position.     |
          +------------------------------------------------------------+
       
          +------------------------------------------------------------+
          |                        PORT 3 TYPE                         |
          |------------------------------------------------------------|
          |  Setting  |  JP11   |  JP12   |  JP13   |  JP14   |  JP15  |
          |-----------+---------+---------+---------+---------+--------|
          |   V.35    |  1 & 2  |  1 & 2  |  1 & 2  |  1 & 2  | 1 & 2  |
          |-----------+---------+---------+---------+---------+--------|
          |   V.24    |  2 & 3  |  2 & 3  |  2 & 3  |  2 & 3  | 2 & 3  |
          |------------------------------------------------------------|
          |      Note: Pins designated are in the closed position.     |
          +------------------------------------------------------------+
       
          +------------------------------------------------------------+
          |                        PORT 4 TYPE                         |
          |------------------------------------------------------------|
          |  Setting  |  JP16   |  JP17   |  JP18   |  JP19   |  JP20  |
          |-----------+---------+---------+---------+---------+--------|
          |   V.35    |  1 & 2  |  1 & 2  |  1 & 2  |  1 & 2  | 1 & 2  |
          |-----------+---------+---------+---------+---------+--------|
          |   V.24    |  2 & 3  |  2 & 3  |  2 & 3  |  2 & 3  | 2 & 3  |
          |------------------------------------------------------------|
          |      Note: Pins designated are in the closed position.     |
          +------------------------------------------------------------+
       
   IMG IMG 4
          
       
          TWO-PORT BOARD
       
   IMG IMG 5
          
       
          FOUR-PORT BOARD
       
          +------------------------------------------------------------+
          |                        CONNECTIONS                         |
          |------------------------------------------------------------|
          |      Function       | Label |       Function       | Label |
          |---------------------+-------+----------------------+-------|
          | X.21 serial ports   |  CN1  | Daughterboard header |  J1   |
          | via DB-44           |       |                      |       |
          |------------------------------------------------------------|
          |      Note: Serial ports are provided via included adapter  |
          |      cable.                                                |
          +------------------------------------------------------------+