URI: 
  TEXT View Source
       
       # BEHAVIOR TECH COMPUTER CORPORATION, INC.
       
          1833/1835 SOUND CARD
       
          Card Type       Sound card                                     
          Chip Set        Unidentified                                   
          Maximum Onboard None                                           
          Memory          
          I/O Options     Game/MIDI port, line out, volume control,      
                          microphone in, line in, Mitsumi CD-ROM port,   
                          Panasonic CD-ROM port, Sony CD-ROM port,       
                          wavetable                                      
          Data Bus        16-bit ISA                                     
       
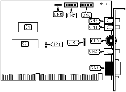
   IMG IMG 1
          
       
          +------------------------------------------------------------+
          |                        CONNECTIONS                         |
          |------------------------------------------------------------|
          |      Function       | Label |       Function       | Label |
          |---------------------+-------+----------------------+-------|
          | Game/MIDI port      |  CN1  | Panasonic CD-ROM     |  CN7  |
          |                     |       | port                 |       |
          |---------------------+-------+----------------------+-------|
          | Line out            |  CN2  | Sony CD-ROM port     |  CN8  |
          |---------------------+-------+----------------------+-------|
          | Volume control      |  CN3  | Internal speaker out |  J10  |
          |---------------------+-------+----------------------+-------|
          | Microphone in       |  CN4  | Wavetable            |  S1   |
          |---------------------+-------+----------------------+-------|
          | Line in             |  CN5  | Wavetable            |  S2   |
          |---------------------+-------+----------------------+-------|
          | Mitsumi CD-ROM port |  CN6  |                      |       |
          +------------------------------------------------------------+
       
          +------------------------------------------------------------+
          |                 USER CONFIGURABLE SETTINGS                 |
          |------------------------------------------------------------|
          |            Function            | Label |     Position      |
          |--------------------------------+-------+-------------------|
          | ยป | Plug and Play enabled      |  JP1  | Pins 1 & 2 closed |
          |---+----------------------------+-------+-------------------|
          |   | Plug and Play disabled     |  JP1  | Pins 2 & 3 closed |
          +------------------------------------------------------------+
       
          +------------------------------------------------------------+
          |                       TECHNICAL NOTE                       |
          |------------------------------------------------------------|
          |      Note: JP1 is not designed for 1833 sound card.        |
          +------------------------------------------------------------+