URI: 
  TEXT View Source
       
       # B & B ELECTRONICS
       
          3PXCC1A, 3PXCC1B, 3PXCC2A, 3PXCC2B
       
          Card Type         Serial                                       
          Chipset           16550A (3PXCC1A, 3PXCC2A)                    
                                                                         
                            16750 (3PXCC1B, 3PXCC2B)                     
          I/O Options       Serial ports (2 on 3PXCC2A, 3PXCC2B only)    
          Data Bus          8/16 bit ISA                                 
       
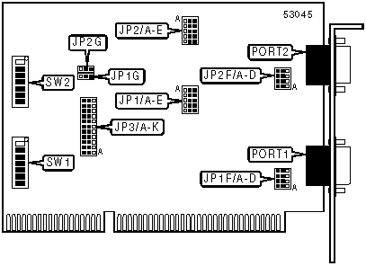
   IMG IMG 1
          
       
          +------------------------------------------------------------+
          |                        CONNECTIONS                         |
          |------------------------------------------------------------|
          |       Function        | Label |      Function      | Label |
          |-----------------------+-------+--------------------+-------|
          | RS-232, RS-422, or    | PORT1 | RS-232, RS-422, or | PORT2 |
          | RS-485 serial port 1  |       | RS-485 serial port |       |
          |                       |       | 2                  |       |
          |------------------------------------------------------------|
          |      Note:PORT2 has no function on models 3PXCC1A and      |
          |      3PXCC1B.                                              |
          +------------------------------------------------------------+
       
          +------------------------------------------------------------+
          |                 USER CONFIGURABLE SETTINGS                 |
          |------------------------------------------------------------|
          |                Setting                 | Label | Position  |
          |----------------------------------------+-------+-----------|
          | » | RS-485 receiver disabled when      | JP1/C | Pins 1 &  |
          |   | transmitting on port 1             |       | 2 closed  |
          |---+------------------------------------+-------+-----------|
          |   | RS-485 receiver always enabled on  | JP1/C | Pins 2 &  |
          |   | port 1                             |       | 3 closed  |
          |---+------------------------------------+-------+-----------|
          |   | RS-485 port 1 transmitter enabled  | JP1/D | Pins 2 &  |
          |   | on high RTS only                   |       | 3 closed  |
          |---+------------------------------------+-------+-----------|
          |   | RS-485 port 1 transmitter enabled  | JP1/D | Pins 1 &  |
          |   | whenever transmission is attempted |       | 2 closed  |
          |---+------------------------------------+-------+-----------|
          |   | RS-422/485 termination enabled on  | JP1/E | Pins 2 &  |
          |   | port 1                             |       | 3 closed  |
          |---+------------------------------------+-------+-----------|
          |   | RS-422/485 termination disabled on | JP1/E | Pins 1 &  |
          |   | port 1                             |       | 2 closed  |
          |---+------------------------------------+-------+-----------|
          | » | Serial port 1 clock speed normal   | JP1G  | Pins 2 &  |
          |   |                                    |       | 3 closed  |
          |---+------------------------------------+-------+-----------|
          |   | Serial port 1 clock speed          | JP1G  | Pins 1 &  |
          |   | multiplied by 4                    |       | 2 closed  |
          |---+------------------------------------+-------+-----------|
          | » | RS-485 receiver disabled when      | JP2/C | Pins 1 &  |
          |   | transmitting on port 2             |       | 2 closed  |
          |---+------------------------------------+-------+-----------|
          |   | RS-485 receiver always enabled on  | JP2/C | Pins 2 &  |
          |   | port 2                             |       | 3 closed  |
          |---+------------------------------------+-------+-----------|
          |   | RS-485 port 2 transmitter enabled  | JP2/D | Pins 2 &  |
          |   | on high RTS only                   |       | 3 closed  |
          |---+------------------------------------+-------+-----------|
          |   | RS-485 port 2 transmitter enabled  | JP2/D | Pins 1 &  |
          |   | whenever transmission is attempted |       | 2 closed  |
          |---+------------------------------------+-------+-----------|
          |   | RS-422/485 termination enabled on  | JP2/E | Pins 2 &  |
          |   | port 2                             |       | 3 closed  |
          |---+------------------------------------+-------+-----------|
          |   | RS-422/485 termination disabled on | JP2/E | Pins 1 &  |
          |   | port 2                             |       | 2 closed  |
          |---+------------------------------------+-------+-----------|
          | » | Serial port 2 clock speed normal   | JP2G  | Pins 2 &  |
          |   |                                    |       | 3 closed  |
          |---+------------------------------------+-------+-----------|
          |   | Serial port 2 clock speed          | JP2G  | Pins 1 &  |
          |   | multiplied by 4                    |       | 2 closed  |
          +------------------------------------------------------------+
       
          +------------------------------------------------------------+
          |                SERIAL PORT 1 CONFIGURATION                 |
          |------------------------------------------------------------|
          |Setting |JP1/A |JP1/B |JP1/C |JP1F/A |JP1F/B |JP1F/C |JP1F/D|
          |--------+------+------+------+-------+-------+-------+------|
          | RS-232 |Pins 1| N/A  | N/A  |Pins 2 |Pins 2 |Pins 2 |Pins 2|
          |        | & 2  |      |      |  & 3  |  & 3  |  & 3  | & 3  |
          |--------+------+------+------+-------+-------+-------+------|
          | RS-422 |Pins 2|Pins 2|Pins 2|Pins 1 |Pins 1 |Pins 1 |Pins 1|
          |        | & 3  | & 3  | & 3  |  & 2  |  & 2  |  & 2  | & 2  |
          |--------+------+------+------+-------+-------+-------+------|
          | RS-485 |Pins 2|Pins 1| See  |Pins 1 |Pins 1 |Pins 1 |Pins 1|
          |        | & 3  | & 2  | note |  & 2  |  & 2  |  & 2  | & 2  |
          |------------------------------------------------------------|
          |     Note:For correct settings of JP1/C for RS-485 mode, see|
          |     its entry in the User Configurable Settings table.     |
          |                                                            |
          |     Pins designated are in the closed position.            |
          +------------------------------------------------------------+
       
          +------------------------------------------------------------+
          |                SERIAL PORT 2 CONFIGURATION                 |
          |------------------------------------------------------------|
          |Setting |JP2/A |JP2/B |JP2/C |JP2F/A |JP2F/B |JP2F/C |JP2F/D|
          |--------+------+------+------+-------+-------+-------+------|
          | RS-232 |Pins 1| N/A  | N/A  |Pins 2 |Pins 2 |Pins 2 |Pins 2|
          |        | & 2  |      |      |  & 3  |  & 3  |  & 3  | & 3  |
          |--------+------+------+------+-------+-------+-------+------|
          | RS-422 |Pins 2|Pins 2|Pins 2|Pins 1 |Pins 1 |Pins 1 |Pins 1|
          |        | & 3  | & 3  | & 3  |  & 2  |  & 2  |  & 2  | & 2  |
          |--------+------+------+------+-------+-------+-------+------|
          | RS-485 |Pins 2|Pins 1| See  |Pins 1 |Pins 1 |Pins 1 |Pins 1|
          |        | & 3  | & 2  | note |  & 2  |  & 2  |  & 2  | & 2  |
          |------------------------------------------------------------|
          |     Note:For correct settings of JP2/C for RS-485 mode, see|
          |     its entry in the User Configurable Settings table.     |
          |                                                            |
          |     Pins designated are in the closed position.            |
          +------------------------------------------------------------+
       
          +------------------------------------------------------------+
          |             SERIAL PORT 1 INTERRUPT SELECTION              |
          |------------------------------------------------------------|
          | Setting  | JP3/A  | JP3/B  | JP3/C | JP3/D | JP3/E | JP3/F |
          |----------+--------+--------+-------+-------+-------+-------|
          | |IR/FONT>|Pins 1 &|  Open  | Open  | Open  | Open  | Open  |
          | |        |   2    |        |       |       |       |       |
          |-+--------+--------+--------+-------+-------+-------+-------|
          | |  IRQ3  |  Open  |Pins 1 &| Open  | Open  | Open  | Open  |
          | |        |        |   2    |       |       |       |       |
          |-+--------+--------+--------+-------+-------+-------+-------|
          |»|  IRQ4  |  Open  |  Open  |Pins 1 | Open  | Open  | Open  |
          | |        |        |        |  & 2  |       |       |       |
          |-+--------+--------+--------+-------+-------+-------+-------|
          | |  IRQ5  |  Open  |  Open  | Open  |Pins 1 | Open  | Open  |
          | |        |        |        |       |  & 2  |       |       |
          |-+--------+--------+--------+-------+-------+-------+-------|
          | |  IRQ6  |  Open  |  Open  | Open  | Open  |Pins 1 | Open  |
          | |        |        |        |       |       |  & 2  |       |
          |-+--------+--------+--------+-------+-------+-------+-------|
          | |  IRQ7  |  Open  |  Open  | Open  | Open  | Open  |Pins 1 |
          | |        |        |        |       |       |       |  & 2  |
          |-+--------+--------+--------+-------+-------+-------+-------|
          | | IRQ10  |  Open  |  Open  | Open  | Open  | Open  | Open  |
          |-+--------+--------+--------+-------+-------+-------+-------|
          | | IRQ11  |  Open  |  Open  | Open  | Open  | Open  | Open  |
          |-+--------+--------+--------+-------+-------+-------+-------|
          | | IRQ12  |  Open  |  Open  | Open  | Open  | Open  | Open  |
          |-+--------+--------+--------+-------+-------+-------+-------|
          | | IRQ14  |  Open  |  Open  | Open  | Open  | Open  | Open  |
          |-+--------+--------+--------+-------+-------+-------+-------|
          | | IRQ15  |  Open  |  Open  | Open  | Open  | Open  | Open  |
          +------------------------------------------------------------+
       
          +------------------------------------------------------------+
          |         SERIAL PORT 1 INTERRUPT SELECTION (CON’T)          |
          |------------------------------------------------------------|
          |   Setting    |  JP3/G  | JP3/H  | JP3/I  | JP3/J  | JP3/K  |
          |--------------+---------+--------+--------+--------+--------|
          |   | IR/FONT> |  Open   |  Open  |  Open  |  Open  |  Open  |
          |---+----------+---------+--------+--------+--------+--------|
          |   |   IRQ3   |  Open   |  Open  |  Open  |  Open  |  Open  |
          |---+----------+---------+--------+--------+--------+--------|
          | » |   IRQ4   |  Open   |  Open  |  Open  |  Open  |  Open  |
          |---+----------+---------+--------+--------+--------+--------|
          |   |   IRQ5   |  Open   |  Open  |  Open  |  Open  |  Open  |
          |---+----------+---------+--------+--------+--------+--------|
          |   |   IRQ6   |  Open   |  Open  |  Open  |  Open  |  Open  |
          |---+----------+---------+--------+--------+--------+--------|
          |   |   IRQ7   |  Open   |  Open  |  Open  |  Open  |  Open  |
          |---+----------+---------+--------+--------+--------+--------|
          |   |  IRQ10   | Pins 1  |  Open  |  Open  |  Open  |  Open  |
          |   |          |   & 2   |        |        |        |        |
          |---+----------+---------+--------+--------+--------+--------|
          |   |  IRQ11   |  Open   | Pins 1 |  Open  |  Open  |  Open  |
          |   |          |         |  & 2   |        |        |        |
          |---+----------+---------+--------+--------+--------+--------|
          |   |  IRQ12   |  Open   |  Open  | Pins 1 |  Open  |  Open  |
          |   |          |         |        |  & 2   |        |        |
          |---+----------+---------+--------+--------+--------+--------|
          |   |  IRQ14   |  Open   |  Open  |  Open  | Pins 1 |  Open  |
          |   |          |         |        |        |  & 2   |        |
          |---+----------+---------+--------+--------+--------+--------|
          |   |  IRQ15   |  Open   |  Open  |  Open  |  Open  | Pins 1 |
          |   |          |         |        |        |        |  & 2   |
          |------------------------------------------------------------|
          |      Note:Pins designated are in the closed position.      |
          +------------------------------------------------------------+
       
          +------------------------------------------------------------+
          |             SERIAL PORT 2 INTERRUPT SELECTION              |
          |------------------------------------------------------------|
          | Setting  | JP3/A  | JP3/B  | JP3/C | JP3/D | JP3/E | JP3/F |
          |----------+--------+--------+-------+-------+-------+-------|
          | |IR/FONT>|Pins 2 &|  Open  | Open  | Open  | Open  | Open  |
          | |        |   3    |        |       |       |       |       |
          |-+--------+--------+--------+-------+-------+-------+-------|
          | |  IRQ3  |  Open  |Pins 2 &| Open  | Open  | Open  | Open  |
          | |        |        |   3    |       |       |       |       |
          |-+--------+--------+--------+-------+-------+-------+-------|
          |»|  IRQ4  |  Open  |  Open  |Pins 2 | Open  | Open  | Open  |
          | |        |        |        |  & 3  |       |       |       |
          |-+--------+--------+--------+-------+-------+-------+-------|
          | |  IRQ5  |  Open  |  Open  | Open  |Pins 2 | Open  | Open  |
          | |        |        |        |       |  & 3  |       |       |
          |-+--------+--------+--------+-------+-------+-------+-------|
          | |  IRQ6  |  Open  |  Open  | Open  | Open  |Pins 2 | Open  |
          | |        |        |        |       |       |  & 3  |       |
          |-+--------+--------+--------+-------+-------+-------+-------|
          | |  IRQ7  |  Open  |  Open  | Open  | Open  | Open  |Pins 2 |
          | |        |        |        |       |       |       |  & 3  |
          |-+--------+--------+--------+-------+-------+-------+-------|
          | | IRQ10  |  Open  |  Open  | Open  | Open  | Open  | Open  |
          |-+--------+--------+--------+-------+-------+-------+-------|
          | | IRQ11  |  Open  |  Open  | Open  | Open  | Open  | Open  |
          |-+--------+--------+--------+-------+-------+-------+-------|
          | | IRQ12  |  Open  |  Open  | Open  | Open  | Open  | Open  |
          |-+--------+--------+--------+-------+-------+-------+-------|
          | | IRQ14  |  Open  |  Open  | Open  | Open  | Open  | Open  |
          |-+--------+--------+--------+-------+-------+-------+-------|
          | | IRQ15  |  Open  |  Open  | Open  | Open  | Open  | Open  |
          +------------------------------------------------------------+
       
          +------------------------------------------------------------+
          |         SERIAL PORT 2 INTERRUPT SELECTION (CON’T)          |
          |------------------------------------------------------------|
          |   Setting    |  JP3/G  | JP3/H  | JP3/I  | JP3/J  | JP3/K  |
          |--------------+---------+--------+--------+--------+--------|
          |   | IR/FONT> |  Open   |  Open  |  Open  |  Open  |  Open  |
          |---+----------+---------+--------+--------+--------+--------|
          |   |   IRQ3   |  Open   |  Open  |  Open  |  Open  |  Open  |
          |---+----------+---------+--------+--------+--------+--------|
          | » |   IRQ4   |  Open   |  Open  |  Open  |  Open  |  Open  |
          |---+----------+---------+--------+--------+--------+--------|
          |   |   IRQ5   |  Open   |  Open  |  Open  |  Open  |  Open  |
          |---+----------+---------+--------+--------+--------+--------|
          |   |   IRQ6   |  Open   |  Open  |  Open  |  Open  |  Open  |
          |---+----------+---------+--------+--------+--------+--------|
          |   |   IRQ7   |  Open   |  Open  |  Open  |  Open  |  Open  |
          |---+----------+---------+--------+--------+--------+--------|
          |   |  IRQ10   | Pins 2  |  Open  |  Open  |  Open  |  Open  |
          |   |          |   & 3   |        |        |        |        |
          |---+----------+---------+--------+--------+--------+--------|
          |   |  IRQ11   |  Open   | Pins 2 |  Open  |  Open  |  Open  |
          |   |          |         |  & 3   |        |        |        |
          |---+----------+---------+--------+--------+--------+--------|
          |   |  IRQ12   |  Open   |  Open  | Pins 2 |  Open  |  Open  |
          |   |          |         |        |  & 3   |        |        |
          |---+----------+---------+--------+--------+--------+--------|
          |   |  IRQ14   |  Open   |  Open  |  Open  | Pins 2 |  Open  |
          |   |          |         |        |        |  & 3   |        |
          |---+----------+---------+--------+--------+--------+--------|
          |   |  IRQ15   |  Open   |  Open  |  Open  |  Open  | Pins 2 |
          |   |          |         |        |        |        |  & 3   |
          |------------------------------------------------------------|
          |      Note:Pins designated are in the closed position.      |
          +------------------------------------------------------------+
       
          +------------------------------------------------------------+
          |              SERIAL PORT 1 ADDRESS SELECTION               |
          |------------------------------------------------------------|
          |  Setting  |SW1/1 |SW1/2 |SW1/3 |SW1/4 |SW1/5 |SW1/6 |SW1/7 |
          |-----------+------+------+------+------+------+------+------|
          |  |  000h  |  On  |  On  |  On  |  On  |  On  |  On  |  On  |
          |--+--------+------+------+------+------+------+------+------|
          |  |  008h  | Off  |  On  |  On  |  On  |  On  |  On  |  On  |
          |--+--------+------+------+------+------+------+------+------|
          |  |  010h  |  On  | Off  |  On  |  On  |  On  |  On  |  On  |
          |--+--------+------+------+------+------+------+------+------|
          |  |  018h  | Off  | Off  |  On  |  On  |  On  |  On  |  On  |
          |--+--------+------+------+------+------+------+------+------|
          |  |  020h  |  On  |  On  | Off  |  On  |  On  |  On  |  On  |
          |--+--------+------+------+------+------+------+------+------|
          |  |  2E8h  | Off  |  On  | Off  | Off  | Off  |  On  | Off  |
          |  |(COM4:) |      |      |      |      |      |      |      |
          |--+--------+------+------+------+------+------+------+------|
          |  |  2F8h  | Off  | Off  | Off  | Off  | Off  |  On  | Off  |
          |  |(COM2:) |      |      |      |      |      |      |      |
          |--+--------+------+------+------+------+------+------+------|
          |  |  3D8h  | Off  | Off  |  On  | Off  | Off  | Off  | Off  |
          |--+--------+------+------+------+------+------+------+------|
          |  |  3E0h  |  On  |  On  | Off  | Off  | Off  | Off  | Off  |
          |--+--------+------+------+------+------+------+------+------|
          |  |  3E8h  | Off  |  On  | Off  | Off  | Off  | Off  | Off  |
          |  |(COM3:) |      |      |      |      |      |      |      |
          |--+--------+------+------+------+------+------+------+------|
          |  |  3F0h  |  On  | Off  | Off  | Off  | Off  | Off  | Off  |
          |--+--------+------+------+------+------+------+------+------|
          |» |  3F8h  | Off  | Off  | Off  | Off  | Off  | Off  | Off  |
          |  |(COM1:) |      |      |      |      |      |      |      |
          |------------------------------------------------------------|
          |     Note: A total of 128 base address settings are         |
          |     available. The switches are a binary representation of |
          |     the decimal memory addresses. SW1/7 is the Most        |
          |     Significant Bit and switch SW1/1 is the Least          |
          |     Significant Bit. The switches have the following       |
          |     decimal values: SW1/7=512, SW1/6=256, SW1/5=128,       |
          |     SW1/4=64, SW1/3=32, SW1/2=16, SW1/1=8. Turn off the    |
          |     switches and add the values of the switches that are   |
          |     off to obtain the correct memory address. (Off=1, On=0)|
          +------------------------------------------------------------+
       
          +------------------------------------------------------------+
          |              SERIAL PORT 2 ADDRESS SELECTION               |
          |------------------------------------------------------------|
          |  Setting  |SW2/1 |SW2/2 |SW2/3 |SW2/4 |SW2/5 |SW2/6 |SW2/7 |
          |-----------+------+------+------+------+------+------+------|
          |  |  000h  |  On  |  On  |  On  |  On  |  On  |  On  |  On  |
          |--+--------+------+------+------+------+------+------+------|
          |  |  008h  | Off  |  On  |  On  |  On  |  On  |  On  |  On  |
          |--+--------+------+------+------+------+------+------+------|
          |  |  010h  |  On  | Off  |  On  |  On  |  On  |  On  |  On  |
          |--+--------+------+------+------+------+------+------+------|
          |  |  018h  | Off  | Off  |  On  |  On  |  On  |  On  |  On  |
          |--+--------+------+------+------+------+------+------+------|
          |  |  020h  |  On  |  On  | Off  |  On  |  On  |  On  |  On  |
          |--+--------+------+------+------+------+------+------+------|
          |  |  2E8h  | Off  |  On  | Off  | Off  | Off  |  On  | Off  |
          |  |(COM4:) |      |      |      |      |      |      |      |
          |--+--------+------+------+------+------+------+------+------|
          |» |  2F8h  | Off  | Off  | Off  | Off  | Off  |  On  | Off  |
          |  |(COM2:) |      |      |      |      |      |      |      |
          |--+--------+------+------+------+------+------+------+------|
          |  |  3D8h  | Off  | Off  |  On  | Off  | Off  | Off  | Off  |
          |--+--------+------+------+------+------+------+------+------|
          |  |  3E0h  |  On  |  On  | Off  | Off  | Off  | Off  | Off  |
          |--+--------+------+------+------+------+------+------+------|
          |  |  3E8h  | Off  |  On  | Off  | Off  | Off  | Off  | Off  |
          |  |(COM3:) |      |      |      |      |      |      |      |
          |--+--------+------+------+------+------+------+------+------|
          |  |  3F0h  |  On  | Off  | Off  | Off  | Off  | Off  | Off  |
          |--+--------+------+------+------+------+------+------+------|
          |  |  3F8h  | Off  | Off  | Off  | Off  | Off  | Off  | Off  |
          |  |(COM1:) |      |      |      |      |      |      |      |
          |------------------------------------------------------------|
          |     Note: A total of 128 base address settings are         |
          |     available. The switches are a binary representation of |
          |     the decimal memory addresses. SW2/7 is the Most        |
          |     Significant Bit and switch SW2/1 is the Least          |
          |     Significant Bit. The switches have the following       |
          |     decimal values: SW2/7=512, SW2/6=256, SW2/5=128,       |
          |     SW2/4=64, SW2/3=32, SW2/2=16, SW2/1=8. Turn off the    |
          |     switches and add the values of the switches that are   |
          |     off to obtain the correct memory address. (Off=1, On=0)|
          +------------------------------------------------------------+