URI: 
  TEXT View Source
       
       # B & B ELECTRONICS
       
          422ICCA, 422ICCB
       
          Card Type         Serial                                       
          Chipset           16550A (422ICCA)                             
                                                                         
                            16750 (422ICCB)                              
          I/O Options       Serial port                                  
          Data Bus          8-bit ISA                                    
       
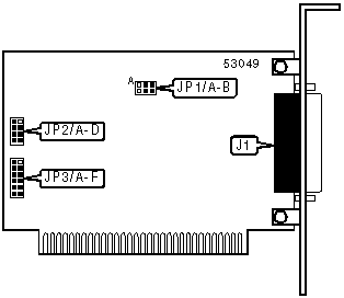
   IMG IMG 1
          
       
          +------------------------------------------------------------+
          |                        CONNECTIONS                         |
          |------------------------------------------------------------|
          |           Function            |           Label            |
          |-------------------------------+----------------------------|
          | RS-422 or RS-485 serial port  |             J1             |
          +------------------------------------------------------------+
       
          +------------------------------------------------------------+
          |                 USER CONFIGURABLE SETTINGS                 |
          |------------------------------------------------------------|
          |               Setting               | Label |   Position   |
          |-------------------------------------+-------+--------------|
          |   | Serial port is RS-485           | JP1/A |  Pins 1 & 2  |
          |   |                                 |       |    closed    |
          |---+---------------------------------+-------+--------------|
          |   | Serial port is RS-422           | JP1/A |  Pins 2 & 3  |
          |   |                                 |       |    closed    |
          |---+---------------------------------+-------+--------------|
          | ยป | Handshaking signals normal      | JP1/B |  Pins 1 & 2  |
          |   |                                 |       |    closed    |
          |---+---------------------------------+-------+--------------|
          |   | Handshaking signals forced high | JP1/B |  Pins 2 & 3  |
          |   |                                 |       |    closed    |
          +------------------------------------------------------------+
       
          +------------------------------------------------------------+
          |               SERIAL PORT ADDRESS SELECTION                |
          |------------------------------------------------------------|
          |   Setting    |   JP2/A   |   JP2/B   |  JP2/C   |  JP2/D   |
          |--------------+-----------+-----------+----------+----------|
          | 3F8h (COM1:) |  Closed   |   Open    |   Open   |   Open   |
          |--------------+-----------+-----------+----------+----------|
          | 2F8h (COM2:) |   Open    |  Closed   |   Open   |   Open   |
          |--------------+-----------+-----------+----------+----------|
          | 3E8h (COM3:) |   Open    |   Open    |  Closed  |   Open   |
          |--------------+-----------+-----------+----------+----------|
          | 2E8h (COM4:) |   Open    |   Open    |   Open   |  Closed  |
          +------------------------------------------------------------+
       
          +------------------------------------------------------------+
          |                    INTERRUPT SELECTION                     |
          |------------------------------------------------------------|
          |Setting | JP3/A  | JP3/B  | JP3/C  | JP3/D  | JP3/E | JP3/F |
          |--------+--------+--------+--------+--------+-------+-------|
          |  IRQ2  |  Open  |  Open  |  Open  |  Open  | Open  |Closed |
          |--------+--------+--------+--------+--------+-------+-------|
          |  IRQ3  |  Open  |  Open  |  Open  |  Open  |Closed | Open  |
          |--------+--------+--------+--------+--------+-------+-------|
          |  IRQ4  |  Open  |  Open  |  Open  | Closed | Open  | Open  |
          |--------+--------+--------+--------+--------+-------+-------|
          |  IRQ5  |  Open  |  Open  | Closed |  Open  | Open  | Open  |
          |--------+--------+--------+--------+--------+-------+-------|
          |  IRQ6  |  Open  | Closed |  Open  |  Open  | Open  | Open  |
          |--------+--------+--------+--------+--------+-------+-------|
          |  IRQ7  | Closed |  Open  |  Open  |  Open  | Open  | Open  |
          +------------------------------------------------------------+