URI: 
  TEXT View Source
       
       # BRAIN BOXES
       
          AT VELOCITY RS422/485
       
          Card Type           Serial card                                
          Chip Set            Unidentified                               
          Data Bus            8-bit ISA                                  
       
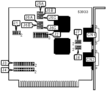
   IMG IMG 1
          
       
          +------------------------------------------------------------+
          |                        CONNECTIONS                         |
          |------------------------------------------------------------|
          |       Function       | Label |      Function       | Label |
          |----------------------+-------+---------------------+-------|
          | 9-pin serial port 1  |  CN1  | 9-pin serial port 2 |  CN2  |
          +------------------------------------------------------------+
       
          +------------------------------------------------------------+
          |                 USER CONFIGURABLE SETTINGS                 |
          |------------------------------------------------------------|
          |               Function                | Label |  Position  |
          |---------------------------------------+-------+------------|
          | » | Serial port 1 half duplex gate    |  J5A  | Pins 1 & 2 |
          |   | disabled                          |       |   closed   |
          |---+-----------------------------------+-------+------------|
          |   | Serial port 1 half duplex gate    |  J5A  | Pins 2 & 3 |
          |   | enabled when RTS true             |       |   closed   |
          |---+-----------------------------------+-------+------------|
          | » | Serial port 1 half duplex RTS     |  J5B  | Pins 1 & 2 |
          |   | disabled                          |       |   closed   |
          |---+-----------------------------------+-------+------------|
          |   | Serial port 1 half duplex RTS     |  J5B  | Pins 2 & 3 |
          |   | enabled                           |       |   closed   |
          |---+-----------------------------------+-------+------------|
          | » | Serial port 1 half duplex CTS1    |  J5C  | Pins 1 & 2 |
          |   | disabled                          |       |   closed   |
          |---+-----------------------------------+-------+------------|
          |   | Serial port 1 half duplex CTS1    |  J5C  | Pins 2 & 3 |
          |   | enabled                           |       |   closed   |
          |---+-----------------------------------+-------+------------|
          | » | Serial port 2 half duplex gate    |  J6A  | Pins 1 & 2 |
          |   | disabled                          |       |   closed   |
          |---+-----------------------------------+-------+------------|
          |   | Serial port 2 half duplex gate    |  J6A  | Pins 2 & 3 |
          |   | enabled when RTS true             |       |   closed   |
          |---+-----------------------------------+-------+------------|
          | » | Serial port 2 half duplex RTS     |  J6B  | Pins 1 & 2 |
          |   | disabled                          |       |   closed   |
          |---+-----------------------------------+-------+------------|
          |   | Serial port 2 half duplex RTS     |  J6B  | Pins 2 & 3 |
          |   | enabled                           |       |   closed   |
          |---+-----------------------------------+-------+------------|
          | » | Serial port 2 half duplex CTS1    |  J6C  | Pins 1 & 2 |
          |   | disabled                          |       |   closed   |
          |---+-----------------------------------+-------+------------|
          |   | Serial port 2 half duplex CTS1    |  J6C  | Pins 2 & 3 |
          |   | enabled                           |       |   closed   |
          +------------------------------------------------------------+
       
          +------------------------------------------------------------+
          |               SERIAL PORT ADDRESS SELECTION                |
          |------------------------------------------------------------|
          |    Setting     |      J2 Port 1      |      J2 Port 2      |
          |----------------+---------------------+---------------------|
          |      COM1      |  Pins 1 & 2 closed  |  Pins 2 & 3 closed  |
          |----------------+---------------------+---------------------|
          |      COM2      |  Pins 4 & 5 closed  |  Pins 5 & 6 closed  |
          |----------------+---------------------+---------------------|
          |      COM3      |  Pins 7 & 8 closed  |  Pins 8 & 9 closed  |
          |----------------+---------------------+---------------------|
          |      COM4      | Pins 10 & 11 closed | Pins 11 & 12 closed |
          |----------------+---------------------+---------------------|
          |      COM5      | Pins 13 & 14 closed | Pins 14 & 15 closed |
          |----------------+---------------------+---------------------|
          |      COM6      | Pins 16 & 17 closed | Pins 17 & 18 closed |
          |----------------+---------------------+---------------------|
          |      COM7      | Pins 19 & 20 closed | Pins 20 & 21 closed |
          |----------------+---------------------+---------------------|
          |      COM8      | Pins 22 & 23 closed | Pins 23 & 24 closed |
          +------------------------------------------------------------+
       
          +------------------------------------------------------------+
          |             SERIAL PORT 1 INTERRUPT SELECTION              |
          |------------------------------------------------------------|
          |            IRQ             |              J3               |
          |----------------------------+-------------------------------|
          |    |         IRQ2          |      Pins 11 & 12 closed      |
          |----+-----------------------+-------------------------------|
          | »  |         IRQ3          |      Pins 9 & 10 closed       |
          |----+-----------------------+-------------------------------|
          |    |         IRQ4          |       Pins 7 & 8 closed       |
          |----+-----------------------+-------------------------------|
          |    |         IRQ5          |       Pins 5 & 6 closed       |
          |----+-----------------------+-------------------------------|
          |    |         IRQ6          |       Pins 3 & 4 closed       |
          |----+-----------------------+-------------------------------|
          |    |         IRQ7          |       Pins 1 & 2 closed       |
          |----+-----------------------+-------------------------------|
          |    |         IRQ10         |      Pins 13 & 14 closed      |
          |----+-----------------------+-------------------------------|
          |    |         IRQ11         |      Pins 15 & 16 closed      |
          |----+-----------------------+-------------------------------|
          |    |         IRQ12         |      Pins 17 & 18 closed      |
          |----+-----------------------+-------------------------------|
          |    |         IRQ14         |      Pins 19 & 20 closed      |
          |----+-----------------------+-------------------------------|
          |    |         IRQ15         |      Pins 21 & 22 closed      |
          +------------------------------------------------------------+
       
          +------------------------------------------------------------+
          |             SERIAL PORT 2 INTERRUPT SELECTION              |
          |------------------------------------------------------------|
          |            IRQ             |              J4               |
          |----------------------------+-------------------------------|
          |    |         IRQ2          |      Pins 11 & 12 closed      |
          |----+-----------------------+-------------------------------|
          | »  |         IRQ3          |      Pins 9 & 10 closed       |
          |----+-----------------------+-------------------------------|
          |    |         IRQ4          |       Pins 7 & 8 closed       |
          |----+-----------------------+-------------------------------|
          |    |         IRQ5          |       Pins 5 & 6 closed       |
          |----+-----------------------+-------------------------------|
          |    |         IRQ6          |       Pins 3 & 4 closed       |
          |----+-----------------------+-------------------------------|
          |    |         IRQ7          |       Pins 1 & 2 closed       |
          |----+-----------------------+-------------------------------|
          |    |         IRQ10         |      Pins 13 & 14 closed      |
          |----+-----------------------+-------------------------------|
          |    |         IRQ11         |      Pins 15 & 16 closed      |
          |----+-----------------------+-------------------------------|
          |    |         IRQ12         |      Pins 17 & 18 closed      |
          |----+-----------------------+-------------------------------|
          |    |         IRQ14         |      Pins 19 & 20 closed      |
          |----+-----------------------+-------------------------------|
          |    |         IRQ15         |      Pins 21 & 22 closed      |
          +------------------------------------------------------------+
       
          +------------------------------------------------------------+
          |                    BUAD RATE SELECTION                     |
          |------------------------------------------------------------|
          | Clock |  Baud   | J1/pins 1  | J1/pins | J1/pins | J1/pins |
          |       |  Rate   |    & 2     |  3 & 4  |  5 & 6  |  7 & 8  |
          |-------+---------+------------+---------+---------+---------|
          | CLK/1 | 921600  |    Open    |  Open   |  Open   | Closed  |
          |-------+---------+------------+---------+---------+---------|
          | CLK/2 | 460800  |    Open    |  Open   | Closed  |  Open   |
          |-------+---------+------------+---------+---------+---------|
          | CLK/4 | 234400  |    Open    | Closed  |  Open   |  Open   |
          |-------+---------+------------+---------+---------+---------|
          | CLK/8 | 115200  |   Closed   |  Open   |  Open   |  Open   |
          +------------------------------------------------------------+
       
          +------------------------------------------------------------+
          |             SERIAL PORT 1 MULTIPLEX SELECTION              |
          |------------------------------------------------------------|
          |             Setting              |           J7            |
          |----------------------------------+-------------------------|
          | » |      Multiplex disabled      |    Pins 1 & 3, 2 & 4    |
          |   |                              |         closed          |
          |---+------------------------------+-------------------------|
          |   |     Signal transmitted &     |    Pins 3 & 5, 4 & 6    |
          |   |           received           |         closed          |
          |---+------------------------------+-------------------------|
          |   |   Signals shorted together   |    Pins 3 & 5, 4 & 6    |
          |   |                              |         closed          |
          +------------------------------------------------------------+
       
          +------------------------------------------------------------+
          |             SERIAL PORT 2 MULTIPLEX SELECTION              |
          |------------------------------------------------------------|
          |             Setting              |           J8            |
          |----------------------------------+-------------------------|
          | » |      Multiplex disabled      |    Pins 1 & 3, 2 & 4    |
          |   |                              |         closed          |
          |---+------------------------------+-------------------------|
          |   |     Signal transmitted &     |    Pins 3 & 5, 4 & 6    |
          |   |           received           |         closed          |
          |---+------------------------------+-------------------------|
          |   |   Signals shorted together   |    Pins 3 & 5, 4 & 6    |
          |   |                              |         closed          |
          +------------------------------------------------------------+