URI: 
  TEXT View Source
       
       # AZTECH LABS, INC.
       
          PCI 338-A3D (VER. 0.2)
       
          Card Type   Sound card                                         
          Chip Set    Unidentified                                       
          I/O Options Line in, microphone in, line out, game/MIDI port,  
                      audio in - CD-ROM,                                 
                                                                         
                      TAD connector, auxiliary connector, video          
                      connector                                          
          Data Bus    32-bit PCI                                         
          Card Size   Half-length, half-height card                      
       
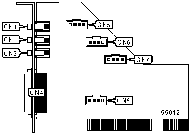
   IMG IMG 1
          
       
          +------------------------------------------------------------+
          |                        CONNECTIONS                         |
          |------------------------------------------------------------|
          |      Function      | Label |       Function        | Label |
          |--------------------+-------+-----------------------+-------|
          | Line in            |  CN1  | Audio in - CD-ROM     |  CN5  |
          |--------------------+-------+-----------------------+-------|
          | Microphone in      |  CN2  | TAD connector         |  CN6  |
          |--------------------+-------+-----------------------+-------|
          | Line out           |  CN3  | Auxiliary line out    |  CN7  |
          |--------------------+-------+-----------------------+-------|
          | Game/MIDI port     |  CN4  | Video connector       |  CN8  |
          +------------------------------------------------------------+