URI: 
  TEXT View Source
       
       # J-MARK COMPUTER CORPORATION
       
          J-MED1931B
       
          Card Type           Sound card                                 
          Chip Set            Opti                                       
          I/O Options         CD-ROM interface, game port                
          Data Bus            16-bit ISA                                 
          Card Size           Half-length, half-height                   
       
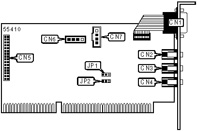
   IMG IMG 1
          
       
          +------------------------------------------------------------+
          |                        CONNECTIONS                         |
          |------------------------------------------------------------|
          |      Function      | Label |       Function        | Label |
          |--------------------+-------+-----------------------+-------|
          | Game/MIDI port     |  CN1  | Wave table connector  |  CN5  |
          |--------------------+-------+-----------------------+-------|
          | Line/speaker out   |  CN2  | Audio in - CD-ROM     |  CN6  |
          |--------------------+-------+-----------------------+-------|
          | Line in            |  CN3  | Audio in - CD-ROM     |  CN7  |
          |--------------------+-------+-----------------------+-------|
          | Microphone in      |  CN4  |                       |       |
          +------------------------------------------------------------+
       
          +------------------------------------------------------------+
          |                 USER CONFIGURABLE SETTINGS                 |
          |------------------------------------------------------------|
          |        Function         |       JP1       |      JP2       |
          |-------------------------+-----------------+----------------|
          | ยป | Speaker out via CN2 |   Pins 1 & 2    |   Pins 1 & 2   |
          |   |                     |     closed      |     closed     |
          |---+---------------------+-----------------+----------------|
          |   | Line out via CN2    |   Pins 2 & 3    |   Pins 2 & 3   |
          |   |                     |     closed      |     closed     |
          +------------------------------------------------------------+