URI: 
  TEXT View Source
       
       # MIRO COMPUTER PRODUCTS, INC.
       
          MIROMEDIA SURROUND
       
          Card Type       Sound card                                     
          Chip Set        Unidentified                                   
          Maximum Onboard Unidentified                                   
          Memory          
          I/O Options     Audio in, stereo in, stereo out, surround out  
                          (4)                                            
          Data Bus        8-bit ISA                                      
       
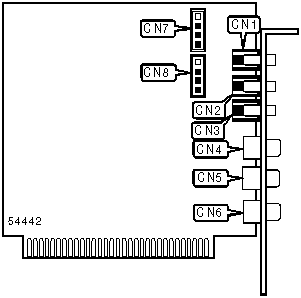
   IMG IMG 1
          
       
          +------------------------------------------------------------+
          |                        CONNECTIONS                         |
          |------------------------------------------------------------|
          |        Function         | Label |     Function     | Label |
          |-------------------------+-------+------------------+-------|
          | Stereo input (left and  |  CN1  | Surround output  |  CN5  |
          | right)                  |       |                  |       |
          |-------------------------+-------+------------------+-------|
          | Stereo output (left and |  CN2  | Center output    |  CN6  |
          | right)                  |       |                  |       |
          |-------------------------+-------+------------------+-------|
          | Surround output (left   |  CN3  | Internal audio   |  CN7  |
          | and right rear)         |       | input            |       |
          |-------------------------+-------+------------------+-------|
          | Surround output         |  CN4  | Internal audio   |  CN8  |
          |                         |       | output           |       |
          +------------------------------------------------------------+