URI: 
  TEXT View Source
       
       # QUATECH, INC.
       
          BCA-100
       
          Card Type          Serial/Parallel interface                   
          Chipset/Controller Zilog                                       
          I/O Options        Serial/Parallel port                        
          Maximum DRAM       N/A                                         
       
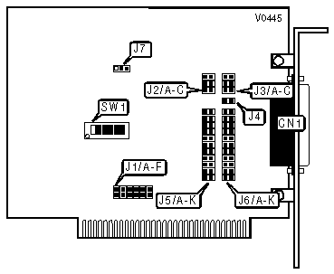
   IMG IMG 1
          
       
          +------------------------------------------------------------+
          |                        CONNECTIONS                         |
          |------------------------------------------------------------|
          |        Purpose        | Location |   Purpose    | Location |
          |-----------------------+----------+--------------+----------|
          | DB-25 serial/parallel |   CN1    | Standy clock |    J4    |
          | port                  |          | output       |          |
          +------------------------------------------------------------+
       
          +------------------------------------------------------------+
          |                 BASE MEMORY ADDRESS SELECT                 |
          |------------------------------------------------------------|
          | Address | SW1/1  | SW1/2  | SW1/3  | SW1/4 | SW1/5 | SW1/6 |
          |---------+--------+--------+--------+-------+-------+-------|
          |  27Xh   |  Off   |   On   |   On   |  Off  |  Off  |  Off  |
          |---------+--------+--------+--------+-------+-------+-------|
          |  2EXh   |  Off   |   On   |  Off   |  Off  |  Off  |  On   |
          |---------+--------+--------+--------+-------+-------+-------|
          |  2FXh   |  Off   |   On   |  Off   |  Off  |  Off  |  Off  |
          |---------+--------+--------+--------+-------+-------+-------|
          |  37Xh   |  Off   |  Off   |   On   |  Off  |  Off  |  Off  |
          |---------+--------+--------+--------+-------+-------+-------|
          |  3EXh   |  Off   |  Off   |  Off   |  Off  |  Off  |  On   |
          |---------+--------+--------+--------+-------+-------+-------|
          |  3FXh   |  Off   |  Off   |  Off   |  Off  |  Off  |  Off  |
          +------------------------------------------------------------+
       
          +------------------------------------------------------------+
          |                     CLOCK SPEED SELECT                     |
          |------------------------------------------------------------|
          |         Divide by          |              J7               |
          |----------------------------+-------------------------------|
          |             1              |       Pins 1 & 2 closed       |
          |----------------------------+-------------------------------|
          |             2              |       Pins 2 & 3 closed       |
          +------------------------------------------------------------+
       
          +------------------------------------------------------------+
          |                   DTE/DCE CONFIGURATION                    |
          |------------------------------------------------------------|
          |      Jumper      |      J5 (DTE)      |      J6 (DCE)      |
          |------------------+--------------------+--------------------|
          |        A         |         On         |        Off         |
          |------------------+--------------------+--------------------|
          |        B         |         On         |        Off         |
          |------------------+--------------------+--------------------|
          |        C         |         On         |        Off         |
          |------------------+--------------------+--------------------|
          |        D         |         On         |        Off         |
          |------------------+--------------------+--------------------|
          |        E         |         On         |        Off         |
          |------------------+--------------------+--------------------|
          |        F         |        Off         |        Off         |
          |------------------+--------------------+--------------------|
          |        G         |         On         |         On         |
          |------------------+--------------------+--------------------|
          |        H         |         On         |        Off         |
          |------------------+--------------------+--------------------|
          |        I         |        Off         |        Off         |
          |------------------+--------------------+--------------------|
          |        J         |         On         |        Off         |
          |------------------+--------------------+--------------------|
          |        K         |        Off         |        Off         |
          +------------------------------------------------------------+
       
          +------------------------------------------------------------+
          |                      INTERRUPT SELECT                      |
          |------------------------------------------------------------|
          | IRQ  |  J1/A  |  J1/B  |  J1/C  |  J1/D  |  J1/E  |  J1/F  |
          |------+--------+--------+--------+--------+--------+--------|
          | IRQ2 | Closed |  Open  |  Open  |  Open  |  Open  |  Open  |
          |------+--------+--------+--------+--------+--------+--------|
          | IRQ3 |  Open  | Closed |  Open  |  Open  |  Open  |  Open  |
          |------+--------+--------+--------+--------+--------+--------|
          | IRQ4 |  Open  |  Open  | Closed |  Open  |  Open  |  Open  |
          |------+--------+--------+--------+--------+--------+--------|
          | IRQ5 |  Open  |  Open  |  Open  | Closed |  Open  |  Open  |
          |------+--------+--------+--------+--------+--------+--------|
          | IRQ6 |  Open  |  Open  |  Open  |  Open  | Closed |  Open  |
          |------+--------+--------+--------+--------+--------+--------|
          | IRQ7 |  Open  |  Open  |  Open  |  Open  |  Open  | Closed |
          +------------------------------------------------------------+
       
          +------------------------------------------------------------+
          |                    RECEIVE CLOCK SOURCE                    |
          |------------------------------------------------------------|
          |       Source        |    J3/A    |    J3/B    |    J3/C    |
          |---------------------+------------+------------+------------|
          |     TXCA clock      |     On     |    Off     |    Off     |
          |---------------------+------------+------------+------------|
          | RXCi external clock |    Off     |     On     |    Off     |
          |---------------------+------------+------------+------------|
          |        CLKA         |    Off     |    Off     |     On     |
          +------------------------------------------------------------+
       
          +------------------------------------------------------------+
          |                   TRANSMIT CLOCK SOURCE                    |
          |------------------------------------------------------------|
          |       Source        |    J2/A    |    J2/B    |    J2/C    |
          |---------------------+------------+------------+------------|
          |     RXCA clock      |     On     |    Off     |    Off     |
          |---------------------+------------+------------+------------|
          | TXCi external clock |    Off     |     On     |    Off     |
          |---------------------+------------+------------+------------|
          |        CLKB         |    Off     |    Off     |     On     |
          +------------------------------------------------------------+