URI: 
  TEXT View Source
       
       # SEA LEVEL SYSTEMS, INC.
       
          ACB-III
       
          Card Type           Serial card                                
          Chip Set            Unidentified                               
          I/O Options         Serial port                                
          Data Bus            8-bit ISA                                  
       
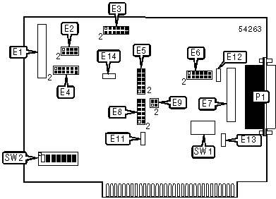
   IMG IMG 1
          
       
          +------------------------------------------------------------+
          |                        CONNECTIONS                         |
          |------------------------------------------------------------|
          |           Function            |           Label            |
          |-------------------------------+----------------------------|
          | Serial port                   |             P1             |
          +------------------------------------------------------------+
       
          +------------------------------------------------------------+
          |                 USER CONFIGURABLE SETTINGS                 |
          |------------------------------------------------------------|
          |              Function               | Label |   Position   |
          |-------------------------------------+-------+--------------|
          | » | Factory configured – do not     |  E1   | Unidentified |
          |   | alter                           |       |              |
          |---+---------------------------------+-------+--------------|
          | » | Factory configured – do not     |  E7   | Unidentified |
          |   | alter                           |       |              |
          |---+---------------------------------+-------+--------------|
          |   | DMA tri state drivers           |  E9   |  Pins 1 & 3  |
          |   | permanently enabled             |       |    closed    |
          |---+---------------------------------+-------+--------------|
          |   | DMA tri state drivers enabled   |  E9   |  Pins 2 & 4  |
          |   | by status control port bit 7    |       |    closed    |
          |---+---------------------------------+-------+--------------|
          | » | Factory configured – do not     |  E11  | Unidentified |
          |   | alter                           |       |              |
          |---+---------------------------------+-------+--------------|
          | » | Factory configured – do not     |  E12  | Unidentified |
          |   | alter                           |       |              |
          |---+---------------------------------+-------+--------------|
          | » | Factory configured – do not     |  E13  | Unidentified |
          |   | alter                           |       |              |
          |---+---------------------------------+-------+--------------|
          | » | Factory configured – do not     |  E14  | Unidentified |
          |   | alter                           |       |              |
          |---+---------------------------------+-------+--------------|
          | » | Factory configured – do not     |  SW2  | Unidentified |
          |   | alter                           |       |              |
          +------------------------------------------------------------+
       
          +------------------------------------------------------------+
          |                  SERIAL PORT 1 SELECTION                   |
          |------------------------------------------------------------|
          |                Setting                 |        E6         |
          |----------------------------------------+-------------------|
          | » |  Transmit clock output (TXC out)   | Pins 1 & 2 closed |
          |---+------------------------------------+-------------------|
          |   |   Transmit clock input (TXC in)    | Pins 3 & 4 closed |
          |---+------------------------------------+-------------------|
          |   |  Terminal timing source from SCC   | Pins 5 & 6 closed |
          |   | TRXC pin or input to TXC pin 24 on |                   |
          |   |                 P1                 |                   |
          |---+------------------------------------+-------------------|
          |   |  Terminal timing source input to   | Pins 7 & 8 closed |
          |   | RXC pins is echoed to pin 24 on P1 |                   |
          |---+------------------------------------+-------------------|
          |   |        Receive clock input         |   Pins 11 & 12    |
          |   |                                    |      closed       |
          +------------------------------------------------------------+
       
          +------------------------------------------------------------+
          |                  SERIAL PORT 2 SELECTION                   |
          |------------------------------------------------------------|
          |                Setting                 |        E3         |
          |----------------------------------------+-------------------|
          | » |  Transmit clock output (TXC out)   | Pins 1 & 2 closed |
          |---+------------------------------------+-------------------|
          |   |   Transmit clock input (TXC in)    | Pins 3 & 4 closed |
          |---+------------------------------------+-------------------|
          |   |  Terminal timing source from SCC   | Pins 5 & 6 closed |
          |   | TRXC pin or input to TXC pin 24 on |                   |
          |   |                 P1                 |                   |
          |---+------------------------------------+-------------------|
          |   |  Terminal timing source input to   | Pins 7 & 8 closed |
          |   | RXC pins is echoed to pin 24 on P1 |                   |
          |---+------------------------------------+-------------------|
          |   |        Receive clock input         |   Pins 11 & 12    |
          |   |                                    |      closed       |
          +------------------------------------------------------------+
       
          +------------------------------------------------------------+
          |         INPUT/OUTPUT CLOCK MODE SELECTION (PORT 1)         |
          |------------------------------------------------------------|
          |            Setting            |            E10             |
          |-------------------------------+----------------------------|
          |     Transmit clock output     |     Pins 1 & 2 closed      |
          |-------------------------------+----------------------------|
          |     Transmit clock input      |     Pins 3 & 4 closed      |
          |-------------------------------+----------------------------|
          |           Not used            |      Pins 5 & 6 open       |
          |-------------------------------+----------------------------|
          |      Receive clock input      |     Pins 7 & 8 closed      |
          +------------------------------------------------------------+
       
          +------------------------------------------------------------+
          |         INPUT/OUTPUT CLOCK MODE SELECTION (PORT 2)         |
          |------------------------------------------------------------|
          |            Setting            |             E2             |
          |-------------------------------+----------------------------|
          |     Transmit clock output     |     Pins 1 & 2 closed      |
          |-------------------------------+----------------------------|
          |     Transmit clock input      |     Pins 3 & 4 closed      |
          |-------------------------------+----------------------------|
          |           Not used            |      Pins 5 & 6 open       |
          |-------------------------------+----------------------------|
          |      Receive clock input      |     Pins 7 & 8 closed      |
          +------------------------------------------------------------+
       
          +------------------------------------------------------------+
          |              SERIAL PORT INTERRUPT SELECTION               |
          |------------------------------------------------------------|
          |             IRQ              |             E8              |
          |------------------------------+-----------------------------|
          |   |           2/9            |      Pins 1 & 2 closed      |
          |---+--------------------------+-----------------------------|
          |   |            3             |      Pins 3 & 4 closed      |
          |---+--------------------------+-----------------------------|
          |   |            4             |      Pins 5 & 6 closed      |
          |---+--------------------------+-----------------------------|
          | » |            5             |      Pins 7 & 8 closed      |
          |---+--------------------------+-----------------------------|
          |   |     Normal IRQ mode      |     Pins 9 & 10 closed      |
          |---+--------------------------+-----------------------------|
          |   |      Multi IRQ mode      |     Pins 11 & 12 closed     |
          +------------------------------------------------------------+
       
          +------------------------------------------------------------+
          |                 BASE I/O ADDRESS SELECTION                 |
          |------------------------------------------------------------|
          | Setting | SW1/1 | SW1/2 |SW1/3 |SW1/4 |SW1/5 |SW1/6 |SW1/7 |
          |---------+-------+-------+------+------+------+------+------|
          |» | 238  |  Off  |  On   |  On  |  On  | Off  | Off  | Off  |
          |--+------+-------+-------+------+------+------+------+------|
          |  | 280  |  Off  |  On   | Off  |  On  |  On  |  On  |  On  |
          |--+------+-------+-------+------+------+------+------+------|
          |  | 2A0  |  Off  |  On   | Off  |  On  | Off  |  On  |  On  |
          |--+------+-------+-------+------+------+------+------+------|
          |  | 2E8  |  Off  |  On   | Off  | Off  | Off  |  On  | Off  |
          |--+------+-------+-------+------+------+------+------+------|
          |  | 300  |  Off  |  Off  |  On  |  On  |  On  |  On  |  On  |
          |--+------+-------+-------+------+------+------+------+------|
          |  | 328  |  Off  |  Off  |  On  |  On  | Off  |  On  | Off  |
          |--+------+-------+-------+------+------+------+------+------|
          |  | 3E8  |  Off  |  Off  | Off  | Off  | Off  |  On  | Off  |
          +------------------------------------------------------------+
       
       
       
          +------------------------------------------------------------+
          |                   DMA CHANNEL SELECTION                    |
          |------------------------------------------------------------|
          |               Channel                |         E4          |
          |--------------------------------------+---------------------|
          |         1 – two channel mode         |  Pins 1 & 2 closed  |
          |--------------------------------------+---------------------|
          |         3 – two channel mode         |  Pins 1 & 2 closed  |
          |--------------------------------------+---------------------|
          |      Two channel A/B mode A3B1       |  Pins 3 & 4 closed  |
          |--------------------------------------+---------------------|
          |      Two channel A/B mode A1B3       |  Pins 5 & 6 closed  |
          |--------------------------------------+---------------------|
          | Closed = channel A, Open = channel B |     Pins 7 & 8      |
          |--------------------------------------+---------------------|
          |      3 – acknowledges channel 3      | Pins 9 & 10 closed  |
          |--------------------------------------+---------------------|
          |      1 – acknowledges channel 1      | Pins 11 & 12 closed |
          +------------------------------------------------------------+
       
          +------------------------------------------------------------+
          |                       DMA SELECTION                        |
          |------------------------------------------------------------|
          |               Setting                |         E5          |
          |--------------------------------------+---------------------|
          |    SCC channel A/B uses channel 3    |  Pins 1 & 2 closed  |
          |--------------------------------------+---------------------|
          |     SCC channel A uses channel 3     |  Pins 3 & 4 closed  |
          |--------------------------------------+---------------------|
          |    SCC channel A/B uses channel 1    |  Pins 5 & 6 closed  |
          |--------------------------------------+---------------------|
          |     SCC channel A uses channel 1     |  Pins 7 & 8 closed  |
          |--------------------------------------+---------------------|
          |    SCC channel B enabled for half    | Pins 9 & 10 closed  |
          |         duplex DMA transfers         |                     |
          |--------------------------------------+---------------------|
          | SCC channel A – DMA channel 1/3 for  | Pins 11 & 12 closed |
          |        full duplex transfers         |                     |
          +------------------------------------------------------------+