URI: 
  TEXT View Source
       
       # TEKNOR INDUSTRIAL COMPUTERS, INC.
       
          TEK-857
       
          Card Type           Serial Expansion card                      
          Chip Set            Unidentified                               
          I/O Options         Serial ports (3), PC/104 connectors (2)    
       
   IMG IMG 1
          
       
          +------------------------------------------------------------+
          |                        CONNECTIONS                         |
          |------------------------------------------------------------|
          |         Function          | Label |   Function    | Label  |
          |---------------------------+-------+---------------+--------|
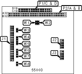
          | Serial port A, B, C, D    |  J1   | 16-bit PC/104 | P1/C & |
          | connector                 |       | connector     |   D    |
          |---------------------------+-------+---------------+--------|
          | Serial port E connector   |  J2   | 8-bit PC/104  | P2/A & |
          |                           |       | connector     |   B    |
          |---------------------------+-------+---------------+--------|
          | Serial port F connector   |  J3   |               |        |
          +------------------------------------------------------------+
       
          +------------------------------------------------------------+
          |            COM B TERMINATION RESISTOR SETTINGS             |
          |------------------------------------------------------------|
          |               Function               | Label |  Position   |
          |--------------------------------------+-------+-------------|
          | CH.A termination enabled             |  W3   |   Closed    |
          |--------------------------------------+-------+-------------|
          | CH.A termination disabled            |  W3   |    Open     |
          |--------------------------------------+-------+-------------|
          | CH.B termination enabled             |  W4   |   Closed    |
          |--------------------------------------+-------+-------------|
          | CH.B termination disabled            |  W4   |    Open     |
          +------------------------------------------------------------+
       
          +------------------------------------------------------------+
          |            COM C TERMINATION RESISTOR SETTINGS             |
          |------------------------------------------------------------|
          |               Function               | Label |  Position   |
          |--------------------------------------+-------+-------------|
          | CH.A termination enabled             |  W6   |   Closed    |
          |--------------------------------------+-------+-------------|
          | CH.A termination disabled            |  W6   |    Open     |
          |--------------------------------------+-------+-------------|
          | CH.B termination enabled             |  W5   |   Closed    |
          |--------------------------------------+-------+-------------|
          | CH.B termination disabled            |  W5   |    Open     |
          +------------------------------------------------------------+
       
          +------------------------------------------------------------+
          |            COM D TERMINATION RESISTOR SETTINGS             |
          |------------------------------------------------------------|
          |               Function               | Label |  Position   |
          |--------------------------------------+-------+-------------|
          | CH.A termination enabled             |  W8   |   Closed    |
          |--------------------------------------+-------+-------------|
          | CH.A termination disabled            |  W8   |    Open     |
          |--------------------------------------+-------+-------------|
          | CH.B termination enabled             |  W7   |   Closed    |
          |--------------------------------------+-------+-------------|
          | CH.B termination disabled            |  W7   |    Open     |
          +------------------------------------------------------------+
       
          +------------------------------------------------------------+
          |                 BASE I/O ADDRESS SELECTION                 |
          |------------------------------------------------------------|
          |Alternate| COM A |COM B |COM C |COM D |COM E |COM F |  W1   |
          |---------+-------+------+------+------+------+------+-------|
          |  398h   | 2E8h  | 258h | 3E8h | 338h | 298h | 3B8h |» Open |
          |---------+-------+------+------+------+------+------+-------|
          |  4D8h   | 438h  | 478h | 418h | 458h | 498h | 4B8h |Closed |
          +------------------------------------------------------------+
       
          +------------------------------------------------------------+
          |              SERIAL PORT INTERRUPT SELECTION               |
          |------------------------------------------------------------|
          | COM A  | COM B  | COM C  | COM D  | COM E  | COM F  |  W2  |
          |--------+--------+--------+--------+--------+--------+------|
          | IRQ11  | IRQ15  | IRQ10  |  IRQ9  | IRQ11  | IRQ11  |» Open|
          |--------+--------+--------+--------+--------+--------+------|
          |Disabled|Disabled|Disabled|Disabled|Disabled|Disabled|Closed|
          |------------------------------------------------------------|
          |Note: When the IRQ lines are enabled, COM A, COM E, and COM |
          |F share the same interrupt setting.                         |
          +------------------------------------------------------------+