URI: 
  TEXT View Source
       
       # UNIDENTIFIED
       
          286 I/O CARD
       
          Card Type          Multi I/O card                              
          Chipset/Controller N/A                                         
          I/O Options        Game port, parallel port, serial ports (2)  
          Maximum DRAM       N/A                                         
       
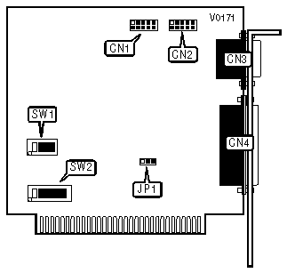
   IMG IMG 1
          
       
          +------------------------------------------------------------+
          |                        CONNECTIONS                         |
          |------------------------------------------------------------|
          |      Purpose      | Location |     Purpose      | Location |
          |-------------------+----------+------------------+----------|
          | Serial port 1     |   CN1    | Game port        |   CN3    |
          |-------------------+----------+------------------+----------|
          | Serial port 2     |   CN2    | Parallel port    |   CN4    |
          +------------------------------------------------------------+
       
          +------------------------------------------------------------+
          |                 SERIAL PORT CONFIGURATION                  |
          |------------------------------------------------------------|
          |   Port 1 (CN1)    | Port 2 (CN2)  |   SW1/1    |   SW1/2   |
          |-------------------+---------------+------------+-----------|
          | » |     COM1      |     COM2      |     On     |    On     |
          |---+---------------+---------------+------------+-----------|
          |   |     COM2      |     COM3      |     On     |    Off    |
          |---+---------------+---------------+------------+-----------|
          |   |     COM3      |     COM4      |    Off     |    On     |
          |---+---------------+---------------+------------+-----------|
          |   |   Disabled    |   Disabled    |    Off     |    Off    |
          +------------------------------------------------------------+
       
          +------------------------------------------------------------+
          |              SERIAL PORT INTERRUPT SELECTION               |
          |------------------------------------------------------------|
          |   Port 1   |  Port 2  |  SW2/1  | SW2/2  | SW2/3  | SW2/4  |
          |------------+----------+---------+--------+--------+--------|
          | » |  IRQ4  |   IRQ3   |   On    |  Off   |  Off   |   On   |
          |---+--------+----------+---------+--------+--------+--------|
          |   |  IRQ3  |   IRQ4   |   Off   |   On   |   On   |  Off   |
          +------------------------------------------------------------+
       
          +------------------------------------------------------------+
          |              PARALLEL PORT ADDRESS SELECTION               |
          |------------------------------------------------------------|
          |          LPT          |        JP1         |     SW1/4     |
          |-----------------------+--------------------+---------------|
          | » |         1         | Pins 2 & 3 closed  |      On       |
          |---+-------------------+--------------------+---------------|
          |   |         2         | Pins 1 & 2 closed  |      On       |
          |---+-------------------+--------------------+---------------|
          |   |     Disabled      |        N/A         |      Off      |
          +------------------------------------------------------------+
       
          +------------------------------------------------------------+
          |                PARALLEL PORT CONFIGURATION                 |
          |------------------------------------------------------------|
          |              Setting              |         SW1/4          |
          |-----------------------------------+------------------------|
          | »    |          Enabled           |           On           |
          |------+----------------------------+------------------------|
          |      |          Disabled          |          Off           |
          +------------------------------------------------------------+
       
          +------------------------------------------------------------+
          |             PARALLEL PORT INTERRUPT SELECTION              |
          |------------------------------------------------------------|
          |         IRQ          |      SW2/5       |      SW2/6       |
          |----------------------+------------------+------------------|
          | »    |       7       |       Off        |        On        |
          |------+---------------+------------------+------------------|
          |      |       5       |        On        |       Off        |
          +------------------------------------------------------------+