URI: 
  TEXT View Source
       
       # UNIDENTIFIED
       
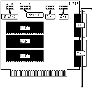
          B231 286 I/O
       
          Card Type           Multi-I/O card                             
          Chip Set            Unidentified                               
          I/O Options         Game port, Parallel port, Serial ports (2) 
          Hard Drives         None                                       
          supported           
          Floppy drives       None                                       
          supported           
          Data Bus            8-bit ISA                                  
          Card Size           Half-length                                
       
   IMG IMG 1
          
       
          +------------------------------------------------------------+
          |                        CONNECTIONS                         |
          |------------------------------------------------------------|
          |       Function       | Label |      Function       | Label |
          |----------------------+-------+---------------------+-------|
          | Serial Port 1        |  CN1  | Game Port           |  CN3  |
          |----------------------+-------+---------------------+-------|
          | Serial Port 2        |  CN2  | Parallel Port       |  CN4  |
          +------------------------------------------------------------+
       
          +------------------------------------------------------------+
          |                 USER CONFIGURABLE SETTINGS                 |
          |------------------------------------------------------------|
          |              Function               | Label |   Position   |
          |-------------------------------------+-------+--------------|
          | » | Factory configured-do not alter | S1/D  | Unidentified |
          +------------------------------------------------------------+
       
          +------------------------------------------------------------+
          |              PARALLEL PORT ADDRESS SELECTION               |
          |------------------------------------------------------------|
          |            Setting            |            S1/C            |
          |-------------------------------+----------------------------|
          |        LPT1 (378-37A)         |            OFF             |
          |-------------------------------+----------------------------|
          |        LPT2 (278-27A)         |             ON             |
          +------------------------------------------------------------+
       
          +------------------------------------------------------------+
          |               SERIAL PORT ADDRESS SELECTION                |
          |------------------------------------------------------------|
          | Serial Port 1  | Serial Port 2 |    S1/A     |    S1/B     |
          |----------------+---------------+-------------+-------------|
          |      COM1      |     COM2      |     OFF     |     OFF     |
          |----------------+---------------+-------------+-------------|
          |      COM2      |     COM3      |     ON      |     OFF     |
          |----------------+---------------+-------------+-------------|
          |      COM3      |     COM4      |     ON      |     ON      |
          |----------------+---------------+-------------+-------------|
          |      COM3      |    Disable    |     OFF     |     ON      |
          +------------------------------------------------------------+
       
          +------------------------------------------------------------+
          |             SERIAL PORT 1 INTERRUPT SELECTION              |
          |------------------------------------------------------------|
          |           IRQ           |      S2/C       |      S2/D      |
          |-------------------------+-----------------+----------------|
          | »    |       IRQ4       |       On        |      Off       |
          |------+------------------+-----------------+----------------|
          |      |       IRQ3       |       Off       |       On       |
          +------------------------------------------------------------+
       
          +------------------------------------------------------------+
          |             SERIAL PORT 2 INTERRUPT SELECTION              |
          |------------------------------------------------------------|
          |           IRQ           |      S2/E       |      S2/F      |
          |-------------------------+-----------------+----------------|
          | »    |       IRQ4       |       Off       |       On       |
          |------+------------------+-----------------+----------------|
          |      |       IRQ3       |       On        |      Off       |
          +------------------------------------------------------------+
       
          +------------------------------------------------------------+
          |             PARALLEL PORT INTERRUPT SELECTION              |
          |------------------------------------------------------------|
          |           IRQ           |      S2/A       |      S2/B      |
          |-------------------------+-----------------+----------------|
          | »    |       IRQ7       |       On        |      Off       |
          |------+------------------+-----------------+----------------|
          |      |       IRQ5       |       Off       |       On       |
          +------------------------------------------------------------+