URI: 
  TEXT View Source
       
       # BCM ADVANCED RESEARCH, INC.
       
          SQ596
       
          Processor        CX M1/Pentium                                 
          Processor Speed  75/90/100/120/133/150/166/180/200MHz          
          Chip Set         Intel                                         
          Video Chip Set   None                                          
          Maximum Onboard  256MB (EDO supported)                         
          Memory           
          Maximum Video    None                                          
          Memory           
          Cache            256/512KB                                     
          BIOS             Award                                         
          Dimensions       285mm x 210mm                                 
          I/O Options      32-bit PCI slots (4), floppy drive interface, 
                           green PC connector, IDE interfaces (2),       
                           parallel port, PS/2 mouse port, serial ports  
                           (2), cache slot, IR connector, USB connectors 
                           (2), ATX power connector, line in connector,  
                           line out connector, microphone in connector,  
                           MIDI/joystick port, CD-ROM audio in           
                           connector, wavetable connector                
          NPU Options      None                                          
       
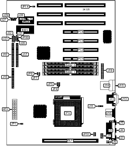
   IMG IMG 1
          
       
          +------------------------------------------------------------+
          |                        CONNECTIONS                         |
          |------------------------------------------------------------|
          | Purpose             | Location | Purpose        | Location |
          |---------------------+----------+----------------+----------|
          | ATX power connector |   ATX    | IDE interface  |   J17    |
          |                     |          | 2              |          |
          |---------------------+----------+----------------+----------|
          | Line out connector  |    J2    | IDE interface  |   J18    |
          |                     |          | 1              |          |
          |---------------------+----------+----------------+----------|
          | MIDI/joystick port  |    J3    | Parallel port  |   J19    |
          |---------------------+----------+----------------+----------|
          | Microphone          |    J4    | ATX power      |   J20    |
          | connector           |          | supply LED     |          |
          |---------------------+----------+----------------+----------|
          | Line in connector   |    J5    | IDE interface  |   J21    |
          |                     |          | LED            |          |
          |---------------------+----------+----------------+----------|
          | Speaker in          | J6 pins  | Power LED &    |   J22    |
          | connector           |  1 & 2   | keylock        |          |
          |---------------------+----------+----------------+----------|
          | Wavetable connector |    J7    | IR connector   |   J23    |
          |---------------------+----------+----------------+----------|
          | PS/2 mouse port     |   J10    | Speaker        |   J27    |
          |---------------------+----------+----------------+----------|
          | CD-ROM audio in     |   J11    | Green PC       |   J28    |
          | connector           |          | connector      |          |
          |---------------------+----------+----------------+----------|
          | Serial port 1       |   J12    | Reset switch   |   J29    |
          |---------------------+----------+----------------+----------|
          | Serial port 2       |   J13    | ATX power      |   JP50   |
          |                     |          | supply switch  |          |
          |---------------------+----------+----------------+----------|
          | USB connector 1     |   J14    | 32-bit PCI     |  PC1 โ€“   |
          |                     |          | slots          |   PC4    |
          |---------------------+----------+----------------+----------|
          | USB connector 2     |   J15    | Cache slot     |   SL1    |
          |---------------------+----------+----------------+----------|
          | Floppy drive        |   J16    |                |          |
          | interface           |          |                |          |
          +------------------------------------------------------------+
       
          +------------------------------------------------------------+
          |                 USER CONFIGURABLE SETTINGS                 |
          |------------------------------------------------------------|
          |              Function               |  Label  |  Position  |
          |-------------------------------------+---------+------------|
          | ยป | CMOS memory normal operation    |  JP14   |    Open    |
          |---+---------------------------------+---------+------------|
          |   | CMOS memory clear               |  JP14   |   Closed   |
          +------------------------------------------------------------+
       
          +------------------------------------------------------------+
          |                     DRAM CONFIGURATION                     |
          |------------------------------------------------------------|
          |       Size       |       Bank 0       |       Bank 1       |
          |------------------+--------------------+--------------------|
          |       8MB        |    (2) 1M x 36     |        None        |
          |------------------+--------------------+--------------------|
          |       16MB       |    (2) 2M x 36     |        None        |
          |------------------+--------------------+--------------------|
          |       16MB       |    (2) 1M x 36     |    (2) 1M x 36     |
          |------------------+--------------------+--------------------|
          |       24MB       |    (2) 2M x 36     |    (2) 1M x 36     |
          |------------------+--------------------+--------------------|
          |       32MB       |    (2) 4M x 36     |        None        |
          |------------------+--------------------+--------------------|
          |       32MB       |    (2) 2M x 36     |    (2) 2M x 36     |
          |------------------+--------------------+--------------------|
          |       40MB       |    (2) 4M x 36     |    (2) 1M x 36     |
          |------------------+--------------------+--------------------|
          |       48MB       |    (2) 4M x 36     |    (2) 2M x 36     |
          |------------------+--------------------+--------------------|
          |       64MB       |    (2) 8M x 36     |        None        |
          |------------------+--------------------+--------------------|
          |       64MB       |    (2) 4M x 36     |    (2) 4M x 36     |
          |------------------+--------------------+--------------------|
          |       72MB       |    (2) 8M x 36     |    (2) 1M x 36     |
          |------------------+--------------------+--------------------|
          |       80MB       |    (2) 8M x 36     |    (2) 2M x 36     |
          |------------------+--------------------+--------------------|
          |       96MB       |    (2) 8M x 36     |    (2) 4M x 36     |
          |------------------+--------------------+--------------------|
          |      128MB       |    (2) 8M x 36     |    (2) 8M x 36     |
          |------------------+--------------------+--------------------|
          |      256MB       |    (2) 16M x 36    |    (2) 16M x 36    |
          |------------------------------------------------------------|
          | Note: Board accepts EDO memory.                            |
          +------------------------------------------------------------+
       
          +------------------------------------------------------------+
          |                    CACHE CONFIGURATION                     |
          |------------------------------------------------------------|
          |            Size            |              SL1              |
          |----------------------------+-------------------------------|
          |           256KB            |    256KB module installed     |
          |----------------------------+-------------------------------|
          |           512KB            |    512KB module installed     |
          +------------------------------------------------------------+
       
          +------------------------------------------------------------+
          |                CPU SPEED SELECTION (CYRIX)                 |
          |------------------------------------------------------------|
          |  CPU   | Clock  | Multiplier | JP4 | JP5 |  JP7   |  JP8   |
          | speed  | speed  |            |     |     |        |        |
          |--------+--------+------------+-----+-----+--------+--------|
          | 120MHz | 50MHz  |     2x     | 2 & | 1 & | Closed | Closed |
          |        |        |            |  3  |  2  |        |        |
          |--------+--------+------------+-----+-----+--------+--------|
          | 133MHz | 55MHz  |     2x     | 2 & | 1 & |  Open  |  Open  |
          |        |        |            |  3  |  2  |        |        |
          |--------+--------+------------+-----+-----+--------+--------|
          | 150MHz | 60MHz  |     2x     | 2 & | 1 & | Closed |  Open  |
          |        |        |            |  3  |  2  |        |        |
          |--------+--------+------------+-----+-----+--------+--------|
          | 166MHz | 66MHz  |     2x     | 2 & | 1 & |  Open  | Closed |
          |        |        |            |  3  |  2  |        |        |
          |------------------------------------------------------------|
          | Note: Pins designated should be in the closed position.    |
          +------------------------------------------------------------+
       
          +------------------------------------------------------------+
          |                CPU SPEED SELECTION (INTEL)                 |
          |------------------------------------------------------------|
          |  CPU   | Clock  | Multiplier | JP4 | JP5 |  JP7   |  JP8   |
          | speed  | speed  |            |     |     |        |        |
          |--------+--------+------------+-----+-----+--------+--------|
          | 75MHz  | 50MHz  |    1.5x    | 1 & | 1 & | Closed | Closed |
          |        |        |            |  2  |  2  |        |        |
          |--------+--------+------------+-----+-----+--------+--------|
          | 90MHz  | 60MHz  |    1.5x    | 1 & | 1 & | Closed |  Open  |
          |        |        |            |  2  |  2  |        |        |
          |--------+--------+------------+-----+-----+--------+--------|
          | 100MHz | 66MHz  |    1.5x    | 1 & | 1 & |  Open  | Closed |
          |        |        |            |  2  |  2  |        |        |
          |--------+--------+------------+-----+-----+--------+--------|
          | 120MHz | 60MHz  |     2x     | 2 & | 1 & | Closed |  Open  |
          |        |        |            |  3  |  2  |        |        |
          |--------+--------+------------+-----+-----+--------+--------|
          | 133MHz | 66MHz  |     2x     | 2 & | 1 & |  Open  | Closed |
          |        |        |            |  3  |  2  |        |        |
          |--------+--------+------------+-----+-----+--------+--------|
          | 150MHz | 60MHz  |    2.5x    | 2 & | 2 & | Closed |  Open  |
          |        |        |            |  3  |  3  |        |        |
          |--------+--------+------------+-----+-----+--------+--------|
          | 166MHz | 66MHz  |    2.5x    | 2 & | 2 & |  Open  | Closed |
          |        |        |            |  3  |  3  |        |        |
          |--------+--------+------------+-----+-----+--------+--------|
          | 180MHz | 60MHz  |     3x     | 1 & | 2 & | Closed |  Open  |
          |        |        |            |  2  |  3  |        |        |
          |--------+--------+------------+-----+-----+--------+--------|
          | 200MHz | 66MHz  |     3x     | 1 & | 2 & |  Open  | Closed |
          |        |        |            |  2  |  3  |        |        |
          |------------------------------------------------------------|
          | Note: Pins designated should be in the closed position.    |
          +------------------------------------------------------------+
       
          +------------------------------------------------------------+
          |                   CPU VOLTAGE SELECTION                    |
          |------------------------------------------------------------|
          |       Voltage       |    JP1    |     JP51     |   JP52    |
          |---------------------+-----------+--------------+-----------|
          |     2.5v (P55C)     |  Closed   |     Open     |  Closed   |
          |---------------------+-----------+--------------+-----------|
          | 3.135v โ€“ 3.6v (P54C |  Closed   |  1 & 2, 3 &  |   Open    |
          |        STD)         |           |   4, 5 & 6   |           |
          |---------------------+-----------+--------------+-----------|
          |  3.4v โ€“ 3.6v (P54C  |   Open    |  1 & 2, 3 &  |   Open    |
          |        VRE)         |           |   4, 5 & 6   |           |
          |------------------------------------------------------------|
          | Note: Pins designated should be in the closed position.    |
          | The location of JP52 is unidentified.                      |
          +------------------------------------------------------------+