URI: 
  TEXT View Source
       
       # ASUS COMPUTER INTERNATIONAL
       
          TX97-X (REV. 2.03)
       
          Processor       CX M1/AM K5/Pentium                            
          Processor Speed 75/90/100/120/133/150/166/200MHz               
          Chip Set        Intel                                          
          Video Chip Set  None                                           
          Maximum Onboard 256MB                                          
          Memory          
          Maximum Video   None                                           
          Memory          
          Cache           512KB                                          
          BIOS            Unidentified                                   
          Dimensions      330mm x 218mm                                  
          I/O Options     32-bit PCI slots (4), floppy drive interface,  
                          game/MIDI port, IDE interfaces (2), PS/2 mouse 
                          port, serial ports (2), IR connector, USB      
                          connectors (2), ATX power connector, line in   
                          connector, line out connector, microphone      
                          connector, CD-ROM audio interface              
          NPU Options     None                                           
       
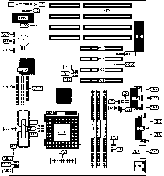
   IMG IMG 1
          
       
          +------------------------------------------------------------+
          |                        CONNECTIONS                         |
          |------------------------------------------------------------|
          | Purpose           | Location | Purpose          | Location |
          |-------------------+----------+------------------+----------|
          | ATX power         |   ATX    | IDE interface 1  |   CN13   |
          | connector         |          |                  |          |
          |-------------------+----------+------------------+----------|
          | Game/MIDI port    |   CN1    | Chassis open     |   COA    |
          |                   |          | alarm            |          |
          |-------------------+----------+------------------+----------|
          | Microphone in     |   CN2    | IR connector     |    IR    |
          | connector         |          |                  |          |
          |-------------------+----------+------------------+----------|
          | Line in connector |   CN3    | Chassis fan      |    J1    |
          |                   |          | power            |          |
          |-------------------+----------+------------------+----------|
          | Line out          |   CN4    | Chassis fan      |    J2    |
          | connector         |          | power            |          |
          |-------------------+----------+------------------+----------|
          | Serial port 1     |   CN5    | Chassis fan      |    J3    |
          |                   |          | power            |          |
          |-------------------+----------+------------------+----------|
          | Serial port 2     |   CN6    | Front panel      |    J4    |
          |                   |          | connector        |          |
          |-------------------+----------+------------------+----------|
          | Parallel port     |   CN7    | IDE interface    |    J5    |
          |                   |          | LED              |          |
          |-------------------+----------+------------------+----------|
          | USB connector 1   |   CN8    | Creative Modem   |    J6    |
          |                   |          | connector        |          |
          |-------------------+----------+------------------+----------|
          | USB connector 2   |   CN9    | Panasonic CD-ROM |    J7    |
          |                   |          | connector        |          |
          |-------------------+----------+------------------+----------|
          | PS/2 mouse port   |   CN10   | Mitsumi CD-ROM   |    J8    |
          |                   |          | connector        |          |
          |-------------------+----------+------------------+----------|
          | Floppy drive      |   CN11   | Sony CD-ROM      |    J9    |
          | interface         |          | connector        |          |
          |-------------------+----------+------------------+----------|
          | IDE interface 2   |   CN12   | 32-bit PCI slots |  PC1 -   |
          |                   |          |                  |   PC4    |
          +------------------------------------------------------------+
       
          +------------------------------------------------------------+
          |                 USER CONFIGURABLE SETTINGS                 |
          |------------------------------------------------------------|
          |              Function               | Label |   Position   |
          |-------------------------------------+-------+--------------|
          | » | On board audio enabled          | AUDIO |  Pins 2 & 3  |
          |   |                                 |       |    closed    |
          |---+---------------------------------+-------+--------------|
          |   | On board audio disabled         | AUDIO |  Pins 1 & 2  |
          |   |                                 |       |    closed    |
          |---+---------------------------------+-------+--------------|
          | » | Factory configured - do not     |  BF2  | Unidentified |
          |   | alter                           |       |              |
          |---+---------------------------------+-------+--------------|
          | » | Flash BIOS write protect        |  BBW  |  Pins 1 & 2  |
          |   | disabled                        |       |    closed    |
          |---+---------------------------------+-------+--------------|
          |   | Flash BIOS write protect        |  BBW  |  Pins 2 & 3  |
          |   | enabled                         |       |    closed    |
          |---+---------------------------------+-------+--------------|
          | » | On board I/O enabled            |  I/O  |  Pins 1 & 2  |
          |   |                                 |       |    closed    |
          |---+---------------------------------+-------+--------------|
          |   | On board I/O disabled           |  I/O  |  Pins 2 & 3  |
          |   |                                 |       |    closed    |
          |---+---------------------------------+-------+--------------|
          | » | CMOS memory normal operation    |  RTC  |  Pins 1 & 2  |
          |   |                                 |       |    closed    |
          |---+---------------------------------+-------+--------------|
          |   | CMOS memory clear               |  RTC  |  Pins 2 & 3  |
          |   |                                 |       |    closed    |
          |---+---------------------------------+-------+--------------|
          |   | Volume control up               | VOLC  |  Pins 1 & 2  |
          |   |                                 |       |    closed    |
          |---+---------------------------------+-------+--------------|
          |   | Volume control down             | VOLC  |  Pins 4 & 5  |
          |   |                                 |       |    closed    |
          +------------------------------------------------------------+
       
          +------------------------------------------------------------+
          |                     DIMM CONFIGURATION                     |
          |------------------------------------------------------------|
          |    Size    |    Bank 0     |    Bank 1     |    Bank 2     |
          |------------+---------------+---------------+---------------|
          |    8MB     |  (1) 1M x 64  |     None      |     None      |
          |------------+---------------+---------------+---------------|
          |    16MB    |  (1) 2M x 64  |     None      |     None      |
          |------------+---------------+---------------+---------------|
          |    16MB    |  (1) 1M x 64  |  (1) 1M x 64  |     None      |
          |------------+---------------+---------------+---------------|
          |    24MB    |  (1) 2M x 64  |  (1) 1M x 64  |     None      |
          |------------+---------------+---------------+---------------|
          |    24MB    |  (1) 1M x 64  |  (1) 1M x 64  |  (1) 1M x 64  |
          |------------+---------------+---------------+---------------|
          |    32MB    |  (1) 4M x 64  |     None      |     None      |
          |------------+---------------+---------------+---------------|
          |    32MB    |  (1) 2M x 64  |  (1) 2M x 64  |     None      |
          |------------+---------------+---------------+---------------|
          |    32MB    |  (1) 1M x 64  |  (1) 1M x 64  |  (1) 2M x 64  |
          |------------+---------------+---------------+---------------|
          |    40MB    |  (1) 4M x 64  |  (1) 1M x 64  |     None      |
          |------------+---------------+---------------+---------------|
          |    40MB    |  (1) 2M x 64  |  (1) 2M x 64  |  (1) 1M x 64  |
          |------------+---------------+---------------+---------------|
          |    48MB    |  (1) 4M x 64  |  (1) 2M x 64  |     None      |
          |------------+---------------+---------------+---------------|
          |    48MB    |  (1) 2M x 64  |  (1) 2M x 64  |  (1) 2M x 64  |
          +------------------------------------------------------------+
       
          +------------------------------------------------------------+
          |                 DIMM CONFIGURATION (CON'T)                 |
          |------------------------------------------------------------|
          |    Size    |    Bank 0     |    Bank 1     |    Bank 2     |
          |------------+---------------+---------------+---------------|
          |    48MB    |  (1) 1M x 64  |  (1) 1M x 64  |  (1) 4M x 64  |
          |------------+---------------+---------------+---------------|
          |    64MB    |  (1) 8M x 64  |     None      |     None      |
          |------------+---------------+---------------+---------------|
          |    64MB    |  (1) 4M x 64  |  (1) 4M x 64  |     None      |
          |------------+---------------+---------------+---------------|
          |    72MB    |  (1) 8M x 64  |  (1) 1M x 64  |     None      |
          |------------+---------------+---------------+---------------|
          |    72MB    |  (1) 4M x 64  |  (1) 4M x 64  |  (1) 1M x 64  |
          |------------+---------------+---------------+---------------|
          |    80MB    |  (1) 8M x 64  |  (1) 2M x 64  |     None      |
          |------------+---------------+---------------+---------------|
          |    80MB    |  (1) 4M x 64  |  (1) 4M x 64  |  (1) 2M x 64  |
          |------------+---------------+---------------+---------------|
          |    96MB    |  (1) 8M x 64  |  (1) 4M x 64  |     None      |
          |------------+---------------+---------------+---------------|
          |    96MB    |  (1) 4M x 64  |  (1) 4M x 64  |  (1) 4M x 64  |
          |------------+---------------+---------------+---------------|
          |   128MB    |  (1) 8M x 64  |  (1) 8M x 64  |     None      |
          |------------+---------------+---------------+---------------|
          |   128MB    | (1) 16M x 64  |     None      |     None      |
          |------------+---------------+---------------+---------------|
          |   136MB    | (1) 16M x 64  |  (1) 1M x 64  |     None      |
          |------------+---------------+---------------+---------------|
          |   144MB    | (1) 16M x 64  |  (1) 2M x 64  |     None      |
          |------------+---------------+---------------+---------------|
          |   160MB    | (1) 16M x 64  |  (1) 4M x 64  |     None      |
          |------------+---------------+---------------+---------------|
          |   192MB    | (1) 16M x 64  |  (1) 8M x 64  |     None      |
          |------------+---------------+---------------+---------------|
          |   256MB    | (1) 16M x 64  | (1) 16M x 64  |     None      |
          |------------+---------------+---------------+---------------|
          |   256MB    | (1) 32M x 64  |     None      |     None      |
          +------------------------------------------------------------+
       
          +------------------------------------------------------------+
          |                    CACHE CONFIGURATION                     |
          |------------------------------------------------------------|
          |            Size            |            Bank 0             |
          |----------------------------+-------------------------------|
          |           256KB            |         (2) 32K x 32          |
          |----------------------------+-------------------------------|
          |           512KB            |         (2) 64K x 32          |
          +------------------------------------------------------------+
       
          +------------------------------------------------------------+
          |                CPU SPEED SELECTION (CYRIX)                 |
          |------------------------------------------------------------|
          |  CPU   | Clock  | Multiplier | BF0 | BF1 | FS0 | FS1 | FS2 |
          | speed  | speed  |            |     |     |     |     |     |
          |--------+--------+------------+-----+-----+-----+-----+-----|
          | 166MHz | 66MHz  |     2x     | 2 & | 1 & | 1 & | 2 & | 2 & |
          |        |        |            |  3  |  2  |  2  |  3  |  3  |
          |------------------------------------------------------------|
          | Note: Pins designated should be in the closed position.    |
          +------------------------------------------------------------+
       
          +------------------------------------------------------------+
          |                 CPU SPEED SELECTION (AMD)                  |
          |------------------------------------------------------------|
          |  CPU   | Clock  | Multiplier | BF0 | BF1 | FS0 | FS1 | FS2 |
          | speed  | speed  |            |     |     |     |     |     |
          |--------+--------+------------+-----+-----+-----+-----+-----|
          | 75MHz  | 50MHz  |    1.5x    | 1 & | 1 & | 2 & | 1 & | 2 & |
          |        |        |            |  2  |  2  |  3  |  2  |  3  |
          |--------+--------+------------+-----+-----+-----+-----+-----|
          | 90MHz  | 60MHz  |    1.5x    | 1 & | 1 & | 2 & | 2 & | 2 & |
          |        |        |            |  2  |  2  |  3  |  3  |  3  |
          |--------+--------+------------+-----+-----+-----+-----+-----|
          | 100MHz | 66MHz  |    1.5x    | 1 & | 1 & | 1 & | 2 & | 2 & |
          |        |        |            |  2  |  2  |  2  |  3  |  3  |
          |--------+--------+------------+-----+-----+-----+-----+-----|
          | 120MHz | 60MHz  |    1.5x    | 1 & | 1 & | 2 & | 2 & | 2 & |
          |        |        |            |  2  |  2  |  3  |  3  |  3  |
          |--------+--------+------------+-----+-----+-----+-----+-----|
          | 133MHz | 66MHz  |    1.5x    | 1 & | 1 & | 1 & | 2 & | 2 & |
          |        |        |            |  2  |  2  |  2  |  3  |  3  |
          |------------------------------------------------------------|
          | Note: Pins designated should be in the closed position.    |
          +------------------------------------------------------------+
       
          +------------------------------------------------------------+
          |                CPU SPEED SELECTION (INTEL)                 |
          |------------------------------------------------------------|
          |  CPU   | Clock  | Multiplier | BF0 | BF1 | FS0 | FS1 | FS2 |
          | speed  | speed  |            |     |     |     |     |     |
          |--------+--------+------------+-----+-----+-----+-----+-----|
          | 75MHz  | 50MHz  |    1.5x    | 1 & | 1 & | 2 & | 1 & | 2 & |
          |        |        |            |  2  |  2  |  3  |  2  |  3  |
          |--------+--------+------------+-----+-----+-----+-----+-----|
          | 90MHz  | 60MHz  |    1.5x    | 1 & | 1 & | 2 & | 2 & | 2 & |
          |        |        |            |  2  |  2  |  3  |  3  |  3  |
          |--------+--------+------------+-----+-----+-----+-----+-----|
          | 100MHz | 66MHz  |    1.5x    | 1 & | 1 & | 1 & | 2 & | 2 & |
          |        |        |            |  2  |  2  |  2  |  3  |  3  |
          |--------+--------+------------+-----+-----+-----+-----+-----|
          | 120MHz | 60MHz  |     2x     | 2 & | 1 & | 2 & | 2 & | 2 & |
          |        |        |            |  3  |  2  |  3  |  3  |  3  |
          |--------+--------+------------+-----+-----+-----+-----+-----|
          | 133MHz | 66MHz  |     2x     | 2 & | 1 & | 1 & | 2 & | 2 & |
          |        |        |            |  3  |  2  |  2  |  3  |  3  |
          |--------+--------+------------+-----+-----+-----+-----+-----|
          | 150MHz | 60MHz  |    2.5x    | 2 & | 2 & | 2 & | 2 & | 2 & |
          |        |        |            |  3  |  3  |  3  |  3  |  3  |
          |--------+--------+------------+-----+-----+-----+-----+-----|
          | 166MHz | 66MHz  |    2.5x    | 2 & | 2 & | 1 & | 2 & | 2 & |
          |        |        |            |  3  |  3  |  2  |  3  |  3  |
          |--------+--------+------------+-----+-----+-----+-----+-----|
          | 200MHz | 66MHz  |     3x     | 1 & | 2 & | 1 & | 2 & | 2 & |
          |        |        |            |  2  |  3  |  2  |  3  |  3  |
          |------------------------------------------------------------|
          | Note: Pins designated should be in the closed position.    |
          +------------------------------------------------------------+
       
          +------------------------------------------------------------+
          |                   CPU VOLTAGE SELECTION                    |
          |------------------------------------------------------------|
          | Voltage |      VID0      |      VID1      |      VID2      |
          |---------+----------------+----------------+----------------|
          |  2.5v   |   Pins 1 & 2   |   Pins 2 & 3   |   Pins 1 & 2   |
          |         |     closed     |     closed     |     closed     |
          |---------+----------------+----------------+----------------|
          |  2.7v   |   Pins 1 & 2   |   Pins 1 & 2   |   Pins 1 & 2   |
          |         |     closed     |     closed     |     closed     |
          |---------+----------------+----------------+----------------|
          |  2.8v   |   Pins 2 & 3   |   Pins 2 & 3   |   Pins 2 & 3   |
          |         |     closed     |     closed     |     closed     |
          |---------+----------------+----------------+----------------|
          |  2.9v   |   Pins 1 & 2   |   Pins 2 & 3   |   Pins 2 & 3   |
          |         |     closed     |     closed     |     closed     |
          |---------+----------------+----------------+----------------|
          |  3.4v   |   Pins 2 & 3   |   Pins 1 & 2   |   Pins 2 & 3   |
          |         |     closed     |     closed     |     closed     |
          |---------+----------------+----------------+----------------|
          |  3.5v   |   Pins 1 & 2   |   Pins 1 & 2   |   Pins 2 & 3   |
          |         |     closed     |     closed     |     closed     |
          +------------------------------------------------------------+