URI: 
  TEXT View Source
       
       # ACTIVEI SYSTEMS, INC.
       
          ADMIRAL
       
          Processor        CX M1/IBM/AM K5/AM K6/Pentium                 
          Processor Speed  90/100/120/133/150/166/200/233MHz             
          Chip Set         Intel                                         
          Video Chip Set   None                                          
          Maximum Onboard  256MB (EDO supported)                         
          Memory           
          Maximum Video    None                                          
          Memory           
          Cache            256/512KB                                     
          BIOS             Award                                         
          Dimensions       305mm x 244mm                                 
          I/O Options      32-bit PCI slots (5), floppy drive interface, 
                           IDE interfaces (2), parallel port, PS/2 mouse 
                           port, serial ports (2), IR connector, VRM     
                           connector, USB connectors (2), ATX power      
                           connector, System Management Module           
          NPU Options      None                                          
       
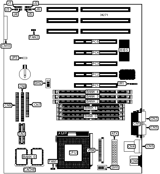
   IMG IMG 1
          
       
          +------------------------------------------------------------+
          |                        CONNECTIONS                         |
          |------------------------------------------------------------|
          | Purpose           | Location | Purpose          | Location |
          |-------------------+----------+------------------+----------|
          | ATX power         |   ATX    | Chassis fan      |   FAN1   |
          | connector         |          | power            |          |
          |-------------------+----------+------------------+----------|
          | Parallel port     |   CN1    | Chassis fan      |   FAN2   |
          |                   |          | power            |          |
          |-------------------+----------+------------------+----------|
          | Serial port 2     |   CN2    | IR connector     |   IR1    |
          |-------------------+----------+------------------+----------|
          | Serial port 1     |   CN3    | Power LED &      |    J1    |
          |                   |          | keylock          |          |
          |-------------------+----------+------------------+----------|
          | USB connector 1   |   CN4    | Speaker          |    J2    |
          |-------------------+----------+------------------+----------|
          | USB connector 2   |   CN5    | Soft off power   |    J3    |
          |                   |          | supply           |          |
          |-------------------+----------+------------------+----------|
          | PS/2 mouse port   |   CN6    | Reset switch     |    J4    |
          |-------------------+----------+------------------+----------|
          | Floppy drive      |   CN7    | Green PC LED     |    J5    |
          | interface         |          |                  |          |
          |-------------------+----------+------------------+----------|
          | IDE interface 2   |   CN8    | IDE interface    |    J6    |
          |                   |          | LED              |          |
          |-------------------+----------+------------------+----------|
          | IDE interface 1   |   CN9    | 32-bit PCI slots |  PC1 –   |
          |                   |          |                  |   PC5    |
          |-------------------+----------+------------------+----------|
          | System Management |   CN10   | VRM connector    |   VRM    |
          | Module            |          |                  |          |
          +------------------------------------------------------------+
       
          +------------------------------------------------------------+
          |                 USER CONFIGURABLE SETTINGS                 |
          |------------------------------------------------------------|
          |              Function               | Label |   Position   |
          |-------------------------------------+-------+--------------|
          | » | Factory configured - do not     |  JP3  | Unidentified |
          |   | alter (CMOS)                    |       |              |
          +------------------------------------------------------------+
       
          +------------------------------------------------------------+
          |                     DRAM CONFIGURATION                     |
          |------------------------------------------------------------|
          | Size |  Bank 0  |  Bank 1  |  Bank 2  |  Bank 3  | Bank 4  |
          |------+----------+----------+----------+----------+---------|
          | 8MB  | (2) 1M x |   None   |   None   |   None   |  None   |
          |      |    36    |          |          |          |         |
          |------+----------+----------+----------+----------+---------|
          | 8MB  |   None   |   None   | (1) 1M x |   None   |  None   |
          |      |          |          |    64    |          |         |
          |------+----------+----------+----------+----------+---------|
          | 16MB | (2) 2M x |   None   |   None   |   None   |  None   |
          |      |    36    |          |          |          |         |
          |------+----------+----------+----------+----------+---------|
          | 16MB | (2) 1M x | (2) 1M x |   None   |   None   |  None   |
          |      |    36    |    36    |          |          |         |
          |------+----------+----------+----------+----------+---------|
          | 16MB |   None   |   None   | (1) 2M x |   None   |  None   |
          |      |          |          |    64    |          |         |
          |------+----------+----------+----------+----------+---------|
          | 16MB |   None   |   None   | (1) 1M x | (1) 1M x |  None   |
          |      |          |          |    64    |    64    |         |
          |------+----------+----------+----------+----------+---------|
          | 24MB | (2) 2M x | (2) 1M x |   None   |   None   |  None   |
          |      |    36    |    36    |          |          |         |
          |------+----------+----------+----------+----------+---------|
          | 24MB |   None   |   None   | (1) 2M x | (1) 1M x |  None   |
          |      |          |          |    64    |    64    |         |
          |------+----------+----------+----------+----------+---------|
          | 24MB |   None   |   None   | (1) 1M x | (1) 1M x | (1) 1M  |
          |      |          |          |    64    |    64    |  x 64   |
          |------+----------+----------+----------+----------+---------|
          | 24MB | (2) 1M x | (2) 1M x |   None   |   None   | (1) 1M  |
          |      |    36    |    36    |          |          |  x 64   |
          |------+----------+----------+----------+----------+---------|
          | 24MB | (2) 1M x |   None   |   None   | (1) 1M x | (1) 1M  |
          |      |    36    |          |          |    64    |  x 64   |
          |------+----------+----------+----------+----------+---------|
          | 32MB | (2) 4M x |   None   |   None   |   None   |  None   |
          |      |    36    |          |          |          |         |
          |------+----------+----------+----------+----------+---------|
          | 32MB | (2) 2M x | (2) 2M x |   None   |   None   |  None   |
          |      |    36    |    36    |          |          |         |
          |------+----------+----------+----------+----------+---------|
          | 32MB |   None   |   None   | (1) 4M x |   None   |  None   |
          |      |          |          |    64    |          |         |
          |------+----------+----------+----------+----------+---------|
          | 32MB |   None   |   None   | (1) 2M x | (1) 2M x |  None   |
          |      |          |          |    64    |    64    |         |
          |------+----------+----------+----------+----------+---------|
          | 32MB | (2) 1M x | (2) 1M x |   None   |   None   | (1) 2M  |
          |      |    36    |    36    |          |          |  x 64   |
          |------+----------+----------+----------+----------+---------|
          | 40MB | (2) 4M x | (2) 1M x |   None   |   None   |  None   |
          |      |    36    |    36    |          |          |         |
          |------+----------+----------+----------+----------+---------|
          | 40MB |   None   |   None   | (1) 4M x | (1) 1M x |  None   |
          |      |          |          |    64    |    64    |         |
          |------+----------+----------+----------+----------+---------|
          | 40MB | (2) 2M x | (2) 2M x |   None   |   None   | (1) 1M  |
          |      |    36    |    36    |          |          |  x 64   |
          |------+----------+----------+----------+----------+---------|
          | 48MB | (2) 4M x | (2) 2M x |   None   |   None   |  None   |
          |      |    36    |    36    |          |          |         |
          |------+----------+----------+----------+----------+---------|
          | 48MB |   None   |   None   | (1) 4M x | (1) 2M x |  None   |
          |      |          |          |    64    |    64    |         |
          |------+----------+----------+----------+----------+---------|
          | 48MB |   None   |   None   | (1) 2M x | (1) 2M x | (1) 2M  |
          |      |          |          |    64    |    64    |  x 64   |
          +------------------------------------------------------------+
       
          +------------------------------------------------------------+
          |                 DRAM CONFIGURATION (CON’T)                 |
          |------------------------------------------------------------|
          | Size  |  Bank 0  |  Bank 1  |  Bank 2  | Bank 3  | Bank 4  |
          |-------+----------+----------+----------+---------+---------|
          | 48MB  | (2) 2M x | (2) 2M x |   None   |  None   | (1) 2M  |
          |       |    36    |    36    |          |         |  x 64   |
          |-------+----------+----------+----------+---------+---------|
          | 48MB  | (2) 2M x |   None   |   None   | (1) 2M  | (1) 2M  |
          |       |    36    |          |          |  x 64   |  x 64   |
          |-------+----------+----------+----------+---------+---------|
          | 48MB  | (2) 2M x |   None   | (1) 2M x |  None   | (1) 2M  |
          |       |    36    |          |    64    |         |  x 64   |
          |-------+----------+----------+----------+---------+---------|
          | 64MB  | (2) 8M x |   None   |   None   |  None   |  None   |
          |       |    36    |          |          |         |         |
          |-------+----------+----------+----------+---------+---------|
          | 64MB  | (2) 4M x | (2) 4M x |   None   |  None   |  None   |
          |       |    36    |    36    |          |         |         |
          |-------+----------+----------+----------+---------+---------|
          | 64MB  |   None   |   None   | (1) 8M x |  None   |  None   |
          |       |          |          |    64    |         |         |
          |-------+----------+----------+----------+---------+---------|
          | 72MB  | (2) 8M x | (2) 1M x |   None   |  None   |  None   |
          |       |    36    |    36    |          |         |         |
          |-------+----------+----------+----------+---------+---------|
          | 72MB  |   None   |   None   | (1) 8M x | (1) 1M  |  None   |
          |       |          |          |    64    |  x 64   |         |
          |-------+----------+----------+----------+---------+---------|
          | 72MB  | (2) 4M x | (2) 4M x |   None   |  None   | (1) 1M  |
          |       |    36    |    36    |          |         |  x 64   |
          |-------+----------+----------+----------+---------+---------|
          | 80MB  | (2) 8M x | (2) 2M x |   None   |  None   |  None   |
          |       |    36    |    36    |          |         |         |
          |-------+----------+----------+----------+---------+---------|
          | 80MB  |   None   |   None   | (1) 8M x | (1) 2M  |  None   |
          |       |          |          |    64    |  x 64   |         |
          |-------+----------+----------+----------+---------+---------|
          | 80MB  | (2) 4M x | (2) 4M x |   None   |  None   | (1) 2M  |
          |       |    36    |    36    |          |         |  x 64   |
          |-------+----------+----------+----------+---------+---------|
          | 96MB  | (2) 8M x | (2) 4M x |   None   |  None   |  None   |
          |       |    36    |    36    |          |         |         |
          |-------+----------+----------+----------+---------+---------|
          | 96MB  |   None   |   None   | (1) 8M x | (1) 4M  |  None   |
          |       |          |          |    64    |  x 64   |         |
          |-------+----------+----------+----------+---------+---------|
          | 96MB  |   None   |   None   | (1) 4M x | (1) 4M  | (1) 4M  |
          |       |          |          |    64    |  x 64   |  x 64   |
          |-------+----------+----------+----------+---------+---------|
          | 96MB  | (2) 4M x |   None   |   None   | (1) 4M  | (1) 4M  |
          |       |    36    |          |          |  x 64   |  x 64   |
          |-------+----------+----------+----------+---------+---------|
          | 128MB | (2) 8M x | (2) 8M x |   None   |  None   |  None   |
          |       |    36    |    36    |          |         |         |
          |-------+----------+----------+----------+---------+---------|
          | 128MB | (2) 16M  |   None   |   None   |  None   |  None   |
          |       |   x 36   |          |          |         |         |
          |-------+----------+----------+----------+---------+---------|
          | 128MB |   None   |   None   | (1) 8M x | (1) 8M  |  None   |
          |       |          |          |    64    |  x 64   |         |
          |-------+----------+----------+----------+---------+---------|
          | 128MB |   None   |   None   | (1) 16M  |  None   |  None   |
          |       |          |          |   x 64   |         |         |
          |-------+----------+----------+----------+---------+---------|
          | 136MB | (2) 16M  | (2) 1M x |   None   |  None   |  None   |
          |       |   x 36   |    36    |          |         |         |
          |-------+----------+----------+----------+---------+---------|
          | 136MB | (2) 8M x | (2) 8M x |   None   |  None   | (1) 1M  |
          |       |    36    |    36    |          |         |  x 64   |
          |-------+----------+----------+----------+---------+---------|
          | 144MB | (2) 16M  | (2) 2M x |   None   |  None   |  None   |
          |       |   x 36   |    36    |          |         |         |
          |-------+----------+----------+----------+---------+---------|
          | 144MB | (2) 8M x | (2) 8M x |   None   |  None   | (1) 2M  |
          |       |    36    |    36    |          |         |  x 64   |
          |-------+----------+----------+----------+---------+---------|
          | 160MB | (2) 16M  | (2) 4M x |   None   |  None   |  None   |
          |       |   x 36   |    36    |          |         |         |
          |-------+----------+----------+----------+---------+---------|
          | 160MB | (2) 8M x |   None   | (1) 8M x |  None   | (1) 8M  |
          |       |    36    |          |    64    |         |  x 64   |
          |-------+----------+----------+----------+---------+---------|
          | 192MB | (2) 16M  | (2) 8M x |   None   |  None   |  None   |
          |       |   x 36   |    36    |          |         |         |
          |-------+----------+----------+----------+---------+---------|
          | 192MB |   None   |   None   | (1) 8M x | (1) 8M  | (1) 8M  |
          |       |          |          |    64    |  x 64   |  x 64   |
          |-------+----------+----------+----------+---------+---------|
          | 192MB | (2) 8M x |   None   |   None   | (1) 8M  | (1) 8M  |
          |       |    36    |          |          |  x 64   |  x 64   |
          |-------+----------+----------+----------+---------+---------|
          | 256MB | (2) 16M  | (2) 16M  |   None   |  None   |  None   |
          |       |   x 36   |   x 36   |          |         |         |
          |-------+----------+----------+----------+---------+---------|
          | 256MB |   None   |   None   | (1) 16M  | (1) 16M |  None   |
          |       |          |          |   x 64   |  x 64   |         |
          |-------+----------+----------+----------+---------+---------|
          | 256MB |   None   |   None   |   None   | (1) 32M |  None   |
          |       |          |          |          |  x 64   |         |
          |-------+----------+----------+----------+---------+---------|
          | 256MB | (2) 32M  |   None   |   None   |  None   |  None   |
          |       |   x 36   |          |          |         |         |
          |------------------------------------------------------------|
          | Note: Board accepts EDO memory. Banks 0 & 1 and 2 – 4 are  |
          | interchangeable.                                           |
          +------------------------------------------------------------+
       
          +------------------------------------------------------------+
          |                    CACHE CONFIGURATION                     |
          |------------------------------------------------------------|
          |       Size       |       Bank 0       |        TAG         |
          |------------------+--------------------+--------------------|
          |      256KB       |    (2) 32K x 32    |    Unidentified    |
          |------------------+--------------------+--------------------|
          |      512KB       |    (2) 64K x 32    |    Unidentified    |
          +------------------------------------------------------------+
       
          +------------------------------------------------------------+
          |                CPU SPEED SELECTION (CYRIX)                 |
          |------------------------------------------------------------|
          |CPU speed|Clock speed|Multiplier|SW2/1 |SW2/2 |SW2/3 |SW2/4 |
          |---------+-----------+----------+------+------+------+------|
          | 133MHz  |   55MHz   |    2x    |  On  | Off  |  On  |  On  |
          |---------+-----------+----------+------+------+------+------|
          | 150MHz  |   60MHz   |    2x    |  On  | Off  |  On  | Off  |
          |---------+-----------+----------+------+------+------+------|
          | 166MHz  |   66MHz   |    2x    |  On  | Off  | Off  | Off  |
          +------------------------------------------------------------+
       
          +------------------------------------------------------------+
          |                 CPU SPEED SELECTION (IBM)                  |
          |------------------------------------------------------------|
          |CPU speed|Clock speed|Multiplier|SW2/1 |SW2/2 |SW2/3 |SW2/4 |
          |---------+-----------+----------+------+------+------+------|
          | 133MHz  |   55MHz   |    2x    |  On  | Off  |  On  |  On  |
          |---------+-----------+----------+------+------+------+------|
          | 150MHz  |   60MHz   |    2x    |  On  | Off  |  On  | Off  |
          |---------+-----------+----------+------+------+------+------|
          | 166MHz  |   66MHz   |    2x    |  On  | Off  | Off  | Off  |
          +------------------------------------------------------------+
       
          +------------------------------------------------------------+
          |                 CPU SPEED SELECTION (AMD)                  |
          |------------------------------------------------------------|
          |CPU speed|Clock speed|Multiplier|SW2/1 |SW2/2 |SW2/3 |SW2/4 |
          |---------+-----------+----------+------+------+------+------|
          |  90MHz  |   60MHz   |   1.5x   | Off  | Off  |  On  | Off  |
          |---------+-----------+----------+------+------+------+------|
          | 100MHz  |   66MHz   |   1.5x   | Off  | Off  | Off  | Off  |
          |---------+-----------+----------+------+------+------+------|
          | 120MHz  |   60MHz   |   1.5x   | Off  | Off  |  On  | Off  |
          |---------+-----------+----------+------+------+------+------|
          | 133MHz  |   66MHz   |   1.5x   |  On  | Off  | Off  | Off  |
          |---------+-----------+----------+------+------+------+------|
          | 150MHz  |   60MHz   |  1.75x   |  On  |  On  |  On  | Off  |
          |---------+-----------+----------+------+------+------+------|
          |166MHz K5|   66MHz   |  1.75x   |  On  |  On  | Off  | Off  |
          |---------+-----------+----------+------+------+------+------|
          |166MHz K6|   66MHz   |   2.5x   |  On  |  On  | Off  | Off  |
          |---------+-----------+----------+------+------+------+------|
          | 200MHz  |   66MHz   |   2.5x   | Off  |  On  | Off  | Off  |
          |---------+-----------+----------+------+------+------+------|
          | 233MHz  |   66MHz   |   3.5x   | Off  | Off  | Off  | Off  |
          +------------------------------------------------------------+
       
          +------------------------------------------------------------+
          |                CPU SPEED SELECTION (INTEL)                 |
          |------------------------------------------------------------|
          |CPU speed|Clock speed|Multiplier|SW2/1 |SW2/2 |SW2/3 |SW2/4 |
          |---------+-----------+----------+------+------+------+------|
          |  90MHz  |   60MHz   |   1.5x   | Off  | Off  |  On  | Off  |
          |---------+-----------+----------+------+------+------+------|
          | 100MHz  |   66MHz   |   1.5x   | Off  | Off  | Off  | Off  |
          |---------+-----------+----------+------+------+------+------|
          | 120MHz  |   60MHz   |    2x    |  On  | Off  |  On  | Off  |
          |---------+-----------+----------+------+------+------+------|
          | 133MHz  |   66MHz   |    2x    |  On  | Off  | Off  | Off  |
          |---------+-----------+----------+------+------+------+------|
          | 150MHz  |   60MHz   |   2.5x   |  On  |  On  |  On  | Off  |
          |---------+-----------+----------+------+------+------+------|
          | 166MHz  |   66MHz   |   2.5x   |  On  |  On  | Off  | Off  |
          |---------+-----------+----------+------+------+------+------|
          | 200MHz  |   66MHz   |    3x    | Off  |  On  | Off  | Off  |
          |---------+-----------+----------+------+------+------+------|
          | 233MHz  |   66MHz   |   3.5x   | Off  | Off  | Off  | Off  |
          +------------------------------------------------------------+
       
          +------------------------------------------------------------+
          |                   CPU VOLTAGE SELECTION                    |
          |------------------------------------------------------------|
          |  Voltage   |   SW1/1   |   SW1/2   |   SW1/3   |   SW1/4   |
          |------------+-----------+-----------+-----------+-----------|
          |    2.5v    |    On     |    Off    |    Off    |    Off    |
          |------------+-----------+-----------+-----------+-----------|
          |    2.8v    |    Off    |    On     |    Off    |    Off    |
          |------------+-----------+-----------+-----------+-----------|
          |    2.9v    |    Off    |    Off    |    On     |    Off    |
          |------------+-----------+-----------+-----------+-----------|
          |    3.2v    |    Off    |    Off    |    Off    |    On     |
          |------------+-----------+-----------+-----------+-----------|
          |    3.3v    |    N/A    |    N/A    |    N/A    |    N/A    |
          |------------+-----------+-----------+-----------+-----------|
          |    3.5v    |    N/A    |    N/A    |    N/A    |    N/A    |
          +------------------------------------------------------------+