URI: 
  TEXT View Source
       
       # SILICON STAR INTERNATIONAL, INC.
       
          AN6
       
          Processor        Pentium II/Pentium Pro                        
          Processor Speed  150/166/180/200/233/266MHz                    
          Chip Set         Intel                                         
          Video Chip Set   None                                          
          Maximum Onboard  1GB (EDO supported)                           
          Memory           
          Maximum Video    None                                          
          Memory           
          Cache            256/512KB (located on CPU)                    
          BIOS             Award                                         
          Dimensions       305mm x 245mm                                 
          I/O Options      32-bit PCI slots (4), floppy drive interface, 
                           green PC connector, IDE interfaces (2),       
                           parallel port, PS/2 mouse port, serial ports  
                           (2), IR connector, USB connectors (2), ATX    
                           power connector, CPU Slot 1                   
          NPU Options      None                                          
       
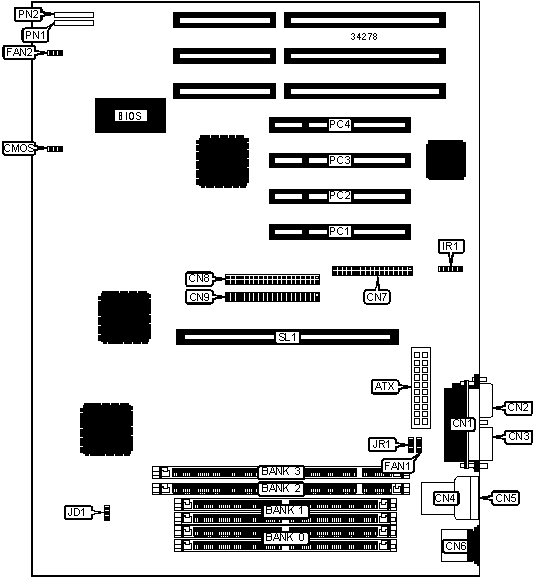
   IMG IMG 1
          
       
          +------------------------------------------------------------+
          |                        CONNECTIONS                         |
          |------------------------------------------------------------|
          | Purpose            | Location | Purpose       |  Location  |
          |--------------------+----------+---------------+------------|
          | ATX power          |   ATX    | Chassis fan   |    FAN1    |
          | connector          |          | power         |            |
          |--------------------+----------+---------------+------------|
          | Parallel port      |   CN1    | Chassis fan   |    FAN2    |
          |                    |          | power         |            |
          |--------------------+----------+---------------+------------|
          | Serial port 2      |   CN2    | IR connector  |    IR1     |
          |--------------------+----------+---------------+------------|
          | Serial port 1      |   CN3    | 32-bit PCI    | PC1 – PC4  |
          |                    |          | slots         |            |
          |--------------------+----------+---------------+------------|
          | USB connector      |   CN4    | Power LED &   | PN1/pins 1 |
          |                    |          | keylock       |    - 5     |
          |--------------------+----------+---------------+------------|
          | USB connector      |   CN5    | IDE interface | PN1/pins 7 |
          |                    |          | LED           |    & 8     |
          |--------------------+----------+---------------+------------|
          | PS/2 mouse port    |   CN6    | Green PC      |  PN1/pins  |
          |                    |          | connector     |  13 & 14   |
          |--------------------+----------+---------------+------------|
          | Floppy drive       |   CN7    | Reset switch  | PN2/pins 1 |
          | interface          |          |               |    & 2     |
          |--------------------+----------+---------------+------------|
          | IDE interface 2    |   CN8    | Speaker       | PN2/pins 4 |
          |                    |          |               |    - 7     |
          |--------------------+----------+---------------+------------|
          | IDE interface 1    |   CN9    | CPU Slot 1    |    SL1     |
          +------------------------------------------------------------+
       
          +------------------------------------------------------------+
          |                 USER CONFIGURABLE SETTINGS                 |
          |------------------------------------------------------------|
          |             Function             | Label |    Position     |
          |----------------------------------+-------+-----------------|
          | » | CMOS memory normal operation | CMOS  |   Pins 1 & 2    |
          |   |                              |       |     closed      |
          |---+------------------------------+-------+-----------------|
          |   | CMOS memory clear            | CMOS  |   Pins 2 & 3    |
          |   |                              |       |     closed      |
          |---+------------------------------+-------+-----------------|
          | » | Power on select high active  |  JR1  |   Pins 2 & 3    |
          |   |                              |       |     closed      |
          |---+------------------------------+-------+-----------------|
          |   | Power on select low active   |  JR1  |   Pins 1 & 2    |
          |   |                              |       |     closed      |
          +------------------------------------------------------------+
       
          +------------------------------------------------------------+
          |                  DIMM/DRAM CONFIGURATION                   |
          |------------------------------------------------------------|
          | Size |   Bank 0    |   Bank 1    |   Bank 2   |   Bank 3   |
          |------+-------------+-------------+------------+------------|
          | 8MB  | (2) 1M x 36 |    None     |    None    |    None    |
          |------+-------------+-------------+------------+------------|
          | 8MB  |    None     |    None     |  (1) 1M x  |    None    |
          |      |             |             |     64     |            |
          |------+-------------+-------------+------------+------------|
          | 16MB | (2) 2M x 36 |    None     |    None    |    None    |
          |------+-------------+-------------+------------+------------|
          | 16MB | (2) 1M x 36 | (2) 1M x 36 |    None    |    None    |
          |------+-------------+-------------+------------+------------|
          | 16MB | (2) 1M x 36 |    None     |    None    |  (1) 1M x  |
          |      |             |             |            |     64     |
          |------+-------------+-------------+------------+------------|
          | 16MB |    None     |    None     |  (1) 2M x  |    None    |
          |      |             |             |     64     |            |
          |------+-------------+-------------+------------+------------|
          | 16MB |    None     |    None     |  (1) 1M x  |  (1) 1M x  |
          |      |             |             |     64     |     64     |
          |------+-------------+-------------+------------+------------|
          | 24MB | (2) 2M x 36 | (2) 1M x 36 |    None    |    None    |
          |------+-------------+-------------+------------+------------|
          | 24MB |    None     | (2) 2M x 36 |  (1) 1M x  |    None    |
          |      |             |             |     64     |            |
          |------+-------------+-------------+------------+------------|
          | 24MB |    None     |    None     |  (1) 2M x  |  (1) 1M x  |
          |      |             |             |     64     |     64     |
          |------+-------------+-------------+------------+------------|
          | 32MB | (2) 4M x 36 |    None     |    None    |    None    |
          |------+-------------+-------------+------------+------------|
          | 32MB | (2) 2M x 36 | (2) 2M x 36 |    None    |    None    |
          |------+-------------+-------------+------------+------------|
          | 32MB | (2) 2M x 36 |    None     |    None    |  (1) 2M x  |
          |      |             |             |            |     64     |
          |------+-------------+-------------+------------+------------|
          | 32MB |    None     |    None     |  (1) 4M x  |    None    |
          |      |             |             |     64     |            |
          |------+-------------+-------------+------------+------------|
          | 32MB |    None     |    None     |  (1) 2M x  |  (1) 2M x  |
          |      |             |             |     64     |     64     |
          |------+-------------+-------------+------------+------------|
          | 40MB | (2) 4M x 36 | (2) 1M x 36 |    None    |    None    |
          |------+-------------+-------------+------------+------------|
          | 40MB | (2) 4M x 36 |    None     |    None    |  (1) 1M x  |
          |      |             |             |            |     64     |
          |------+-------------+-------------+------------+------------|
          | 40MB |    None     |    None     |  (1) 1M x  |  (1) 4M x  |
          |      |             |             |     64     |     64     |
          |------+-------------+-------------+------------+------------|
          | 48MB | (2) 4M x 36 | (2) 2M x 36 |    None    |    None    |
          |------+-------------+-------------+------------+------------|
          | 48MB | (2) 2M x 36 |    None     |    None    |  (1) 4M x  |
          |      |             |             |            |     64     |
          |------+-------------+-------------+------------+------------|
          | 48MB |    None     |    None     |  (1) 2M x  |  (1) 4M x  |
          |      |             |             |     64     |     64     |
          |------+-------------+-------------+------------+------------|
          | 64MB | (2) 8M x 36 |    None     |    None    |    None    |
          +------------------------------------------------------------+
       
          +------------------------------------------------------------+
          |              DIMM/DRAM CONFIGURATION (CON’T)               |
          |------------------------------------------------------------|
          |  Size   |    Bank 0    |  Bank 1   |  Bank 2   |  Bank 3   |
          |---------+--------------+-----------+-----------+-----------|
          |  64MB   | (2) 4M x 36  | (2) 4M x  |   None    |   None    |
          |         |              |    36     |           |           |
          |---------+--------------+-----------+-----------+-----------|
          |  64MB   | (2) 4M x 36  |   None    |   None    | (1) 4M x  |
          |         |              |           |           |    64     |
          |---------+--------------+-----------+-----------+-----------|
          |  64MB   |     None     |   None    | (1) 8M x  |   None    |
          |         |              |           |    64     |           |
          |---------+--------------+-----------+-----------+-----------|
          |  64MB   |     None     |   None    | (1) 4M x  | (1) 4M x  |
          |         |              |           |    64     |    64     |
          |---------+--------------+-----------+-----------+-----------|
          |  72MB   | (2) 8M x 36  |   None    |   None    | (1) 1M x  |
          |         |              |           |           |    64     |
          |---------+--------------+-----------+-----------+-----------|
          |  72MB   | (2) 8M x 36  | (2) 1M x  |   None    |   None    |
          |         |              |    36     |           |           |
          |---------+--------------+-----------+-----------+-----------|
          |  72MB   |     None     |   None    | (1) 1M x  | (1) 8M x  |
          |         |              |           |    64     |    64     |
          |---------+--------------+-----------+-----------+-----------|
          |  80MB   |     None     | (2) 2M x  | (1) 8M x  |   None    |
          |         |              |    36     |    64     |           |
          |---------+--------------+-----------+-----------+-----------|
          |  80MB   | (2) 2M x 36  |   None    |   None    | (1) 8M x  |
          |         |              |           |           |    64     |
          |---------+--------------+-----------+-----------+-----------|
          |  80MB   | (2) 8M x 36  | (2) 2M x  |   None    |   None    |
          |         |              |    36     |           |           |
          |---------+--------------+-----------+-----------+-----------|
          |  80MB   |     None     |   None    | (1) 2M x  | (1) 8M x  |
          |         |              |           |    64     |    64     |
          |---------+--------------+-----------+-----------+-----------|
          |  96MB   | (2) 4M x 36  |   None    |   None    | (1) 8M x  |
          |         |              |           |           |    64     |
          |---------+--------------+-----------+-----------+-----------|
          |  96MB   |     None     | (2) 8M x  | (1) 4M x  |   None    |
          |         |              |    36     |    64     |           |
          |---------+--------------+-----------+-----------+-----------|
          |  96MB   | (2) 8M x 36  | (2) 4M x  |   None    |   None    |
          |         |              |    36     |           |           |
          |---------+--------------+-----------+-----------+-----------|
          |  96MB   |     None     |   None    | (1) 4M x  | (1) 8M x  |
          |         |              |           |    64     |    64     |
          |---------+--------------+-----------+-----------+-----------|
          |  128MB  | (2) 8M x 36  |   None    |   None    | (1) 8M x  |
          |         |              |           |           |    64     |
          |---------+--------------+-----------+-----------+-----------|
          |  128MB  | (2) 8M x 36  |   None    |   None    | (1) 8M x  |
          |         |              |           |           |    64     |
          |---------+--------------+-----------+-----------+-----------|
          |  128MB  | (2) 8M x 36  | (2) 8M x  |   None    |   None    |
          |         |              |    36     |           |           |
          |---------+--------------+-----------+-----------+-----------|
          |  128MB  | (2) 16M x 36 |   None    |   None    |   None    |
          |---------+--------------+-----------+-----------+-----------|
          |  128MB  |     None     |   None    | (1) 8M x  | (1) 8M x  |
          |         |              |           |    64     |    64     |
          |---------+--------------+-----------+-----------+-----------|
          |  136MB  | (2) 16M x 36 | (2) 1M x  |   None    |   None    |
          |         |              |    36     |           |           |
          |---------+--------------+-----------+-----------+-----------|
          |  144MB  | (2) 16M x 36 | (2) 2M x  |   None    |   None    |
          |         |              |    36     |           |           |
          |---------+--------------+-----------+-----------+-----------|
          |  160MB  | (2) 16M x 36 | (2) 4M x  |   None    |   None    |
          |         |              |    36     |           |           |
          |---------+--------------+-----------+-----------+-----------|
          |  192MB  | (2) 16M x 36 | (2) 8M x  |   None    |   None    |
          |         |              |    36     |           |           |
          |---------+--------------+-----------+-----------+-----------|
          |  256MB  | (2) 32M x 36 |   None    |   None    |   None    |
          |---------+--------------+-----------+-----------+-----------|
          |  256MB  | (2) 16M x 36 | (2) 16M x |   None    |   None    |
          |         |              |    36     |           |           |
          |---------+--------------+-----------+-----------+-----------|
          |  256MB  |     None     |   None    | (1) 16M x | (1) 16M x |
          |         |              |           |    64     |    64     |
          |---------+--------------+-----------+-----------+-----------|
          |  264MB  | (2) 32M x 36 | (2) 1M x  |   None    |   None    |
          |         |              |    36     |           |           |
          |---------+--------------+-----------+-----------+-----------|
          |  272MB  | (2) 32M x 36 | (2) 2M x  |   None    |   None    |
          |         |              |    36     |           |           |
          |---------+--------------+-----------+-----------+-----------|
          |  288MB  | (2) 32M x 36 | (2) 4M x  |   None    |   None    |
          |         |              |    36     |           |           |
          |---------+--------------+-----------+-----------+-----------|
          |  320MB  | (2) 32M x 36 | (2) 8M x  |   None    |   None    |
          |         |              |    36     |           |           |
          |---------+--------------+-----------+-----------+-----------|
          |  384MB  | (2) 32M x 36 | (2) 16M x |   None    |   None    |
          |         |              |    36     |           |           |
          |---------+--------------+-----------+-----------+-----------|
          |  384MB  | (2) 16M x 36 | (2) 16M x | (1) 16M x |   None    |
          |         |              |    36     |    64     |           |
          |---------+--------------+-----------+-----------+-----------|
          |  512MB  | (2) 32M x 36 | (2) 32M x |   None    |   None    |
          |         |              |    36     |           |           |
          |---------+--------------+-----------+-----------+-----------|
          |  512MB  | (2) 16M x 36 | (2) 16M x | (1) 16M x | (1) 16M x |
          |         |              |    36     |    64     |    64     |
          |---------+--------------+-----------+-----------+-----------|
          |  520MB  | (2) 32M x 36 | (2) 32M x | (1) 1M x  |   None    |
          |         |              |    36     |    64     |           |
          |---------+--------------+-----------+-----------+-----------|
          |  528MB  | (2) 32M x 36 | (2) 32M x | (1) 2M x  |   None    |
          |         |              |    36     |    64     |           |
          |---------+--------------+-----------+-----------+-----------|
          |  768MB  | (2) 32M x 36 | (2) 32M x | (1) 32M x |   None    |
          |         |              |    36     |    64     |           |
          |---------+--------------+-----------+-----------+-----------|
          | 1024MB  | (2) 32M x 36 | (2) 32M x | (1) 32M x | (1) 32M x |
          |         |              |    36     |    64     |    64     |
          |------------------------------------------------------------|
          | Note: Board accepts EDO memory. Board also accepts x 32    |
          | SIMMs.                                                     |
          +------------------------------------------------------------+
       
          +------------------------------------------------------------+
          |                 DIMM VOLTAGE CONFIGURATION                 |
          |------------------------------------------------------------|
          |          Voltage           |              JD1              |
          |----------------------------+-------------------------------|
          | » |          3.3V          |       Pins 2 & 3 closed       |
          |---+------------------------+-------------------------------|
          |   |           5v           |       Pins 1 & 2 closed       |
          +------------------------------------------------------------+
       
          +------------------------------------------------------------+
          |                    CACHE CONFIGURATION                     |
          |------------------------------------------------------------|
          | Note: 256KB/512KB cache is located on the CPU.             |
          +------------------------------------------------------------+