URI: 
  TEXT View Source
       
       # ACHME COMPUTER, INC.
       
          MS-6114
       
          Device Type      Mainboard                                     
          Processor        Pentium II                                    
          Processor Speed  200/233/266/300/333MHz                        
          Chip Set         Intel                                         
          Video Chip Set   None                                          
          Maximum Onboard  1024MB (EDO & SDRAM supported)                
          Memory           
          Maximum Video    None                                          
          Memory           
          Cache            256/512KB (located on Pentium II CPU)         
          BIOS             Unidentified                                  
          Dimensions       300mm x 250mm                                 
          I/O Options      32-bit PCI slots (5), floppy drive interface, 
                           green PC connector, IDE interfaces (2),       
                           parallel port, PS/2 mouse port, serial ports  
                           (2), IR connector, USB connectors (2), ATX    
                           power connector, AGP slot                     
          NPU Options      None                                          
       
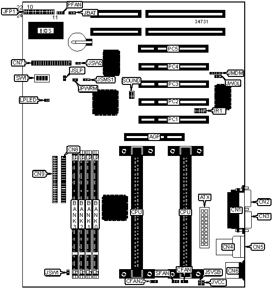
   IMG IMG 1
          
       
          +------------------------------------------------------------+
          |                        CONNECTIONS                         |
          |------------------------------------------------------------|
          | Purpose         | Location  | Purpose        |  Location   |
          |-----------------+-----------+----------------+-------------|
          | AGP slot        |    AGP    | Speaker        | JFP1/pins 7 |
          |                 |           |                |    - 10     |
          |-----------------+-----------+----------------+-------------|
          | ATX power       |    ATX    | Turbo LED      |  JFP1/pins  |
          | connector       |           |                |   12 & 13   |
          |-----------------+-----------+----------------+-------------|
          | CPU fan power 1 |   CFAN    | Reset switch   |  JFP1/pins  |
          |                 |           |                |   19 & 20   |
          |-----------------+-----------+----------------+-------------|
          | CPU fan power 2 |   CFAN2   | IDE interface  |  JFP1/pins  |
          |                 |           | LED            |   22 & 24   |
          |-----------------+-----------+----------------+-------------|
          | Parallel port   |    CN1    | Wake on modem  |    JMDM     |
          |                 |           | connector      |             |
          |-----------------+-----------+----------------+-------------|
          | Serial port 2   |    CN2    | Green PC       |    JSLP     |
          |                 |           | connector      |             |
          |-----------------+-----------+----------------+-------------|
          | Serial port 1   |    CN3    | Soft off power |    JSW1     |
          |                 |           | supply         |             |
          |-----------------+-----------+----------------+-------------|
          | USB connector 1 |    CN4    | Soft off power |    JSW2     |
          |                 |           | supply         |             |
          |-----------------+-----------+----------------+-------------|
          | USB connector 2 |    CN5    | Wake on LAN    |    JWOL     |
          |                 |           | connector      |             |
          |-----------------+-----------+----------------+-------------|
          | PS/2 mouse port |    CN6    | Green PC LED   |    LPLED    |
          |-----------------+-----------+----------------+-------------|
          | Floppy drive    |    CN7    | 32-bit PCI     |  PC1 – PC5  |
          | interface       |           | slots          |             |
          |-----------------+-----------+----------------+-------------|
          | IDE interface 2 |    CN8    | Power supply   |    PFAN     |
          |                 |           | fan            |             |
          |-----------------+-----------+----------------+-------------|
          | IDE interface 1 |    CN9    | Chassis fan    |    SFAN     |
          |                 |           | power          |             |
          |-----------------+-----------+----------------+-------------|
          | IR connector    |    IR1    | Sound          |    SOUND    |
          |                 |           | connector      |             |
          |-----------------+-----------+----------------+-------------|
          | Power LED &     | JFP1/pins |                |             |
          | keylock         |   1 - 5   |                |             |
          +------------------------------------------------------------+
       
          +------------------------------------------------------------+
          |                 USER CONFIGURABLE SETTINGS                 |
          |------------------------------------------------------------|
          |              Function               | Label |   Position   |
          |-------------------------------------+-------+--------------|
          |   | Keyboard wake up enabled        | J5VSB |    Closed    |
          |---+---------------------------------+-------+--------------|
          |   | Keyboard wake up disabled       | J5VSB |     Open     |
          |---+---------------------------------+-------+--------------|
          | » | CMOS memory normal operation    | JBAT  |  Pins 1 & 2  |
          |   |                                 |       |    closed    |
          |---+---------------------------------+-------+--------------|
          |   | CMOS memory clear               | JBAT  |  Pins 2 & 3  |
          |   |                                 |       |    closed    |
          |---+---------------------------------+-------+--------------|
          | » | ATX power on/off mode enabled   | JPWRM |    Closed    |
          |---+---------------------------------+-------+--------------|
          |   | Select power on system at power | JPWRM |     Open     |
          |   | up                              |       |              |
          |---+---------------------------------+-------+--------------|
          | » | Factory configured - do not     | JSMS1 | Unidentified |
          |   | alter                           |       |              |
          |---+---------------------------------+-------+--------------|
          | » | Keyboard power on disabled      | JVCC  |    Closed    |
          |---+---------------------------------+-------+--------------|
          |   | Keyboard power on enabled       | JVCC  |     Open     |
          +------------------------------------------------------------+
       
          +------------------------------------------------------------+
          |                     DIMM CONFIGURATION                     |
          |------------------------------------------------------------|
          | Size |   Bank 0    |   Bank 1    |   Bank 2   |   Bank 3   |
          |------+-------------+-------------+------------+------------|
          | 8MB  | (1) 1M x 64 |    None     |    None    |    None    |
          |------+-------------+-------------+------------+------------|
          | 16MB | (1) 2M x 64 |    None     |    None    |    None    |
          |------+-------------+-------------+------------+------------|
          | 16MB | (1) 1M x 64 | (1) 1M x 64 |    None    |    None    |
          |------+-------------+-------------+------------+------------|
          | 24MB | (1) 2M x 64 | (1) 1M x 64 |    None    |    None    |
          |------+-------------+-------------+------------+------------|
          | 24MB | (1) 1M x 64 | (1) 1M x 64 |  (1) 1M x  |    None    |
          |      |             |             |     64     |            |
          |------+-------------+-------------+------------+------------|
          | 32MB | (1) 4M x 64 |    None     |    None    |    None    |
          |------+-------------+-------------+------------+------------|
          | 32MB | (1) 2M x 64 | (1) 2M x 64 |    None    |    None    |
          |------+-------------+-------------+------------+------------|
          | 32MB | (1) 1M x 64 | (1) 1M x 64 |  (1) 1M x  |  (1) 1M x  |
          |      |             |             |     64     |     64     |
          |------+-------------+-------------+------------+------------|
          | 40MB | (1) 4M x 64 | (1) 1M x 64 |    None    |    None    |
          |------+-------------+-------------+------------+------------|
          | 48MB | (1) 4M x 64 | (1) 2M x 64 |    None    |    None    |
          |------+-------------+-------------+------------+------------|
          | 48MB | (1) 2M x 64 | (1) 2M x 64 |  (1) 2M x  |    None    |
          |      |             |             |     64     |            |
          +------------------------------------------------------------+
       
          +------------------------------------------------------------+
          |                 DIMM CONFIGURATION (CON’T)                 |
          |------------------------------------------------------------|
          |  Size   |    Bank 0    |  Bank 1   |  Bank 2   |  Bank 3   |
          |---------+--------------+-----------+-----------+-----------|
          |  64MB   | (1) 8M x 64  |   None    |   None    |   None    |
          |---------+--------------+-----------+-----------+-----------|
          |  64MB   | (1) 4M x 64  | (1) 4M x  |   None    |   None    |
          |         |              |    64     |           |           |
          |---------+--------------+-----------+-----------+-----------|
          |  64MB   | (1) 2M x 64  | (1) 2M x  | (1) 2M x  | (1) 2M x  |
          |         |              |    64     |    64     |    64     |
          |---------+--------------+-----------+-----------+-----------|
          |  72MB   | (1) 8M x 64  | (1) 1M x  |   None    |   None    |
          |         |              |    64     |           |           |
          |---------+--------------+-----------+-----------+-----------|
          |  80MB   | (1) 8M x 64  | (1) 2M x  |   None    |   None    |
          |         |              |    64     |           |           |
          |---------+--------------+-----------+-----------+-----------|
          |  96MB   | (1) 8M x 64  | (1) 4M x  |   None    |   None    |
          |         |              |    64     |           |           |
          |---------+--------------+-----------+-----------+-----------|
          |  96MB   | (1) 4M x 64  | (1) 4M x  | (1) 4M x  |   None    |
          |         |              |    64     |    64     |           |
          |---------+--------------+-----------+-----------+-----------|
          |  128MB  | (1) 16M x 64 |   None    |   None    |   None    |
          |---------+--------------+-----------+-----------+-----------|
          |  128MB  | (1) 8M x 64  | (1) 8M x  |   None    |   None    |
          |         |              |    64     |           |           |
          |---------+--------------+-----------+-----------+-----------|
          |  128MB  | (1) 4M x 64  | (1) 4M x  | (1) 4M x  | (1) 4M x  |
          |         |              |    64     |    64     |    64     |
          |---------+--------------+-----------+-----------+-----------|
          |  136MB  | (1) 16M x 64 | (1) 1M x  |   None    |   None    |
          |         |              |    64     |           |           |
          |---------+--------------+-----------+-----------+-----------|
          |  144MB  | (1) 16M x 64 | (1) 2M x  |   None    |   None    |
          |         |              |    64     |           |           |
          |---------+--------------+-----------+-----------+-----------|
          |  160MB  | (1) 16M x 64 | (1) 4M x  |   None    |   None    |
          |         |              |    64     |           |           |
          |---------+--------------+-----------+-----------+-----------|
          |  192MB  | (1) 16M x 64 | (1) 8M x  |   None    |   None    |
          |         |              |    64     |           |           |
          |---------+--------------+-----------+-----------+-----------|
          |  192MB  | (1) 8M x 64  | (1) 8M x  | (1) 8M x  |   None    |
          |         |              |    64     |    64     |           |
          |---------+--------------+-----------+-----------+-----------|
          |  256MB  | (1) 16M x 64 | (1) 16M x |   None    |   None    |
          |         |              |    64     |           |           |
          |---------+--------------+-----------+-----------+-----------|
          |  256MB  | (1) 8M x 64  | (1) 8M x  | (1) 8M x  | (1) 8M x  |
          |         |              |    64     |    64     |    64     |
          |---------+--------------+-----------+-----------+-----------|
          |  256MB  | (1) 32M x 64 |   None    |   None    |   None    |
          |---------+--------------+-----------+-----------+-----------|
          |  384MB  | (1) 16M x 64 | (1) 16M x | (1) 16M x |   None    |
          |         |              |    64     |    64     |           |
          |---------+--------------+-----------+-----------+-----------|
          |  512MB  | (1) 16M x 64 | (1) 16M x | (1) 16M x | (1) 16M x |
          |         |              |    64     |    64     |    64     |
          |---------+--------------+-----------+-----------+-----------|
          |  512MB  | (1) 32M x 64 | (1) 32M x |   None    |   None    |
          |         |              |    64     |           |           |
          |---------+--------------+-----------+-----------+-----------|
          |  768MB  | (1) 32M x 64 | (1) 32M x | (1) 32M x |   None    |
          |         |              |    64     |    64     |           |
          |---------+--------------+-----------+-----------+-----------|
          | 1024MB  | (1) 32M x 64 | (1) 32M x | (1) 32M x | (1) 32M x |
          |         |              |    64     |    64     |    64     |
          |------------------------------------------------------------|
          | Note: Board accepts EDO & SDRAM memory. 1GB maximum if     |
          | using EDO memory. 512MB maximum if using EDO memory.       |
          +------------------------------------------------------------+
       
          +------------------------------------------------------------+
          |                    CACHE CONFIGURATION                     |
          |------------------------------------------------------------|
          | Note: 256KB/512KB cache is located on the Pentium II CPU.  |
          +------------------------------------------------------------+
       
          +------------------------------------------------------------+
          |                    CPU SPEED SELECTION                     |
          |------------------------------------------------------------|
          |CPU speed|Clock speed|Multiplier|SW1/1 |SW1/2 |SW1/3 |SW1/4 |
          |---------+-----------+----------+------+------+------+------|
          | 200MHz  |   66MHz   |    3x    |  On  |  On  | Off  |  On  |
          |---------+-----------+----------+------+------+------+------|
          | 233MHz  |   66MHz   |   3.5x   |  On  | Off  | Off  |  On  |
          |---------+-----------+----------+------+------+------+------|
          | 266MHz  |   66MHz   |    4x    |  On  |  On  |  On  | Off  |
          |---------+-----------+----------+------+------+------+------|
          | 300MHz  |   66MHz   |   4.5x   |  On  | Off  |  On  | Off  |
          |---------+-----------+----------+------+------+------+------|
          | 333MHz  |   66MHz   |    5x    |  On  |  On  | Off  | Off  |
          +------------------------------------------------------------+