URI: 
  TEXT View Source
       
       # ADVANCED INTEGRATION RESEARCH, INC.
       
          P6LDX (REV. 1.0)
       
          Device Type      Mainboard                                     
          Processor        Pentium II                                    
          Processor Speed  233/266/300/333MHz                            
          Chip Set         Intel                                         
          Video Chip Set   None                                          
          Maximum Onboard  1GB (EDO & SDRAM supported)                   
          Memory           
          Maximum Video    None                                          
          Memory           
          Cache            256/512/1024KB (located on Pentium II CPU)    
          BIOS             Award                                         
          Dimensions       305mm x 244mm                                 
          I/O Options      32-bit PCI slots (4), floppy drive interface, 
                           green PC connector, IDE interfaces (2), SCSI  
                           interface, Wide Ultra SCSI interface,         
                           parallel port, PS/2 mouse port, serial ports  
                           (2), IR connector, USB connectors (2), ATX    
                           power connector, AGP slot, RAID slot          
          NPU Options      None                                          
       
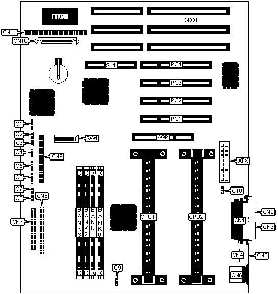
   IMG IMG 1
          
       
          +------------------------------------------------------------+
          |                        CONNECTIONS                         |
          |------------------------------------------------------------|
          | Purpose           | Location | Purpose          | Location |
          |-------------------+----------+------------------+----------|
          | AGP slot          |   AGP    | Serial port 2    |   CN2    |
          |-------------------+----------+------------------+----------|
          | ATX power         |   ATX    | Serial port 1    |   CN3    |
          | connector         |          |                  |          |
          |-------------------+----------+------------------+----------|
          | IR connector      |    C1    | USB connector 1  |   CN4    |
          |-------------------+----------+------------------+----------|
          | Green PC          |    C2    | USB connector 2  |   CN5    |
          | connector         |          |                  |          |
          |-------------------+----------+------------------+----------|
          | Reset switch      |    C3    | PS/2 mouse port  |   CN6    |
          |-------------------+----------+------------------+----------|
          | Speaker           |    C4    | Floppy drive     |   CN7    |
          |                   |          | interface        |          |
          |-------------------+----------+------------------+----------|
          | IDE interface LED |    C5    | IDE interface 2  |   CN8    |
          |-------------------+----------+------------------+----------|
          | Power LED &       |    C6    | IDE interface 1  |   CN9    |
          | keylock           |          |                  |          |
          |-------------------+----------+------------------+----------|
          | Turbo LED         |    C7    | Ultra Wide SCSI  |   CN10   |
          |                   |          | interface        |          |
          |-------------------+----------+------------------+----------|
          | Soft off power    |    C8    | SCSI interface   |   CN11   |
          | supply            |          |                  |          |
          |-------------------+----------+------------------+----------|
          | Chassis fan power |    C9    | 32-bit PCI slots |  PC1 -   |
          |                   |          |                  |   PC4    |
          |-------------------+----------+------------------+----------|
          | Chassis fan power |   C10    | RAID slot        |   SL1    |
          |-------------------+----------+------------------+----------|
          | Parallel port     |   CN1    |                  |          |
          +------------------------------------------------------------+
       
          +------------------------------------------------------------+
          |                 USER CONFIGURABLE SETTINGS                 |
          |------------------------------------------------------------|
          |              Function               | Label |   Position   |
          |-------------------------------------+-------+--------------|
          | ยป | Factory configured - do not     | SW1/7 | Unidentified |
          |   | alter                           |       |              |
          |---+---------------------------------+-------+--------------|
          |   | Termination enabled             | SW1/8 |      On      |
          |---+---------------------------------+-------+--------------|
          |   | Termination disabled            | SW1/8 |     Off      |
          +------------------------------------------------------------+
       
          +------------------------------------------------------------+
          |                     DIMM CONFIGURATION                     |
          |------------------------------------------------------------|
          | Size |   Bank 0    |   Bank 1    |   Bank 2   |   Bank 3   |
          |------+-------------+-------------+------------+------------|
          | 8MB  | (1) 1M x 64 |    None     |    None    |    None    |
          |------+-------------+-------------+------------+------------|
          | 16MB | (1) 2M x 64 |    None     |    None    |    None    |
          |------+-------------+-------------+------------+------------|
          | 16MB | (1) 1M x 64 | (1) 1M x 64 |    None    |    None    |
          |------+-------------+-------------+------------+------------|
          | 24MB | (1) 2M x 64 | (1) 1M x 64 |    None    |    None    |
          |------+-------------+-------------+------------+------------|
          | 24MB | (1) 1M x 64 | (1) 1M x 64 |  (1) 1M x  |    None    |
          |      |             |             |     64     |            |
          |------+-------------+-------------+------------+------------|
          | 32MB | (1) 4M x 64 |    None     |    None    |    None    |
          |------+-------------+-------------+------------+------------|
          | 32MB | (1) 2M x 64 | (1) 2M x 64 |    None    |    None    |
          |------+-------------+-------------+------------+------------|
          | 32MB | (1) 1M x 64 | (1) 1M x 64 |  (1) 1M x  |  (1) 1M x  |
          |      |             |             |     64     |     64     |
          |------+-------------+-------------+------------+------------|
          | 40MB | (1) 4M x 64 | (1) 1M x 64 |    None    |    None    |
          |------+-------------+-------------+------------+------------|
          | 48MB | (1) 4M x 64 | (1) 2M x 64 |    None    |    None    |
          |------+-------------+-------------+------------+------------|
          | 48MB | (1) 2M x 64 | (1) 2M x 64 |  (1) 2M x  |    None    |
          |      |             |             |     64     |            |
          |------+-------------+-------------+------------+------------|
          | 64MB | (1) 2M x 64 | (1) 2M x 64 |  (1) 2M x  |  (1) 2M x  |
          |      |             |             |     64     |     64     |
          |------+-------------+-------------+------------+------------|
          | 64MB | (1) 8M x 64 |    None     |    None    |    None    |
          |------+-------------+-------------+------------+------------|
          | 64MB | (1) 4M x 64 | (1) 4M x 64 |    None    |    None    |
          |------+-------------+-------------+------------+------------|
          | 72MB | (1) 8M x 64 | (1) 1M x 64 |    None    |    None    |
          +------------------------------------------------------------+
       
          +------------------------------------------------------------+
          |                 DIMM CONFIGURATION (CON'T)                 |
          |------------------------------------------------------------|
          |   Size   |   Bank 0    |  Bank 1   |  Bank 2   |  Bank 3   |
          |----------+-------------+-----------+-----------+-----------|
          |   80MB   | (1) 8M x 64 | (1) 2M x  |   None    |   None    |
          |          |             |    64     |           |           |
          |----------+-------------+-----------+-----------+-----------|
          |   96MB   | (1) 8M x 64 | (1) 4M x  |   None    |   None    |
          |          |             |    64     |           |           |
          |----------+-------------+-----------+-----------+-----------|
          |   96MB   | (1) 4M x 64 | (1) 4M x  | (1) 4M x  |   None    |
          |          |             |    64     |    64     |           |
          |----------+-------------+-----------+-----------+-----------|
          |  128MB   |  (1) 16M x  |   None    |   None    |   None    |
          |          |     64      |           |           |           |
          |----------+-------------+-----------+-----------+-----------|
          |  128MB   | (1) 8M x 64 | (1) 8M x  |   None    |   None    |
          |          |             |    64     |           |           |
          |----------+-------------+-----------+-----------+-----------|
          |  128MB   | (1) 4M x 64 | (1) 4M x  | (1) 4M x  | (1) 4M x  |
          |          |             |    64     |    64     |    64     |
          |----------+-------------+-----------+-----------+-----------|
          |  136MB   |  (1) 16M x  | (1) 1M x  |   None    |   None    |
          |          |     64      |    64     |           |           |
          |----------+-------------+-----------+-----------+-----------|
          |  144MB   |  (1) 16M x  | (1) 2M x  |   None    |   None    |
          |          |     64      |    64     |           |           |
          |----------+-------------+-----------+-----------+-----------|
          |  152MB   |  (1) 16M x  | (1) 1M x  | (1) 1M x  | (1) 1M x  |
          |          |     64      |    64     |    64     |    64     |
          |----------+-------------+-----------+-----------+-----------|
          |  160MB   |  (1) 16M x  | (1) 4M x  |   None    |   None    |
          |          |     64      |    64     |           |           |
          |----------+-------------+-----------+-----------+-----------|
          |  176MB   |  (1) 16M x  | (1) 2M x  | (1) 2M x  | (1) 2M x  |
          |          |     64      |    64     |    64     |    64     |
          |----------+-------------+-----------+-----------+-----------|
          |  192MB   |  (1) 16M x  | (1) 8M x  |   None    |   None    |
          |          |     64      |    64     |           |           |
          |----------+-------------+-----------+-----------+-----------|
          |  192MB   | (1) 8M x 64 | (1) 8M x  | (1) 8M x  |   None    |
          |          |             |    64     |    64     |           |
          |----------+-------------+-----------+-----------+-----------|
          |  224MB   |  (1) 16M x  | (1) 4M x  | (1) 4M x  | (1) 4M x  |
          |          |     64      |    64     |    64     |    64     |
          |----------+-------------+-----------+-----------+-----------|
          |  256MB   |  (1) 32M x  |   None    |   None    |   None    |
          |          |     64      |           |           |           |
          |----------+-------------+-----------+-----------+-----------|
          |  256MB   |  (1) 16M x  | (1) 16M x |   None    |   None    |
          |          |     64      |    64     |           |           |
          |----------+-------------+-----------+-----------+-----------|
          |  256MB   | (1) 8M x 64 | (1) 8M x  | (1) 8M x  | (1) 8M x  |
          |          |             |    64     |    64     |    64     |
          |----------+-------------+-----------+-----------+-----------|
          |  272MB   |  (1) 16M x  | (1) 16M x | (1) 1M x  | (1) 1M x  |
          |          |     64      |    64     |    64     |    64     |
          |----------+-------------+-----------+-----------+-----------|
          |  280MB   |  (1) 32M x  | (1) 1M x  | (1) 1M x  | (1) 1M x  |
          |          |     64      |    64     |    64     |    64     |
          |----------+-------------+-----------+-----------+-----------|
          |  288MB   |  (1) 16M x  | (1) 16M x | (1) 2M x  | (1) 2M x  |
          |          |     64      |    64     |    64     |    64     |
          |----------+-------------+-----------+-----------+-----------|
          |  304MB   |  (1) 32M x  | (1) 2M x  | (1) 2M x  | (1) 2M x  |
          |          |     64      |    64     |    64     |    64     |
          |----------+-------------+-----------+-----------+-----------|
          |  320MB   |  (1) 16M x  | (1) 16M x | (1) 4M x  | (1) 4M x  |
          |          |     64      |    64     |    64     |    64     |
          |----------+-------------+-----------+-----------+-----------|
          |  320MB   |  (1) 16M x  | (1) 8M x  | (1) 8M x  | (1) 8M x  |
          |          |     64      |    64     |    64     |    64     |
          |----------+-------------+-----------+-----------+-----------|
          |  352MB   |  (1) 32M x  | (1) 4M x  | (1) 4M x  | (1) 4M x  |
          |          |     64      |    64     |    64     |    64     |
          |----------+-------------+-----------+-----------+-----------|
          |  384MB   |  (1) 16M x  | (1) 16M x | (1) 16M x |   None    |
          |          |     64      |    64     |    64     |           |
          |----------+-------------+-----------+-----------+-----------|
          |  448MB   |  (1) 32M x  | (1) 8M x  | (1) 8M x  | (1) 8M x  |
          |          |     64      |    64     |    64     |    64     |
          |----------+-------------+-----------+-----------+-----------|
          |  512MB   |  (1) 32M x  | (1) 32M x |   None    |   None    |
          |          |     64      |    64     |           |           |
          |----------+-------------+-----------+-----------+-----------|
          |  512MB   |  (1) 16M x  | (1) 16M x | (1) 16M x | (1) 16M x |
          |          |     64      |    64     |    64     |    64     |
          |----------+-------------+-----------+-----------+-----------|
          |  640MB   |  (1) 32M x  | (1) 16M x | (1) 16M x | (1) 16M x |
          |          |     64      |    64     |    64     |    64     |
          |----------+-------------+-----------+-----------+-----------|
          |  768MB   |  (1) 32M x  | (1) 32M x | (1) 32M x |   None    |
          |          |     64      |    64     |    64     |           |
          |----------+-------------+-----------+-----------+-----------|
          |  1024MB  |  (1) 32M x  | (1) 32M x | (1) 32M x | (1) 32M x |
          |          |     64      |    64     |    64     |    64     |
          |------------------------------------------------------------|
          | Note: Board accepts EDO & SDRAM memory. Maximum SDRAM is   |
          | 512MB. Maximum EDO is 1GB.                                 |
          +------------------------------------------------------------+
       
          +------------------------------------------------------------+
          |                    CACHE CONFIGURATION                     |
          |------------------------------------------------------------|
          | Note: 256/512/1024KB cache is located on the Pentium II    |
          | CPU.                                                       |
          +------------------------------------------------------------+
       
          +------------------------------------------------------------+
          |                    CPU SPEED SELECTION                     |
          |------------------------------------------------------------|
          |  CPU  |Clock|Multiplier|SW1/1|SW1/2|SW1/3|SW1/4|SW1/5|SW1/6|
          | speed |speed|          |     |     |     |     |     |     |
          |-------+-----+----------+-----+-----+-----+-----+-----+-----|
          |233MHz |66MHz|   3.5x   | Off | Off | Off | Off | On  | On  |
          |-------+-----+----------+-----+-----+-----+-----+-----+-----|
          |266MHz |66MHz|    4x    | Off | Off | On  | On  | Off | On  |
          |-------+-----+----------+-----+-----+-----+-----+-----+-----|
          |300MHz |66MHz|   4.5x   | Off | Off | Off | On  | Off | On  |
          |-------+-----+----------+-----+-----+-----+-----+-----+-----|
          |333MHz |66MHz|    5x    | Off | Off | On  | Off | Off | On  |
          +------------------------------------------------------------+