URI: 
  TEXT View Source
       
       # BIOSTAR MICROTECH INTERNATIONAL CORPORATION
       
          M6TLA (VER. 1.1)
       
          Device Type      Mainboard                                     
          Processor        Pentium II                                    
          Processor Speed  200/233/266/300/MHz                           
          Chip Set         Intel                                         
          Video Chip Set   None                                          
          Maximum Onboard  1GB (EDO & SDRAM supported)                   
          Memory           
          Maximum Video    None                                          
          Memory           
          Cache            256/512KB (located on Pentium II CPU)         
          BIOS             Award                                         
          Dimensions       305mm x 220mm                                 
          I/O Options      32-bit PCI slots (4), floppy drive interface, 
                           green PC connector, IDE interfaces (2),       
                           parallel port, PS/2 mouse port, serial ports  
                           (2), IR connector, USB connectors (2), ATX    
                           power connector, AGP slot                     
          NPU Options      None                                          
       
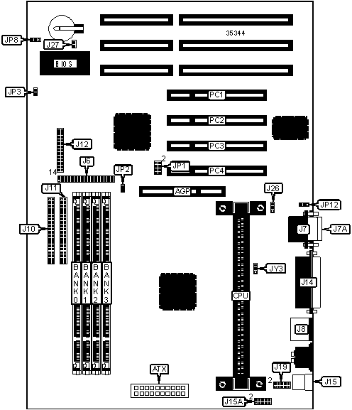
   IMG IMG 1
          
       
          +------------------------------------------------------------+
          |                        CONNECTIONS                         |
          |------------------------------------------------------------|
          | Purpose         |  Location  | Purpose        |  Location  |
          |-----------------+------------+----------------+------------|
          | AGP slot        |    AGP     | VCC ground     |  J12/pins  |
          |                 |            |                |  14 & 15   |
          |-----------------+------------+----------------+------------|
          | ATX power       |    ATX     | Green PC       |  J12/pins  |
          | connector       |            | connector      |  16 & 17   |
          |-----------------+------------+----------------+------------|
          | Floppy drive    |     J6     | IDE interface  |  J12/pins  |
          | interface       |            | LED            |  18 - 21   |
          |-----------------+------------+----------------+------------|
          | Serial port 2   |     J7     | IR connector   |  J12/pins  |
          |                 |            |                |  22 - 26   |
          |-----------------+------------+----------------+------------|
          | Serial port 1   |    J7A     | Parallel port  |    J14     |
          |-----------------+------------+----------------+------------|
          | PS/2 mouse port |     J8     | USB connector  |    J15     |
          |-----------------+------------+----------------+------------|
          | IDE interface 1 |    J10     | USB connector  |    J15A    |
          |-----------------+------------+----------------+------------|
          | IDE interface 2 |    J11     | Wake on LAN    |    J26     |
          |                 |            | connector      |            |
          |-----------------+------------+----------------+------------|
          | Speaker         | J12/pins 1 | Wake on modem  |    J27     |
          |                 |    - 4     | connector      |            |
          |-----------------+------------+----------------+------------|
          | Power LED &     | J12/pins 5 | ATX power on   |    JP3     |
          | keylock         |    - 9     | switch         |            |
          |-----------------+------------+----------------+------------|
          | Soft off power  |  J12/pins  | CPU fan power  |    JY3     |
          | supply          |  10 & 11   |                |            |
          |-----------------+------------+----------------+------------|
          | Reset switch    |  J12/pins  | 32-bit PCI     | PC1 – PC4  |
          |                 |  12 & 13   | slots          |            |
          +------------------------------------------------------------+
       
          +------------------------------------------------------------+
          |                 USER CONFIGURABLE SETTINGS                 |
          |------------------------------------------------------------|
          |              Function              | Label |   Position    |
          |------------------------------------+-------+---------------|
          |   | In order queue depth enabled   |  JP2  |     Open      |
          |---+--------------------------------+-------+---------------|
          |   | In order queue depth disabled  |  JP2  |    Closed     |
          |---+--------------------------------+-------+---------------|
          | » | CMOS memory normal operation   |  JP8  |  Pins 1 & 2   |
          |   |                                |       |    closed     |
          |---+--------------------------------+-------+---------------|
          |   | CMOS memory clear              |  JP8  |  Pins 2 & 3   |
          |   |                                |       |    closed     |
          |---+--------------------------------+-------+---------------|
          |   | On board battery disabled      |  JP8  |     Open      |
          |---+--------------------------------+-------+---------------|
          |   | External modem COM select COM1 | JP12  |  Pins 1 & 2   |
          |   |                                |       |    closed     |
          |---+--------------------------------+-------+---------------|
          |   | External modem COM select COM2 | JP12  |  Pins 2 & 3   |
          |   |                                |       |    closed     |
          +------------------------------------------------------------+
       
          +------------------------------------------------------------+
          |                     DIMM CONFIGURATION                     |
          |------------------------------------------------------------|
          | Size |   Bank 0    |   Bank 1    |   Bank 2   |   Bank 3   |
          |------+-------------+-------------+------------+------------|
          | 8MB  | (1) 1M x 64 |    None     |    None    |    None    |
          |------+-------------+-------------+------------+------------|
          | 16MB | (1) 2M x 64 |    None     |    None    |    None    |
          |------+-------------+-------------+------------+------------|
          | 16MB | (1) 1M x 64 | (1) 1M x 64 |    None    |    None    |
          |------+-------------+-------------+------------+------------|
          | 24MB | (1) 2M x 64 | (1) 1M x 64 |    None    |    None    |
          |------+-------------+-------------+------------+------------|
          | 24MB | (1) 1M x 64 | (1) 1M x 64 |  (1) 1M x  |    None    |
          |      |             |             |     64     |            |
          |------+-------------+-------------+------------+------------|
          | 32MB | (1) 4M x 64 |    None     |    None    |    None    |
          |------+-------------+-------------+------------+------------|
          | 32MB | (1) 2M x 64 | (1) 2M x 64 |    None    |    None    |
          |------+-------------+-------------+------------+------------|
          | 32MB | (1) 1M x 64 | (1) 1M x 64 |  (1) 1M x  |  (1) 1M x  |
          |      |             |             |     64     |     64     |
          |------+-------------+-------------+------------+------------|
          | 40MB | (1) 4M x 64 | (1) 1M x 64 |    None    |    None    |
          |------+-------------+-------------+------------+------------|
          | 48MB | (1) 4M x 64 | (1) 2M x 64 |    None    |    None    |
          |------+-------------+-------------+------------+------------|
          | 48MB | (1) 2M x 64 | (1) 2M x 64 |  (1) 2M x  |    None    |
          |      |             |             |     64     |            |
          |------+-------------+-------------+------------+------------|
          | 64MB | (1) 2M x 64 | (1) 2M x 64 |  (1) 2M x  |  (1) 2M x  |
          |      |             |             |     64     |     64     |
          +------------------------------------------------------------+
       
          +------------------------------------------------------------+
          |                 DIMM CONFIGURATION (CON’T)                 |
          |------------------------------------------------------------|
          |   Size   |   Bank 0    |  Bank 1   |  Bank 2   |  Bank 3   |
          |----------+-------------+-----------+-----------+-----------|
          |   64MB   | (1) 8M x 64 |   None    |   None    |   None    |
          |----------+-------------+-----------+-----------+-----------|
          |   64MB   | (1) 4M x 64 | (1) 4M x  |   None    |   None    |
          |          |             |    64     |           |           |
          |----------+-------------+-----------+-----------+-----------|
          |   72MB   | (1) 8M x 64 | (1) 1M x  |   None    |   None    |
          |          |             |    64     |           |           |
          |----------+-------------+-----------+-----------+-----------|
          |   80MB   | (1) 8M x 64 | (1) 2M x  |   None    |   None    |
          |          |             |    64     |           |           |
          |----------+-------------+-----------+-----------+-----------|
          |   96MB   | (1) 8M x 64 | (1) 4M x  |   None    |   None    |
          |          |             |    64     |           |           |
          |----------+-------------+-----------+-----------+-----------|
          |   96MB   | (1) 4M x 64 | (1) 4M x  | (1) 4M x  |   None    |
          |          |             |    64     |    64     |           |
          |----------+-------------+-----------+-----------+-----------|
          |  128MB   |  (1) 16M x  |   None    |   None    |   None    |
          |          |     64      |           |           |           |
          |----------+-------------+-----------+-----------+-----------|
          |  128MB   | (1) 8M x 64 | (1) 8M x  |   None    |   None    |
          |          |             |    64     |           |           |
          |----------+-------------+-----------+-----------+-----------|
          |  128MB   | (1) 4M x 64 | (1) 4M x  | (1) 4M x  | (1) 4M x  |
          |          |             |    64     |    64     |    64     |
          |----------+-------------+-----------+-----------+-----------|
          |  136MB   |  (1) 16M x  | (1) 1M x  |   None    |   None    |
          |          |     64      |    64     |           |           |
          |----------+-------------+-----------+-----------+-----------|
          |  144MB   |  (1) 16M x  | (1) 2M x  |   None    |   None    |
          |          |     64      |    64     |           |           |
          |----------+-------------+-----------+-----------+-----------|
          |  152MB   |  (1) 16M x  | (1) 1M x  | (1) 1M x  | (1) 1M x  |
          |          |     64      |    64     |    64     |    64     |
          |----------+-------------+-----------+-----------+-----------|
          |  160MB   |  (1) 16M x  | (1) 4M x  |   None    |   None    |
          |          |     64      |    64     |           |           |
          |----------+-------------+-----------+-----------+-----------|
          |  176MB   |  (1) 16M x  | (1) 2M x  | (1) 2M x  | (1) 2M x  |
          |          |     64      |    64     |    64     |    64     |
          |----------+-------------+-----------+-----------+-----------|
          |  192MB   |  (1) 16M x  | (1) 8M x  |   None    |   None    |
          |          |     64      |    64     |           |           |
          |----------+-------------+-----------+-----------+-----------|
          |  192MB   | (1) 8M x 64 | (1) 8M x  | (1) 8M x  |   None    |
          |          |             |    64     |    64     |           |
          |----------+-------------+-----------+-----------+-----------|
          |  224MB   |  (1) 16M x  | (1) 4M x  | (1) 4M x  | (1) 4M x  |
          |          |     64      |    64     |    64     |    64     |
          |----------+-------------+-----------+-----------+-----------|
          |  256MB   |  (1) 32M x  |   None    |   None    |   None    |
          |          |     64      |           |           |           |
          |----------+-------------+-----------+-----------+-----------|
          |  256MB   |  (1) 16M x  | (1) 16M x |   None    |   None    |
          |          |     64      |    64     |           |           |
          |----------+-------------+-----------+-----------+-----------|
          |  256MB   | (1) 8M x 64 | (1) 8M x  | (1) 8M x  | (1) 8M x  |
          |          |             |    64     |    64     |    64     |
          |----------+-------------+-----------+-----------+-----------|
          |  272MB   |  (1) 16M x  | (1) 16M x | (1) 1M x  | (1) 1M x  |
          |          |     64      |    64     |    64     |    64     |
          |----------+-------------+-----------+-----------+-----------|
          |  280MB   |  (1) 32M x  | (1) 1M x  | (1) 1M x  | (1) 1M x  |
          |          |     64      |    64     |    64     |    64     |
          |----------+-------------+-----------+-----------+-----------|
          |  288MB   |  (1) 16M x  | (1) 16M x | (1) 2M x  | (1) 2M x  |
          |          |     64      |    64     |    64     |    64     |
          |----------+-------------+-----------+-----------+-----------|
          |  304MB   |  (1) 32M x  | (1) 2M x  | (1) 2M x  | (1) 2M x  |
          |          |     64      |    64     |    64     |    64     |
          |----------+-------------+-----------+-----------+-----------|
          |  320MB   |  (1) 16M x  | (1) 16M x | (1) 4M x  | (1) 4M x  |
          |          |     64      |    64     |    64     |    64     |
          |----------+-------------+-----------+-----------+-----------|
          |  320MB   |  (1) 16M x  | (1) 8M x  | (1) 8M x  | (1) 8M x  |
          |          |     64      |    64     |    64     |    64     |
          |----------+-------------+-----------+-----------+-----------|
          |  352MB   |  (1) 32M x  | (1) 4M x  | (1) 4M x  | (1) 4M x  |
          |          |     64      |    64     |    64     |    64     |
          |----------+-------------+-----------+-----------+-----------|
          |  384MB   |  (1) 16M x  | (1) 16M x | (1) 16M x |   None    |
          |          |     64      |    64     |    64     |           |
          |----------+-------------+-----------+-----------+-----------|
          |  448MB   |  (1) 32M x  | (1) 8M x  | (1) 8M x  | (1) 8M x  |
          |          |     64      |    64     |    64     |    64     |
          |----------+-------------+-----------+-----------+-----------|
          |  512MB   |  (1) 32M x  | (1) 32M x |   None    |   None    |
          |          |     64      |    64     |           |           |
          |----------+-------------+-----------+-----------+-----------|
          |  512MB   |  (1) 16M x  | (1) 16M x | (1) 16M x | (1) 16M x |
          |          |     64      |    64     |    64     |    64     |
          |----------+-------------+-----------+-----------+-----------|
          |  640MB   |  (1) 32M x  | (1) 16M x | (1) 16M x | (1) 16M x |
          |          |     64      |    64     |    64     |    64     |
          |----------+-------------+-----------+-----------+-----------|
          |  768MB   |  (1) 32M x  | (1) 32M x | (1) 32M x |   None    |
          |          |     64      |    64     |    64     |           |
          |----------+-------------+-----------+-----------+-----------|
          |  1024MB  |  (1) 32M x  | (1) 32M x | (1) 32M x | (1) 32M x |
          |          |     64      |    64     |    64     |    64     |
          |------------------------------------------------------------|
          | Note: Board accepts EDO & SDRAM memory. Maximum SDRAM is   |
          | 512MB. Maximum EDO is 1GB.                                 |
          +------------------------------------------------------------+
       
          +------------------------------------------------------------+
          |                    CACHE CONFIGURATION                     |
          |------------------------------------------------------------|
          | Note: 256KB/512KB cache is located on the Pentium II CPU.  |
          +------------------------------------------------------------+
       
          +------------------------------------------------------------+
          |                    CPU SPEED SELECTION                     |
          |------------------------------------------------------------|
          |  CPU  | Clock  |Multiplier| JP1/ |  JP1/  |  JP1/  | JP1/  |
          | speed | speed  |          |      |        |        |       |
          |       |        |          |pins 1|pins 3 &|pins 5 &|pins 7 |
          |       |        |          | & 2  |   4    |   6    |  & 8  |
          |-------+--------+----------+------+--------+--------+-------|
          |200MHz | 66MHz  |    3x    | Open | Closed |  Open  |Closed |
          |-------+--------+----------+------+--------+--------+-------|
          |233MHz | 66MHz  |   3.5x   | Open |  Open  |  Open  |Closed |
          |-------+--------+----------+------+--------+--------+-------|
          |266MHz | 66MHz  |    4x    | Open | Closed | Closed | Open  |
          |-------+--------+----------+------+--------+--------+-------|
          |300MHz | 66MHz  |   4.5x   | Open |  Open  | Closed | Open  |
          +------------------------------------------------------------+
       
          +------------------------------------------------------------+
          |                   CPU VOLTAGE SELECTION                    |
          |------------------------------------------------------------|
          |Voltage |J19/pins 1|J19/pins 3|J19/pins|J19/pins|J19/pins 9 |
          |        |   & 2    |   & 4    | 5 & 6  | 7 & 8  |   & 10    |
          |--------+----------+----------+--------+--------+-----------|
          |  Auto  |   Open   |   Open   |  Open  |  Open  |   Open    |
          | detect |          |          |        |        |           |
          |--------+----------+----------+--------+--------+-----------|
          |  2.1   |  Closed  |   Open   |  Open  |  Open  |   Open    |
          |--------+----------+----------+--------+--------+-----------|
          |  2.2   |   Open   |  Closed  |  Open  |  Open  |   Open    |
          |--------+----------+----------+--------+--------+-----------|
          |  2.3   |  Closed  |  Closed  |  Open  |  Open  |   Open    |
          |--------+----------+----------+--------+--------+-----------|
          |  2.4   |   Open   |   Open   | Closed |  Open  |   Open    |
          |--------+----------+----------+--------+--------+-----------|
          |  2.5   |  Closed  |   Open   | Closed |  Open  |   Open    |
          |--------+----------+----------+--------+--------+-----------|
          |  2.6   |   Open   |  Closed  | Closed |  Open  |   Open    |
          |--------+----------+----------+--------+--------+-----------|
          |  2.7   |  Closed  |  Closed  | Closed |  Open  |   Open    |
          |--------+----------+----------+--------+--------+-----------|
          |  2.8   |   Open   |   Open   |  Open  | Closed |   Open    |
          |--------+----------+----------+--------+--------+-----------|
          |  2.9   |  Closed  |   Open   |  Open  | Closed |   Open    |
          |--------+----------+----------+--------+--------+-----------|
          |  3.0   |   Open   |  Closed  |  Open  | Closed |   Open    |
          |--------+----------+----------+--------+--------+-----------|
          |  3.1   |  Closed  |  Closed  |  Open  | Closed |   Open    |
          |--------+----------+----------+--------+--------+-----------|
          |  3.2   |   Open   |   Open   | Closed | Closed |   Open    |
          |--------+----------+----------+--------+--------+-----------|
          |  3.3   |  Closed  |   Open   | Closed | Closed |   Open    |
          |--------+----------+----------+--------+--------+-----------|
          |  3.4   |   Open   |  Closed  | Closed | Closed |   Open    |
          |--------+----------+----------+--------+--------+-----------|
          |  3.5   |  Closed  |  Closed  | Closed | Closed |   Open    |
          +------------------------------------------------------------+