URI: 
  TEXT View Source
       
       # ASUS COMPUTER INTERNATIONAL
       
          SP98AGP-X (VER. 1.01)
       
          Device Type      Mainboard                                     
          Processor        CX 6X86/IBM 6X86/CX 686MX/IBM 6X86MX/AM K5/   
                                                                         
                           AM K6/Pentium/Pentium MMX                     
          Processor Speed  90/100/120/133/150/166/200/233/266/300MHz     
          Chip Set         SIS                                           
          Video Chip Set   None                                          
          Maximum Onboard  768MB (EDO & SDRAM supported)                 
          Memory           
          Maximum Video    None                                          
          Memory           
          Cache            512/1024KB                                    
          BIOS             Unidentified                                  
          Dimensions       305mm x 244mm                                 
          I/O Options      32-bit PCI slots (3), floppy drive interface, 
                           green PC connector, IDE interfaces (2),       
                           parallel port, PS/2 mouse port, serial ports  
                           (2), IR connector, USB connectors (2), ATX    
                           power connector, AGP slot                     
          NPU Options      None                                          
       
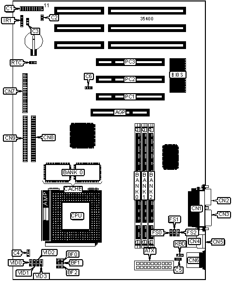
   IMG IMG 1
          
       
          +------------------------------------------------------------+
          |                        CONNECTIONS                         |
          |------------------------------------------------------------|
          | Purpose        |  Location  | Purpose          | Location  |
          |----------------+------------+------------------+-----------|
          | AGP slot       |    AGP     | Wake on LAN      |    C6     |
          |                |            | connector        |           |
          |----------------+------------+------------------+-----------|
          | ATX power      |    ATX     | Parallel port    |    CN1    |
          | connector      |            |                  |           |
          |----------------+------------+------------------+-----------|
          | Power LED &    | C1/pins 1  | Serial port 2    |    CN2    |
          | keylock        |    - 5     |                  |           |
          |----------------+------------+------------------+-----------|
          | Speaker        | C1/pins 7  | Serial port 1    |    CN3    |
          |                |    - 10    |                  |           |
          |----------------+------------+------------------+-----------|
          | Message LED    | C1/pins 12 | USB connector 1  |    CN4    |
          |                |    & 13    |                  |           |
          |----------------+------------+------------------+-----------|
          | Green PC       | C1/pins 14 | USB connector 2  |    CN5    |
          | connector      |    & 15    |                  |           |
          |----------------+------------+------------------+-----------|
          | Soft off power | C1/pins 16 | PS/2 mouse port  |    CN6    |
          | supply         |    & 17    |                  |           |
          |----------------+------------+------------------+-----------|
          | Reset switch   | C1/pins 19 | Floppy drive     |    CN7    |
          |                |    & 20    | interface        |           |
          |----------------+------------+------------------+-----------|
          | IDE interface  |     C2     | IDE interface 2  |    CN8    |
          | LED            |            |                  |           |
          |----------------+------------+------------------+-----------|
          | Chassis fan    |     C3     | IDE interface 1  |    CN9    |
          | power          |            |                  |           |
          |----------------+------------+------------------+-----------|
          | CPU fan power  |     C4     | IR connector     |    IR1    |
          |----------------+------------+------------------+-----------|
          | Chassis fan    |     C5     | 32-bit PCI slots | PC1 – PC3 |
          | power          |            |                  |           |
          +------------------------------------------------------------+
       
          +------------------------------------------------------------+
          |                 USER CONFIGURABLE SETTINGS                 |
          |------------------------------------------------------------|
          |             Function             | Label |    Position     |
          |----------------------------------+-------+-----------------|
          | » | Keyboard power select 5v     |  KBD  |   Pins 1 & 2    |
          |   |                              |       |     closed      |
          |---+------------------------------+-------+-----------------|
          |   | Keyboard power select 5v SB  |  KBD  |   Pins 2 & 3    |
          |   |                              |       |     closed      |
          |---+------------------------------+-------+-----------------|
          | » | CMOS memory normal operation |  RTC  |   Pins 1 & 2    |
          |   |                              |       |     closed      |
          |---+------------------------------+-------+-----------------|
          |   | CMOS memory clear            |  RTC  |   Pins 2 & 3    |
          |   |                              |       |     closed      |
          +------------------------------------------------------------+
       
          +------------------------------------------------------------+
          |                     DIMM CONFIGURATION                     |
          |------------------------------------------------------------|
          |    Size    |    Bank 0     |    Bank 1     |    Bank 2     |
          |------------+---------------+---------------+---------------|
          |    8MB     |  (1) 1M x 64  |     None      |     None      |
          |------------+---------------+---------------+---------------|
          |    16MB    |  (1) 1M x 64  |  (1) 1M x 64  |     None      |
          |------------+---------------+---------------+---------------|
          |    16MB    |  (1) 2M x 64  |     None      |     None      |
          |------------+---------------+---------------+---------------|
          |    24MB    |  (1) 1M x 64  |  (1) 1M x 64  |  (1) 1M x 64  |
          |------------+---------------+---------------+---------------|
          |    32MB    |  (1) 2M x 64  |  (1) 2M x 64  |     None      |
          |------------+---------------+---------------+---------------|
          |    32MB    |  (1) 4M x 64  |     None      |     None      |
          |------------+---------------+---------------+---------------|
          |    48MB    |  (1) 2M x 64  |  (1) 2M x 64  |  (1) 2M x 64  |
          |------------+---------------+---------------+---------------|
          |    64MB    |  (1) 4M x 64  |  (1) 4M x 64  |     None      |
          |------------+---------------+---------------+---------------|
          |    64MB    |  (1) 8M x 64  |     None      |     None      |
          |------------+---------------+---------------+---------------|
          |    96MB    |  (1) 4M x 64  |  (1) 4M x 64  |  (1) 4M x 64  |
          |------------+---------------+---------------+---------------|
          |   128MB    |  (1) 8M x 64  |  (1) 8M x 64  |     None      |
          |------------+---------------+---------------+---------------|
          |   128MB    | (1) 16M x 64  |     None      |     None      |
          |------------+---------------+---------------+---------------|
          |   136MB    | (1) 16M x 64  |  (1) 1M x 64  |     None      |
          |------------+---------------+---------------+---------------|
          |   144MB    | (1) 16M x 64  |  (1) 1M x 64  |  (1) 1M x 64  |
          |------------+---------------+---------------+---------------|
          |   144MB    | (1) 16M x 64  |  (1) 2M x 64  |     None      |
          +------------------------------------------------------------+
       
          +------------------------------------------------------------+
          |                 DIMM CONFIGURATION (CON’T)                 |
          |------------------------------------------------------------|
          |    Size    |    Bank 0     |    Bank 1     |    Bank 2     |
          |------------+---------------+---------------+---------------|
          |   160MB    | (1) 16M x 64  |  (1) 2M x 64  |  (1) 2M x 64  |
          |------------+---------------+---------------+---------------|
          |   160MB    | (1) 16M x 64  |  (1) 4M x 64  |     None      |
          |------------+---------------+---------------+---------------|
          |   192MB    | (1) 16M x 64  |  (1) 4M x 64  |  (1) 4M x 64  |
          |------------+---------------+---------------+---------------|
          |   192MB    | (1) 16M x 64  |  (1) 8M x 64  |     None      |
          |------------+---------------+---------------+---------------|
          |   192MB    |  (1) 8M x 64  |  (1) 8M x 64  |  (1) 8M x 64  |
          |------------+---------------+---------------+---------------|
          |   256MB    | (1) 16M x 64  |  (1) 8M x 64  |  (1) 8M x 64  |
          |------------+---------------+---------------+---------------|
          |   256MB    | (1) 16M x 64  | (1) 16M x 64  |     None      |
          |------------+---------------+---------------+---------------|
          |   256MB    | (1) 32M x 64  |     None      |     None      |
          |------------+---------------+---------------+---------------|
          |   264MB    | (1) 32M x 64  |  (1) 1M x 64  |     None      |
          |------------+---------------+---------------+---------------|
          |   272MB    | (1) 32M x 64  |  (1) 1M x 64  |  (1) 1M x 64  |
          |------------+---------------+---------------+---------------|
          |   272MB    | (1) 32M x 64  |  (1) 2M x 64  |     None      |
          |------------+---------------+---------------+---------------|
          |   288MB    | (1) 32M x 64  |  (1) 2M x 64  |  (1) 2M x 64  |
          |------------+---------------+---------------+---------------|
          |   288MB    | (1) 32M x 64  |  (1) 4M x 64  |     None      |
          |------------+---------------+---------------+---------------|
          |   320MB    | (1) 32M x 64  |  (1) 4M x 64  |  (1) 4M x 64  |
          |------------+---------------+---------------+---------------|
          |   320MB    | (1) 32M x 64  |  (1) 8M x 64  |     None      |
          |------------+---------------+---------------+---------------|
          |   384MB    | (1) 32M x 64  |  (1) 8M x 64  |  (1) 8M x 64  |
          |------------+---------------+---------------+---------------|
          |   384MB    | (1) 32M x 64  | (1) 16M x 64  |     None      |
          |------------+---------------+---------------+---------------|
          |   384MB    | (1) 16M x 64  | (1) 16M x 64  | (1) 16M x 64  |
          |------------+---------------+---------------+---------------|
          |   512MB    | (1) 32M x 64  | (1) 16M x 64  | (1) 16M x 64  |
          |------------+---------------+---------------+---------------|
          |   512MB    | (1) 32M x 64  | (1) 32M x 64  |     None      |
          |------------+---------------+---------------+---------------|
          |   768MB    | (1) 32M x 64  | (1) 32M x 64  | (1) 32M x 64  |
          |------------------------------------------------------------|
          | Note: Board accepts EDO & SDRAM memory.                    |
          +------------------------------------------------------------+
       
          +------------------------------------------------------------+
          |                    CACHE CONFIGURATION                     |
          |------------------------------------------------------------|
          |            Size            |            Bank 0             |
          |----------------------------+-------------------------------|
          |           512KB            |         (2) 64K x 32          |
          |----------------------------+-------------------------------|
          |            1MB             |         (2) 128K x 32         |
          +------------------------------------------------------------+
       
          +------------------------------------------------------------+
          |               CPU SPEED SELECTION (CX 6X86)                |
          |------------------------------------------------------------|
          |  CPU  | Clock  |Multiplier| BF0 | BF1 | BF2 |FS0 |FS1 |FS2 |
          | speed | speed  |          |     |     |     |    |    |    |
          |-------+--------+----------+-----+-----+-----+----+----+----|
          |166MHz | 66MHz  |    2x    |2 & 3|1 & 2|1 & 2|1 & |2 & |2 & |
          |       |        |          |     |     |     | 2  | 3  | 3  |
          |------------------------------------------------------------|
          |Note: Pins designated should be in the closed position.     |
          +------------------------------------------------------------+
       
          +------------------------------------------------------------+
          |               CPU SPEED SELECTION (IBM 6X86)               |
          |------------------------------------------------------------|
          |  CPU  | Clock  |Multiplier| BF0 | BF1 | BF2 |FS0 |FS1 |FS2 |
          | speed | speed  |          |     |     |     |    |    |    |
          |-------+--------+----------+-----+-----+-----+----+----+----|
          |166MHz | 66MHz  |    2x    |2 & 3|1 & 2|1 & 2|1 & |2 & |2 & |
          |       |        |          |     |     |     | 2  | 3  | 3  |
          |------------------------------------------------------------|
          |Note: Pins designated should be in the closed position.     |
          +------------------------------------------------------------+
       
          +------------------------------------------------------------+
          |              CPU SPEED SELECTION (CX 6X86MX)               |
          |------------------------------------------------------------|
          |  CPU  | Clock  |Multiplier| BF0 | BF1 | BF2 |FS0 |FS1 |FS2 |
          | speed | speed  |          |     |     |     |    |    |    |
          |-------+--------+----------+-----+-----+-----+----+----+----|
          |166MHz | 60MHz  |   2.5x   |2 & 3|2 & 3|1 & 2|2 & |2 & |2 & |
          |       |        |          |     |     |     | 3  | 3  | 3  |
          |-------+--------+----------+-----+-----+-----+----+----+----|
          |200MHz | 66MHz  |   2.5x   |2 & 3|2 & 3|1 & 2|1 & |2 & |2 & |
          |       |        |          |     |     |     | 2  | 3  | 3  |
          |-------+--------+----------+-----+-----+-----+----+----+----|
          |233MHz | 66MHz  |    3x    |1 & 2|2 & 3|1 & 2|1 & |2 & |2 & |
          |       |        |          |     |     |     | 2  | 3  | 3  |
          |------------------------------------------------------------|
          |Note: Pins designated should be in the closed position.     |
          +------------------------------------------------------------+
       
          +------------------------------------------------------------+
          |              CPU SPEED SELECTION (IBM 6X86MX)              |
          |------------------------------------------------------------|
          |  CPU  | Clock  |Multiplier| BF0 | BF1 | BF2 |FS0 |FS1 |FS2 |
          | speed | speed  |          |     |     |     |    |    |    |
          |-------+--------+----------+-----+-----+-----+----+----+----|
          |166MHz | 60MHz  |   2.5x   |2 & 3|2 & 3|1 & 2|2 & |2 & |2 & |
          |       |        |          |     |     |     | 3  | 3  | 3  |
          |-------+--------+----------+-----+-----+-----+----+----+----|
          |200MHz | 66MHz  |   2.5x   |2 & 3|2 & 3|1 & 2|1 & |2 & |2 & |
          |       |        |          |     |     |     | 2  | 3  | 3  |
          |-------+--------+----------+-----+-----+-----+----+----+----|
          |233MHz | 66MHz  |    3x    |1 & 2|2 & 3|1 & 2|1 & |2 & |2 & |
          |       |        |          |     |     |     | 2  | 3  | 3  |
          |------------------------------------------------------------|
          |Note: Pins designated should be in the closed position.     |
          +------------------------------------------------------------+
       
          +------------------------------------------------------------+
          |                CPU SPEED SELECTION (AM K5)                 |
          |------------------------------------------------------------|
          |  CPU  | Clock  |Multiplier| BF0 | BF1 | BF2 |FS0 |FS1 |FS2 |
          | speed | speed  |          |     |     |     |    |    |    |
          |-------+--------+----------+-----+-----+-----+----+----+----|
          | 90MHz | 60MHz  |   1.5x   |1 & 2|1 & 2|1 & 2|2 & |2 & |2 & |
          |       |        |          |     |     |     | 3  | 3  | 3  |
          |-------+--------+----------+-----+-----+-----+----+----+----|
          |100MHz | 66MHz  |   1.5x   |1 & 2|1 & 2|1 & 2|1 & |2 & |2 & |
          |       |        |          |     |     |     | 2  | 3  | 3  |
          |-------+--------+----------+-----+-----+-----+----+----+----|
          |120MHz | 60MHz  |   1.5x   |1 & 2|1 & 2|1 & 2|2 & |2 & |2 & |
          |       |        |          |     |     |     | 3  | 3  | 3  |
          |-------+--------+----------+-----+-----+-----+----+----+----|
          |133MHz | 66MHz  |   1.5x   |1 & 2|1 & 2|1 & 2|1 & |2 & |2 & |
          |       |        |          |     |     |     | 2  | 3  | 3  |
          |------------------------------------------------------------|
          |Note: Pins designated should be in the closed position.     |
          +------------------------------------------------------------+
       
          +------------------------------------------------------------+
          |                CPU SPEED SELECTION (AM K6)                 |
          |------------------------------------------------------------|
          |  CPU  | Clock  |Multiplier| BF0 | BF1 | BF2 |FS0 |FS1 |FS2 |
          | speed | speed  |          |     |     |     |    |    |    |
          |-------+--------+----------+-----+-----+-----+----+----+----|
          |166MHz | 66MHz  |   2.5x   |2 & 3|2 & 3|1 & 2|1 & |2 & |2 & |
          |       |        |          |     |     |     | 2  | 3  | 3  |
          |-------+--------+----------+-----+-----+-----+----+----+----|
          |200MHz | 66MHz  |    3x    |1 & 2|2 & 3|1 & 2|1 & |2 & |2 & |
          |       |        |          |     |     |     | 2  | 3  | 3  |
          |-------+--------+----------+-----+-----+-----+----+----+----|
          |233MHz | 66MHz  |   3.5x   |1 & 2|1 & 2|1 & 2|1 & |2 & |2 & |
          |       |        |          |     |     |     | 2  | 3  | 3  |
          |-------+--------+----------+-----+-----+-----+----+----+----|
          |266MHz | 66MHz  |    4x    |2 & 3|1 & 2|2 & 3|1 & |2 & |2 & |
          |       |        |          |     |     |     | 2  | 3  | 3  |
          |-------+--------+----------+-----+-----+-----+----+----+----|
          |300MHz | 66MHz  |   4.5x   |2 & 3|2 & 3|2 & 3|1 & |2 & |2 & |
          |       |        |          |     |     |     | 2  | 3  | 3  |
          |------------------------------------------------------------|
          |Note: Pins designated should be in the closed position.     |
          +------------------------------------------------------------+
       
          +------------------------------------------------------------+
          |                CPU SPEED SELECTION (INTEL)                 |
          |------------------------------------------------------------|
          |  CPU  | Clock  |Multiplier| BF0 | BF1 | BF2 |FS0 |FS1 |FS2 |
          | speed | speed  |          |     |     |     |    |    |    |
          |-------+--------+----------+-----+-----+-----+----+----+----|
          | 90MHz | 60MHz  |   1.5x   |1 & 2|1 & 2|1 & 2|2 & |2 & |2 & |
          |       |        |          |     |     |     | 3  | 3  | 3  |
          |-------+--------+----------+-----+-----+-----+----+----+----|
          |100MHz | 66MHz  |   1.5x   |1 & 2|1 & 2|1 & 2|1 & |2 & |2 & |
          |       |        |          |     |     |     | 2  | 3  | 3  |
          |-------+--------+----------+-----+-----+-----+----+----+----|
          |120MHz | 60MHz  |    2x    |2 & 3|1 & 2|1 & 2|2 & |2 & |2 & |
          |       |        |          |     |     |     | 3  | 3  | 3  |
          |-------+--------+----------+-----+-----+-----+----+----+----|
          |133MHz | 66MHz  |    2x    |2 & 3|1 & 2|1 & 2|1 & |2 & |2 & |
          |       |        |          |     |     |     | 2  | 3  | 3  |
          |-------+--------+----------+-----+-----+-----+----+----+----|
          |150MHz | 60MHz  |   2.5x   |2 & 3|2 & 3|1 & 2|2 & |2 & |2 & |
          |       |        |          |     |     |     | 3  | 3  | 3  |
          |-------+--------+----------+-----+-----+-----+----+----+----|
          |166MHz | 66MHz  |   2.5x   |2 & 3|2 & 3|1 & 2|1 & |2 & |2 & |
          |       |        |          |     |     |     | 2  | 3  | 3  |
          |------------------------------------------------------------|
          |Note: Pins designated should be in the closed position.     |
          +------------------------------------------------------------+
       
          +------------------------------------------------------------+
          |              CPU SPEED SELECTION (INTEL MMX)               |
          |------------------------------------------------------------|
          |  CPU  | Clock  |Multiplier| BF0 | BF1 | BF2 |FS0 |FS1 |FS2 |
          | speed | speed  |          |     |     |     |    |    |    |
          |-------+--------+----------+-----+-----+-----+----+----+----|
          |166MHz | 66MHz  |   2.5x   |2 & 3|2 & 3|1 & 2|1 & |2 & |2 & |
          |       |        |          |     |     |     | 2  | 3  | 3  |
          |-------+--------+----------+-----+-----+-----+----+----+----|
          |200MHz | 66MHz  |    3x    |1 & 2|2 & 3|1 & 2|1 & |2 & |2 & |
          |       |        |          |     |     |     | 2  | 3  | 3  |
          |-------+--------+----------+-----+-----+-----+----+----+----|
          |233MHz | 66MHz  |   3.5x   |1 & 2|1 & 2|1 & 2|1 & |2 & |2 & |
          |       |        |          |     |     |     | 2  | 3  | 3  |
          |------------------------------------------------------------|
          |Note: Pins designated should be in the closed position.     |
          +------------------------------------------------------------+
       
          +------------------------------------------------------------+
          |               CPU VOLTAGE SELECTION (SINGLE)               |
          |------------------------------------------------------------|
          | Voltage |    VID0    |    VID1    |    VID2    |   VID3    |
          |---------+------------+------------+------------+-----------|
          |  3.4v   | Pins 2 & 3 | Pins 1 & 2 | Pins 1 & 2 | Pins 1 &  |
          |         |   closed   |   closed   |   closed   | 2 closed  |
          |---------+------------+------------+------------+-----------|
          |  3.5v   | Pins 1 & 2 | Pins 1 & 2 | Pins 1 & 2 | Pins 1 &  |
          |         |   closed   |   closed   |   closed   | 2 closed  |
          +------------------------------------------------------------+
       
          +------------------------------------------------------------+
          |                CPU VOLTAGE SELECTION (DUAL)                |
          |------------------------------------------------------------|
          | Voltage |    VID0    |    VID1    |    VID2    |   VID3    |
          |---------+------------+------------+------------+-----------|
          |  2.2v   | Pins 2 & 3 | Pins 2 & 3 | Pins 1 & 2 | Pins 2 &  |
          |         |   closed   |   closed   |   closed   | 3 closed  |
          |---------+------------+------------+------------+-----------|
          |  2.8v   | Pins 2 & 3 | Pins 2 & 3 | Pins 2 & 3 | Pins 1 &  |
          |         |   closed   |   closed   |   closed   | 2 closed  |
          |---------+------------+------------+------------+-----------|
          |  2.9v   | Pins 1 & 2 | Pins 2 & 3 | Pins 2 & 3 | Pins 1 &  |
          |         |   closed   |   closed   |   closed   | 2 closed  |
          |---------+------------+------------+------------+-----------|
          |  3.2v   | Pins 2 & 3 | Pins 2 & 3 | Pins 1 & 2 | Pins 1 &  |
          |         |   closed   |   closed   |   closed   | 2 closed  |
          +------------------------------------------------------------+