URI: 
  TEXT View Source
       
       # ASUS COMPUTER INTERNATIONAL
       
          SP97-XV (REV. 1.02)
       
          Device Type      Mainboard                                     
          Processor        CX 6X86/IBM 6X86/CX 686MX/IBM 6X86MX/AM K5/   
                                                                         
                           AM K6/Pentium/Pentium MMX                     
          Processor Speed  75/90/100/120/133/150/166/200/233MHz          
          Chip Set         SIS                                           
          Video Chip Set   None                                          
          Maximum Onboard  256MB (EDO & SDRAM supported)                 
          Memory           
          Cache            512KB                                         
          BIOS             Unidentified                                  
          Dimensions       305mm x 244mm                                 
          I/O Options      32-bit PCI slots (4), floppy drive interface, 
                           green PC connector, IDE interfaces (2),       
                           parallel port, PS/2 mouse port, serial ports  
                           (2), IR connector, USB connectors (2), ATX    
                           power connector                               
          NPU Options      None                                          
       
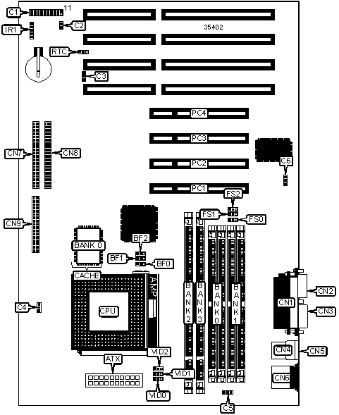
   IMG IMG 1
          
       
          +------------------------------------------------------------+
          |                        CONNECTIONS                         |
          |------------------------------------------------------------|
          | Purpose        |  Location   | Purpose          | Location |
          |----------------+-------------+------------------+----------|
          | ATX power      |     ATX     | Parallel port    |   CN1    |
          | connector      |             |                  |          |
          |----------------+-------------+------------------+----------|
          | Power LED &    | C1/pins 1 - | Serial port 2    |   CN2    |
          | keylock        |      5      |                  |          |
          |----------------+-------------+------------------+----------|
          | Speaker        | C1/pins 7 - | Serial port 1    |   CN3    |
          |                |     10      |                  |          |
          |----------------+-------------+------------------+----------|
          | Message LED    | C1/pins 12  | USB connector 1  |   CN4    |
          |                |    & 13     |                  |          |
          |----------------+-------------+------------------+----------|
          | Green PC       | C1/pins 14  | USB connector 2  |   CN5    |
          | connector      |    & 15     |                  |          |
          |----------------+-------------+------------------+----------|
          | Soft off power | C1/pins 16  | PS/2 mouse port  |   CN6    |
          | supply         |    & 17     |                  |          |
          |----------------+-------------+------------------+----------|
          | Reset switch   | C1/pins 19  | IDE interface 2  |   CN7    |
          |                |    & 20     |                  |          |
          |----------------+-------------+------------------+----------|
          | IDE interface  |     C2      | IDE interface 1  |   CN8    |
          | LED            |             |                  |          |
          |----------------+-------------+------------------+----------|
          | Chassis fan    |     C3      | Floppy drive     |   CN9    |
          | power          |             | interface        |          |
          |----------------+-------------+------------------+----------|
          | CPU fan power  |     C4      | IR connector     |   IR1    |
          |----------------+-------------+------------------+----------|
          | Fan power      |     C5      | 32-bit PCI slots |  PC1 –   |
          |                |             |                  |   PC4    |
          |----------------+-------------+------------------+----------|
          | Wake on LAN    |     C6      |                  |          |
          | connector      |             |                  |          |
          +------------------------------------------------------------+
       
          +------------------------------------------------------------+
          |                 USER CONFIGURABLE SETTINGS                 |
          |------------------------------------------------------------|
          |             Function             | Label |    Position     |
          |----------------------------------+-------+-----------------|
          | » | CMOS memory normal operation |  RTC  |   Pins 1 & 2    |
          |   |                              |       |     closed      |
          |---+------------------------------+-------+-----------------|
          |   | CMOS memory clear            |  RTC  |   Pins 2 & 3    |
          |   |                              |       |     closed      |
          +------------------------------------------------------------+
       
          +------------------------------------------------------------+
          |                     SIMM CONFIGURATION                     |
          |------------------------------------------------------------|
          |       Size       |       Bank 0       |       Bank 1       |
          |------------------+--------------------+--------------------|
          |       8MB        |    (2) 1M x 36     |        None        |
          |------------------+--------------------+--------------------|
          |       16MB       |    (2) 2M x 36     |        None        |
          |------------------+--------------------+--------------------|
          |       16MB       |    (2) 1M x 36     |    (2) 1M x 36     |
          |------------------+--------------------+--------------------|
          |       24MB       |    (2) 2M x 36     |    (2) 1M x 36     |
          |------------------+--------------------+--------------------|
          |       32MB       |    (2) 4M x 36     |        None        |
          |------------------+--------------------+--------------------|
          |       32MB       |    (2) 2M x 36     |    (2) 2M x 36     |
          |------------------+--------------------+--------------------|
          |       40MB       |    (2) 4M x 36     |    (2) 1M x 36     |
          |------------------+--------------------+--------------------|
          |       48MB       |    (2) 4M x 36     |    (2) 2M x 36     |
          |------------------+--------------------+--------------------|
          |       64MB       |    (2) 8M x 36     |        None        |
          |------------------+--------------------+--------------------|
          |       64MB       |    (2) 4M x 36     |    (2) 4M x 36     |
          |------------------+--------------------+--------------------|
          |       72MB       |    (2) 8M x 36     |    (2) 1M x 36     |
          |------------------+--------------------+--------------------|
          |       80MB       |    (2) 8M x 36     |    (2) 2M x 36     |
          |------------------+--------------------+--------------------|
          |       96MB       |    (2) 8M x 36     |    (2) 4M x 36     |
          |------------------+--------------------+--------------------|
          |      128MB       |    (2) 8M x 36     |    (2) 8M x 36     |
          |------------------+--------------------+--------------------|
          |      128MB       |    (2) 16M x 36    |        None        |
          |------------------+--------------------+--------------------|
          |      136MB       |    (2) 16M x 36    |    (2) 1M x 36     |
          +------------------------------------------------------------+
       
          +------------------------------------------------------------+
          |                 SIMM CONFIGURATION (CON’T)                 |
          |------------------------------------------------------------|
          |       Size       |       Bank 0       |       Bank 1       |
          |------------------+--------------------+--------------------|
          |      144MB       |    (2) 16M x 36    |    (2) 2M x 36     |
          |------------------+--------------------+--------------------|
          |      160MB       |    (2) 16M x 36    |    (2) 4M x 36     |
          |------------------+--------------------+--------------------|
          |      192MB       |    (2) 16M x 36    |    (2) 8M x 36     |
          |------------------+--------------------+--------------------|
          |      256MB       |    (2) 16M x 36    |    (2) 16M x 36    |
          |------------------------------------------------------------|
          | Note: Board accepts EDO memory.                            |
          +------------------------------------------------------------+
       
          +------------------------------------------------------------+
          |                     DIMM CONFIGURATION                     |
          |------------------------------------------------------------|
          |       Size       |       Bank 2       |       Bank 3       |
          |------------------+--------------------+--------------------|
          |       8MB        |    (1) 1M x 64     |        None        |
          |------------------+--------------------+--------------------|
          |       16MB       |    (1) 2M x 64     |        None        |
          |------------------+--------------------+--------------------|
          |       16MB       |    (1) 1M x 64     |    (1) 1M x 64     |
          |------------------+--------------------+--------------------|
          |       24MB       |    (1) 2M x 64     |    (1) 1M x 64     |
          |------------------+--------------------+--------------------|
          |       32MB       |    (1) 4M x 64     |        None        |
          |------------------+--------------------+--------------------|
          |       32MB       |    (1) 2M x 64     |    (1) 2M x 64     |
          |------------------+--------------------+--------------------|
          |       40MB       |    (1) 4M x 64     |    (1) 1M x 64     |
          |------------------+--------------------+--------------------|
          |       48MB       |    (1) 4M x 64     |    (1) 2M x 64     |
          |------------------+--------------------+--------------------|
          |       64MB       |    (1) 8M x 64     |        None        |
          |------------------+--------------------+--------------------|
          |       64MB       |    (1) 4M x 64     |    (1) 4M x 64     |
          |------------------+--------------------+--------------------|
          |       72MB       |    (1) 8M x 64     |    (1) 1M x 64     |
          |------------------+--------------------+--------------------|
          |       80MB       |    (1) 8M x 64     |    (1) 2M x 64     |
          |------------------+--------------------+--------------------|
          |       96MB       |    (1) 8M x 64     |    (1) 4M x 64     |
          |------------------+--------------------+--------------------|
          |      128MB       |    (1) 8M x 64     |    (1) 8M x 64     |
          |------------------------------------------------------------|
          | Note: Board accepts EDO & SDRAM memory.                    |
          +------------------------------------------------------------+
       
          +------------------------------------------------------------+
          |                    CACHE CONFIGURATION                     |
          |------------------------------------------------------------|
          |            Size            |            Bank 0             |
          |----------------------------+-------------------------------|
          |           512KB            |         (1) 64K x 64          |
          +------------------------------------------------------------+
       
          +------------------------------------------------------------+
          |               CPU SPEED SELECTION (CX 6X86)                |
          |------------------------------------------------------------|
          |  CPU  | Clock  |Multiplier| BF0 | BF1 |BF2 | FS0 |FS1 |FS2 |
          | speed | speed  |          |     |     |    |     |    |    |
          |-------+--------+----------+-----+-----+----+-----+----+----|
          |166MHz | 66MHz  |    2x    |2 & 3|1 & 2|Open|2 & 3|1 & |2 & |
          |       |        |          |     |     |    |     | 2  | 3  |
          |------------------------------------------------------------|
          |Note: Pins designated should be in the closed position.     |
          +------------------------------------------------------------+
       
          +------------------------------------------------------------+
          |               CPU SPEED SELECTION (IBM 6X86)               |
          |------------------------------------------------------------|
          |  CPU  | Clock  |Multiplier| BF0 | BF1 |BF2 | FS0 |FS1 |FS2 |
          | speed | speed  |          |     |     |    |     |    |    |
          |-------+--------+----------+-----+-----+----+-----+----+----|
          |166MHz | 66MHz  |    2x    |2 & 3|1 & 2|Open|2 & 3|1 & |2 & |
          |       |        |          |     |     |    |     | 2  | 3  |
          |------------------------------------------------------------|
          |Note: Pins designated should be in the closed position.     |
          +------------------------------------------------------------+
       
          +------------------------------------------------------------+
          |              CPU SPEED SELECTION (CX 6X86MX)               |
          |------------------------------------------------------------|
          |  CPU  | Clock  |Multiplier| BF0 | BF1 |BF2 | FS0 |FS1 |FS2 |
          | speed | speed  |          |     |     |    |     |    |    |
          |-------+--------+----------+-----+-----+----+-----+----+----|
          |166MHz | 60MHz  |   2.5x   |2 & 3|2 & 3|Open|1 & 2|2 & |2 & |
          |       |        |          |     |     |    |     | 3  | 3  |
          |-------+--------+----------+-----+-----+----+-----+----+----|
          |200MHz | 66MHz  |   2.5x   |2 & 3|2 & 3|Open|2 & 3|1 & |2 & |
          |       |        |          |     |     |    |     | 2  | 3  |
          |-------+--------+----------+-----+-----+----+-----+----+----|
          |233MHz | 66MHz  |    3x    |1 & 2|2 & 3|Open|2 & 3|1 & |2 & |
          |       |        |          |     |     |    |     | 2  | 3  |
          |------------------------------------------------------------|
          |Note: Pins designated should be in the closed position.     |
          +------------------------------------------------------------+
       
          +------------------------------------------------------------+
          |              CPU SPEED SELECTION (IBM 6X86MX)              |
          |------------------------------------------------------------|
          |  CPU  | Clock  |Multiplier| BF0 | BF1 |BF2 | FS0 |FS1 |FS2 |
          | speed | speed  |          |     |     |    |     |    |    |
          |-------+--------+----------+-----+-----+----+-----+----+----|
          |166MHz | 60MHz  |   2.5x   |2 & 3|2 & 3|Open|1 & 2|2 & |2 & |
          |       |        |          |     |     |    |     | 3  | 3  |
          |-------+--------+----------+-----+-----+----+-----+----+----|
          |200MHz | 66MHz  |   2.5x   |2 & 3|2 & 3|Open|2 & 3|1 & |2 & |
          |       |        |          |     |     |    |     | 2  | 3  |
          |-------+--------+----------+-----+-----+----+-----+----+----|
          |233MHz | 66MHz  |    3x    |1 & 2|2 & 3|Open|2 & 3|1 & |2 & |
          |       |        |          |     |     |    |     | 2  | 3  |
          |------------------------------------------------------------|
          |Note: Pins designated should be in the closed position.     |
          +------------------------------------------------------------+
       
          +------------------------------------------------------------+
          |                CPU SPEED SELECTION (AM K5)                 |
          |------------------------------------------------------------|
          |  CPU  | Clock  |Multiplier| BF0 | BF1 |BF2 | FS0 |FS1 |FS2 |
          | speed | speed  |          |     |     |    |     |    |    |
          |-------+--------+----------+-----+-----+----+-----+----+----|
          | 75MHz | 50MHz  |   1.5x   |1 & 2|1 & 2|Open|2 & 3|2 & |2 & |
          |       |        |          |     |     |    |     | 3  | 3  |
          |-------+--------+----------+-----+-----+----+-----+----+----|
          | 90MHz | 60MHz  |   1.5x   |1 & 2|1 & 2|Open|1 & 2|2 & |2 & |
          |       |        |          |     |     |    |     | 3  | 3  |
          |-------+--------+----------+-----+-----+----+-----+----+----|
          |100MHz | 66MHz  |   1.5x   |1 & 2|1 & 2|Open|2 & 3|1 & |2 & |
          |       |        |          |     |     |    |     | 2  | 3  |
          |-------+--------+----------+-----+-----+----+-----+----+----|
          |120MHz | 60MHz  |   1.5x   |1 & 2|1 & 2|Open|1 & 2|2 & |2 & |
          |       |        |          |     |     |    |     | 3  | 3  |
          |-------+--------+----------+-----+-----+----+-----+----+----|
          |133MHz | 66MHz  |   1.5x   |1 & 2|1 & 2|Open|2 & 3|1 & |2 & |
          |       |        |          |     |     |    |     | 2  | 3  |
          |------------------------------------------------------------|
          |Note: Pins designated should be in the closed position.     |
          +------------------------------------------------------------+
       
          +------------------------------------------------------------+
          |                CPU SPEED SELECTION (AM K6)                 |
          |------------------------------------------------------------|
          |  CPU  | Clock  |Multiplier| BF0 | BF1 |BF2 | FS0 |FS1 |FS2 |
          | speed | speed  |          |     |     |    |     |    |    |
          |-------+--------+----------+-----+-----+----+-----+----+----|
          |166MHz | 66MHz  |   2.5x   |2 & 3|2 & 3|Open|2 & 3|1 & |2 & |
          |       |        |          |     |     |    |     | 2  | 3  |
          |-------+--------+----------+-----+-----+----+-----+----+----|
          |200MHz | 66MHz  |    3x    |1 & 2|2 & 3|Open|2 & 3|1 & |2 & |
          |       |        |          |     |     |    |     | 2  | 3  |
          |-------+--------+----------+-----+-----+----+-----+----+----|
          |233MHz | 66MHz  |   3.5x   |1 & 2|1 & 2|Open|2 & 3|1 & |2 & |
          |       |        |          |     |     |    |     | 2  | 3  |
          |------------------------------------------------------------|
          |Note: Pins designated should be in the closed position.     |
          +------------------------------------------------------------+
       
          +------------------------------------------------------------+
          |                CPU SPEED SELECTION (INTEL)                 |
          |------------------------------------------------------------|
          |  CPU  | Clock  |Multiplier| BF0 | BF1 |BF2 | FS0 |FS1 |FS2 |
          | speed | speed  |          |     |     |    |     |    |    |
          |-------+--------+----------+-----+-----+----+-----+----+----|
          | 75MHz | 50MHz  |   1.5x   |1 & 2|1 & 2|Open|2 & 3|2 & |2 & |
          |       |        |          |     |     |    |     | 3  | 3  |
          |-------+--------+----------+-----+-----+----+-----+----+----|
          | 90MHz | 60MHz  |   1.5x   |1 & 2|1 & 2|Open|1 & 2|2 & |2 & |
          |       |        |          |     |     |    |     | 3  | 3  |
          |-------+--------+----------+-----+-----+----+-----+----+----|
          |100MHz | 66MHz  |   1.5x   |1 & 2|1 & 2|Open|2 & 3|1 & |2 & |
          |       |        |          |     |     |    |     | 2  | 3  |
          |-------+--------+----------+-----+-----+----+-----+----+----|
          |120MHz | 60MHz  |    2x    |2 & 3|1 & 2|Open|1 & 2|2 & |2 & |
          |       |        |          |     |     |    |     | 3  | 3  |
          |-------+--------+----------+-----+-----+----+-----+----+----|
          |133MHz | 66MHz  |    2x    |2 & 3|1 & 2|Open|2 & 3|1 & |2 & |
          |       |        |          |     |     |    |     | 2  | 3  |
          |-------+--------+----------+-----+-----+----+-----+----+----|
          |150MHz | 60MHz  |   2.5x   |2 & 3|2 & 3|Open|1 & 2|2 & |2 & |
          |       |        |          |     |     |    |     | 3  | 3  |
          |-------+--------+----------+-----+-----+----+-----+----+----|
          |166MHz | 66MHz  |   2.5x   |2 & 3|2 & 3|Open|2 & 3|1 & |2 & |
          |       |        |          |     |     |    |     | 2  | 3  |
          |-------+--------+----------+-----+-----+----+-----+----+----|
          |200MHz | 66MHz  |    3x    |1 & 2|2 & 3|Open|2 & 3|1 & |2 & |
          |       |        |          |     |     |    |     | 2  | 3  |
          |------------------------------------------------------------|
          |Note: Pins designated should be in the closed position.     |
          +------------------------------------------------------------+
       
          +------------------------------------------------------------+
          |              CPU SPEED SELECTION (INTEL MMX)               |
          |------------------------------------------------------------|
          |  CPU  | Clock  |Multiplier| BF0 | BF1 |BF2 | FS0 |FS1 |FS2 |
          | speed | speed  |          |     |     |    |     |    |    |
          |-------+--------+----------+-----+-----+----+-----+----+----|
          |166MHz | 66MHz  |   2.5x   |2 & 3|2 & 3|Open|2 & 3|1 & |2 & |
          |       |        |          |     |     |    |     | 2  | 3  |
          |-------+--------+----------+-----+-----+----+-----+----+----|
          |200MHz | 66MHz  |    3x    |1 & 2|2 & 3|Open|2 & 3|1 & |2 & |
          |       |        |          |     |     |    |     | 2  | 3  |
          |-------+--------+----------+-----+-----+----+-----+----+----|
          |233MHz | 66MHz  |   3.5x   |1 & 2|1 & 2|Open|2 & 3|1 & |2 & |
          |       |        |          |     |     |    |     | 2  | 3  |
          |------------------------------------------------------------|
          |Note: Pins designated should be in the closed position.     |
          +------------------------------------------------------------+
       
          +------------------------------------------------------------+
          |               CPU VOLTAGE SELECTION (SINGLE)               |
          |------------------------------------------------------------|
          | Voltage |      VID0      |      VID1      |      VID2      |
          |---------+----------------+----------------+----------------|
          |  3.4v   |   Pins 2 & 3   |   Pins 2 & 3   |   Pins 2 & 3   |
          |         |     closed     |     closed     |     closed     |
          |---------+----------------+----------------+----------------|
          |  3.5v   |   Pins 1 & 2   |   Pins 2 & 3   |   Pins 2 & 3   |
          |         |     closed     |     closed     |     closed     |
          +------------------------------------------------------------+
       
          +------------------------------------------------------------+
          |                CPU VOLTAGE SELECTION (DUAL)                |
          |------------------------------------------------------------|
          | Voltage |      VID0      |      VID1      |      VID2      |
          |---------+----------------+----------------+----------------|
          |  2.1v   |   Pins 1 & 2   |   Pins 2 & 3   |   Pins 2 & 3   |
          |         |     closed     |     closed     |     closed     |
          |---------+----------------+----------------+----------------|
          |  2.8v   |   Pins 2 & 3   |   Pins 2 & 3   |   Pins 2 & 3   |
          |         |     closed     |     closed     |     closed     |
          |---------+----------------+----------------+----------------|
          |  2.9v   |   Pins 1 & 2   |   Pins 2 & 3   |   Pins 2 & 3   |
          |         |     closed     |     closed     |     closed     |
          |---------+----------------+----------------+----------------|
          |  3.2v   |   Pins 2 & 3   |   Pins 2 & 3   |   Pins 1 & 2   |
          |         |     closed     |     closed     |     closed     |
          +------------------------------------------------------------+