URI: 
  TEXT View Source
       
       # AVT INDUSTRIAL, LTD.
       
          586 GXM-AVX
       
          Device Type      Mainboard                                     
          Processor        CX GXM                                        
          Processor Speed  200/233/266MHz                                
          Chip Set         Cyrix                                         
          Video Chip Set   Unidentified                                  
          Maximum Onboard  128MB                                         
          Memory           
          Maximum Video    Unidentified                                  
          Memory           
          Cache            None                                          
          BIOS             Award                                         
          Dimensions       220mm x 220mm                                 
          I/O Options      32-bit PCI slots (2), floppy drive interface, 
                           game interface, IDE interfaces (2), parallel  
                           port, PS/2 mouse interface, serial ports (2), 
                           VGA interface, audio in – CD-ROMs (2),        
          NPU Options      None                                          
       
   IMG IMG 1
          
       
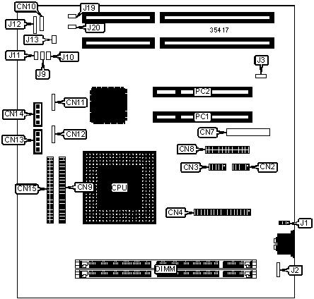
          +------------------------------------------------------------+
          |                        CONNECTIONS                         |
          |------------------------------------------------------------|
          | Purpose           | Location | Purpose          | Location |
          |-------------------+----------+------------------+----------|
          | Serial port 1     |   CN2    | Audio in –       |   CN14   |
          |                   |          | CD-ROM           |          |
          |-------------------+----------+------------------+----------|
          | Serial port 2     |   CN3    | IDE interface 2  |   CN15   |
          |-------------------+----------+------------------+----------|
          | Floppy drive      |   CN4    | PS/2 mouse       |    J2    |
          | interface         |          | interface        |          |
          |-------------------+----------+------------------+----------|
          | Video connector   |   CN7    | IDE interface    |    J9    |
          |                   |          | LED              |          |
          |-------------------+----------+------------------+----------|
          | Parallel port     |   CN8    | Reset switch     |   J11    |
          |-------------------+----------+------------------+----------|
          | IDE interface 1   |   CN9    | Power LED &      |   J12    |
          |                   |          | keylock          |          |
          |-------------------+----------+------------------+----------|
          | Speaker           |   CN10   | Digital input    |   J19    |
          |                   |          | connector        |          |
          |-------------------+----------+------------------+----------|
          | Game interface    |   CN11   | Digital output   |   J20    |
          |                   |          | connector        |          |
          |-------------------+----------+------------------+----------|
          | Sound board       |   CN12   | 32-bit PCI slots |  PC1 –   |
          | connector         |          |                  |   PC2    |
          |-------------------+----------+------------------+----------|
          | Audio in – CD-ROM |   CN13   |                  |          |
          +------------------------------------------------------------+
       
          +------------------------------------------------------------+
          |                 USER CONFIGURABLE SETTINGS                 |
          |------------------------------------------------------------|
          |              Function               | Label |   Position   |
          |-------------------------------------+-------+--------------|
          | » | CMOS memory normal operation    |  J1   |  Pins 1 & 2  |
          |   |                                 |       |    closed    |
          |---+---------------------------------+-------+--------------|
          |   | CMOS memory clear               |  J1   |  Pins 2 & 3  |
          |   |                                 |       |    closed    |
          |---+---------------------------------+-------+--------------|
          | » | Factory configured - do not     |  J3   | Unidentified |
          |   | alter                           |       |              |
          |---+---------------------------------+-------+--------------|
          | » | Factory configured - do not     |  J10  | Unidentified |
          |   | alter                           |       |              |
          |---+---------------------------------+-------+--------------|
          | » | Factory configured - do not     |  J13  | Unidentified |
          |   | alter                           |       |              |
          +------------------------------------------------------------+
       
          +------------------------------------------------------------+
          |                     DIMM CONFIGURATION                     |
          |------------------------------------------------------------|
          |       Size       |       Bank 0       |       Bank 1       |
          |------------------+--------------------+--------------------|
          |       8MB        |    (1) 1M x 64     |        None        |
          |------------------+--------------------+--------------------|
          |       16MB       |    (1) 2M x 64     |        None        |
          |------------------+--------------------+--------------------|
          |       16MB       |    (1) 1M x 64     |    (1) 1M x 64     |
          |------------------+--------------------+--------------------|
          |       24MB       |    (1) 2M x 64     |    (1) 1M x 64     |
          |------------------+--------------------+--------------------|
          |       32MB       |    (1) 4M x 64     |        None        |
          |------------------+--------------------+--------------------|
          |       32MB       |    (1) 2M x 64     |    (1) 2M x 64     |
          |------------------+--------------------+--------------------|
          |       40MB       |    (1) 4M x 64     |    (1) 1M x 64     |
          |------------------+--------------------+--------------------|
          |       48MB       |    (1) 4M x 64     |    (1) 2M x 64     |
          |------------------+--------------------+--------------------|
          |       64MB       |    (1) 8M x 64     |        None        |
          |------------------+--------------------+--------------------|
          |       64MB       |    (1) 4M x 64     |    (1) 4M x 64     |
          |------------------+--------------------+--------------------|
          |       72MB       |    (1) 8M x 64     |    (1) 1M x 64     |
          |------------------+--------------------+--------------------|
          |       80MB       |    (1) 8M x 64     |    (1) 2M x 64     |
          |------------------+--------------------+--------------------|
          |       96MB       |    (1) 8M x 64     |    (1) 4M x 64     |
          |------------------+--------------------+--------------------|
          |      128MB       |    (1) 8M x 64     |    (1) 8M x 64     |
          +------------------------------------------------------------+