URI: 
  TEXT View Source
       
       # ACER, INC.
       
          AX6LC
       
          Device Type      Mainboard                                     
          Processor        Pentium II                                    
          Processor Speed  233/266/300/333MHz                            
          Chip Set         Intel                                         
          Video Chip Set   None                                          
          Maximum Onboard  768MB (EDO & SDRAM supported)                 
          Memory           
          Maximum Video    None                                          
          Memory           
          Cache            256/512KB (located on Pentium II CPU)         
          BIOS             Award                                         
          Dimensions       305mm x 202mm                                 
          I/O Options      32-bit PCI slots (5), floppy drive interface, 
                           IDE interfaces (2), parallel port, PS/2 mouse 
                           port, serial ports (2), IR connector, USB     
                           connectors (2), ATX power connector, AGP slot 
          NPU Options      None                                          
       
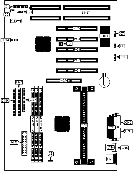
   IMG IMG 1
          
       
          +------------------------------------------------------------+
          |                        CONNECTIONS                         |
          |------------------------------------------------------------|
          | Purpose          | Location  | Purpose         | Location  |
          |------------------+-----------+-----------------+-----------|
          | AGP slot         |    AGP    | Parallel port   |    CN1    |
          |------------------+-----------+-----------------+-----------|
          | ATX power        |    ATX    | Serial port 2   |    CN2    |
          | connector        |           |                 |           |
          |------------------+-----------+-----------------+-----------|
          | Power LED &      | C1/pins 1 | Serial port 1   |    CN3    |
          | keylock          |    - 5    |                 |           |
          |------------------+-----------+-----------------+-----------|
          | Speaker          | C1/pins 7 | USB connector 1 |    CN4    |
          |                  |   - 10    |                 |           |
          |------------------+-----------+-----------------+-----------|
          | Reset switch     |  C1/pins  | USB connector 2 |    CN5    |
          |                  |  19 & 20  |                 |           |
          |------------------+-----------+-----------------+-----------|
          | Chassis fan      |    C2     | PS/2 mouse port |    CN6    |
          | power            |           |                 |           |
          |------------------+-----------+-----------------+-----------|
          | IDE interface    |    C3     | Floppy drive    |    CN7    |
          | LED              |           | interface       |           |
          |------------------+-----------+-----------------+-----------|
          | Soft off power   |    C4     | IDE interface 1 |    CN8    |
          | supply           |           |                 |           |
          |------------------+-----------+-----------------+-----------|
          | SB link          |    C5     | IDE interface 2 |    CN9    |
          | connector        |           |                 |           |
          |------------------+-----------+-----------------+-----------|
          | CPU fan power    |    C6     | IR connector    |    IR1    |
          |------------------+-----------+-----------------+-----------|
          | Wake on modem    |    C7     | 32-bit PCI      | PC1 - PC5 |
          | connector        |           | slots           |           |
          |------------------+-----------+-----------------+-----------|
          | Wake on LAN      |    C8     |                 |           |
          | connector        |           |                 |           |
          +------------------------------------------------------------+
       
          +------------------------------------------------------------+
          |                 USER CONFIGURABLE SETTINGS                 |
          |------------------------------------------------------------|
          |             Function             | Label |    Position     |
          |----------------------------------+-------+-----------------|
          | ยป | CMOS memory normal operation | JP14  |   Pins 1 & 2    |
          |   |                              |       |     closed      |
          |---+------------------------------+-------+-----------------|
          |   | CMOS memory clear            | JP14  |   Pins 2 & 3    |
          |   |                              |       |     closed      |
          +------------------------------------------------------------+
       
          +------------------------------------------------------------+
          |                     DIMM CONFIGURATION                     |
          |------------------------------------------------------------|
          |    Size    |    Bank 0     |    Bank 1     |    Bank 2     |
          |------------+---------------+---------------+---------------|
          |    8MB     |  (1) 1M x 64  |     None      |     None      |
          |------------+---------------+---------------+---------------|
          |    16MB    |  (1) 2M x 64  |     None      |     None      |
          |------------+---------------+---------------+---------------|
          |    16MB    |  (1) 1M x 64  |  (1) 1M x 64  |     None      |
          |------------+---------------+---------------+---------------|
          |    24MB    |  (1) 2M x 64  |  (1) 1M x 64  |     None      |
          |------------+---------------+---------------+---------------|
          |    24MB    |  (1) 1M x 64  |  (1) 1M x 64  |  (1) 1M x 64  |
          |------------+---------------+---------------+---------------|
          |    32MB    |  (1) 4M x 64  |     None      |     None      |
          |------------+---------------+---------------+---------------|
          |    32MB    |  (1) 2M x 64  |  (1) 1M x 64  |  (1) 1M x 64  |
          |------------+---------------+---------------+---------------|
          |    32MB    |  (1) 2M x 64  |  (1) 2M x 64  |     None      |
          |------------+---------------+---------------+---------------|
          |    40MB    |  (1) 4M x 64  |  (1) 1M x 64  |     None      |
          |------------+---------------+---------------+---------------|
          |    40MB    |  (1) 2M x 64  |  (1) 2M x 64  |  (1) 1M x 64  |
          |------------+---------------+---------------+---------------|
          |    48MB    |  (1) 4M x 64  |  (1) 1M x 64  |  (1) 1M x 64  |
          |------------+---------------+---------------+---------------|
          |    48MB    |  (1) 4M x 64  |  (1) 2M x 64  |     None      |
          |------------+---------------+---------------+---------------|
          |    48MB    |  (1) 2M x 64  |  (1) 2M x 64  |  (1) 2M x 64  |
          |------------+---------------+---------------+---------------|
          |    56MB    |  (1) 4M x 64  |  (1) 2M x 64  |  (1) 1M x 64  |
          |------------+---------------+---------------+---------------|
          |    64MB    |  (1) 8M x 64  |     None      |     None      |
          |------------+---------------+---------------+---------------|
          |    64MB    |  (1) 4M x 64  |  (1) 2M x 64  |  (1) 2M x 64  |
          |------------+---------------+---------------+---------------|
          |    64MB    |  (1) 4M x 64  |  (1) 4M x 64  |     None      |
          +------------------------------------------------------------+
       
          +------------------------------------------------------------+
          |                 DIMM CONFIGURATION (CON'T)                 |
          |------------------------------------------------------------|
          |   Size   |     Bank 0     |     Bank 1     |    Bank 2     |
          |----------+----------------+----------------+---------------|
          |   72MB   |  (1) 8M x 64   |  (1) 1M x 64   |     None      |
          |----------+----------------+----------------+---------------|
          |   72MB   |  (1) 4M x 64   |  (1) 4M x 64   |  (1) 1M x 64  |
          |----------+----------------+----------------+---------------|
          |   80MB   |  (1) 8M x 64   |  (1) 1M x 64   |  (1) 1M x 64  |
          |----------+----------------+----------------+---------------|
          |   80MB   |  (1) 8M x 64   |  (1) 2M x 64   |     None      |
          |----------+----------------+----------------+---------------|
          |   80MB   |  (1) 4M x 64   |  (1) 4M x 64   |  (1) 2M x 64  |
          |----------+----------------+----------------+---------------|
          |   88MB   |  (1) 8M x 64   |  (1) 2M x 64   |  (1) 1M x 64  |
          |----------+----------------+----------------+---------------|
          |   96MB   |  (1) 8M x 64   |  (1) 2M x 64   |  (1) 2M x 64  |
          |----------+----------------+----------------+---------------|
          |   96MB   |  (1) 8M x 64   |  (1) 4M x 64   |     None      |
          |----------+----------------+----------------+---------------|
          |   96MB   |  (1) 4M x 64   |  (1) 4M x 64   |  (1) 4M x 64  |
          |----------+----------------+----------------+---------------|
          |  104MB   |  (1) 8M x 64   |  (1) 4M x 64   |  (1) 1M x 64  |
          |----------+----------------+----------------+---------------|
          |  112MB   |  (1) 8M x 64   |  (1) 4M x 64   |  (1) 2M x 64  |
          |----------+----------------+----------------+---------------|
          |  128MB   |  (1) 16M x 64  |      None      |     None      |
          |----------+----------------+----------------+---------------|
          |  128MB   |  (1) 8M x 64   |  (1) 4M x 64   |  (1) 4M x 64  |
          |----------+----------------+----------------+---------------|
          |  128MB   |  (1) 8M x 64   |  (1) 8M x 64   |     None      |
          |----------+----------------+----------------+---------------|
          |  136MB   |  (1) 16M x 64  |  (1) 1M x 64   |     None      |
          |----------+----------------+----------------+---------------|
          |  136MB   |  (1) 8M x 64   |  (1) 8M x 64   |  (1) 1M x 64  |
          |----------+----------------+----------------+---------------|
          |  144MB   |  (1) 16M x 64  |  (1) 1M x 64   |  (1) 1M x 64  |
          |----------+----------------+----------------+---------------|
          |  144MB   |  (1) 16M x 64  |  (1) 2M x 64   |     None      |
          |----------+----------------+----------------+---------------|
          |  144MB   |  (1) 8M x 64   |  (1) 8M x 64   |  (1) 2M x 64  |
          |----------+----------------+----------------+---------------|
          |  152MB   |  (1) 16M x 64  |  (1) 2M x 64   |  (1) 1M x 64  |
          |----------+----------------+----------------+---------------|
          |  160MB   |  (1) 16M x 64  |  (1) 2M x 64   |  (1) 2M x 64  |
          |----------+----------------+----------------+---------------|
          |  160MB   |  (1) 16M x 64  |  (1) 4M x 64   |     None      |
          |----------+----------------+----------------+---------------|
          |  160MB   |  (1) 8M x 64   |  (1) 8M x 64   |  (1) 4M x 64  |
          |----------+----------------+----------------+---------------|
          |  168MB   |  (1) 16M x 64  |  (1) 4M x 64   |  (1) 1M x 64  |
          |----------+----------------+----------------+---------------|
          |  176MB   |  (1) 16M x 64  |  (1) 4M x 64   |  (1) 2M x 64  |
          |----------+----------------+----------------+---------------|
          |  192MB   |  (1) 16M x 64  |  (1) 4M x 64   |  (1) 4M x 64  |
          |----------+----------------+----------------+---------------|
          |  192MB   |  (1) 16M x 64  |  (1) 8M x 64   |     None      |
          |----------+----------------+----------------+---------------|
          |  192MB   |  (1) 8M x 64   |  (1) 8M x 64   |  (1) 8M x 64  |
          |----------+----------------+----------------+---------------|
          |  200MB   |  (1) 16M x 64  |  (1) 8M x 64   |  (1) 1M x 64  |
          |----------+----------------+----------------+---------------|
          |  208MB   |  (1) 16M x 64  |  (1) 8M x 64   |  (1) 2M x 64  |
          |----------+----------------+----------------+---------------|
          |  224MB   |  (1) 16M x 64  |  (1) 8M x 64   |  (1) 4M x 64  |
          |----------+----------------+----------------+---------------|
          |  256MB   |  (1) 16M x 64  |  (1) 8M x 64   |  (1) 8M x 64  |
          |----------+----------------+----------------+---------------|
          |  384MB   |  (1) 16M x 64  |  (1) 16M x 64  | (1) 16M x 64  |
          |----------+----------------+----------------+---------------|
          |  512MB   |  (1) 32M x 64  |  (1) 16M x 64  | (1) 16M x 64  |
          |----------+----------------+----------------+---------------|
          |  512MB   |  (1) 32M x 64  |  (1) 32M x 64  |     None      |
          |----------+----------------+----------------+---------------|
          |  768MB   |  (1) 32M x 64  |  (1) 32M x 64  | (1) 32M x 64  |
          |------------------------------------------------------------|
          |      Note: Board accepts EDO & SDRAM memory. Maximum SDRAM |
          |      is 384MB. Maximum EDO is 768MB.                       |
          +------------------------------------------------------------+
       
          +------------------------------------------------------------+
          |                    CACHE CONFIGURATION                     |
          |------------------------------------------------------------|
          | Note: 256KB/512KB cache is located on the Pentium II CPU.  |
          +------------------------------------------------------------+