URI: 
  TEXT View Source
       
       # ACER, INC.
       
          AX65
       
          Device Type     Mainboard                                      
          Processor       Pentium Pro                                    
          Processor Speed 150/166/180/200MHz                             
          Chip Set        Intel                                          
          Video Chip Set  None                                           
          Maximum Onboard 512MB (EDO supported)                          
          Memory          
          Maximum Video   None                                           
          Memory          
          Cache           256/512KB (located on Pentium Pro CPU)         
          BIOS            Award                                          
          Dimensions      305mm x 244mm                                  
          I/O Options     32-bit PCI slots (5), floppy drive interface,  
                          green PC connector, IDE interfaces (2),        
                          parallel port, PS/2 mouse port, serial ports   
                          (2), IR connector, USB interface, ATX power    
                          connector                                      
          NPU Options     None                                           
       
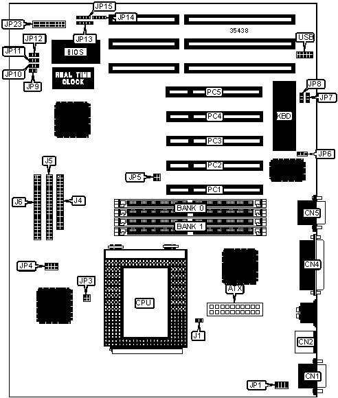
   IMG IMG 1
          
       
          +------------------------------------------------------------+
          |                        CONNECTIONS                         |
          |------------------------------------------------------------|
          | Purpose          | Location | Purpose        |  Location   |
          |------------------+----------+----------------+-------------|
          | ATX power        |   ATX    | IDE interface  |    JP15     |
          | connector        |          | LED            |             |
          |------------------+----------+----------------+-------------|
          | Serial port 1    |   CN1    | Soft off power | JP23/pins 1 |
          |                  |          | supply         |     & 2     |
          |------------------+----------+----------------+-------------|
          | PS/2 mouse port  |   CN2    | Power LED      | JP23/pins 3 |
          |                  |          |                |     - 5     |
          |------------------+----------+----------------+-------------|
          | Parallel port    |   CN4    | Speaker        | JP23/pins 7 |
          |                  |          |                |    - 10     |
          |------------------+----------+----------------+-------------|
          | Serial port 2    |   CN5    | Green PC LED   |  JP23/pins  |
          |                  |          |                |   12 & 13   |
          |------------------+----------+----------------+-------------|
          | Chassis fan      |    J1    | Green PC       |  JP23/pins  |
          | power            |          | connector      |   15 - 17   |
          |------------------+----------+----------------+-------------|
          | Floppy drive     |    J4    | Reset switch   |  JP23/pins  |
          | interface        |          |                |   19 & 20   |
          |------------------+----------+----------------+-------------|
          | IDE interface 1  |    J5    | 32-bit PCI     |  PC1 - PC5  |
          |                  |          | slots          |             |
          |------------------+----------+----------------+-------------|
          | IDE interface 2  |    J6    | USB interface  |     USB     |
          |------------------+----------+----------------+-------------|
          | IR connector     |   JP13   |                |             |
          +------------------------------------------------------------+
       
          +------------------------------------------------------------+
          |                 USER CONFIGURABLE SETTINGS                 |
          |------------------------------------------------------------|
          |              Function               | Label |   Position   |
          |-------------------------------------+-------+--------------|
          | » | On board I/O enabled            |  JP6  |  Pins 2 & 3  |
          |   |                                 |       |    closed    |
          |---+---------------------------------+-------+--------------|
          |   | On board I/O disabled           |  JP6  |  Pins 1 & 2  |
          |   |                                 |       |    closed    |
          |---+---------------------------------+-------+--------------|
          | » | Keyboard clock select ISA clock |  JP7  |  Pins 2 & 3  |
          |   |                                 |       |    closed    |
          |---+---------------------------------+-------+--------------|
          |   | Keyboard clock select 12MHz     |  JP7  |  Pins 1 & 2  |
          |   |                                 |       |    closed    |
          |---+---------------------------------+-------+--------------|
          | » | PS/2 mouse enabled              |  JP8  |  Pins 1 & 2  |
          |   |                                 |       |    closed    |
          |---+---------------------------------+-------+--------------|
          |   | PS/2 mouse disabled             |  JP8  |  Pins 2 & 3  |
          |   |                                 |       |    closed    |
          |---+---------------------------------+-------+--------------|
          | » | Factory configured - do not     |  JP9  | Unidentified |
          |   | alter                           |       |              |
          |---+---------------------------------+-------+--------------|
          | » | CMOS memory normal operation    | JP10  |  Pins 2 & 3  |
          |   |                                 |       |    closed    |
          |---+---------------------------------+-------+--------------|
          |   | CMOS memory clear               | JP10  |  Pins 1 & 2  |
          |   |                                 |       |    closed    |
          |---+---------------------------------+-------+--------------|
          |   | Power switch type select toggle | JP14  |  Pins 2 & 3  |
          |   |                                 |       |    closed    |
          |---+---------------------------------+-------+--------------|
          |   | Power switch type select        | JP14  | Pins 1 & 2,  |
          |   | momentary                       |       | 3 & 4 closed |
          +------------------------------------------------------------+
       
          +------------------------------------------------------------+
          |                     SIMM CONFIGURATION                     |
          |------------------------------------------------------------|
          |       Size       |       Bank 0       |       Bank 1       |
          |------------------+--------------------+--------------------|
          |       8MB        |    (2) 1M x 36     |        None        |
          |------------------+--------------------+--------------------|
          |       16MB       |    (2) 2M x 36     |        None        |
          |------------------+--------------------+--------------------|
          |       16MB       |    (2) 1M x 36     |    (2) 1M x 36     |
          |------------------+--------------------+--------------------|
          |       24MB       |    (2) 2M x 36     |    (2) 1M x 36     |
          |------------------+--------------------+--------------------|
          |       32MB       |    (2) 4M x 36     |        None        |
          |------------------+--------------------+--------------------|
          |       32MB       |    (2) 2M x 36     |    (2) 2M x 36     |
          |------------------+--------------------+--------------------|
          |       40MB       |    (2) 4M x 36     |    (2) 1M x 36     |
          |------------------+--------------------+--------------------|
          |       48MB       |    (2) 4M x 36     |    (2) 2M x 36     |
          |------------------+--------------------+--------------------|
          |       64MB       |    (2) 8M x 36     |        None        |
          |------------------+--------------------+--------------------|
          |       64MB       |    (2) 4M x 36     |    (2) 4M x 36     |
          |------------------+--------------------+--------------------|
          |       72MB       |    (2) 8M x 36     |    (2) 1M x 36     |
          +------------------------------------------------------------+
       
          +------------------------------------------------------------+
          |                 SIMM CONFIGURATION (CON'T)                 |
          |------------------------------------------------------------|
          |       Size       |       Bank 0       |       Bank 1       |
          |------------------+--------------------+--------------------|
          |       80MB       |    (2) 8M x 36     |    (2) 2M x 36     |
          |------------------+--------------------+--------------------|
          |       96MB       |    (2) 8M x 36     |    (2) 4M x 36     |
          |------------------+--------------------+--------------------|
          |      128MB       |    (2) 8M x 36     |    (2) 8M x 36     |
          |------------------+--------------------+--------------------|
          |      128MB       |    (2) 16M x 36    |        None        |
          |------------------+--------------------+--------------------|
          |      136MB       |    (2) 16M x 36    |    (2) 1M x 36     |
          |------------------+--------------------+--------------------|
          |      144MB       |    (2) 16M x 36    |    (2) 2M x 36     |
          |------------------+--------------------+--------------------|
          |      160MB       |    (2) 16M x 36    |    (2) 4M x 36     |
          |------------------+--------------------+--------------------|
          |      192MB       |    (2) 16M x 36    |    (2) 8M x 36     |
          |------------------+--------------------+--------------------|
          |      256MB       |    (2) 16M x 36    |    (2) 16M x 36    |
          |------------------+--------------------+--------------------|
          |      256MB       |    (2) 32M x 36    |        None        |
          |------------------+--------------------+--------------------|
          |      264MB       |    (2) 32M x 36    |    (2) 1M x 36     |
          |------------------+--------------------+--------------------|
          |      272MB       |    (2) 32M x 36    |    (2) 2M x 36     |
          |------------------+--------------------+--------------------|
          |      288MB       |    (2) 32M x 36    |    (2) 4M x 36     |
          |------------------+--------------------+--------------------|
          |      320MB       |    (2) 32M x 36    |    (2) 8M x 36     |
          |------------------+--------------------+--------------------|
          |      384MB       |    (2) 32M x 36    |    (2) 16M x 36    |
          |------------------+--------------------+--------------------|
          |      512MB       |    (2) 32M x 36    |    (2) 32M x 36    |
          |------------------------------------------------------------|
          | Note: Board accepts EDO memory.                            |
          +------------------------------------------------------------+
       
          +------------------------------------------------------------+
          |                    CACHE CONFIGURATION                     |
          |------------------------------------------------------------|
          | Note: 256KB/512KB cache is located on the Pentium Pro CPU. |
          +------------------------------------------------------------+
       
          +------------------------------------------------------------+
          |                    CPU SPEED SELECTION                     |
          |------------------------------------------------------------|
          |   CPU    | Clock  | Multiplier |  JP3  |    JP4    |  JP5  |
          |  speed   | speed  |            |       |           |       |
          |----------+--------+------------+-------+-----------+-------|
          |  150MHz  | 60MHz  |    2.5x    | 3 & 4 | 3 & 4, 5  | 3 & 4 |
          |          |        |            |       | & 6, 7 &  |       |
          |          |        |            |       |     8     |       |
          |----------+--------+------------+-------+-----------+-------|
          |  166MHz  | 66MHz  |    2.5x    | 1 & 2 | 3 & 4, 5  | 1 & 2 |
          |          |        |            |       | & 6, 7 &  |       |
          |          |        |            |       |     8     |       |
          |----------+--------+------------+-------+-----------+-------|
          |  180MHz  | 60MHz  |     3x     | 3 & 4 | 1 & 2, 3  | 3 & 4 |
          |          |        |            |       | & 4, 7 &  |       |
          |          |        |            |       |     8     |       |
          |----------+--------+------------+-------+-----------+-------|
          |  200MHz  | 66MHz  |     3x     | 1 & 2 | 1 & 2, 3  | 1 & 2 |
          |          |        |            |       | & 4, 7 &  |       |
          |          |        |            |       |     8     |       |
          |------------------------------------------------------------|
          | Note: Pins designated should be in the closed position.    |
          +------------------------------------------------------------+
       
          +------------------------------------------------------------+
          |                   CPU VOLTAGE SELECTION                    |
          |------------------------------------------------------------|
          |      Voltage      |                  JP1                   |
          |-------------------+----------------------------------------|
          | » |  Auto detect  |                  Open                  |
          |---+---------------+----------------------------------------|
          |   |     2.1v      |           Pins 1 & 2 closed            |
          |---+---------------+----------------------------------------|
          |   |     2.2v      |           Pins 3 & 4 closed            |
          |---+---------------+----------------------------------------|
          |   |     2.3v      |        Pins 1 & 2, 3 & 4 closed        |
          |---+---------------+----------------------------------------|
          |   |     2.4v      |           Pins 5 & 6 closed            |
          |---+---------------+----------------------------------------|
          |   |     2.5v      |        Pins 1 & 2, 5 & 6 closed        |
          |---+---------------+----------------------------------------|
          |   |     2.6v      |        Pins 3 & 4, 5 & 6 closed        |
          |---+---------------+----------------------------------------|
          |   |     2.7v      |    Pins 1 & 2, 3 & 4, 5 & 6 closed     |
          |---+---------------+----------------------------------------|
          |   |     2.8v      |           Pins 7 & 8 closed            |
          |---+---------------+----------------------------------------|
          |   |     2.9v      |        Pins 1 & 2, 7 & 8 closed        |
          |---+---------------+----------------------------------------|
          |   |     3.0v      |        Pins 3 & 4, 7 & 8 closed        |
          |---+---------------+----------------------------------------|
          |   |     3.1v      |    Pins 1 & 2, 3 & 4, 7 & 8 closed     |
          |---+---------------+----------------------------------------|
          |   |     3.2v      |        Pins 5 & 6, 7 & 8 closed        |
          |---+---------------+----------------------------------------|
          |   |     3.3v      |    Pins 1 & 2, 5 & 6, 7 & 8 closed     |
          |---+---------------+----------------------------------------|
          |   |     3.4v      |    Pins 3 & 4, 5 & 6, 7 & 8 closed     |
          |---+---------------+----------------------------------------|
          |   |     3.5v      | Pins 1 & 2, 3 & 4, 5 & 6, 7 & 8 closed |
          +------------------------------------------------------------+
       
          +------------------------------------------------------------+
          |                    FLASH BIOS SELECTION                    |
          |------------------------------------------------------------|
          |     Setting      |        JP11        |        JP12        |
          |------------------+--------------------+--------------------|
          | » |   Enabled    | Pins 1 & 2 closed  | Pins 1 & 2 closed  |
          |---+--------------+--------------------+--------------------|
          |   |   Disabled   | Pins 2 & 3 closed  | Pins 2 & 3 closed  |
          +------------------------------------------------------------+