URI: 
  TEXT View Source
       
       # ACER, INC.
       
          AX6F
       
          Device Type      Mainboard                                     
          Processor        Pentium II                                    
          Processor Speed  200/233/266MHz                                
          Chip Set         Intel                                         
          Video Chip Set   None                                          
          Maximum Onboard  512MB (EDO supported)                         
          Memory           
          Maximum Video    None                                          
          Memory           
          Cache            256/512KB (located on Pentium II CPU)         
          BIOS             Award                                         
          Dimensions       305mm x 244mm                                 
          I/O Options      32-bit PCI slots (5), floppy drive interface, 
                           green PC connector, IDE interfaces (2),       
                           parallel port, PS/2 mouse port, serial ports  
                           (2), IR connector, USB connectors (2), ATX    
                           power connector                               
          NPU Options      None                                          
       
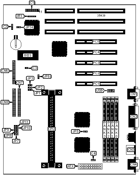
   IMG IMG 1
          
       
          +------------------------------------------------------------+
          |                        CONNECTIONS                         |
          |------------------------------------------------------------|
          | Purpose        |  Location  | Purpose          | Location  |
          |----------------+------------+------------------+-----------|
          | ATX power      |    ATX     | Parallel port    |    CN2    |
          | connector      |            |                  |           |
          |----------------+------------+------------------+-----------|
          | Power LED &    | C1/pins 1  | PS/2 mouse port  |    CN3    |
          | keylock        |    - 5     |                  |           |
          |----------------+------------+------------------+-----------|
          | Speaker        | C1/pins 7  | Serial port 1    |    CN4    |
          |                |    - 10    |                  |           |
          |----------------+------------+------------------+-----------|
          | Green PC LED   | C1/pins 12 | Floppy drive     |    CN6    |
          |                |    & 13    | interface        |           |
          |----------------+------------+------------------+-----------|
          | Green PC       | C1/pins 15 | IDE interface 1  |    CN7    |
          | connector      |    - 17    |                  |           |
          |----------------+------------+------------------+-----------|
          | Reset switch   | C1/pins 19 | IDE interface 2  |    CN8    |
          |                |    & 20    |                  |           |
          |----------------+------------+------------------+-----------|
          | IDE interface  |     C2     | IR connector     |    IR1    |
          | LED            |            |                  |           |
          |----------------+------------+------------------+-----------|
          | Soft off power |     C3     | 32-bit PCI slots | PC1 - PC5 |
          | supply         |            |                  |           |
          |----------------+------------+------------------+-----------|
          | CPU fan power  |     C4     | USB connector    |    USB    |
          |----------------+------------+------------------+-----------|
          | Serial port 2  |    CN1     |                  |           |
          +------------------------------------------------------------+
       
          +------------------------------------------------------------+
          |                 USER CONFIGURABLE SETTINGS                 |
          |------------------------------------------------------------|
          |               Function                | Label |  Position  |
          |---------------------------------------+-------+------------|
          | » | Factory configured - do not alter |  JP7  |    Open    |
          |---+-----------------------------------+-------+------------|
          | » | Factory configured - do not alter |  JP8  |    Open    |
          |---+-----------------------------------+-------+------------|
          | » | Factory configured - do not alter |  JP9  |    Open    |
          |---+-----------------------------------+-------+------------|
          | » | Factory configured - do not alter | JP10  |    Open    |
          |---+-----------------------------------+-------+------------|
          | » | Factory configured - do not alter | JP11  |    Open    |
          |---+-----------------------------------+-------+------------|
          | » | CMOS memory normal operation      | JP14  | Pins 1 & 2 |
          |   |                                   |       |   closed   |
          |---+-----------------------------------+-------+------------|
          |   | CMOS memory clear                 | JP14  | Pins 2 & 3 |
          |   |                                   |       |   closed   |
          +------------------------------------------------------------+
       
          +------------------------------------------------------------+
          |                     SIMM CONFIGURATION                     |
          |------------------------------------------------------------|
          | Size |   Bank 0    |   Bank 1    |   Bank 2   |   Bank 3   |
          |------+-------------+-------------+------------+------------|
          | 8MB  | (2) 1M x 36 |    None     |    None    |    None    |
          |------+-------------+-------------+------------+------------|
          | 16MB | (2) 2M x 36 |    None     |    None    |    None    |
          |------+-------------+-------------+------------+------------|
          | 16MB | (2) 1M x 36 | (2) 1M x 36 |    None    |    None    |
          |------+-------------+-------------+------------+------------|
          | 24MB | (2) 2M x 36 | (2) 1M x 36 |    None    |    None    |
          |------+-------------+-------------+------------+------------|
          | 24MB | (2) 1M x 36 | (2) 1M x 36 |  (2) 1M x  |    None    |
          |      |             |             |     36     |            |
          |------+-------------+-------------+------------+------------|
          | 32MB | (2) 4M x 36 |    None     |    None    |    None    |
          |------+-------------+-------------+------------+------------|
          | 32MB | (2) 2M x 36 | (2) 2M x 36 |    None    |    None    |
          |------+-------------+-------------+------------+------------|
          | 32MB | (2) 1M x 36 | (2) 1M x 36 |  (2) 1M x  |  (2) 1M x  |
          |      |             |             |     36     |     36     |
          |------+-------------+-------------+------------+------------|
          | 40MB | (2) 4M x 36 | (2) 1M x 36 |    None    |    None    |
          |------+-------------+-------------+------------+------------|
          | 48MB | (2) 4M x 36 | (2) 2M x 36 |    None    |    None    |
          |------+-------------+-------------+------------+------------|
          | 48MB | (2) 2M x 36 | (2) 2M x 36 |  (2) 2M x  |    None    |
          |      |             |             |     36     |            |
          |------+-------------+-------------+------------+------------|
          | 64MB | (2) 2M x 36 | (2) 2M x 36 |  (2) 2M x  |  (2) 2M x  |
          |      |             |             |     36     |     36     |
          |------+-------------+-------------+------------+------------|
          | 64MB | (2) 8M x 36 |    None     |    None    |    None    |
          +------------------------------------------------------------+
       
          +------------------------------------------------------------+
          |                 SIMM CONFIGURATION (CON'T)                 |
          |------------------------------------------------------------|
          | Size  |   Bank 0    |   Bank 1   |   Bank 2   |   Bank 3   |
          |-------+-------------+------------+------------+------------|
          | 64MB  | (2) 4M x 36 |  (2) 4M x  |    None    |    None    |
          |       |             |     36     |            |            |
          |-------+-------------+------------+------------+------------|
          | 72MB  | (2) 8M x 36 |  (2) 1M x  |    None    |    None    |
          |       |             |     36     |            |            |
          |-------+-------------+------------+------------+------------|
          | 80MB  | (2) 8M x 36 |  (2) 2M x  |    None    |    None    |
          |       |             |     36     |            |            |
          |-------+-------------+------------+------------+------------|
          | 96MB  | (2) 8M x 36 |  (2) 4M x  |    None    |    None    |
          |       |             |     36     |            |            |
          |-------+-------------+------------+------------+------------|
          | 96MB  | (2) 4M x 36 |  (2) 4M x  |  (2) 4M x  |    None    |
          |       |             |     36     |     36     |            |
          |-------+-------------+------------+------------+------------|
          | 128MB |  (2) 16M x  |    None    |    None    |    None    |
          |       |     36      |            |            |            |
          |-------+-------------+------------+------------+------------|
          | 128MB | (2) 8M x 36 |  (2) 8M x  |    None    |    None    |
          |       |             |     36     |            |            |
          |-------+-------------+------------+------------+------------|
          | 128MB | (2) 4M x 36 |  (2) 4M x  |  (2) 4M x  |  (2) 4M x  |
          |       |             |     36     |     36     |     36     |
          |-------+-------------+------------+------------+------------|
          | 136MB |  (2) 16M x  |  (2) 1M x  |    None    |    None    |
          |       |     36      |     36     |            |            |
          |-------+-------------+------------+------------+------------|
          | 144MB |  (2) 16M x  |  (2) 2M x  |    None    |    None    |
          |       |     36      |     36     |            |            |
          |-------+-------------+------------+------------+------------|
          | 152MB |  (2) 16M x  |  (2) 1M x  |  (2) 1M x  |  (2) 1M x  |
          |       |     36      |     36     |     36     |     36     |
          |-------+-------------+------------+------------+------------|
          | 160MB |  (2) 16M x  |  (2) 4M x  |    None    |    None    |
          |       |     36      |     36     |            |            |
          |-------+-------------+------------+------------+------------|
          | 176MB |  (2) 16M x  |  (2) 2M x  |  (2) 2M x  |  (2) 2M x  |
          |       |     36      |     36     |     36     |     36     |
          |-------+-------------+------------+------------+------------|
          | 192MB |  (2) 16M x  |  (2) 8M x  |    None    |    None    |
          |       |     36      |     36     |            |            |
          |-------+-------------+------------+------------+------------|
          | 192MB | (2) 8M x 36 |  (2) 8M x  |  (2) 8M x  |    None    |
          |       |             |     36     |     36     |            |
          |-------+-------------+------------+------------+------------|
          | 224MB |  (2) 16M x  |  (2) 4M x  |  (2) 4M x  |  (2) 4M x  |
          |       |     36      |     36     |     36     |     36     |
          |-------+-------------+------------+------------+------------|
          | 256MB |  (2) 16M x  | (2) 16M x  |    None    |    None    |
          |       |     36      |     36     |            |            |
          |-------+-------------+------------+------------+------------|
          | 256MB | (2) 8M x 36 |  (2) 8M x  |  (2) 8M x  |  (2) 8M x  |
          |       |             |     36     |     36     |     36     |
          |-------+-------------+------------+------------+------------|
          | 272MB |  (2) 16M x  | (2) 16M x  |  (2) 1M x  |  (2) 1M x  |
          |       |     36      |     36     |     36     |     36     |
          |-------+-------------+------------+------------+------------|
          | 288MB |  (2) 16M x  | (2) 16M x  |  (2) 2M x  |  (2) 2M x  |
          |       |     36      |     36     |     36     |     36     |
          |-------+-------------+------------+------------+------------|
          | 320MB |  (2) 16M x  | (2) 16M x  |  (2) 4M x  |  (2) 4M x  |
          |       |     36      |     36     |     36     |     36     |
          |-------+-------------+------------+------------+------------|
          | 320MB |  (2) 16M x  |  (2) 8M x  |  (2) 8M x  |  (2) 8M x  |
          |       |     36      |     36     |     36     |     36     |
          |-------+-------------+------------+------------+------------|
          | 384MB |  (2) 16M x  | (2) 16M x  | (2) 16M x  |    None    |
          |       |     36      |     36     |     36     |            |
          |-------+-------------+------------+------------+------------|
          | 512MB |  (2) 16M x  | (2) 16M x  | (2) 16M x  | (2) 16M x  |
          |       |     36      |     36     |     36     |     36     |
          |------------------------------------------------------------|
          | Note: Board accepts EDO memory.                            |
          +------------------------------------------------------------+
       
          +------------------------------------------------------------+
          |                    CACHE CONFIGURATION                     |
          |------------------------------------------------------------|
          | Note: 256KB/512KB cache is located on the Pentium II CPU.  |
          +------------------------------------------------------------+
       
          +------------------------------------------------------------+
          |                    CPU SPEED SELECTION                     |
          |------------------------------------------------------------|
          |   CPU   | Clock | Multiplier | JP1 | JP2 | JP3 | JP5 | JP6 |
          |  speed  | speed |            |     |     |     |     |     |
          |---------+-------+------------+-----+-----+-----+-----+-----|
          | 200MHz  | 66MHz |     3x     | 1 & | 2 & | 1 & | 1 & | 1 & |
          |         |       |            |  2  |  3  |  2  |  2  |  2  |
          |---------+-------+------------+-----+-----+-----+-----+-----|
          | 233MHz  | 66MHz |    3.5x    | 1 & | 2 & | 2 & | 1 & | 1 & |
          |         |       |            |  2  |  3  |  3  |  2  |  2  |
          |---------+-------+------------+-----+-----+-----+-----+-----|
          | 266MHz  | 66MHz |     4x     | 2 & | 1 & | 1 & | 1 & | 1 & |
          |         |       |            |  3  |  2  |  2  |  2  |  2  |
          |------------------------------------------------------------|
          | Note: Pins designated should be in the closed position.    |
          +------------------------------------------------------------+