URI: 
  TEXT View Source
       
       # ACER, INC.
       
          AP57
       
          Device Type      Mainboard                                     
          Processor        CX 6X86/AM K5/AM K6/Pentium/Pentium MMX       
          Processor Speed  75/90/100/120/133/150/166/200/233MHz          
          Chip Set         SIS                                           
          Video Chip Set   None                                          
          Maximum Onboard  256MB (EDO supported)                         
          Memory           
          Maximum Video    None                                          
          Memory           
          Cache            256/512KB                                     
          BIOS             Award                                         
          Dimensions       250mm x 220mm                                 
          I/O Options      32-bit PCI slots (4), floppy drive interface, 
                           green PC connector, IDE interfaces (2),       
                           parallel port, PS/2 mouse interface, serial   
                           ports (2), IR connector, USB connector        
          NPU Options      None                                          
       
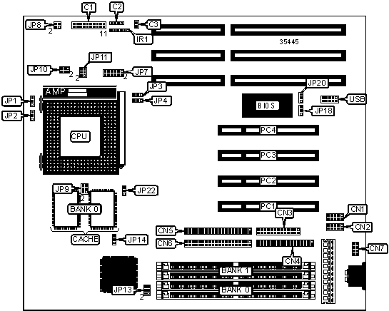
   IMG IMG 1
          
       
          +------------------------------------------------------------+
          |                        CONNECTIONS                         |
          |------------------------------------------------------------|
          | Purpose        | Location  | Purpose           | Location  |
          |----------------+-----------+-------------------+-----------|
          | Power LED &    | C1/pins 1 | Parallel port     |    CN3    |
          | keylock        |    – 5    |                   |           |
          |----------------+-----------+-------------------+-----------|
          | Speaker        | C1/pins 7 | Floppy drive      |    CN4    |
          |                |   – 10    | interface         |           |
          |----------------+-----------+-------------------+-----------|
          | Green PC LED   |  C1/pins  | IDE interface 2   |    CN5    |
          |                |  12 & 13  |                   |           |
          |----------------+-----------+-------------------+-----------|
          | Green PC       | C1/pins   | IDE interface 1   |    CN6    |
          | connector      | 15 – 17   |                   |           |
          |----------------+-----------+-------------------+-----------|
          | Reset switch   | C1/pins   | PS/2 mouse        |    CN7    |
          |                | 19 & 20   | interface         |           |
          |----------------+-----------+-------------------+-----------|
          | IDE interface  |    C2     | IR connector      |    IR1    |
          | LED            |           |                   |           |
          |----------------+-----------+-------------------+-----------|
          | CPU fan power  |    C3     | 32-bit PCI slots  | PC1 – PC4 |
          |----------------+-----------+-------------------+-----------|
          | Serial port 1  |    CN1    | USB connector     |    USB    |
          |----------------+-----------+-------------------+-----------|
          | Serial port 2  |    CN2    |                   |           |
          +------------------------------------------------------------+
       
          +------------------------------------------------------------+
          |                 USER CONFIGURABLE SETTINGS                 |
          |------------------------------------------------------------|
          |             Function             | Label |    Position     |
          |----------------------------------+-------+-----------------|
          | » | CMOS memory normal operation | JP14  |   Pins 1 & 2    |
          |   |                              |       |     closed      |
          |---+------------------------------+-------+-----------------|
          |   | CMOS memory clear            | JP14  |   Pins 2 & 3    |
          |   |                              |       |     closed      |
          |---+------------------------------+-------+-----------------|
          | » | On board I/O enabled         | JP18  |   Pins 1 & 2    |
          |   |                              |       |     closed      |
          |---+------------------------------+-------+-----------------|
          |   | On board I/O disabled        | JP18  |   Pins 2 & 3    |
          |   |                              |       |     closed      |
          |---+------------------------------+-------+-----------------|
          | » | PS/2 mouse enabled           | JP20  |   Pins 1 & 2    |
          |   |                              |       |     closed      |
          |---+------------------------------+-------+-----------------|
          |   | PS/2 mouse disabled          | JP20  |   Pins 2 & 3    |
          |   |                              |       |     closed      |
          |---+------------------------------+-------+-----------------|
          |   | CPU burst mode select linear | JP22  |   Pins 1 & 2    |
          |   |                              |       |     closed      |
          |---+------------------------------+-------+-----------------|
          |   | CPU burst mode select toggle | JP22  |   Pins 2 & 3    |
          |   |                              |       |     closed      |
          +------------------------------------------------------------+
       
          +------------------------------------------------------------+
          |                     SIMM CONFIGURATION                     |
          |------------------------------------------------------------|
          |       Size       |       Bank 0       |       Bank 1       |
          |------------------+--------------------+--------------------|
          |       8MB        |    (2) 1M x 36     |        None        |
          |------------------+--------------------+--------------------|
          |       16MB       |    (2) 2M x 36     |        None        |
          |------------------+--------------------+--------------------|
          |       16MB       |    (2) 1M x 36     |    (2) 1M x 36     |
          |------------------+--------------------+--------------------|
          |       24MB       |    (2) 2M x 36     |    (2) 1M x 36     |
          |------------------+--------------------+--------------------|
          |       32MB       |    (2) 4M x 36     |        None        |
          |------------------+--------------------+--------------------|
          |       32MB       |    (2) 2M x 36     |    (2) 2M x 36     |
          |------------------+--------------------+--------------------|
          |       40MB       |    (2) 4M x 36     |    (2) 1M x 36     |
          |------------------+--------------------+--------------------|
          |       48MB       |    (2) 4M x 36     |    (2) 2M x 36     |
          |------------------+--------------------+--------------------|
          |       64MB       |    (2) 8M x 36     |        None        |
          |------------------+--------------------+--------------------|
          |       64MB       |    (2) 4M x 36     |    (2) 4M x 36     |
          |------------------+--------------------+--------------------|
          |       72MB       |    (2) 8M x 36     |    (2) 1M x 36     |
          |------------------+--------------------+--------------------|
          |       80MB       |    (2) 8M x 36     |    (2) 2M x 36     |
          |------------------+--------------------+--------------------|
          |       96MB       |    (2) 8M x 36     |    (2) 4M x 36     |
          +------------------------------------------------------------+
       
          +------------------------------------------------------------+
          |                 SIMM CONFIGURATION (CON’T)                 |
          |------------------------------------------------------------|
          |       Size       |       Bank 0       |       Bank 1       |
          |------------------+--------------------+--------------------|
          |      128MB       |    (2) 8M x 36     |    (2) 8M x 36     |
          |------------------+--------------------+--------------------|
          |      128MB       |    (2) 16M x 36    |        None        |
          |------------------+--------------------+--------------------|
          |      136MB       |    (2) 16M x 36    |    (2) 1M x 36     |
          |------------------+--------------------+--------------------|
          |      144MB       |    (2) 16M x 36    |    (2) 2M x 36     |
          |------------------+--------------------+--------------------|
          |      160MB       |    (2) 16M x 36    |    (2) 4M x 36     |
          |------------------+--------------------+--------------------|
          |      192MB       |    (2) 16M x 36    |    (2) 8M x 36     |
          |------------------+--------------------+--------------------|
          |      256MB       |    (2) 16M x 36    |    (2) 16M x 36    |
          |------------------------------------------------------------|
          | Note: Board accepts EDO memory.                            |
          +------------------------------------------------------------+
       
          +------------------------------------------------------------+
          |                    CACHE CONFIGURATION                     |
          |------------------------------------------------------------|
          |            Size            |            Bank 0             |
          |----------------------------+-------------------------------|
          |           256KB            |         (2) 32K x 32          |
          |----------------------------+-------------------------------|
          |           512KB            |         (2) 64K x 32          |
          +------------------------------------------------------------+
       
          +------------------------------------------------------------+
          |               CPU SPEED SELECTION (CX 6X86)                |
          |------------------------------------------------------------|
          |  CPU   | Clock | Multiplier | JP1 | JP2 | JP3 | JP4 | JP13 |
          | speed  | speed |            |     |     |     |     |      |
          |--------+-------+------------+-----+-----+-----+-----+------|
          | 120MHz | 50MHz |     2x     | 1 & | 1 & | 2 & | 2 & | 1 &  |
          |        |       |            |  2  |  2  |  3  |  3  | 2, 5 |
          |        |       |            |     |     |     |     | & 6  |
          |--------+-------+------------+-----+-----+-----+-----+------|
          | 150MHz | 60MHz |     2x     | 2 & | 1 & | 1 & | 2 & | 1 &  |
          |        |       |            |  3  |  2  |  2  |  3  | 2, 3 |
          |        |       |            |     |     |     |     | & 4  |
          |--------+-------+------------+-----+-----+-----+-----+------|
          | 166MHz | 66MHz |     2x     | 2 & | 1 & | 2 & | 1 & | 3 &  |
          |        |       |            |  3  |  2  |  3  |  2  |  4   |
          |------------------------------------------------------------|
          | Note: Pins designated should be in the closed position.    |
          +------------------------------------------------------------+
       
          +------------------------------------------------------------+
          |                CPU SPEED SELECTION (AM K5)                 |
          |------------------------------------------------------------|
          |  CPU   | Clock | Multiplier | JP1 | JP2 | JP3 | JP4 | JP13 |
          | speed  | speed |            |     |     |     |     |      |
          |--------+-------+------------+-----+-----+-----+-----+------|
          | 90MHz  | 60MHz |    1.5x    | 1 & | 1 & | 1 & | 2 & | 1 &  |
          |        |       |            |  2  |  2  |  2  |  3  | 2, 3 |
          |        |       |            |     |     |     |     | & 4  |
          |--------+-------+------------+-----+-----+-----+-----+------|
          | 100MHz | 66MHz |    1.5x    | 1 & | 1 & | 2 & | 1 & | 3 &  |
          |        |       |            |  2  |  2  |  3  |  2  |  4   |
          |--------+-------+------------+-----+-----+-----+-----+------|
          | 120MHz | 60MHz |    1.5x    | 1 & | 1 & | 1 & | 2 & | 1 &  |
          |        |       |            |  2  |  2  |  2  |  3  | 2, 3 |
          |        |       |            |     |     |     |     | & 4  |
          |--------+-------+------------+-----+-----+-----+-----+------|
          | 133MHz | 66MHz |    1.5x    | 1 & | 1 & | 2 & | 1 & | 3 &  |
          |        |       |            |  2  |  2  |  3  |  2  |  4   |
          |--------+-------+------------+-----+-----+-----+-----+------|
          | 166MHz | 66MHz |   1.75x    | 2 & | 2 & | 2 & | 1 & | 3 &  |
          |        |       |            |  3  |  3  |  3  |  2  |  4   |
          |------------------------------------------------------------|
          | Note: Pins designated should be in the closed position.    |
          +------------------------------------------------------------+
       
          +------------------------------------------------------------+
          |                CPU SPEED SELECTION (AM K6)                 |
          |------------------------------------------------------------|
          |  CPU   | Clock | Multiplier | JP1 | JP2 | JP3 | JP4 | JP13 |
          | speed  | speed |            |     |     |     |     |      |
          |--------+-------+------------+-----+-----+-----+-----+------|
          | 166MHz | 66MHz |    2.5x    | 2 & | 2 & | 2 & | 1 & | 3 &  |
          |        |       |            |  3  |  3  |  3  |  2  |  4   |
          |--------+-------+------------+-----+-----+-----+-----+------|
          | 200MHz | 66MHz |     3x     | 1 & | 2 & | 2 & | 1 & | 3 &  |
          |        |       |            |  2  |  3  |  3  |  2  |  4   |
          |------------------------------------------------------------|
          | Note: Pins designated should be in the closed position.    |
          +------------------------------------------------------------+
       
          +------------------------------------------------------------+
          |                CPU SPEED SELECTION (INTEL)                 |
          |------------------------------------------------------------|
          |  CPU   | Clock | Multiplier | JP1 | JP2 | JP3 | JP4 | JP13 |
          | speed  | speed |            |     |     |     |     |      |
          |--------+-------+------------+-----+-----+-----+-----+------|
          | 75MHz  | 50MHz |    1.5x    | 1 & | 1 & | 2 & | 2 & | 1 &  |
          |        |       |            |  2  |  2  |  3  |  3  | 2, 5 |
          |        |       |            |     |     |     |     | & 6  |
          |--------+-------+------------+-----+-----+-----+-----+------|
          | 90MHz  | 60MHz |    1.5x    | 1 & | 1 & | 1 & | 2 & | 1 &  |
          |        |       |            |  2  |  2  |  2  |  3  | 2, 3 |
          |        |       |            |     |     |     |     | & 4  |
          |--------+-------+------------+-----+-----+-----+-----+------|
          | 100MHz | 66MHz |    1.5x    | 1 & | 1 & | 2 & | 1 & | 3 &  |
          |        |       |            |  2  |  2  |  3  |  2  |  4   |
          |--------+-------+------------+-----+-----+-----+-----+------|
          | 120MHz | 60MHz |     2x     | 2 & | 1 & | 1 & | 2 & | 1 &  |
          |        |       |            |  3  |  2  |  2  |  3  | 2, 3 |
          |        |       |            |     |     |     |     | & 4  |
          |--------+-------+------------+-----+-----+-----+-----+------|
          | 133MHz | 66MHz |     2x     | 2 & | 1 & | 2 & | 1 & | 3 &  |
          |        |       |            |  3  |  2  |  3  |  2  |  4   |
          |--------+-------+------------+-----+-----+-----+-----+------|
          | 150MHz | 60MHz |    2.5x    | 2 & | 2 & | 1 & | 2 & | 1 &  |
          |        |       |            |  3  |  3  |  2  |  3  | 2, 3 |
          |        |       |            |     |     |     |     | & 4  |
          |--------+-------+------------+-----+-----+-----+-----+------|
          | 166MHz | 66MHz |    2.5x    | 2 & | 2 & | 2 & | 1 & | 3 &  |
          |        |       |            |  3  |  3  |  3  |  2  |  4   |
          |--------+-------+------------+-----+-----+-----+-----+------|
          | 200MHz | 66MHz |     3x     | 1 & | 2 & | 2 & | 1 & | 3 &  |
          |        |       |            |  2  |  3  |  3  |  2  |  4   |
          |------------------------------------------------------------|
          | Note: Pins designated should be in the closed position.    |
          +------------------------------------------------------------+
       
          +------------------------------------------------------------+
          |              CPU SPEED SELECTION (INTEL MMX)               |
          |------------------------------------------------------------|
          |  CPU   | Clock | Multiplier | JP1 | JP2 | JP3 | JP4 | JP13 |
          | speed  | speed |            |     |     |     |     |      |
          |--------+-------+------------+-----+-----+-----+-----+------|
          | 150MHz | 60MHz |    2.5x    | 2 & | 2 & | 1 & | 2 & | 1 &  |
          |        |       |            |  3  |  3  |  2  |  3  | 2, 3 |
          |        |       |            |     |     |     |     | & 4  |
          |--------+-------+------------+-----+-----+-----+-----+------|
          | 166MHz | 66MHz |    2.5x    | 2 & | 2 & | 2 & | 1 & | 3 &  |
          |        |       |            |  3  |  3  |  3  |  2  |  4   |
          |--------+-------+------------+-----+-----+-----+-----+------|
          | 200MHz | 66MHz |     3x     | 1 & | 2 & | 2 & | 1 & | 3 &  |
          |        |       |            |  2  |  3  |  3  |  2  |  4   |
          |--------+-------+------------+-----+-----+-----+-----+------|
          | 233MHz | 66MHz |    3.5x    | 1 & | 1 & | 2 & | 1 & | 3 &  |
          |        |       |            |  2  |  2  |  3  |  2  |  4   |
          |------------------------------------------------------------|
          | Note: Pins designated should be in the closed position.    |
          +------------------------------------------------------------+
       
          +------------------------------------------------------------+
          |               CPU VOLTAGE SELECTION (SINGLE)               |
          |------------------------------------------------------------|
          |  Voltage  |   JP7   |   JP8   |   JP9    | JP10  |  JP11   |
          |-----------+---------+---------+----------+-------+---------|
          |   3.45v   |  1 & 2  |  1 & 2  |  Closed  | Open  | Closed  |
          |------------------------------------------------------------|
          | Note: Pins designated should be in the closed position.    |
          +------------------------------------------------------------+
       
          +------------------------------------------------------------+
          |                CPU VOLTAGE SELECTION (DUAL)                |
          |------------------------------------------------------------|
          | Voltage | V core |  JP7  | JP8  |  JP9   |  JP10  |  JP11  |
          |---------+--------+-------+------+--------+--------+--------|
          |  3.45v  |  2.8v  | 7 & 8 | 1 &  |  Open  | Closed |  Open  |
          |         |        |       |  2   |        |        |        |
          |---------+--------+-------+------+--------+--------+--------|
          |  3.45v  |  2.9v  | 5 & 6 | 1 &  |  Open  | Closed |  Open  |
          |         |        |       |  2   |        |        |        |
          |---------+--------+-------+------+--------+--------+--------|
          |  3.45v  | 3.52v  | 3 & 4 | 1 &  | Closed |  Open  | Closed |
          |         |        |       |  2   |        |        |        |
          |------------------------------------------------------------|
          | Note: Pins designated should be in the closed position.    |
          +------------------------------------------------------------+