URI: 
  TEXT View Source
       
       # ABIT COMPUTER CORPORATION
       
          BH6
       
          Device Type      Mainboard                                     
          Processor        Pentium II/Celeron                            
          Processor Speed  233/266/300/333/350/400MHz                    
          Chip Set         Intel 440BX                                   
          Maximum Onboard  386MB (EDO & SDRAM supported)                 
          Memory           
          Cache            0/128/256/512KB (located on the CPU)          
          BIOS             Award                                         
          Dimensions       305mm x 190mm                                 
          I/O Options      32-bit PCI slots (5), floppy drive interface, 
                           IDE interfaces (2), parallel port, PS/2 mouse 
                           port, serial ports (2), IR connector, USB     
                           connectors (2), ATX power connector, AGP      
                           slot,                                         
       
   IMG IMG 1
          
       
          +------------------------------------------------------------+
          |                        CONNECTIONS                         |
          |------------------------------------------------------------|
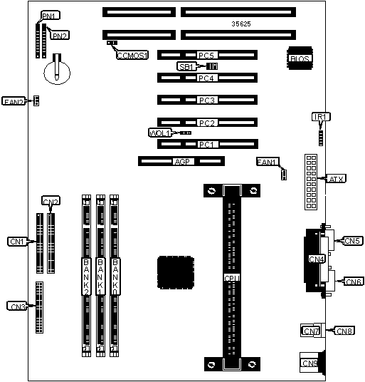
          | Purpose          | Location | Purpose          | Location  |
          |------------------+----------+------------------+-----------|
          | AGP slot         |   AGP    | Chassis fan      |   FAN2    |
          |                  |          | power            |           |
          |------------------+----------+------------------+-----------|
          | ATX power        |   ATX    | IR connector     |    IR1    |
          | connector        |          |                  |           |
          |------------------+----------+------------------+-----------|
          | IDE interface 2  |   CN1    | Reset switch     | PN1/pins  |
          |                  |          |                  |   1 & 2   |
          |------------------+----------+------------------+-----------|
          | IDE interface 1  |   CN2    | Speaker          | PN1/pins  |
          |                  |          |                  |   4 - 7   |
          |------------------+----------+------------------+-----------|
          | Floppy drive     |   CN3    | Green PC LED     | PN1/pins  |
          | interface        |          |                  |  9 & 10   |
          |------------------+----------+------------------+-----------|
          | Parallel port    |   CN4    | Power LED &      | PN2/pins  |
          |                  |          | keylock          |   1 - 5   |
          |------------------+----------+------------------+-----------|
          | Serial port 2    |   CN5    | IDE interface    | PN2/pins  |
          |                  |          | LED              |   6 & 7   |
          |------------------+----------+------------------+-----------|
          | Serial port 1    |   CN6    | Soft off power   | PN2/pins  |
          |                  |          | supply           |   8 & 9   |
          |------------------+----------+------------------+-----------|
          | USB connector 1  |   CN7    | 32-bit PCI slots | PC1 - PC5 |
          |------------------+----------+------------------+-----------|
          | USB connector 2  |   CN8    | SB link header   |    SB1    |
          |------------------+----------+------------------+-----------|
          | PS/2 mouse port  |   CN9    | Wake on LAN      |   WOL1    |
          |                  |          | connector        |           |
          |------------------+----------+------------------+-----------|
          | CPU fan power    |   FAN1   |                  |           |
          +------------------------------------------------------------+
       
          +------------------------------------------------------------+
          |                 USER CONFIGURABLE SETTINGS                 |
          |------------------------------------------------------------|
          |             Function             | Label  |    Position    |
          |----------------------------------+--------+----------------|
          | » | CMOS memory normal operation | CCMOS1 |   Pins 1 & 2   |
          |   |                              |        |     closed     |
          |---+------------------------------+--------+----------------|
          |   | CMOS memory clear            | CCMOS1 |   Pins 2 & 3   |
          |   |                              |        |     closed     |
          +------------------------------------------------------------+
       
          +------------------------------------------------------------+
          |                     DIMM CONFIGURATION                     |
          |------------------------------------------------------------|
          |      Size       |    Bank 0    |   Bank 1    |   Bank 2    |
          |-----------------+--------------+-------------+-------------|
          |       8MB       | (1) 1M x 64  |    None     |    None     |
          |-----------------+--------------+-------------+-------------|
          |      16MB       | (1) 2M x 64  |    None     |    None     |
          |-----------------+--------------+-------------+-------------|
          |      16MB       | (1) 1M x 64  | (1) 1M x 64 |    None     |
          |-----------------+--------------+-------------+-------------|
          |      24MB       | (1) 2M x 64  | (1) 1M x 64 |    None     |
          |-----------------+--------------+-------------+-------------|
          |      24MB       | (1) 1M x 64  | (1) 1M x 64 | (1) 1M x 64 |
          |-----------------+--------------+-------------+-------------|
          |      32MB       | (1) 4M x 64  |    None     |    None     |
          |-----------------+--------------+-------------+-------------|
          |      32MB       | (1) 2M x 64  | (1) 2M x 64 |    None     |
          |-----------------+--------------+-------------+-------------|
          |      32MB       | (1) 2M x 64  | (1) 1M x 64 | (1) 1M x 64 |
          |-----------------+--------------+-------------+-------------|
          |      40MB       | (1) 4M x 64  | (1) 1M x 64 |    None     |
          |-----------------+--------------+-------------+-------------|
          |      48MB       | (1) 4M x 64  | (1) 2M x 64 |    None     |
          |-----------------+--------------+-------------+-------------|
          |      48MB       | (1) 2M x 64  | (1) 2M x 64 | (1) 2M x 64 |
          |-----------------+--------------+-------------+-------------|
          |      48MB       | (1) 4M x 64  | (1) 1M x 64 | (1) 1M x 64 |
          +------------------------------------------------------------+
       
          +------------------------------------------------------------+
          |                 DIMM CONFIGURATION (CONT’)                 |
          |------------------------------------------------------------|
          |     Size      |    Bank 0    |    Bank 1    |    Bank 2    |
          |---------------+--------------+--------------+--------------|
          |     64MB      | (1) 8M x 64  |     None     |     None     |
          |---------------+--------------+--------------+--------------|
          |     64MB      | (1) 4M x 64  | (1) 4M x 64  |     None     |
          |---------------+--------------+--------------+--------------|
          |     64MB      | (1) 4M x 64  | (1) 2M x 64  | (1) 2M x 64  |
          |---------------+--------------+--------------+--------------|
          |     72MB      | (1) 8M x 64  | (1) 1M x 64  |     None     |
          |---------------+--------------+--------------+--------------|
          |     80MB      | (1) 8M x 64  | (1) 2M x 64  |     None     |
          |---------------+--------------+--------------+--------------|
          |     80MB      | (1) 8M x 64  | (1) 1M x 64  | (1) 1M x 64  |
          |---------------+--------------+--------------+--------------|
          |     96MB      | (1) 8M x 64  | (1) 4M x 64  |     None     |
          |---------------+--------------+--------------+--------------|
          |     96MB      | (1) 4M x 64  | (1) 4M x 64  | (1) 4M x 64  |
          |---------------+--------------+--------------+--------------|
          |     96MB      | (1) 8M x 64  | (1) 2M x 64  | (1) 2M x 64  |
          |---------------+--------------+--------------+--------------|
          |     128MB     | (1) 16M x 64 |     None     |     None     |
          |---------------+--------------+--------------+--------------|
          |     128MB     | (1) 8M x 64  | (1) 8M x 64  |     None     |
          |---------------+--------------+--------------+--------------|
          |     128MB     | (1) 8M x 64  | (1) 4M x 64  | (1) 4M x 64  |
          |---------------+--------------+--------------+--------------|
          |     136MB     | (1) 16M x 64 | (1) 1M x 64  |     None     |
          |---------------+--------------+--------------+--------------|
          |     144MB     | (1) 16M x 64 | (1) 2M x 64  |     None     |
          |---------------+--------------+--------------+--------------|
          |     144MB     | (1) 16M x 64 | (1) 1M x 64  | (1) 1M x 64  |
          |---------------+--------------+--------------+--------------|
          |     160MB     | (1) 16M x 64 | (1) 4M x 64  |     None     |
          |---------------+--------------+--------------+--------------|
          |     160MB     | (1) 16M x 64 | (1) 2M x 64  | (1) 2M x 64  |
          |---------------+--------------+--------------+--------------|
          |     192MB     | (1) 16M x 64 | (1) 8M x 64  |     None     |
          |---------------+--------------+--------------+--------------|
          |     192MB     | (1) 8M x 64  | (1) 8M x 64  | (1) 8M x 64  |
          |---------------+--------------+--------------+--------------|
          |     192MB     | (1) 16M x 64 | (1) 4M x 64  | (1) 4M x 64  |
          |---------------+--------------+--------------+--------------|
          |     256MB     | (1) 16M x 64 | (1) 16M x 64 |     None     |
          |---------------+--------------+--------------+--------------|
          |     256MB     | (1) 16M x 64 | (1) 8M x 64  | (1) 8M x 64  |
          |---------------+--------------+--------------+--------------|
          |     256MB     | (1) 32M x 64 |     None     |     None     |
          |---------------+--------------+--------------+--------------|
          |     264MB     | (1) 32M x 64 | (1) 1M x 64  | (1) 1M x 64  |
          |---------------+--------------+--------------+--------------|
          |     272MB     | (1) 32M x 64 | (1) 2M x 64  |     None     |
          |---------------+--------------+--------------+--------------|
          |     272MB     | (1) 32M x 64 | (1) 1M x 64  |     None     |
          |---------------+--------------+--------------+--------------|
          |     288MB     | (1) 32M x 64 | (1) 4M x 64  |     None     |
          |---------------+--------------+--------------+--------------|
          |     288MB     | (1) 32M x 64 | (1) 2M x 64  | (1) 2M x 64  |
          |---------------+--------------+--------------+--------------|
          |     320MB     | (1) 32M x 64 | (1) 8M x 64  |     None     |
          |---------------+--------------+--------------+--------------|
          |     320MB     | (1) 32M x 64 | (1) 4M x 64  | (1) 4M x 64  |
          |---------------+--------------+--------------+--------------|
          |     384MB     | (1) 16M x 64 | (1) 16M x 64 | (1) 16M x 64 |
          |---------------+--------------+--------------+--------------|
          |     384MB     | (1) 32M x 64 | (1) 8M x 64  | (1) 8M x 64  |
          +------------------------------------------------------------+
       
          +------------------------------------------------------------+
          |                    CACHE CONFIGURATION                     |
          |------------------------------------------------------------|
          | The 128KB cache is located on the Celeron 300A & 333 CPU.  |
          | The 256/512KB cache is located on the Pentium II CPU.      |
          +------------------------------------------------------------+