URI: 
  TEXT View Source
       
       # A-TREND TECHNOLOGY CORPORATION
       
          ATC-6120 (VER. 2.00)
       
          Device Type      Mainboard                                     
          Processor        Pentium II                                    
          Processor Speed  233/266/300/333MHz                            
          Chip Set         Intel 440LX                                   
          Maximum Onboard  768MB (EDO & SDRAM supported)                 
          Memory           
          Cache            256/512KB (located on the Pentium II CPU)     
          BIOS             Award                                         
          Dimensions       305mm x 190mm                                 
          I/O Options      32-bit PCI slots (3), floppy drive interface, 
                           IDE interfaces (2), parallel port, PS/2 mouse 
                           port, serial ports (2), IR connector, USB     
                           connectors (2), ATX power connector, AGP slot 
       
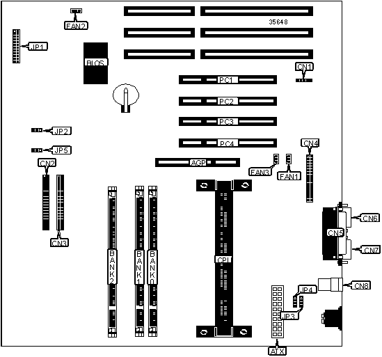
   IMG IMG 1
          
       
          +------------------------------------------------------------+
          |                        CONNECTIONS                         |
          |------------------------------------------------------------|
          | Purpose         | Location | Purpose          |  Location  |
          |-----------------+----------+------------------+------------|
          | AGP slot        |   AGP    | CPU fan power    |    FAN3    |
          |-----------------+----------+------------------+------------|
          | ATX power       |   ATX    | Chassis fan      |    FAN2    |
          | connector       |          | power            |            |
          |-----------------+----------+------------------+------------|
          | IR connector    |   CN1    | Reset switch     | JP1/pins 1 |
          |                 |          |                  |    & 2     |
          |-----------------+----------+------------------+------------|
          | IDE interface 1 |   CN2    | Soft off power   | JP1/pins 4 |
          |                 |          | supply           |    & 5     |
          |-----------------+----------+------------------+------------|
          | IDE interface 2 |   CN3    | Turbo LED        | JP1/pins 7 |
          |                 |          |                  |    & 8     |
          |-----------------+----------+------------------+------------|
          | Parallel port   |   CN5    | IDE interface    |  JP1/pins  |
          |                 |          | LED              |  10 & 11   |
          |-----------------+----------+------------------+------------|
          | Floppy drive    |   CN4    | Speaker          |  JP1/pins  |
          | interface       |          |                  |  13 - 16   |
          |-----------------+----------+------------------+------------|
          | Serial port 2   |   CN6    | Power LED &      |  JP1/pins  |
          |                 |          | keylock          |  19 - 22   |
          |-----------------+----------+------------------+------------|
          | PS/2 mouse port |   CN7    | PS on connector  |  JP1/pins  |
          |                 |          |                  |  23 & 24   |
          |-----------------+----------+------------------+------------|
          | USB connectors  |   CN8    | 32-bit PCI slots | PC1 - PC4  |
          |-----------------+----------+------------------+------------|
          | CPU fan power   |   FAN1   |                  |            |
          +------------------------------------------------------------+
       
          +------------------------------------------------------------+
          |                 USER CONFIGURABLE SETTINGS                 |
          |------------------------------------------------------------|
          |              Function               | Label |   Position   |
          |-------------------------------------+-------+--------------|
          | » | Wake on LAN Intel configuration |  JP2  |  Pins 1 & 2  |
          |   |                                 |       |    closed    |
          |---+---------------------------------+-------+--------------|
          |   | Wake on LAN DEC configuration   |  JP2  |  Pins 2 & 3  |
          |   |                                 |       |    closed    |
          |---+---------------------------------+-------+--------------|
          | » | Factory configured - do not     |  JP3  |  Pins 1 & 2  |
          |   | alter                           |       |    closed    |
          |---+---------------------------------+-------+--------------|
          | » | Factory configured - do not     |  JP4  |  Pins 2 & 3  |
          |   | alter                           |       |    closed    |
          |---+---------------------------------+-------+--------------|
          | » | Factory configured - do not     |  JP5  | Unidentified |
          |   | alter                           |       |              |
          |---+---------------------------------+-------+--------------|
          |   | SMM two LED function            |  JP7  |  Pins 2 & 3  |
          |   |                                 |       |    closed    |
          |---+---------------------------------+-------+--------------|
          |   | SMM one LED function            |  JP7  |  Pins 1 & 2  |
          |   |                                 |       |    closed    |
          +------------------------------------------------------------+
       
          +------------------------------------------------------------+
          |                     DIMM CONFIGURATION                     |
          |------------------------------------------------------------|
          |      Size       |    Bank 0    |   Bank 1    |   Bank 2    |
          |-----------------+--------------+-------------+-------------|
          |       8MB       | (1) 1M x 64  |    None     |    None     |
          |-----------------+--------------+-------------+-------------|
          |      16MB       | (1) 2M x 64  |    None     |    None     |
          |-----------------+--------------+-------------+-------------|
          |      16MB       | (1) 1M x 64  | (1) 1M x 64 |    None     |
          |-----------------+--------------+-------------+-------------|
          |      24MB       | (1) 2M x 64  | (1) 1M x 64 |    None     |
          |-----------------+--------------+-------------+-------------|
          |      24MB       | (1) 1M x 64  | (1) 1M x 64 | (1) 1M x 64 |
          |-----------------+--------------+-------------+-------------|
          |      32MB       | (1) 4M x 64  |    None     |    None     |
          |-----------------+--------------+-------------+-------------|
          |      32MB       | (1) 2M x 64  | (1) 2M x 64 |    None     |
          |-----------------+--------------+-------------+-------------|
          |      32MB       | (1) 2M x 64  | (1) 1M x 64 | (1) 1M x 64 |
          |-----------------+--------------+-------------+-------------|
          |      40MB       | (1) 4M x 64  | (1) 1M x 64 |    None     |
          |-----------------+--------------+-------------+-------------|
          |      48MB       | (1) 4M x 64  | (1) 2M x 64 |    None     |
          |-----------------+--------------+-------------+-------------|
          |      48MB       | (1) 2M x 64  | (1) 2M x 64 | (1) 2M x 64 |
          |-----------------+--------------+-------------+-------------|
          |      48MB       | (1) 4M x 64  | (1) 1M x 64 | (1) 1M x 64 |
          +------------------------------------------------------------+
       
          +------------------------------------------------------------+
          |                 DIMM CONFIGURATION (CONT’)                 |
          |------------------------------------------------------------|
          |     Size      |    Bank 0    |    Bank 1    |    Bank 2    |
          |---------------+--------------+--------------+--------------|
          |     64MB      | (1) 8M x 64  |     None     |     None     |
          |---------------+--------------+--------------+--------------|
          |     64MB      | (1) 4M x 64  | (1) 4M x 64  |     None     |
          |---------------+--------------+--------------+--------------|
          |     64MB      | (1) 4M x 64  | (1) 2M x 64  | (1) 2M x 64  |
          |---------------+--------------+--------------+--------------|
          |     72MB      | (1) 8M x 64  | (1) 1M x 64  |     None     |
          |---------------+--------------+--------------+--------------|
          |     80MB      | (1) 8M x 64  | (1) 2M x 64  |     None     |
          |---------------+--------------+--------------+--------------|
          |     80MB      | (1) 8M x 64  | (1) 1M x 64  | (1) 1M x 64  |
          |---------------+--------------+--------------+--------------|
          |     96MB      | (1) 8M x 64  | (1) 4M x 64  |     None     |
          |---------------+--------------+--------------+--------------|
          |     96MB      | (1) 4M x 64  | (1) 4M x 64  | (1) 4M x 64  |
          |---------------+--------------+--------------+--------------|
          |     96MB      | (1) 8M x 64  | (1) 2M x 64  | (1) 2M x 64  |
          |---------------+--------------+--------------+--------------|
          |     128MB     | (1) 16M x 64 |     None     |     None     |
          |---------------+--------------+--------------+--------------|
          |     128MB     | (1) 8M x 64  | (1) 8M x 64  |     None     |
          |---------------+--------------+--------------+--------------|
          |     128MB     | (1) 8M x 64  | (1) 4M x 64  | (1) 4M x 64  |
          |---------------+--------------+--------------+--------------|
          |     136MB     | (1) 16M x 64 | (1) 1M x 64  |     None     |
          |---------------+--------------+--------------+--------------|
          |     144MB     | (1) 16M x 64 | (1) 2M x 64  |     None     |
          |---------------+--------------+--------------+--------------|
          |     144MB     | (1) 16M x 64 | (1) 1M x 64  | (1) 1M x 64  |
          |---------------+--------------+--------------+--------------|
          |     160MB     | (1) 16M x 64 | (1) 4M x 64  |     None     |
          |---------------+--------------+--------------+--------------|
          |     160MB     | (1) 16M x 64 | (1) 2M x 64  | (1) 2M x 64  |
          |---------------+--------------+--------------+--------------|
          |     192MB     | (1) 16M x 64 | (1) 8M x 64  |     None     |
          |---------------+--------------+--------------+--------------|
          |     192MB     | (1) 8M x 64  | (1) 8M x 64  | (1) 8M x 64  |
          |---------------+--------------+--------------+--------------|
          |     192MB     | (1) 16M x 64 | (1) 4M x 64  | (1) 4M x 64  |
          |---------------+--------------+--------------+--------------|
          |     256MB     | (1) 16M x 64 | (1) 16M x 64 |     None     |
          |---------------+--------------+--------------+--------------|
          |     256MB     | (1) 16M x 64 | (1) 8M x 64  | (1) 8M x 64  |
          |---------------+--------------+--------------+--------------|
          |     256MB     | (1) 32M x 64 |     None     |     None     |
          |---------------+--------------+--------------+--------------|
          |     264MB     | (1) 32M x 64 | (1) 1M x 64  | (1) 1M x 64  |
          |---------------+--------------+--------------+--------------|
          |     272MB     | (1) 32M x 64 | (1) 2M x 64  |     None     |
          |---------------+--------------+--------------+--------------|
          |     272MB     | (1) 32M x 64 | (1) 1M x 64  |     None     |
          |---------------+--------------+--------------+--------------|
          |     288MB     | (1) 32M x 64 | (1) 4M x 64  |     None     |
          |---------------+--------------+--------------+--------------|
          |     288MB     | (1) 32M x 64 | (1) 2M x 64  | (1) 2M x 64  |
          |---------------+--------------+--------------+--------------|
          |     320MB     | (1) 32M x 64 | (1) 8M x 64  |     None     |
          |---------------+--------------+--------------+--------------|
          |     320MB     | (1) 32M x 64 | (1) 4M x 64  | (1) 4M x 64  |
          |---------------+--------------+--------------+--------------|
          |     384MB     | (1) 16M x 64 | (1) 16M x 64 | (1) 16M x 64 |
          |---------------+--------------+--------------+--------------|
          |     384MB     | (1) 32M x 64 | (1) 8M x 64  | (1) 8M x 64  |
          |---------------+--------------+--------------+--------------|
          |     512MB     | (1) 32M x 64 | (1) 32M x 64 |     None     |
          |---------------+--------------+--------------+--------------|
          |     768MB     | (1) 32M x 64 | (1) 32M x 64 | (1) 32M x 64 |
          |------------------------------------------------------------|
          | Note: Board accepts 768MB EDO DRAM or 384MB SDRAM.         |
          +------------------------------------------------------------+
       
          +------------------------------------------------------------+
          |                    CACHE CONFIGURATION                     |
          |------------------------------------------------------------|
          | Note: The 256/512KB cache is located on the Pentium II     |
          | CPU.                                                       |
          +------------------------------------------------------------+