URI: 
  TEXT View Source
       
       # ANTEC, INC.
       
          MB6831
       
          Device Type      Mainboard                                     
          Processor        Pentium II                                    
          Processor Speed  233/266/300/333MHz                            
          Chip Set         Intel 440LX                                   
          Video Chip Set   None                                          
          Maximum Onboard  512MB (EDO & SDRAM supported)                 
          Memory           
          Maximum Video    None                                          
          Memory           
          Cache            256/512KB (located on Pentium II CPU)         
          BIOS             Award                                         
          Dimensions       305mm x 240mm                                 
          I/O Options      32-bit PCI slots (4), floppy drive interface, 
                           IDE interfaces (2), parallel port, PS/2 mouse 
                           port, serial ports (2), IR connector, USB     
                           connectors (2), ATX power connector, AGP slot 
       
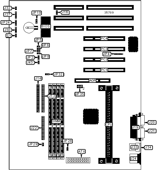
   IMG IMG 1
          
       
          +------------------------------------------------------------+
          |                        CONNECTIONS                         |
          |------------------------------------------------------------|
          | Purpose           | Location | Purpose          | Location |
          |-------------------+----------+------------------+----------|
          | AGP slot          |   AGP    | Reset switch     |   J32    |
          |-------------------+----------+------------------+----------|
          | ATX power         |   ATX    | USB connector 1  |   J33    |
          | connector         |          |                  |          |
          |-------------------+----------+------------------+----------|
          | IDE interface 1   |   J13    | USB connector 2  |   J34    |
          |-------------------+----------+------------------+----------|
          | IDE interface 2   |   J14    | IR connector     |   JP4    |
          |-------------------+----------+------------------+----------|
          | Parallel port     |   J19    | Speaker          |   JP24   |
          |-------------------+----------+------------------+----------|
          | Serial port 1     |   J20    | CPU fan power    |   JP28   |
          |-------------------+----------+------------------+----------|
          | Serial port 2     |   J21    | Chassis fan      |   JP29   |
          |                   |          | power            |          |
          |-------------------+----------+------------------+----------|
          | Floppy drive      |   J22    | AGP fan power    |   JP43   |
          | interface         |          |                  |          |
          |-------------------+----------+------------------+----------|
          | PS/2 mouse port   |   J24    | 32-bit PCI slots |  PC1 –   |
          |                   |          |                  |   PC4    |
          |-------------------+----------+------------------+----------|
          | Power LED &       |   J27    | Soft off power   |    S1    |
          | keylock           |          | supply           |          |
          |-------------------+----------+------------------+----------|
          | IDE interface LED |   J30    |                  |          |
          +------------------------------------------------------------+
       
          +------------------------------------------------------------+
          |                 USER CONFIGURABLE SETTINGS                 |
          |------------------------------------------------------------|
          |               Function                | Label |  Position  |
          |---------------------------------------+-------+------------|
          | » | Factory configured - do not alter |  J16  | Pins 2 & 3 |
          |   |                                   |       |   closed   |
          |---+-----------------------------------+-------+------------|
          | » | Factory configured - do not alter |  J42  |    Open    |
          |---+-----------------------------------+-------+------------|
          | » | Factory configured - do not alter |  JP2  | Pins 2 & 3 |
          |   |                                   |       |   closed   |
          |---+-----------------------------------+-------+------------|
          | » | CMOS memory normal operation      | JP19  | Pins 2 & 3 |
          |   |                                   |       |   closed   |
          |---+-----------------------------------+-------+------------|
          |   | CMOS memory clear                 | JP19  | Pins 1 & 2 |
          |   |                                   |       |   closed   |
          |---+-----------------------------------+-------+------------|
          |   | Any hard drive installed          | JP32  | Pins 1 & 2 |
          |   |                                   |       |   closed   |
          |---+-----------------------------------+-------+------------|
          |   | Seagate 5v hard drive installed   | JP32  | Pins 2 & 3 |
          |   |                                   |       |   closed   |
          +------------------------------------------------------------+
       
          +------------------------------------------------------------+
          |                     DIMM CONFIGURATION                     |
          |------------------------------------------------------------|
          | Size |   Bank 0    |   Bank 1    |   Bank 2   |   Bank 3   |
          |------+-------------+-------------+------------+------------|
          | 8MB  | (1) 1M x 64 |    None     |    None    |    None    |
          |------+-------------+-------------+------------+------------|
          | 16MB | (1) 2M x 64 |    None     |    None    |    None    |
          |------+-------------+-------------+------------+------------|
          | 16MB | (1) 1M x 64 | (1) 1M x 64 |    None    |    None    |
          |------+-------------+-------------+------------+------------|
          | 24MB | (1) 2M x 64 | (1) 1M x 64 |    None    |    None    |
          |------+-------------+-------------+------------+------------|
          | 24MB | (1) 1M x 64 | (1) 1M x 64 |  (1) 1M x  |    None    |
          |      |             |             |     64     |            |
          |------+-------------+-------------+------------+------------|
          | 32MB | (1) 4M x 64 |    None     |    None    |    None    |
          |------+-------------+-------------+------------+------------|
          | 32MB | (1) 2M x 64 | (1) 2M x 64 |    None    |    None    |
          |------+-------------+-------------+------------+------------|
          | 32MB | (1) 1M x 64 | (1) 1M x 64 |  (1) 1M x  |  (1) 1M x  |
          |      |             |             |     64     |     64     |
          |------+-------------+-------------+------------+------------|
          | 40MB | (1) 4M x 64 | (1) 1M x 64 |    None    |    None    |
          |------+-------------+-------------+------------+------------|
          | 48MB | (1) 4M x 64 | (1) 2M x 64 |    None    |    None    |
          +------------------------------------------------------------+
       
          +------------------------------------------------------------+
          |                 DIMM CONFIGURATION (CON’T)                 |
          |------------------------------------------------------------|
          | Size  |   Bank 0    |   Bank 1   |   Bank 2   |   Bank 3   |
          |-------+-------------+------------+------------+------------|
          | 48MB  | (1) 2M x 64 |  (1) 2M x  |  (1) 2M x  |    None    |
          |       |             |     64     |     64     |            |
          |-------+-------------+------------+------------+------------|
          | 64MB  | (1) 2M x 64 |  (1) 2M x  |  (1) 2M x  |  (1) 2M x  |
          |       |             |     64     |     64     |     64     |
          |-------+-------------+------------+------------+------------|
          | 64MB  | (1) 8M x 64 |    None    |    None    |    None    |
          |-------+-------------+------------+------------+------------|
          | 64MB  | (1) 4M x 64 |  (1) 4M x  |    None    |    None    |
          |       |             |     64     |            |            |
          |-------+-------------+------------+------------+------------|
          | 72MB  | (1) 8M x 64 |  (1) 1M x  |    None    |    None    |
          |       |             |     64     |            |            |
          |-------+-------------+------------+------------+------------|
          | 80MB  | (1) 8M x 64 |  (1) 2M x  |    None    |    None    |
          |       |             |     64     |            |            |
          |-------+-------------+------------+------------+------------|
          | 96MB  | (1) 8M x 64 |  (1) 4M x  |    None    |    None    |
          |       |             |     64     |            |            |
          |-------+-------------+------------+------------+------------|
          | 96MB  | (1) 4M x 64 |  (1) 4M x  |  (1) 4M x  |    None    |
          |       |             |     64     |     64     |            |
          |-------+-------------+------------+------------+------------|
          | 128MB |  (1) 16M x  |    None    |    None    |    None    |
          |       |     64      |            |            |            |
          |-------+-------------+------------+------------+------------|
          | 128MB | (1) 8M x 64 |  (1) 8M x  |    None    |    None    |
          |       |             |     64     |            |            |
          |-------+-------------+------------+------------+------------|
          | 128MB | (1) 4M x 64 |  (1) 4M x  |  (1) 4M x  |  (1) 4M x  |
          |       |             |     64     |     64     |     64     |
          |-------+-------------+------------+------------+------------|
          | 136MB |  (1) 16M x  |  (1) 1M x  |    None    |    None    |
          |       |     64      |     64     |            |            |
          |-------+-------------+------------+------------+------------|
          | 144MB |  (1) 16M x  |  (1) 2M x  |    None    |    None    |
          |       |     64      |     64     |            |            |
          |-------+-------------+------------+------------+------------|
          | 176MB |  (1) 16M x  |  (1) 2M x  |  (1) 2M x  |  (1) 2M x  |
          |       |     64      |     64     |     64     |     64     |
          |-------+-------------+------------+------------+------------|
          | 192MB |  (1) 16M x  |  (1) 8M x  |    None    |    None    |
          |       |     64      |     64     |            |            |
          |-------+-------------+------------+------------+------------|
          | 192MB | (1) 8M x 64 |  (1) 8M x  |  (1) 8M x  |    None    |
          |       |             |     64     |     64     |            |
          |-------+-------------+------------+------------+------------|
          | 256MB |  (1) 16M x  | (1) 16M x  |    None    |    None    |
          |       |     64      |     64     |            |            |
          |-------+-------------+------------+------------+------------|
          | 256MB | (1) 8M x 64 |  (1) 8M x  |  (1) 8M x  |  (1) 8M x  |
          |       |             |     64     |     64     |     64     |
          |-------+-------------+------------+------------+------------|
          | 272MB |  (1) 16M x  | (1) 16M x  |  (1) 1M x  |  (1) 1M x  |
          |       |     64      |     64     |     64     |     64     |
          |-------+-------------+------------+------------+------------|
          | 288MB |  (1) 16M x  | (1) 16M x  |  (1) 2M x  |  (1) 2M x  |
          |       |     64      |     64     |     64     |     64     |
          |-------+-------------+------------+------------+------------|
          | 320MB |  (1) 16M x  | (1) 16M x  |  (1) 4M x  |  (1) 4M x  |
          |       |     64      |     64     |     64     |     64     |
          |-------+-------------+------------+------------+------------|
          | 384MB |  (1) 16M x  | (1) 16M x  | (1) 16M x  |    None    |
          |       |     64      |     64     |     64     |            |
          |-------+-------------+------------+------------+------------|
          | 512MB |  (1) 16M x  | (1) 16M x  | (1) 16M x  | (1) 16M x  |
          |       |     64      |     64     |     64     |     64     |
          |------------------------------------------------------------|
          | Note: Board accepts EDO & SDRAM memory.                    |
          +------------------------------------------------------------+
       
          +------------------------------------------------------------+
          |                    CACHE CONFIGURATION                     |
          |------------------------------------------------------------|
          | Note: 256KB/512KB cache is located on the Pentium II CPU.  |
          +------------------------------------------------------------+
       
          +------------------------------------------------------------+
          |                    CPU SPEED SELECTION                     |
          |------------------------------------------------------------|
          |  CPU  | Clock  |Multiplier| JP5  | JP6  | JP7  | JP8  |JP35|
          | speed | speed  |          |      |      |      |      |    |
          |-------+--------+----------+------+------+------+------+----|
          |233MHz | 66MHz  |   3.5x   |Closed| Open |Closed| Open |Open|
          |-------+--------+----------+------+------+------+------+----|
          |266MHz | 66MHz  |    4x    | Open |Closed|Closed|Closed|Open|
          |-------+--------+----------+------+------+------+------+----|
          |300MHz | 66MHz  |   4.5x   | Open |Closed|Closed| Open |Open|
          |-------+--------+----------+------+------+------+------+----|
          |333MHz | 66MHz  |    5x    | Open | Open |Closed|Closed|Open|
          +------------------------------------------------------------+