URI: 
  TEXT View Source
       
       # A-TREND TECHNOLOGY CORPORATION
       
          ATC-5020+
       
          Device Type      Mainboard                                     
          Processor        CX 6X86L/CX 6X86MX/AM K5/AM                   
                           K6/Pentium/Pentium MMX                        
          Processor Speed  120/133/150/166/180/200/233MHz                
          Chip Set         Intel 430TX                                   
          Maximum Onboard  256MB (EDO & SDRAM supported)                 
          Memory           
          Cache            512KB                                         
          BIOS             Award                                         
          Dimensions       305mm x 210mm                                 
          I/O Options      32-bit PCI slots (4), floppy drive interface, 
                           green PC connector, IDE interfaces (2),       
                           parallel port, PS/2 mouse port, serial ports  
                           (2), IR connector, USB connectors (2), ATX    
                           power connector                               
       
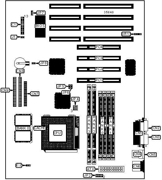
   IMG IMG 1
          
       
          +------------------------------------------------------------+
          |                        CONNECTIONS                         |
          |------------------------------------------------------------|
          | Purpose        |  Location   | Purpose         | Location  |
          |----------------+-------------+-----------------+-----------|
          | ATX power      |     ATX     | Parallel port   |    CN3    |
          | connector      |             |                 |           |
          |----------------+-------------+-----------------+-----------|
          | Reset switch   | C1/pins 1 & | USB connector 1 |    CN4    |
          |                |      2      |                 |           |
          |----------------+-------------+-----------------+-----------|
          | Green PC       | C1/pins 4 & | USB connector 2 |    CN5    |
          | connector      |      5      |                 |           |
          |----------------+-------------+-----------------+-----------|
          | Turbo LED      | C1/pins 7 & | PS/2 mouse port |    CN6    |
          |                |      8      |                 |           |
          |----------------+-------------+-----------------+-----------|
          | IDE interface  | C1/pins 10  | Floppy drive    |    CN7    |
          | LED            |    & 11     | interface       |           |
          |----------------+-------------+-----------------+-----------|
          | Speaker        | C1/pins 13  | IDE interface 2 |    CN8    |
          |                |    - 16     |                 |           |
          |----------------+-------------+-----------------+-----------|
          | Power LED &    | C1/pins 18  | IDE interface 1 |    CN9    |
          | keylock        |    & 20     |                 |           |
          |----------------+-------------+-----------------+-----------|
          | Chassis fan    |     C2      | IR connector    |    IR1    |
          | power          |             |                 |           |
          |----------------+-------------+-----------------+-----------|
          | Serial port 1  |     CN1     | Soft off power  |    J1     |
          |                |             | supply          |           |
          |----------------+-------------+-----------------+-----------|
          | Serial port 2  |     CN2     | 32-bit PCI      | PC1 - PC4 |
          |                |             | slots           |           |
          +------------------------------------------------------------+
       
          +------------------------------------------------------------+
          |                 USER CONFIGURABLE SETTINGS                 |
          |------------------------------------------------------------|
          |              Function               | Label |   Position   |
          |-------------------------------------+-------+--------------|
          | » | Factory configured - do not     |  JP7  | Unidentified |
          |   | alter                           |       |              |
          |---+---------------------------------+-------+--------------|
          | » | CMOS memory normal operation    |  JP8  |    Closed    |
          |---+---------------------------------+-------+--------------|
          |   | CMOS memory clear               |  JP8  |     Open     |
          +------------------------------------------------------------+
       
          +------------------------------------------------------------+
          |                     SIMM CONFIGURATION                     |
          |------------------------------------------------------------|
          |       Size       |       Bank 0       |       Bank 1       |
          |------------------+--------------------+--------------------|
          |       8MB        |    (2) 1M x 36     |        None        |
          |------------------+--------------------+--------------------|
          |       16MB       |    (2) 2M x 36     |        None        |
          |------------------+--------------------+--------------------|
          |       16MB       |    (2) 1M x 36     |    (2) 1M x 36     |
          |------------------+--------------------+--------------------|
          |       24MB       |    (2) 2M x 36     |    (2) 1M x 36     |
          |------------------+--------------------+--------------------|
          |       32MB       |    (2) 4M x 36     |        None        |
          |------------------+--------------------+--------------------|
          |       32MB       |    (2) 2M x 36     |    (2) 2M x 36     |
          |------------------+--------------------+--------------------|
          |       40MB       |    (2) 4M x 36     |    (2) 1M x 36     |
          |------------------+--------------------+--------------------|
          |       48MB       |    (2) 4M x 36     |    (2) 2M x 36     |
          |------------------+--------------------+--------------------|
          |       64MB       |    (2) 8M x 36     |        None        |
          |------------------+--------------------+--------------------|
          |       64MB       |    (2) 4M x 36     |    (2) 4M x 36     |
          |------------------+--------------------+--------------------|
          |       72MB       |    (2) 8M x 36     |    (2) 1M x 36     |
          |------------------+--------------------+--------------------|
          |       80MB       |    (2) 8M x 36     |    (2) 2M x 36     |
          |------------------+--------------------+--------------------|
          |       96MB       |    (2) 8M x 36     |    (2) 4M x 36     |
          |------------------+--------------------+--------------------|
          |      128MB       |    (2) 8M x 36     |    (2) 8M x 36     |
          |------------------+--------------------+--------------------|
          |      128MB       |    (2) 16M x 36    |        None        |
          +------------------------------------------------------------+
       
          +------------------------------------------------------------+
          |                 SIMM CONFIGURATION (CON'T)                 |
          |------------------------------------------------------------|
          |       Size       |       Bank 0       |       Bank 1       |
          |------------------+--------------------+--------------------|
          |      136MB       |    (2) 16M x 36    |    (2) 1M x 36     |
          |------------------+--------------------+--------------------|
          |      144MB       |    (2) 16M x 36    |    (2) 2M x 36     |
          |------------------+--------------------+--------------------|
          |      160MB       |    (2) 16M x 36    |    (2) 4M x 36     |
          |------------------+--------------------+--------------------|
          |      192MB       |    (2) 16M x 36    |    (2) 8M x 36     |
          |------------------+--------------------+--------------------|
          |      256MB       |    (2) 16M x 36    |    (2) 16M x 36    |
          |------------------------------------------------------------|
          | Note: Board accepts EDO memory.                            |
          +------------------------------------------------------------+
       
          +------------------------------------------------------------+
          |                     DIMM CONFIGURATION                     |
          |------------------------------------------------------------|
          |       Size       |       Bank 2       |       Bank 3       |
          |------------------+--------------------+--------------------|
          |       8MB        |    (1) 1M x 64     |        None        |
          |------------------+--------------------+--------------------|
          |       16MB       |    (1) 2M x 64     |        None        |
          |------------------+--------------------+--------------------|
          |       16MB       |    (1) 1M x 64     |    (1) 1M x 64     |
          |------------------+--------------------+--------------------|
          |       24MB       |    (1) 2M x 64     |    (1) 1M x 64     |
          |------------------+--------------------+--------------------|
          |       32MB       |    (1) 4M x 64     |        None        |
          |------------------+--------------------+--------------------|
          |       32MB       |    (1) 2M x 64     |    (1) 2M x 64     |
          |------------------+--------------------+--------------------|
          |       40MB       |    (1) 4M x 64     |    (1) 1M x 64     |
          |------------------+--------------------+--------------------|
          |       48MB       |    (1) 4M x 64     |    (1) 2M x 64     |
          |------------------+--------------------+--------------------|
          |       64MB       |    (1) 8M x 64     |        None        |
          |------------------+--------------------+--------------------|
          |       64MB       |    (1) 4M x 64     |    (1) 4M x 64     |
          |------------------+--------------------+--------------------|
          |       72MB       |    (1) 8M x 64     |    (1) 1M x 64     |
          |------------------+--------------------+--------------------|
          |       80MB       |    (1) 8M x 64     |    (1) 2M x 64     |
          |------------------+--------------------+--------------------|
          |       96MB       |    (1) 8M x 64     |    (1) 4M x 64     |
          |------------------+--------------------+--------------------|
          |      128MB       |    (1) 16M x 64    |        None        |
          |------------------+--------------------+--------------------|
          |      128MB       |    (1) 8M x 64     |    (1) 8M x 64     |
          |------------------+--------------------+--------------------|
          |      136MB       |    (1) 16M x 64    |    (1) 1M x 64     |
          |------------------+--------------------+--------------------|
          |      144MB       |    (1) 16M x 64    |    (1) 2M x 64     |
          |------------------+--------------------+--------------------|
          |      160MB       |    (1) 16M x 64    |    (1) 4M x 64     |
          |------------------+--------------------+--------------------|
          |      192MB       |    (1) 16M x 64    |    (1) 8M x 64     |
          |------------------+--------------------+--------------------|
          |      256MB       |    (1) 16M x 64    |    (1) 16M x 64    |
          |------------------------------------------------------------|
          |      Note: Board accepts SDRAM memory.                     |
          +------------------------------------------------------------+
       
          +------------------------------------------------------------+
          |                    CACHE CONFIGURATION                     |
          |------------------------------------------------------------|
          |            Size            |            Bank 0             |
          |----------------------------+-------------------------------|
          |           512KB            |         (2) 64K x 32          |
          +------------------------------------------------------------+
       
          +------------------------------------------------------------+
          |               CPU SPEED SELECTION (CX 6X86L)               |
          |------------------------------------------------------------|
          |   CPU    |  Clock  | Multiplier |   JP4    |  JP5  |  JP6  |
          |  speed   |  speed  |            |          |       |       |
          |----------+---------+------------+----------+-------+-------|
          |  150MHz  |  60MHz  |     2x     | 2 & 3, 4 | 1 & 2 | 2 & 3 |
          |          |         |            |   & 5    |       |       |
          |----------+---------+------------+----------+-------+-------|
          |  166MHz  |  66MHz  |     2x     | 2 & 3, 4 | 1 & 2 | 1 & 2 |
          |          |         |            |   & 5    |       |       |
          |----------+---------+------------+----------+-------+-------|
          |  200MHz  |  75MHz  |     2x     | 2 & 3, 4 | 2 & 3 | 1 & 2 |
          |          |         |            |   & 5    |       |       |
          |------------------------------------------------------------|
          | Note: Pins designated should be in the closed position.    |
          +------------------------------------------------------------+
       
          +------------------------------------------------------------+
          |              CPU SPEED SELECTION (CX 6X86MX)               |
          |------------------------------------------------------------|
          |   CPU    |  Clock  | Multiplier |   JP4    |  JP5  |  JP6  |
          |  speed   |  speed  |            |          |       |       |
          |----------+---------+------------+----------+-------+-------|
          |  150MHz  |  60MHz  |     2x     | 2 & 3, 4 | 1 & 2 | 2 & 3 |
          |          |         |            |   & 5    |       |       |
          |----------+---------+------------+----------+-------+-------|
          |  166MHz  |  66MHz  |     2x     | 2 & 3, 4 | 1 & 2 | 1 & 2 |
          |          |         |            |   & 5    |       |       |
          |----------+---------+------------+----------+-------+-------|
          |  166MHz  |  60MHz  |    2.5x    | 2 & 3, 5 | 1 & 2 | 2 & 3 |
          |          |         |            |   & 6    |       |       |
          |----------+---------+------------+----------+-------+-------|
          |  200MHz  |  66MHz  |    2.5x    | 2 & 3, 5 | 1 & 2 | 1 & 2 |
          |          |         |            |   & 6    |       |       |
          |----------+---------+------------+----------+-------+-------|
          |  200MHz  |  75MHz  |     2x     | 2 & 3, 4 | 2 & 3 | 1 & 2 |
          |          |         |            |   & 5    |       |       |
          |------------------------------------------------------------|
          | Note: Pins designated should be in the closed position.    |
          +------------------------------------------------------------+
       
          +------------------------------------------------------------+
          |                CPU SPEED SELECTION (AM K5)                 |
          |------------------------------------------------------------|
          |   CPU    |  Clock  | Multiplier |   JP4    |  JP5  |  JP6  |
          |  speed   |  speed  |            |          |       |       |
          |----------+---------+------------+----------+-------+-------|
          |  100MHz  |  66MHz  |    1.5x    | 1 & 2, 4 | 1 & 2 | 1 & 2 |
          |          |         |            |   & 5    |       |       |
          |----------+---------+------------+----------+-------+-------|
          |  120MHz  |  60MHz  |    1.5x    | 1 & 2, 4 | 1 & 2 | 2 & 3 |
          |          |         |            |   & 5    |       |       |
          |----------+---------+------------+----------+-------+-------|
          |  133MHz  |  66MHz  |    1.5x    | 1 & 2, 4 | 1 & 2 | 1 & 2 |
          |          |         |            |   & 5    |       |       |
          |----------+---------+------------+----------+-------+-------|
          |  166MHz  |  66MHz  |    2.5x    | 2 & 3, 5 | 1 & 2 | 1 & 2 |
          |          |         |            |   & 6    |       |       |
          |------------------------------------------------------------|
          | Note: Pins designated should be in the closed position.    |
          +------------------------------------------------------------+
       
          +------------------------------------------------------------+
          |                CPU SPEED SELECTION (AM K6)                 |
          |------------------------------------------------------------|
          |   CPU    |  Clock  | Multiplier |   JP4    |  JP5  |  JP6  |
          |  speed   |  speed  |            |          |       |       |
          |----------+---------+------------+----------+-------+-------|
          |  166MHz  |  66MHz  |    2.5x    | 2 & 3, 5 | 1 & 2 | 1 & 2 |
          |          |         |            |   & 6    |       |       |
          |----------+---------+------------+----------+-------+-------|
          |  200MHz  |  66MHz  |     3x     | 1 & 2, 5 | 1 & 2 | 1 & 2 |
          |          |         |            |   & 6    |       |       |
          |----------+---------+------------+----------+-------+-------|
          |  233MHz  |  66MHz  |    3.5x    | 1 & 2, 4 | 1 & 2 | 1 & 2 |
          |          |         |            |   & 5    |       |       |
          |------------------------------------------------------------|
          | Note: Pins designated should be in the closed position.    |
          +------------------------------------------------------------+
       
          +------------------------------------------------------------+
          |                CPU SPEED SELECTION (INTEL)                 |
          |------------------------------------------------------------|
          |   CPU    |  Clock  | Multiplier |   JP4    |  JP5  |  JP6  |
          |  speed   |  speed  |            |          |       |       |
          |----------+---------+------------+----------+-------+-------|
          |  120MHz  |  60MHz  |     2x     | 2 & 3, 4 | 1 & 2 | 2 & 3 |
          |          |         |            |   & 5    |       |       |
          |----------+---------+------------+----------+-------+-------|
          |  133MHz  |  66MHz  |     2x     | 2 & 3, 4 | 1 & 2 | 1 & 2 |
          |          |         |            |   & 5    |       |       |
          |----------+---------+------------+----------+-------+-------|
          |  150MHz  |  60MHz  |    2.5x    | 2 & 3, 5 | 1 & 2 | 2 & 3 |
          |          |         |            |   & 6    |       |       |
          |----------+---------+------------+----------+-------+-------|
          |  166MHz  |  66MHz  |    2.5x    | 2 & 3, 5 | 1 & 2 | 1 & 2 |
          |          |         |            |   & 6    |       |       |
          |----------+---------+------------+----------+-------+-------|
          |  180MHz  |  60MHz  |     3x     | 1 & 2, 5 | 1 & 2 | 2 & 3 |
          |          |         |            |   & 6    |       |       |
          |----------+---------+------------+----------+-------+-------|
          |  200MHz  |  66MHz  |     3x     | 1 & 2, 5 | 1 & 2 | 1 & 2 |
          |          |         |            |   & 6    |       |       |
          |------------------------------------------------------------|
          | Note: Pins designated should be in the closed position.    |
          +------------------------------------------------------------+
       
          +------------------------------------------------------------+
          |              CPU SPEED SELECTION (INTEL MMX)               |
          |------------------------------------------------------------|
          |   CPU    |  Clock  | Multiplier |   JP4    |  JP5  |  JP6  |
          |  speed   |  speed  |            |          |       |       |
          |----------+---------+------------+----------+-------+-------|
          |  166MHz  |  66MHz  |    2.5x    | 2 & 3, 5 | 1 & 2 | 1 & 2 |
          |          |         |            |   & 6    |       |       |
          |----------+---------+------------+----------+-------+-------|
          |  200MHz  |  66MHz  |     3x     | 1 & 2, 5 | 1 & 2 | 1 & 2 |
          |          |         |            |   & 6    |       |       |
          |----------+---------+------------+----------+-------+-------|
          |  233MHz  |  66MHz  |    3.5x    | 1 & 2, 4 | 1 & 2 | 1 & 2 |
          |          |         |            |   & 5    |       |       |
          |------------------------------------------------------------|
          | Note: Pins designated should be in the closed position.    |
          +------------------------------------------------------------+
       
          +------------------------------------------------------------+
          |                     CPU TYPE SELECTION                     |
          |------------------------------------------------------------|
          |            Type            |              JP2              |
          |----------------------------+-------------------------------|
          |           AM K5            |       Pins 1 & 2 closed       |
          |----------------------------+-------------------------------|
          |           AM K6            |       Pins 7 & 8 closed       |
          |----------------------------+-------------------------------|
          |         AM K6-233          |       Pins 5 & 6 closed       |
          |----------------------------+-------------------------------|
          |          CX 6X86L          |      Pins 9 & 10 closed       |
          |----------------------------+-------------------------------|
          |         CX 6X86MX          |       Pins 7 & 8 closed       |
          |----------------------------+-------------------------------|
          |         Intel MMX          |      Pins 9 & 10 closed       |
          |----------------------------+-------------------------------|
          |         Intel STD          |       Pins 3 & 4 closed       |
          |----------------------------+-------------------------------|
          |         Intel VRE          |       Pins 1 & 2 closed       |
          +------------------------------------------------------------+