URI: 
  TEXT View Source
       
       # ACTION WELL DEVELOPMENT, LTD.
       
          AM-8887
       
       Device     Mainboard                                                        
       Type       
       Processor  80486SX/UMC486DX/AM486DX/80486DX/SL80486DX/UMC486DX2/            
                  CX486DX2/IBM486DX2/TI486DX2/AM486DX2/80486DX2/                   
                                                                                   
                  SL80486DX2/CX486DX4/IBM486DX4/TI486DX4/AM486DX4/                 
                                                                                   
                  (SL) AM486DX4/SL80486DX4/P24D/P24T/CX 5X86/AM 5X86               
       Processor  25/33/40/50(internal)/50/66(internal)/75(internal)/80(internal)/ 
       Speed                                                                       
                  100(internal)/120(internal)/133(internal)MHz                     
       Chip Set   UMC                                                              
       Maximum    64MB (EDO & SDRAM supported)                                     
       Onboard    
       Memory     
       Cache      128/256/512KB                                                    
       BIOS       AMI                                                              
       Dimensions 220mm x 180mm                                                    
       I/O        32-bit PCI slots (3), floppy drive interface, green PC           
       Options    connector, IDE interfaces (2), parallel port, serial ports (2),  
                  IR connector                                                     
       
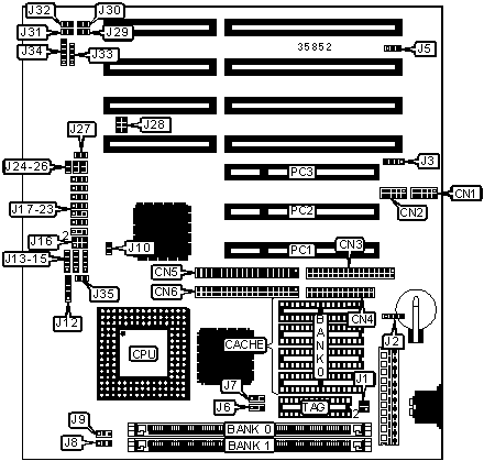
   IMG IMG 1
          
       
          +------------------------------------------------------------+
          |                        CONNECTIONS                         |
          |------------------------------------------------------------|
          | Purpose           | Location | Purpose          | Location |
          |-------------------+----------+------------------+----------|
          | Serial port 2     |   CN1    | Green PC         |   J10    |
          |                   |          | connector        |          |
          |-------------------+----------+------------------+----------|
          | Serial port 1     |   CN2    | IDE interface    |   J29    |
          |                   |          | LED              |          |
          |-------------------+----------+------------------+----------|
          | Floppy drive      |   CN3    | Turbo switch     |   J30    |
          | interface         |          |                  |          |
          |-------------------+----------+------------------+----------|
          | Parallel port     |   CN4    | Reset switch     |   J31    |
          |-------------------+----------+------------------+----------|
          | IDE interface 2   |   CN5    | Turbo LED        |   J32    |
          |-------------------+----------+------------------+----------|
          | IDE interface 1   |   CN6    | Speaker          |   J33    |
          |-------------------+----------+------------------+----------|
          | External battery  |    J2    | Power LED &      |   J34    |
          |                   |          | keylock          |          |
          |-------------------+----------+------------------+----------|
          | IR connector      |    J3    | 32-bit PCI slots |  PC1 –   |
          |                   |          |                  |   PC3    |
          +------------------------------------------------------------+
       
          +------------------------------------------------------------+
          |                 USER CONFIGURABLE SETTINGS                 |
          |------------------------------------------------------------|
          |             Function              | Label |    Position    |
          |-----------------------------------+-------+----------------|
          |   | Battery type select internal  |  J2   |   Pins 1 & 2   |
          |   |                               |       |     closed     |
          |---+-------------------------------+-------+----------------|
          |   | Battery type select external  |  J2   |      Open      |
          |---+-------------------------------+-------+----------------|
          |   | CMOS memory clear             |  J2   |   Pins 3 & 4   |
          |   |                               |       |     closed     |
          |---+-------------------------------+-------+----------------|
          | » | Flash BIOS voltage select 5v  |  J5   |   Pins 2 & 3   |
          |   |                               |       |     closed     |
          |---+-------------------------------+-------+----------------|
          |   | Flash BIOS voltage select 12v |  J5   |   Pins 1 & 2   |
          |   |                               |       |     closed     |
          +------------------------------------------------------------+
       
          +------------------------------------------------------------+
          |                     SIMM CONFIGURATION                     |
          |------------------------------------------------------------|
          |  Size  |    Bank 0     |    Bank 1     | Bank 2  | Bank 3  |
          |--------+---------------+---------------+---------+---------|
          |  1MB   | (1) 256K x 36 |     None      |  None   |  None   |
          |--------+---------------+---------------+---------+---------|
          |  2MB   | (1) 512K x 36 |     None      |  None   |  None   |
          |--------+---------------+---------------+---------+---------|
          |  2MB   | (1) 256K x 36 | (1) 256K x 36 |  None   |  None   |
          |--------+---------------+---------------+---------+---------|
          |  3MB   | (1) 512K x 36 | (1) 256K x 36 |  None   |  None   |
          |--------+---------------+---------------+---------+---------|
          |  4MB   |  (1) 1M x 36  |     None      |  None   |  None   |
          |--------+---------------+---------------+---------+---------|
          |  4MB   | (1) 512K x 36 | (1) 512K x 36 |  None   |  None   |
          |--------+---------------+---------------+---------+---------|
          |  5MB   |  (1) 1M x 36  | (1) 256K x 36 |  None   |  None   |
          |--------+---------------+---------------+---------+---------|
          |  6MB   |  (1) 1M x 36  | (1) 512K x 36 |  None   |  None   |
          |--------+---------------+---------------+---------+---------|
          |  8MB   |  (1) 1M x 36  |  (1) 1M x 36  |  None   |  None   |
          |--------+---------------+---------------+---------+---------|
          |  16MB  |  (1) 4M x 36  |     None      |  None   |  None   |
          |--------+---------------+---------------+---------+---------|
          |  17MB  |  (1) 4M x 36  | (1) 256K x 36 |  None   |  None   |
          |--------+---------------+---------------+---------+---------|
          |  18MB  |  (1) 4M x 36  | (1) 512K x 36 |  None   |  None   |
          |--------+---------------+---------------+---------+---------|
          |  20MB  |  (1) 4M x 36  |  (1) 1M x 36  |  None   |  None   |
          |--------+---------------+---------------+---------+---------|
          |  32MB  |  (1) 8M x 36  |     None      |  None   |  None   |
          |--------+---------------+---------------+---------+---------|
          |  32MB  |  (1) 4M x 36  |  (1) 4M x 36  |  None   |  None   |
          +------------------------------------------------------------+
       
          +------------------------------------------------------------+
          |                 SIMM CONFIGURATION (CON’T)                 |
          |------------------------------------------------------------|
          |  Size  |   Bank 0    |    Bank 1     |  Bank 2  |  Bank 3  |
          |--------+-------------+---------------+----------+----------|
          |  33MB  | (1) 8M x 36 | (1) 256K x 36 |   None   |   None   |
          |--------+-------------+---------------+----------+----------|
          |  34MB  | (1) 8M x 36 | (1) 512K x 36 |   None   |   None   |
          |--------+-------------+---------------+----------+----------|
          |  36MB  | (1) 8M x 36 |  (1) 1M x 36  |   None   |   None   |
          |--------+-------------+---------------+----------+----------|
          |  48MB  | (1) 8M x 36 |  (1) 4M x 36  |   None   |   None   |
          |--------+-------------+---------------+----------+----------|
          |  64MB  | (1) 8M x 36 |  (1) 8M x 36  |   None   |   None   |
          |------------------------------------------------------------|
          | Note: Board accepts EDO memory.                            |
          +------------------------------------------------------------+
       
          +------------------------------------------------------------+
          |                    CACHE CONFIGURATION                     |
          |------------------------------------------------------------|
          |       Size       |       Bank 0       |        TAG         |
          |------------------+--------------------+--------------------|
          |      128KB       |    (4) 32K x 8     |    (1) 32K x 8     |
          |------------------+--------------------+--------------------|
          |      256KB       |    (4) 64K x 8     |    (1) 32K x 8     |
          |------------------+--------------------+--------------------|
          |      512KB       |    (4) 128K x 8    |    (1) 32K x 8     |
          +------------------------------------------------------------+
       
          +------------------------------------------------------------+
          |                 CACHE JUMPER CONFIGURATION                 |
          |------------------------------------------------------------|
          |            Size            |              J1               |
          |----------------------------+-------------------------------|
          |           128KB            |             Open              |
          |----------------------------+-------------------------------|
          |           256KB            |       Pins 1 & 2 closed       |
          |----------------------------+-------------------------------|
          |           512KB            |   Pins 1 & 2, 3 & 4 closed    |
          +------------------------------------------------------------+
       
          +------------------------------------------------------------+
          |                    CPU SPEED SELECTION                     |
          |------------------------------------------------------------|
          |          Speed           |               J28               |
          |--------------------------+---------------------------------|
          |          25MHz           |        Pins 1 & 2 closed        |
          |--------------------------+---------------------------------|
          |          33MHz           | Pins 1 & 2, 3 & 4, 5 & 6 closed |
          |--------------------------+---------------------------------|
          |          40MHz           |    Pins 1 & 2, 3 & 4 closed     |
          |--------------------------+---------------------------------|
          |          50iMHz          |        Pins 1 & 2 closed        |
          |--------------------------+---------------------------------|
          |          50MHz           |        Pins 5 & 6 closed        |
          |--------------------------+---------------------------------|
          |          66iMHz          | Pins 1 & 2, 3 & 4, 5 & 6 closed |
          |--------------------------+---------------------------------|
          |          75iMHz          |        Pins 1 & 2 closed        |
          |--------------------------+---------------------------------|
          |          80iMHz          |    Pins 1 & 2, 3 & 4 closed     |
          |--------------------------+---------------------------------|
          |         100iMHz          | Pins 1 & 2, 3 & 4, 5 & 6 closed |
          |--------------------------+---------------------------------|
          |         120iMHz          |    Pins 1 & 2, 3 & 4 closed     |
          |--------------------------+---------------------------------|
          |         133iMHz          | Pins 1 & 2, 3 & 4, 5 & 6 closed |
          +------------------------------------------------------------+
       
          +------------------------------------------------------------+
          |                     CPU TYPE SELECTION                     |
          |------------------------------------------------------------|
          |     Type     |  J6   |  J7   |   J12    |   J13    |  J14  |
          |--------------+-------+-------+----------+----------+-------|
          |   80486SX    | 1 & 2 | 1 & 2 |   Open   |  2 & 3   | Open  |
          |--------------+-------+-------+----------+----------+-------|
          |   UMC486DX   | 1 & 2 | 1 & 2 | 2 & 3, 4 | 1 & 2, 3 | Open  |
          |              |       |       |   & 5    |   & 4    |       |
          |--------------+-------+-------+----------+----------+-------|
          |   AM486DX    | 1 & 2 | 2 & 3 |   Open   | 1 & 2, 3 | Open  |
          |              |       |       |          |   & 4    |       |
          |--------------+-------+-------+----------+----------+-------|
          |   80486DX    | 1 & 2 | 1 & 2 |   Open   | 1 & 2, 3 | Open  |
          |              |       |       |          |   & 4    |       |
          |--------------+-------+-------+----------+----------+-------|
          |  SL80486DX   | 1 & 2 | 1 & 2 | 2 & 3, 4 | 1 & 2, 3 | Open  |
          |              |       |       |   & 5    |   & 4    |       |
          |--------------+-------+-------+----------+----------+-------|
          |  UMC486DX2   | 1 & 2 | 1 & 2 | 2 & 3, 4 | 1 & 2, 3 | Open  |
          |              |       |       |   & 5    |   & 4    |       |
          |--------------+-------+-------+----------+----------+-------|
          |   CX486DX2   | 2 & 3 | 1 & 2 | 1 & 2, 3 | 1 & 2, 3 | 2 & 3 |
          |              |       |       |   & 4    |   & 4    |       |
          |--------------+-------+-------+----------+----------+-------|
          |  IBM486DX2   | 2 & 3 | 1 & 2 | 1 & 2, 3 | 1 & 2, 3 | 2 & 3 |
          |              |       |       |   & 4    |   & 4    |       |
          |--------------+-------+-------+----------+----------+-------|
          |   TI486DX2   | 2 & 3 | 1 & 2 | 1 & 2, 3 | 1 & 2, 3 | 2 & 3 |
          |              |       |       |   & 4    |   & 4    |       |
          |--------------+-------+-------+----------+----------+-------|
          |   AM486DX2   | 1 & 2 | 2 & 3 |   Open   | 1 & 2, 3 | Open  |
          |              |       |       |          |   & 4    |       |
          |--------------+-------+-------+----------+----------+-------|
          |   80486DX2   | 1 & 2 | 1 & 2 |   Open   | 1 & 2, 3 | Open  |
          |              |       |       |          |   & 4    |       |
          |--------------+-------+-------+----------+----------+-------|
          |  SL80486DX2  | 1 & 2 | 1 & 2 | 2 & 3, 4 | 1 & 2, 3 | Open  |
          |              |       |       |   & 5    |   & 4    |       |
          |--------------+-------+-------+----------+----------+-------|
          |   CX486DX4   | 2 & 3 | 1 & 2 | 1 & 2, 3 | 1 & 2, 3 | 2 & 3 |
          |              |       |       |   & 4    |   & 4    |       |
          |--------------+-------+-------+----------+----------+-------|
          |  IBM486DX4   | 2 & 3 | 1 & 2 | 1 & 2, 3 | 1 & 2, 3 | 2 & 3 |
          |              |       |       |   & 4    |   & 4    |       |
          |--------------+-------+-------+----------+----------+-------|
          |   TI486DX4   | 2 & 3 | 1 & 2 | 1 & 2, 3 | 1 & 2, 3 | 2 & 3 |
          |              |       |       |   & 4    |   & 4    |       |
          |--------------+-------+-------+----------+----------+-------|
          |   AM486DX4   | 1 & 2 | 2 & 3 |   Open   | 1 & 2, 3 | Open  |
          |              |       |       |          |   & 4    |       |
          |--------------+-------+-------+----------+----------+-------|
          |     (SL)     | 1 & 2 | 1 & 2 | 2 & 3, 4 | 1 & 2, 3 | Open  |
          |   AM486DX4   |       |       |   & 5    |   & 4    |       |
          |--------------+-------+-------+----------+----------+-------|
          |  SL80486DX4  | 1 & 2 | 1 & 2 | 2 & 3, 4 | 1 & 2, 3 | Open  |
          |              |       |       |   & 5    |   & 4    |       |
          |--------------+-------+-------+----------+----------+-------|
          |     P24D     | 1 & 2 | 1 & 2 | 1 & 2, 3 | 1 & 2, 3 | Open  |
          |              |       |       |   & 4    |   & 4    |       |
          |--------------+-------+-------+----------+----------+-------|
          |     P24T     | 1 & 2 | 1 & 2 | 2 & 3, 4 | 1 & 2, 3 | 1 & 2 |
          |              |       |       |   & 5    |   & 4    |       |
          |--------------+-------+-------+----------+----------+-------|
          |   CX 5X86    | 1 & 2 | 1 & 2 | 2 & 3, 4 | 1 & 2, 3 | Open  |
          |              |       |       |   & 5    |   & 4    |       |
          |--------------+-------+-------+----------+----------+-------|
          |   AM 5X86    | 1 & 2 | 1 & 2 | 2 & 3, 4 | 1 & 2, 3 | Open  |
          |              |       |       |   & 5    |   & 4    |       |
          |------------------------------------------------------------|
          | Note: Pins designated should be in the closed position.    |
          +------------------------------------------------------------+
       
          +------------------------------------------------------------+
          |                 CPU TYPE SELECTION (CON’T)                 |
          |------------------------------------------------------------|
          |     Type      |  J15  |    J16     |  J17  |  J18  |  J19  |
          |---------------+-------+------------+-------+-------+-------|
          |    80486SX    | Open  |   1 & 2    | Open  | Open  | Open  |
          |---------------+-------+------------+-------+-------+-------|
          |   UMC486DX    | 3 & 4 |   3 & 4    | Open  | Open  | Open  |
          |---------------+-------+------------+-------+-------+-------|
          |    AM486DX    | 3 & 4 |   1 & 2    | Open  | Open  | Open  |
          |---------------+-------+------------+-------+-------+-------|
          |    80486DX    | 3 & 4 |   1 & 2    | Open  | Open  | Open  |
          |---------------+-------+------------+-------+-------+-------|
          |   SL80486DX   | 3 & 4 |   3 & 4    | Open  | Open  | Open  |
          |---------------+-------+------------+-------+-------+-------|
          |   UMC486DX2   | 3 & 4 |   3 & 4    | Open  | Open  | Open  |
          |---------------+-------+------------+-------+-------+-------|
          |   CX486DX2    | 3 & 4 |   3 & 4    | 2 & 3 | 1 & 2 | 2 & 3 |
          |---------------+-------+------------+-------+-------+-------|
          |   IBM486DX2   | 3 & 4 |   3 & 4    | 2 & 3 | 1 & 2 | 2 & 3 |
          |---------------+-------+------------+-------+-------+-------|
          |   TI486DX2    | 3 & 4 |   3 & 4    | 2 & 3 | 1 & 2 | 2 & 3 |
          |---------------+-------+------------+-------+-------+-------|
          |   AM486DX2    | 3 & 4 |   1 & 2    | Open  | Open  | Open  |
          |---------------+-------+------------+-------+-------+-------|
          |   80486DX2    | 3 & 4 |   1 & 2    | Open  | Open  | Open  |
          |---------------+-------+------------+-------+-------+-------|
          |  SL80486DX2   | 3 & 4 |   3 & 4    | Open  | Open  | Open  |
          |---------------+-------+------------+-------+-------+-------|
          |   CX486DX4    | 3 & 4 |   3 & 4    | 2 & 3 | 1 & 2 | Open  |
          |---------------+-------+------------+-------+-------+-------|
          |   IBM486DX4   | 3 & 4 |   3 & 4    | 2 & 3 | 1 & 2 | Open  |
          |---------------+-------+------------+-------+-------+-------|
          |   TI486DX4    | 3 & 4 |   3 & 4    | 2 & 3 | 1 & 2 | Open  |
          |---------------+-------+------------+-------+-------+-------|
          |   AM486DX4    | 3 & 4 |   1 & 2    | Open  | Open  | Open  |
          |---------------+-------+------------+-------+-------+-------|
          | (SL) AM486DX4 | 3 & 4 |   3 & 4    | Open  | Open  | Open  |
          |---------------+-------+------------+-------+-------+-------|
          |  SL80486DX4   | 3 & 4 |   3 & 4    | Open  | Open  | Open  |
          |---------------+-------+------------+-------+-------+-------|
          |     P24D      | 3 & 4 |   3 & 4    | Open  | Open  | Open  |
          |---------------+-------+------------+-------+-------+-------|
          |     P24T      | 2 & 3 | 3 & 4, 5 & | 1 & 2 | 2 & 3 | Open  |
          |               |       |     6      |       |       |       |
          |---------------+-------+------------+-------+-------+-------|
          |    CX 5X86    | 3 & 4 |   3 & 4    | Open  | Open  | Open  |
          |---------------+-------+------------+-------+-------+-------|
          |    AM 5X86    | 3 & 4 |   3 & 4    | Open  | Open  | Open  |
          |------------------------------------------------------------|
          | Note: Pins designated should be in the closed position.    |
          +------------------------------------------------------------+
       
          +------------------------------------------------------------+
          |                 CPU TYPE SELECTION (CON’T)                 |
          |------------------------------------------------------------|
          |      Type      |  J20   |  J21   |  J22   |  J23  |  J24   |
          |----------------+--------+--------+--------+-------+--------|
          |    80486SX     |  Open  |  Open  |  Open  | Open  |  Open  |
          |----------------+--------+--------+--------+-------+--------|
          |    UMC486DX    | 1 & 2  | 2 & 3  |  Open  | 1 & 2 |  Open  |
          |----------------+--------+--------+--------+-------+--------|
          |    AM486DX     |  Open  |  Open  |  Open  | Open  |  Open  |
          |----------------+--------+--------+--------+-------+--------|
          |    80486DX     |  Open  |  Open  |  Open  | Open  |  Open  |
          |----------------+--------+--------+--------+-------+--------|
          |   SL80486DX    | 1 & 2  | 2 & 3  |  Open  | 1 & 2 |  Open  |
          |----------------+--------+--------+--------+-------+--------|
          |   UMC486DX2    | 1 & 2  | 2 & 3  |  Open  | 1 & 2 |  Open  |
          |----------------+--------+--------+--------+-------+--------|
          |    CX486DX2    | 2 & 3  |  Open  |  Open  | 1 & 2 |  Open  |
          |----------------+--------+--------+--------+-------+--------|
          |   IBM486DX2    | 2 & 3  |  Open  |  Open  | 1 & 2 |  Open  |
          |----------------+--------+--------+--------+-------+--------|
          |    TI486DX2    | 2 & 3  |  Open  |  Open  | 1 & 2 |  Open  |
          |----------------+--------+--------+--------+-------+--------|
          |    AM486DX2    |  Open  |  Open  |  Open  | Open  |  Open  |
          |----------------+--------+--------+--------+-------+--------|
          |    80486DX2    |  Open  |  Open  |  Open  | Open  |  Open  |
          |----------------+--------+--------+--------+-------+--------|
          |   SL80486DX2   | 1 & 2  | 2 & 3  |  Open  | 1 & 2 |  Open  |
          |----------------+--------+--------+--------+-------+--------|
          |    CX486DX4    | 2 & 3  |  Open  |  Open  | 1 & 2 |  Open  |
          |----------------+--------+--------+--------+-------+--------|
          |   IBM486DX4    | 2 & 3  |  Open  |  Open  | 1 & 2 |  Open  |
          |----------------+--------+--------+--------+-------+--------|
          |    TI486DX4    | 2 & 3  |  Open  |  Open  | 1 & 2 |  Open  |
          |----------------+--------+--------+--------+-------+--------|
          |    AM486DX4    |  Open  |  Open  |  Open  | Open  |  Open  |
          |----------------+--------+--------+--------+-------+--------|
          | (SL) AM486DX4  | 1 & 2  |  Open  | 2 & 3  | 1 & 2 | Closed |
          |----------------+--------+--------+--------+-------+--------|
          |   SL80486DX4   | 1 & 2  |  Open  |  Open  | 1 & 2 |  Open  |
          |----------------+--------+--------+--------+-------+--------|
          |      P24D      | 1 & 2  | 2 & 3  | 2 & 3  | 1 & 2 | Closed |
          |----------------+--------+--------+--------+-------+--------|
          |      P24T      | 1 & 2  | 2 & 3  |  Open  | 1 & 2 |  Open  |
          |----------------+--------+--------+--------+-------+--------|
          |    CX 5X86     | 1 & 2  |  Open  | 2 & 3  | 1 & 2 |  Open  |
          |----------------+--------+--------+--------+-------+--------|
          |    AM 5X86     | 1 & 2  | 1 & 2  | 2 & 3  | 1 & 2 | Closed |
          |------------------------------------------------------------|
          | Note: Pins designated should be in the closed position.    |
          +------------------------------------------------------------+
       
          +------------------------------------------------------------+
          |                 CPU TYPE SELECTION (CON’T)                 |
          |------------------------------------------------------------|
          |     Type      |     J25      |     J26      |     J27      |
          |---------------+--------------+--------------+--------------|
          |    80486SX    |     Open     |     Open     |     Open     |
          |---------------+--------------+--------------+--------------|
          |   UMC486DX    |     Open     |     Open     |     Open     |
          |---------------+--------------+--------------+--------------|
          |    AM486DX    |     Open     |     Open     |     Open     |
          |---------------+--------------+--------------+--------------|
          |    80486DX    |     Open     |     Open     |     Open     |
          |---------------+--------------+--------------+--------------|
          |   SL80486DX   |     Open     |     Open     |     Open     |
          |---------------+--------------+--------------+--------------|
          |   UMC486DX2   |     Open     |     Open     |     Open     |
          |---------------+--------------+--------------+--------------|
          |   CX486DX2    |     Open     |     Open     |     Open     |
          |---------------+--------------+--------------+--------------|
          |   IBM486DX2   |     Open     |     Open     |     Open     |
          |---------------+--------------+--------------+--------------|
          |   TI486DX2    |     Open     |     Open     |     Open     |
          |---------------+--------------+--------------+--------------|
          |   AM486DX2    |     Open     |     Open     |     Open     |
          |---------------+--------------+--------------+--------------|
          |   80486DX2    |     Open     |     Open     |     Open     |
          |---------------+--------------+--------------+--------------|
          |  SL80486DX2   |     Open     |     Open     |     Open     |
          |---------------+--------------+--------------+--------------|
          |   CX486DX4    |     Open     |     Open     |     Open     |
          |---------------+--------------+--------------+--------------|
          |   IBM486DX4   |     Open     |     Open     |     Open     |
          |---------------+--------------+--------------+--------------|
          |   TI486DX4    |     Open     |     Open     |     Open     |
          |---------------+--------------+--------------+--------------|
          |   AM486DX4    |     Open     |     Open     |     Open     |
          |---------------+--------------+--------------+--------------|
          | (SL) AM486DX4 |    Closed    |    Closed    |     Open     |
          |---------------+--------------+--------------+--------------|
          |  SL80486DX4   |     Open     |     Open     |     Open     |
          |---------------+--------------+--------------+--------------|
          |     P24D      |    Closed    |    Closed    |     Open     |
          |---------------+--------------+--------------+--------------|
          |     P24T      |     Open     |     Open     |     Open     |
          |---------------+--------------+--------------+--------------|
          |    CX 5X86    |    Closed    |     Open     |    Closed    |
          |---------------+--------------+--------------+--------------|
          |    AM 5X86    |    Closed    |    Closed    |     Open     |
          +------------------------------------------------------------+
       
          +------------------------------------------------------------+
          |                   CPU VOLTAGE SELECTION                    |
          |------------------------------------------------------------|
          | Voltage  |        J8         |        J9         |   J35   |
          |----------+-------------------+-------------------+---------|
          |   3.3v   | Pins 2 & 3 closed | Pins 2 & 3 closed | Closed  |
          |----------+-------------------+-------------------+---------|
          |    4v    | Pins 2 & 3 closed | Pins 2 & 3 closed |  Open   |
          |----------+-------------------+-------------------+---------|
          |    5v    | Pins 1 & 2 closed | Pins 1 & 2 closed |  Open   |
          +------------------------------------------------------------+