URI: 
  TEXT View Source
       
       # ACER, INC.
       
          ACERALTOS 9100 (M9N), M9N
       
          Device Type     Mainboard                                      
          Processor       Pentium II                                     
          Processor Speed 266/300MHz                                     
          Chip Set        Intel 440FX                                    
          Video Chip Set  Unidentified                                   
          Maximum Onboard 128MB (EDO supported)                          
          Memory          
          Maximum Video   2MB                                            
          Memory          
          Cache           256/512KB (located on Pentium II CPU)          
          BIOS            Acer                                           
          Dimensions      305mm x 244mm                                  
          I/O Options     32-bit PCI slots (5), Ethernet 10BaseT         
                          connector, floppy drive interface, IDE         
                          interface, SCSI interface, Wide Ultra SCSI     
                          interface, PS/2 mouse port, serial ports (2),  
                          VGA port, USB connectors (2), ATX power        
                          connector, CPU slot                            
       
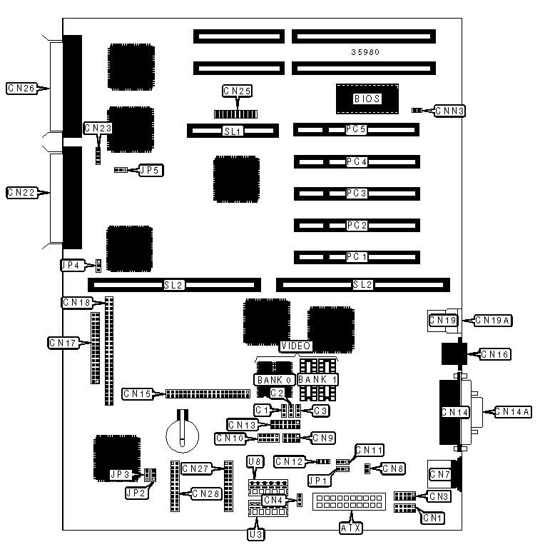
   IMG IMG 1
          
       
          +------------------------------------------------------------+
          |                        CONNECTIONS                         |
          |------------------------------------------------------------|
          | Purpose           | Location | Purpose          | Location |
          |-------------------+----------+------------------+----------|
          | ATX power         |   ATX    | Ethernet 10BaseT |   CN16   |
          | connector         |          | connector        |          |
          |-------------------+----------+------------------+----------|
          | Chassis fan power |    C1    | Floppy drive     |   CN17   |
          |                   |          | interface        |          |
          |-------------------+----------+------------------+----------|
          | Chassis fan power |    C2    | SCSI interface   |   CN18   |
          |-------------------+----------+------------------+----------|
          | Chassis fan power |    C3    | USB connector 1  |   CN19   |
          |-------------------+----------+------------------+----------|
          | Serial port 1     |   CN1    | USB connector 2  |  CN19A   |
          |-------------------+----------+------------------+----------|
          | Serial port 2     |   CN3    | External SCSI    |   CN22   |
          |                   |          | interface        |          |
          |-------------------+----------+------------------+----------|
          | Software shutdown |   CN4    | IDE interface    |   CN23   |
          | for 420 power     |          | LED              |          |
          |-------------------+----------+------------------+----------|
          | PS/2 mouse port   |   CN7    | SMM connector    |   CN25   |
          |-------------------+----------+------------------+----------|
          | Soft off power    |   CN8    | External SCSI    |   CN26   |
          | supply            |          | interface        |          |
          |-------------------+----------+------------------+----------|
          | Power LED &       |   CN9    | RDM connector    |   CN27   |
          | keylock           |          |                  |          |
          |-------------------+----------+------------------+----------|
          | Redundant power   |   CN10   | RDM connector    |   CN28   |
          | supply connector  |          |                  |          |
          |-------------------+----------+------------------+----------|
          | Redundant power   |   CN12   | Chassis          |   CNN3   |
          | supply shutdown   |          | intrusion        |          |
          |                   |          | connector        |          |
          |-------------------+----------+------------------+----------|
          | LED connector     |   CN13   | 32-bit PCI slots |  PC1 -   |
          |                   |          |                  |   PC5    |
          |-------------------+----------+------------------+----------|
          | Parallel port     |   CN14   | CPU slot         |   SL2    |
          |-------------------+----------+------------------+----------|
          | VGA port          |  CN14A   | 3.3v power       |    U3    |
          |-------------------+----------+------------------+----------|
          | IDE interface     |   CN15   | 3.3v power       |    U8    |
          +------------------------------------------------------------+
       
          +------------------------------------------------------------+
          |                 USER CONFIGURABLE SETTINGS                 |
          |------------------------------------------------------------|
          |              Function               | Label |   Position   |
          |-------------------------------------+-------+--------------|
          | » | Factory configured - do not     | CN11  | Unidentified |
          |   | alter                           |       |              |
          |---+---------------------------------+-------+--------------|
          | » | Software shutdown for CN4       |  JP1  |  Pins 1 & 2  |
          |   | enabled                         |       |    closed    |
          |---+---------------------------------+-------+--------------|
          |   | Software shutdown for CN4       |  JP1  |  Pins 2 & 3  |
          |   | disabled                        |       |    closed    |
          |---+---------------------------------+-------+--------------|
          | » | BIOS type select Acer           |  JP2  |  Pins 1 & 2  |
          |   |                                 |       |    closed    |
          |---+---------------------------------+-------+--------------|
          |   | BIOS type select OEM            |  JP2  |  Pins 2 & 3  |
          |   |                                 |       |    closed    |
          |---+---------------------------------+-------+--------------|
          | » | Password disabled               |  JP3  |  Pins 2 & 3  |
          |   |                                 |       |    closed    |
          |---+---------------------------------+-------+--------------|
          |   | Password enabled                |  JP3  |  Pins 1 & 2  |
          |   |                                 |       |    closed    |
          |---+---------------------------------+-------+--------------|
          | » | On board video enabled          |  JP5  |  Pins 1 & 2  |
          |   |                                 |       |    closed    |
          |---+---------------------------------+-------+--------------|
          |   | On board video disabled         |  JP5  |  Pins 2 & 3  |
          |   |                                 |       |    closed    |
          |---+---------------------------------+-------+--------------|
          | » | Factory configured - do not     |  SL1  | Unidentified |
          |   | alter                           |       |              |
          +------------------------------------------------------------+
       
          +------------------------------------------------------------+
          |                 VIDEO MEMORY CONFIGURATION                 |
          |------------------------------------------------------------|
          |       Size       |       Bank 0       |       Bank 1       |
          |------------------+--------------------+--------------------|
          |       1MB        |   (2) 256K x 16    |        None        |
          |------------------+--------------------+--------------------|
          |       2MB        |   (2) 256K x 16    |   (2) 256K x 16    |
          +------------------------------------------------------------+
       
          +------------------------------------------------------------+
          |                 SCSI TERMINATON SELECTION                  |
          |------------------------------------------------------------|
          |                Setting                 |        JP4        |
          |----------------------------------------+-------------------|
          |          Termination disabled          |       Open        |
          |----------------------------------------+-------------------|
          |          Termination enabled           | Pins 1 & 2 closed |
          |----------------------------------------+-------------------|
          | » Termination switchable through SCSI  | Pins 2 & 3 closed |
          |             select utility             |                   |
          +------------------------------------------------------------+
       
   IMG IMG 2
          
       
          +------------------------------------------------------------+
          |                        CONNECTIONS                         |
          |------------------------------------------------------------|
          | Purpose           | Location | Purpose          | Location |
          |-------------------+----------+------------------+----------|
          | Chassis fan power |   CN2    | Chassis fan      |   JP3    |
          |                   |          | power            |          |
          |-------------------+----------+------------------+----------|
          | Chassis fan power |   CN3    | Chassis fan      |   JP4    |
          |                   |          | power            |          |
          +------------------------------------------------------------+
       
          +------------------------------------------------------------+
          |                     DIMM CONFIGURATION                     |
          |------------------------------------------------------------|
          | Size |   Bank 0    |   Bank 1    |   Bank 2   |   Bank 3   |
          |------+-------------+-------------+------------+------------|
          | 8MB  | (1) 1M x 64 |    None     |    None    |    None    |
          |------+-------------+-------------+------------+------------|
          | 16MB | (1) 2M x 64 |    None     |    None    |    None    |
          |------+-------------+-------------+------------+------------|
          | 16MB | (1) 1M x 64 | (1) 1M x 64 |    None    |    None    |
          |------+-------------+-------------+------------+------------|
          | 24MB | (1) 2M x 64 | (1) 1M x 64 |    None    |    None    |
          |------+-------------+-------------+------------+------------|
          | 24MB | (1) 1M x 64 | (1) 1M x 64 |  (1) 1M x  |    None    |
          |      |             |             |     64     |            |
          |------+-------------+-------------+------------+------------|
          | 32MB | (1) 4M x 64 |    None     |    None    |    None    |
          |------+-------------+-------------+------------+------------|
          | 32MB | (1) 2M x 64 | (1) 2M x 64 |    None    |    None    |
          |------+-------------+-------------+------------+------------|
          | 32MB | (1) 1M x 64 | (1) 1M x 64 |  (1) 1M x  |  (1) 1M x  |
          |      |             |             |     64     |     64     |
          |------+-------------+-------------+------------+------------|
          | 40MB | (1) 4M x 64 | (1) 1M x 64 |    None    |    None    |
          |------+-------------+-------------+------------+------------|
          | 48MB | (1) 4M x 64 | (1) 2M x 64 |    None    |    None    |
          |------+-------------+-------------+------------+------------|
          | 48MB | (1) 2M x 64 | (1) 2M x 64 |  (1) 2M x  |    None    |
          |      |             |             |     64     |            |
          |------+-------------+-------------+------------+------------|
          | 64MB | (1) 2M x 64 | (1) 2M x 64 |  (1) 2M x  |  (1) 2M x  |
          |      |             |             |     64     |     64     |
          |------+-------------+-------------+------------+------------|
          | 64MB | (1) 8M x 64 |    None     |    None    |    None    |
          |------+-------------+-------------+------------+------------|
          | 64MB | (1) 4M x 64 | (1) 4M x 64 |    None    |    None    |
          |------+-------------+-------------+------------+------------|
          | 72MB | (1) 8M x 64 | (1) 1M x 64 |    None    |    None    |
          |------+-------------+-------------+------------+------------|
          | 80MB | (1) 8M x 64 | (1) 2M x 64 |    None    |    None    |
          |------+-------------+-------------+------------+------------|
          | 96MB | (1) 8M x 64 | (1) 4M x 64 |    None    |    None    |
          |------+-------------+-------------+------------+------------|
          | 96MB | (1) 4M x 64 | (1) 4M x 64 |  (1) 4M x  |    None    |
          |      |             |             |     64     |            |
          +------------------------------------------------------------+
       
          +------------------------------------------------------------+
          |                 DIMM CONFIGURATION (CON'T)                 |
          |------------------------------------------------------------|
          | Size  |   Bank 0    |   Bank 1   |   Bank 2   |   Bank 3   |
          |-------+-------------+------------+------------+------------|
          | 128MB |  (1) 16M x  |    None    |    None    |    None    |
          |       |     64      |            |            |            |
          |-------+-------------+------------+------------+------------|
          | 128MB | (1) 8M x 64 |  (1) 8M x  |    None    |    None    |
          |       |             |     64     |            |            |
          |-------+-------------+------------+------------+------------|
          | 128MB | (1) 4M x 64 |  (1) 4M x  |  (1) 4M x  |  (1) 4M x  |
          |       |             |     64     |     64     |     64     |
          |-------+-------------+------------+------------+------------|
          | 136MB |  (1) 16M x  |  (1) 1M x  |    None    |    None    |
          |       |     64      |     64     |            |            |
          |-------+-------------+------------+------------+------------|
          | 144MB |  (1) 16M x  |  (1) 2M x  |    None    |    None    |
          |       |     64      |     64     |            |            |
          |-------+-------------+------------+------------+------------|
          | 176MB |  (1) 16M x  |  (1) 2M x  |  (1) 2M x  |  (1) 2M x  |
          |       |     64      |     64     |     64     |     64     |
          |-------+-------------+------------+------------+------------|
          | 192MB |  (1) 16M x  |  (1) 8M x  |    None    |    None    |
          |       |     64      |     64     |            |            |
          |-------+-------------+------------+------------+------------|
          | 192MB | (1) 8M x 64 |  (1) 8M x  |  (1) 8M x  |    None    |
          |       |             |     64     |     64     |            |
          |-------+-------------+------------+------------+------------|
          | 256MB |  (1) 16M x  | (1) 16M x  |    None    |    None    |
          |       |     64      |     64     |            |            |
          |-------+-------------+------------+------------+------------|
          | 256MB | (1) 8M x 64 |  (1) 8M x  |  (1) 8M x  |  (1) 8M x  |
          |       |             |     64     |     64     |     64     |
          |-------+-------------+------------+------------+------------|
          | 272MB |  (1) 16M x  | (1) 16M x  |  (1) 1M x  |  (1) 1M x  |
          |       |     64      |     64     |     64     |     64     |
          |-------+-------------+------------+------------+------------|
          | 288MB |  (1) 16M x  | (1) 16M x  |  (1) 2M x  |  (1) 2M x  |
          |       |     64      |     64     |     64     |     64     |
          |-------+-------------+------------+------------+------------|
          | 320MB |  (1) 16M x  | (1) 16M x  |  (1) 4M x  |  (1) 4M x  |
          |       |     64      |     64     |     64     |     64     |
          |-------+-------------+------------+------------+------------|
          | 384MB |  (1) 16M x  | (1) 16M x  | (1) 16M x  |    None    |
          |       |     64      |     64     |     64     |            |
          |-------+-------------+------------+------------+------------|
          | 512MB |  (1) 16M x  | (1) 16M x  | (1) 16M x  | (1) 16M x  |
          |       |     64      |     64     |     64     |     64     |
          |------------------------------------------------------------|
          | Note: Board accepts EDO memory.                            |
          +------------------------------------------------------------+
       
          +-----------------------------------------------------------+
          |                    CACHE CONFIGURATION                    |
          |-----------------------------------------------------------|
          | Note: 256KB/512KB cache is located on the Pentium II CPU. |
          +-----------------------------------------------------------+
       
          +---------------------------------------------------------------+
          |                      CPU SPEED SELECTION                      |
          |---------------------------------------------------------------|
          | CPU  |Clock|Multiplier|JP1/pins|JP1/pins|JP1/pins|JP1/pins|JP5|
          |speed |speed|          | 1 & 2  | 3 & 4  | 5 & 6  | 7 & 8  |   |
          |------+-----+----------+--------+--------+--------+--------+---|
          |266MHz|66MHz|    4x    | Closed | Closed | Closed |  Open  |1 &|
          |      |     |          |        |        |        |        | 2 |
          |------+-----+----------+--------+--------+--------+--------+---|
          |300MHz|66MHz|   4.5x   | Closed |  Open  | Closed |  Open  |1 &|
          |      |     |          |        |        |        |        | 2 |
          |---------------------------------------------------------------|
          |Note: Pins designated should be in the closed position.        |
          +---------------------------------------------------------------+