URI: 
  TEXT View Source
       
       # ACER, INC.
       
          ACERALTOS 900K (M11C) (IDUN), M11C (IDUN)
       
          Device Type      Mainboard                                     
          Processor        Pentium II                                    
          Processor Speed  233/266MHz                                    
          Chip Set         Intel 440FX                                   
          Video Chip Set   Unidentified                                  
          Maximum Onboard  512MB                                         
          Memory           
          Maximum Video    2MB                                           
          Memory           
          Cache            256/512KB (located on Pentium II CPU)         
          BIOS             Acer                                          
          Dimensions       305mm x 244mm                                 
          I/O Options      32-bit PCI slots (3), Ethernet 10BaseT        
                           connector, floppy drive interface, IDE        
                           interfaces (2), SCSI-2 interface, Wide SCSI   
                           interface, parallel port, PS/2 mouse port,    
                           serial ports (2), VGA feature connector, VGA  
                           port, USB connectors (2), ATX power connector 
       
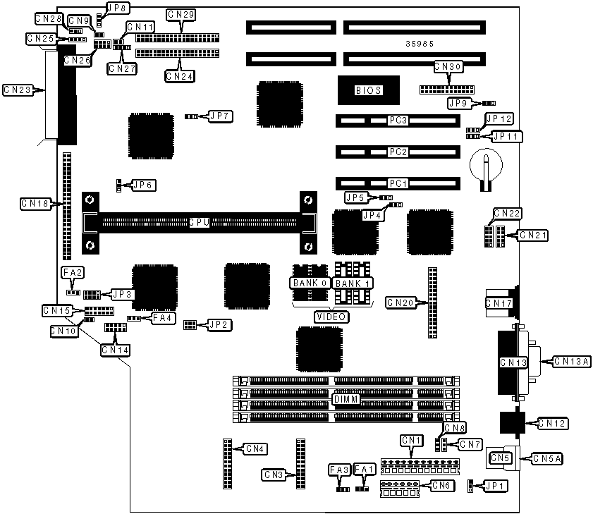
   IMG IMG 1
          
       
          +------------------------------------------------------------+
          |                        CONNECTIONS                         |
          |------------------------------------------------------------|
          | Purpose           | Location | Purpose          | Location |
          |-------------------+----------+------------------+----------|
          | ATX power         |   ATX    | SCSI-2 interface |   CN18   |
          | connector         |          |                  |          |
          |-------------------+----------+------------------+----------|
          | 5v power          |   CN1    | Floppy drive     |   CN20   |
          |                   |          | interface        |          |
          |-------------------+----------+------------------+----------|
          | RDM connector     |   CN3    | Serial port 1    |   CN21   |
          |-------------------+----------+------------------+----------|
          | RDM connector     |   CN4    | Serial port 2    |   CN22   |
          |-------------------+----------+------------------+----------|
          | USB connector 1   |   CN5    | Wide SCSI        |   CN23   |
          |                   |          | interface        |          |
          |-------------------+----------+------------------+----------|
          | USB connector 2   |   CN5A   | IDE interface 1  |   CN24   |
          |-------------------+----------+------------------+----------|
          | 3.3v power        |   CN6    | IDE interface    |   CN25   |
          |                   |          | LED              |          |
          |-------------------+----------+------------------+----------|
          | 420W power        |   CN7    | Reset, turbo LED |   CN26   |
          | connector         |          | keylock          |          |
          |-------------------+----------+------------------+----------|
          | 250W power        |   CN8    | Speaker          |   CN27   |
          | connector         |          |                  |          |
          |-------------------+----------+------------------+----------|
          | Chassis intrusion |   CN9    | Power LED        |   CN28   |
          | connector         |          |                  |          |
          |-------------------+----------+------------------+----------|
          | Thermal sensor    |   CN10   | IDE interface 2  |   CN29   |
          | connector         |          |                  |          |
          |-------------------+----------+------------------+----------|
          | Soft off power    |   CN11   | VGA feature      |   CN30   |
          | supply            |          | connector        |          |
          |-------------------+----------+------------------+----------|
          | Ethernet 10BaseT  |   CN12   | Chassis fan      |   FA1    |
          | connector         |          | power            |          |
          |-------------------+----------+------------------+----------|
          | Parallel port     |   CN13   | Chassis fan      |   FA2    |
          |                   |          | power            |          |
          |-------------------+----------+------------------+----------|
          | VGA port          |  CN13A   | Chassis fan      |   FA3    |
          |                   |          | power            |          |
          |-------------------+----------+------------------+----------|
          | Redundant power   |   CN14   | Chassis fan      |   FA4    |
          | supply connector  |          | power            |          |
          |-------------------+----------+------------------+----------|
          | LED connector     |   CN15   | 32-bit PCI slots |  PC1 -   |
          |                   |          |                  |   PC3    |
          |-------------------+----------+------------------+----------|
          | PS/2 mouse port   |   CN17   |                  |          |
          |------------------------------------------------------------|
          | Note: The location of ATX is unidentified.                 |
          +------------------------------------------------------------+
       
          +------------------------------------------------------------+
          |                 USER CONFIGURABLE SETTINGS                 |
          |------------------------------------------------------------|
          |              Function               | Label |   Position   |
          |-------------------------------------+-------+--------------|
          | » | 420W enabled                    |  JP1  |  Pins 1 & 2  |
          |   |                                 |       |    closed    |
          |---+---------------------------------+-------+--------------|
          |   | 420W disabled                   |  JP1  |  Pins 2 & 3  |
          |   |                                 |       |    closed    |
          |---+---------------------------------+-------+--------------|
          | » | Factory configured - do not     |  JP3  | Unidentified |
          |   | alter                           |       |              |
          |---+---------------------------------+-------+--------------|
          | » | BIOS type select Acer           |  JP4  |  Pins 1 & 2  |
          |   |                                 |       |    closed    |
          |---+---------------------------------+-------+--------------|
          |   | BIOS type select OEM            |  JP4  |  Pins 2 & 3  |
          |   |                                 |       |    closed    |
          |---+---------------------------------+-------+--------------|
          | » | Password disabled               |  JP5  |  Pins 2 & 3  |
          |   |                                 |       |    closed    |
          |---+---------------------------------+-------+--------------|
          |   | Password enabled                |  JP5  |  Pins 1 & 2  |
          |   |                                 |       |    closed    |
          |---+---------------------------------+-------+--------------|
          | » | Termination enabled             |  JP6  |  Pins 1 & 2  |
          |   |                                 |       |    closed    |
          |---+---------------------------------+-------+--------------|
          |   | Termination switchable through  |  JP6  |  Pins 2 & 3  |
          |   | SCSI select utility             |       |    closed    |
          |---+---------------------------------+-------+--------------|
          | » | On board video enabled          |  JP7  |  Pins 1 & 2  |
          |   |                                 |       |    closed    |
          |---+---------------------------------+-------+--------------|
          |   | On board video disabled         |  JP7  |  Pins 2 & 3  |
          |   |                                 |       |    closed    |
          |---+---------------------------------+-------+--------------|
          | » | Buzzer enabled                  |  JP8  |  Pins 1 & 2  |
          |   |                                 |       |    closed    |
          |---+---------------------------------+-------+--------------|
          |   | Buzzer disabled                 |  JP8  |  Pins 2 & 3  |
          |   |                                 |       |    closed    |
          |---+---------------------------------+-------+--------------|
          | » | Software power down enabled     |  JP9  |  Pins 2 & 3  |
          |   |                                 |       |    closed    |
          |---+---------------------------------+-------+--------------|
          |   | General power supply enabled    |  JP9  |  Pins 1 & 2  |
          |   |                                 |       |    closed    |
          |---+---------------------------------+-------+--------------|
          | » | Flash BIOS write protect        | JP12  |  Pins 1 & 2  |
          |   | enabled                         |       |    closed    |
          |---+---------------------------------+-------+--------------|
          |   | Flash BIOS write protect        | JP12  |  Pins 2 & 3  |
          |   | disabled                        |       |    closed    |
          +------------------------------------------------------------+
       
          +------------------------------------------------------------+
          |                     DIMM CONFIGURATION                     |
          |------------------------------------------------------------|
          | Size  |   Bank 0    |   Bank 1   |   Bank 2   |   Bank 3   |
          |-------+-------------+------------+------------+------------|
          | 16MB  | (1) 2M x 64 |    None    |    None    |    None    |
          |-------+-------------+------------+------------+------------|
          | 32MB  | (1) 2M x 64 |  (1) 2M x  |    None    |    None    |
          |       |             |     64     |            |            |
          |-------+-------------+------------+------------+------------|
          | 48MB  | (1) 2M x 64 |  (1) 2M x  |  (1) 2M x  |    None    |
          |       |             |     64     |     64     |            |
          |-------+-------------+------------+------------+------------|
          | 64MB  | (1) 2M x 64 |  (1) 2M x  |  (1) 2M x  |  (1) 2M x  |
          |       |             |     64     |     64     |     64     |
          |-------+-------------+------------+------------+------------|
          | 32MB  | (1) 4M x 64 |    None    |    None    |    None    |
          |-------+-------------+------------+------------+------------|
          | 64MB  | (1) 4M x 64 |  (1) 4M x  |    None    |    None    |
          |       |             |     64     |            |            |
          |-------+-------------+------------+------------+------------|
          | 96MB  | (1) 4M x 64 |  (1) 4M x  |  (1) 4M x  |    None    |
          |       |             |     64     |     64     |            |
          |-------+-------------+------------+------------+------------|
          | 128MB | (1) 4M x 64 |  (1) 4M x  |  (1) 4M x  |  (1) 4M x  |
          |       |             |     64     |     64     |     64     |
          |-------+-------------+------------+------------+------------|
          | 64MB  | (1) 8M x 64 |    None    |    None    |    None    |
          |-------+-------------+------------+------------+------------|
          | 128MB | (1) 8M x 64 |  (1) 8M x  |    None    |    None    |
          |       |             |     64     |            |            |
          |-------+-------------+------------+------------+------------|
          | 192MB | (1) 8M x 64 |  (1) 8M x  |  (1) 8M x  |    None    |
          |       |             |     64     |     64     |            |
          |-------+-------------+------------+------------+------------|
          | 256MB | (1) 8M x 64 |  (1) 8M x  |  (1) 8M x  |  (1) 8M x  |
          |       |             |     64     |     64     |     64     |
          |-------+-------------+------------+------------+------------|
          | 128MB |  (1) 16M x  |    None    |    None    |    None    |
          |       |     64      |            |            |            |
          |-------+-------------+------------+------------+------------|
          | 256MB |  (1) 16M x  | (1) 16M x  |    None    |    None    |
          |       |     64      |     64     |            |            |
          |-------+-------------+------------+------------+------------|
          | 384MB |  (1) 16M x  | (1) 16M x  | (1) 16M x  |    None    |
          |       |     64      |     64     |     64     |            |
          |-------+-------------+------------+------------+------------|
          | 512MB |  (1) 16M x  | (1) 16M x  | (1) 16M x  | (1) 16M x  |
          |       |     64      |     64     |     64     |     64     |
          +------------------------------------------------------------+
       
          +------------------------------------------------------------+
          |                    CACHE CONFIGURATION                     |
          |------------------------------------------------------------|
          | Note: 256KB/512KB cache is located on the Pentium II CPU.  |
          +------------------------------------------------------------+
       
          +------------------------------------------------------------+
          |                 VIDEO MEMORY CONFIGURATION                 |
          |------------------------------------------------------------|
          |       Size       |       Bank 0       |       Bank 1       |
          |------------------+--------------------+--------------------|
          |       1MB        |   (2) 256K x 16    |        None        |
          |------------------+--------------------+--------------------|
          |       2MB        |   (2) 256K x 16    |   (2) 256K x 16    |
          +------------------------------------------------------------+
       
          +------------------------------------------------------------+
          |                    CPU SPEED SELECTION                     |
          |------------------------------------------------------------|
          | CPU speed | Clock speed | Multiplier |         JP2         |
          |-----------+-------------+------------+---------------------|
          |  233MHz   |    66MHz    |    3.5x    |  Pins 1 & 2, 4 & 5  |
          |           |             |            |       closed        |
          |-----------+-------------+------------+---------------------|
          |  266MHz   |    66MHz    |     4x     |  Pins 1 & 2, 4 & 5  |
          |           |             |            |       closed        |
          +------------------------------------------------------------+
       
          +------------------------------------------------------------+
          |                    FLASH BIOS SELECTION                    |
          |------------------------------------------------------------|
          |             Setting              |          JP11           |
          |----------------------------------+-------------------------|
          | » |    Controlled by software    |    Pins 1 & 2 closed    |
          |---+------------------------------+-------------------------|
          |   |              5v              |          Open           |
          |---+------------------------------+-------------------------|
          |   |             12v              |    Pins 2 & 3 closed    |
          +------------------------------------------------------------+