URI: 
  TEXT View Source
       
       # ACER, INC.
       
          ACERMATE 486/G (A1GX-2)
       
       Device     Mainboard                                                        
       Type       
       Processor  80486/80486(WB)/CX486DX2/IBM486DX2/TI486DX2/                     
                                                                                   
                  (SL)AM486DX2(SV8T)/(SL)AM486DX2(SV8B)/P24C/P24D/AMDNV8T/         
                                                                                   
                  AMDNV8B/CX486DX4/IBM486DX4/(SL)AM486DX4(SV8T)/                   
                                                                                   
                  (SL)AM486DX4(SV8B)/P24T/CX 5X86/IBM 5X86                         
       Processor  25/33/40/50(internal)/66(internal)/75(internal)/100(internal)MHz 
       Speed      
       Chip Set   ALI M1429                                                        
       Video Chip Cirrus Logic                                                     
       Set        
       Maximum    36MB                                                             
       Onboard    
       Memory     
       Maximum    2MB                                                              
       Video      
       Memory     
       Cache      None                                                             
       BIOS       Unidentified                                                     
       Dimensions 285mm x 220mm                                                    
       I/O        Ethernet 10BaseT connector, floppy drive interface, IDE          
       Options    interfaces (2), parallel port, PS/2 mouse port, serial ports     
                  (2), VGA feature connector, VGA port, riser slot                 
       
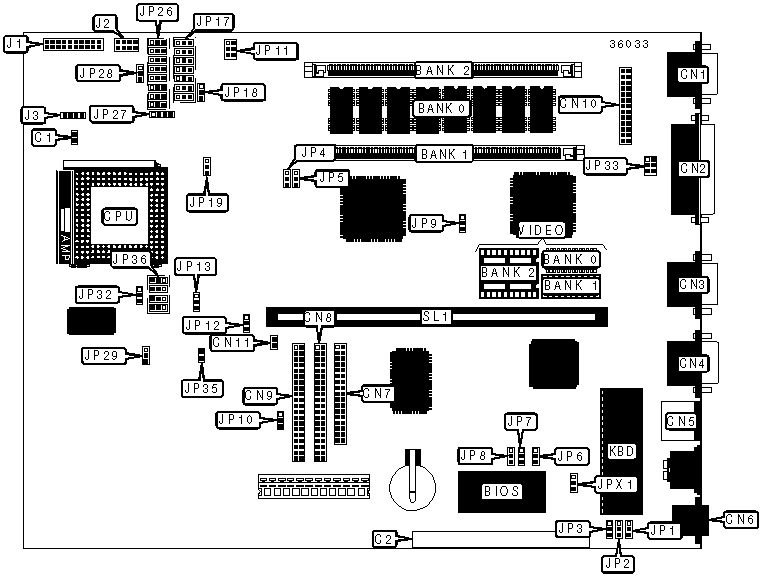
   IMG IMG 1
          
       
          +------------------------------------------------------------+
          |                        CONNECTIONS                         |
          |------------------------------------------------------------|
          | Purpose           | Location | Purpose          | Location |
          |-------------------+----------+------------------+----------|
          | Chassis fan power |    C1    | Ethernet 10BaseT |   CN6    |
          |                   |          | connector        |          |
          |-------------------+----------+------------------+----------|
          | Feature connector |    C2    | Floppy drive     |   CN7    |
          |                   |          | interface        |          |
          |-------------------+----------+------------------+----------|
          | VGA port          |   CN1    | IDE interface 2  |   CN8    |
          |-------------------+----------+------------------+----------|
          | Parallel port     |   CN2    | IDE interface 1  |   CN9    |
          |-------------------+----------+------------------+----------|
          | Serial port 2     |   CN3    | VGA feature      |   CN10   |
          |                   |          | connector        |          |
          |-------------------+----------+------------------+----------|
          | Serial port 1     |   CN4    | Riser slot       |   SL1    |
          |-------------------+----------+------------------+----------|
          | PS/2 mouse port   |   CN5    |                  |          |
          +------------------------------------------------------------+
       
          +------------------------------------------------------------+
          |                 USER CONFIGURABLE SETTINGS                 |
          |------------------------------------------------------------|
          |              Function               | Label |   Position   |
          |-------------------------------------+-------+--------------|
          | » | Factory configured - do not     | CN11  | Unidentified |
          |   | alter                           |       |              |
          |---+---------------------------------+-------+--------------|
          | » | Factory configured - do not     |  J1   | Unidentified |
          |   | alter                           |       |              |
          |---+---------------------------------+-------+--------------|
          | » | Factory configured - do not     |  J2   | Unidentified |
          |   | alter                           |       |              |
          |---+---------------------------------+-------+--------------|
          | » | Factory configured - do not     |  J3   | Unidentified |
          |   | alter                           |       |              |
          |---+---------------------------------+-------+--------------|
          |   | BIOS type select Acer           |  JP1  |  Pins 2 & 3  |
          |   |                                 |       |    closed    |
          |---+---------------------------------+-------+--------------|
          |   | BIOS type select OEM            |  JP1  |  Pins 1 & 2  |
          |   |                                 |       |    closed    |
          |---+---------------------------------+-------+--------------|
          |   | Password disabled               |  JP2  |  Pins 2 & 3  |
          |   |                                 |       |    closed    |
          |---+---------------------------------+-------+--------------|
          |   | Password enabled                |  JP2  |  Pins 1 & 2  |
          |   |                                 |       |    closed    |
          |---+---------------------------------+-------+--------------|
          |   | Normal boot enabled             |  JP3  |  Pins 2 & 3  |
          |   |                                 |       |    closed    |
          |---+---------------------------------+-------+--------------|
          |   | COM1 boot enabled               |  JP3  |  Pins 1 & 2  |
          |   |                                 |       |    closed    |
          |---+---------------------------------+-------+--------------|
          | » | Factory configured - do not     |  JP4  | Unidentified |
          |   | alter                           |       |              |
          |---+---------------------------------+-------+--------------|
          |   | On board I/O enabled            |  JP6  |  Pins 2 & 3  |
          |   |                                 |       |    closed    |
          |---+---------------------------------+-------+--------------|
          |   | On board I/O disabled           |  JP6  |  Pins 1 & 2  |
          |   |                                 |       |    closed    |
          |---+---------------------------------+-------+--------------|
          |   | On board video enabled          |  JP9  |  Pins 2 & 3  |
          |   |                                 |       |    closed    |
          |---+---------------------------------+-------+--------------|
          |   | On board video disabled         |  JP9  |  Pins 1 & 2  |
          |   |                                 |       |    closed    |
          |---+---------------------------------+-------+--------------|
          |   | IDE address select 074H, 078H,  | JP10  |  Pins 2 & 3  |
          |   | 07CH                            |       |    closed    |
          |---+---------------------------------+-------+--------------|
          |   | IDE address select 0F4H, 0F8H,  | JP10  |  Pins 1 & 2  |
          |   | 0FCH                            |       |    closed    |
          |---+---------------------------------+-------+--------------|
          | » | Factory configured - do not     | JP13  | Unidentified |
          |   | alter                           |       |              |
          |---+---------------------------------+-------+--------------|
          |   | Reset button enabled            | JP28  |  Pins 2 & 3  |
          |   |                                 |       |    closed    |
          |---+---------------------------------+-------+--------------|
          |   | Reset/green PC button enabled   | JP28  |  Pins 1 & 2  |
          |   |                                 |       |    closed    |
          |---+---------------------------------+-------+--------------|
          |   | IDE interface enabled           | JP29  |  Pins 2 & 3  |
          |   |                                 |       |    closed    |
          |---+---------------------------------+-------+--------------|
          |   | IDE interface disabled          | JP29  |  Pins 1 & 2  |
          |   |                                 |       |    closed    |
          |---+---------------------------------+-------+--------------|
          |   | Feature connector enabled       | JP33  |  Pins 1 & 2  |
          |   |                                 |       |    closed    |
          |---+---------------------------------+-------+--------------|
          |   | I2C interface enabled           | JP33  |  Pins 2 & 3  |
          |   |                                 |       |    closed    |
          |---+---------------------------------+-------+--------------|
          |   | IDE LED enabled                 | JP35  |     Open     |
          |---+---------------------------------+-------+--------------|
          |   | IDE, FDD, CD-ROM LED enabled    | JP35  |    Closed    |
          |---+---------------------------------+-------+--------------|
          |   | BIOS type select EPROM          | JPX1  |  Pins 2 & 3  |
          |   |                                 |       |    closed    |
          |---+---------------------------------+-------+--------------|
          |   | BIOS type select flash          | JPX1  |  Pins 1 & 2  |
          |   |                                 |       |    closed    |
          +------------------------------------------------------------+
       
          +------------------------------------------------------------+
          |                     SIMM CONFIGURATION                     |
          |------------------------------------------------------------|
          |    Size     |    Bank 0    |    Bank 1     |    Bank 2     |
          |-------------+--------------+---------------+---------------|
          |     4MB     |     4MB      |     None      |     None      |
          |-------------+--------------+---------------+---------------|
          |     4MB     |     None     |  (1) 1M x 36  |     None      |
          |-------------+--------------+---------------+---------------|
          |     8MB     |     4MB      |  (1) 1M x 36  |     None      |
          |-------------+--------------+---------------+---------------|
          |     8MB     |     None     |  (1) 2M x 36  |     None      |
          |-------------+--------------+---------------+---------------|
          |     8MB     |     None     |  (1) 1M x 36  |  (1) 1M x 36  |
          |-------------+--------------+---------------+---------------|
          |    12MB     |     4MB      |  (1) 2M x 36  |     None      |
          |-------------+--------------+---------------+---------------|
          |    12MB     |     4MB      |  (1) 1M x 36  |  (1) 1M x 36  |
          |-------------+--------------+---------------+---------------|
          |    12MB     |     None     |  (1) 1M x 36  |  (1) 2M x 36  |
          |-------------+--------------+---------------+---------------|
          |    16MB     |     4MB      |  (1) 2M x 36  |  (1) 1M x 36  |
          |-------------+--------------+---------------+---------------|
          |    16MB     |     None     |  (1) 4M x 36  |     None      |
          |-------------+--------------+---------------+---------------|
          |    16MB     |     None     |  (1) 2M x 36  |  (1) 2M x 36  |
          |-------------+--------------+---------------+---------------|
          |    20MB     |     4MB      |  (1) 4M x 36  |     None      |
          |-------------+--------------+---------------+---------------|
          |    20MB     |     None     |  (1) 1M x 36  |  (1) 4M x 36  |
          |-------------+--------------+---------------+---------------|
          |    24MB     |     4MB      |  (1) 1M x 36  |  (1) 4M x 36  |
          |-------------+--------------+---------------+---------------|
          |    24MB     |     None     |  (1) 2M x 36  |  (1) 4M x 36  |
          |-------------+--------------+---------------+---------------|
          |    28MB     |     4MB      |  (1) 2M x 36  |  (1) 4M x 36  |
          |-------------+--------------+---------------+---------------|
          |    32MB     |     None     |  (1) 4M x 36  |  (1) 4M x 36  |
          |-------------+--------------+---------------+---------------|
          |    36MB     |     4MB      |  (1) 4M x 36  |  (1) 4M x 36  |
          +------------------------------------------------------------+
       
          +------------------------------------------------------------+
          |                 SIMM JUMPER CONFIGURATION                  |
          |------------------------------------------------------------|
          |             Size              |            JP5             |
          |-------------------------------+----------------------------|
          |    On board memory enabled    |     Pins 2 & 3 closed      |
          |-------------------------------+----------------------------|
          |   On board memory disabled    |     Pins 1 & 2 closed      |
          +------------------------------------------------------------+
       
          +------------------------------------------------------------+
          |                 VIDEO MEMORY CONFIGURATION                 |
          |------------------------------------------------------------|
          |    Size    |    Bank 0     |    Bank 1     |    Bank 2     |
          |------------+---------------+---------------+---------------|
          |   512KB    | (1) 256K x 16 |     None      |     None      |
          |------------+---------------+---------------+---------------|
          |    1MB     | (1) 256K x 16 | (1) 256K x 16 |     None      |
          |------------+---------------+---------------+---------------|
          |    2MB     | (1) 256K x 16 | (1) 256K x 16 | (2) 256K x 16 |
          +------------------------------------------------------------+
       
          +------------------------------------------------------------+
          |                    CPU SPEED SELECTION                     |
          |------------------------------------------------------------|
          |      Speed       |        JP11        |        JP12        |
          |------------------+--------------------+--------------------|
          |      25MHz       | Pins 1 & 5 closed  | Pins 1 & 2 closed  |
          |------------------+--------------------+--------------------|
          |      33MHz       | Pins 1 & 5 closed  | Pins 1 & 2 closed  |
          |------------------+--------------------+--------------------|
          |      40MHz       | Pins 2 & 6 closed  | Pins 2 & 3 closed  |
          |------------------+--------------------+--------------------|
          |      50iMHz      | Pins 1 & 5 closed  | Pins 1 & 2 closed  |
          |------------------+--------------------+--------------------|
          |      66iMHz      | Pins 1 & 5 closed  | Pins 1 & 2 closed  |
          |------------------+--------------------+--------------------|
          |      75iMHz      | Pins 1 & 5 closed  | Pins 1 & 2 closed  |
          |------------------+--------------------+--------------------|
          |     100iMHz      | Pins 1 & 5 closed  | Pins 1 & 2 closed  |
          +------------------------------------------------------------+
       
          +------------------------------------------------------------+
          |                     CPU TYPE SELECTION                     |
          |------------------------------------------------------------|
          |        Type        | JP17A | JP17B | JP17C | JP17D | JP17E |
          |--------------------+-------+-------+-------+-------+-------|
          |       80486        | 2 & 3 | 2 & 3 | 2 & 3 | 2 & 3 | 2 & 3 |
          |--------------------+-------+-------+-------+-------+-------|
          |     80486 (WB)     | 2 & 3 | 2 & 3 | 2 & 3 | 2 & 3 | 2 & 3 |
          |--------------------+-------+-------+-------+-------+-------|
          |     CX486DX2 *     | 1 & 2 | 1 & 2 | 1 & 2 | 1 & 2 | 1 & 2 |
          |--------------------+-------+-------+-------+-------+-------|
          |    IBM486DX2 *     | 1 & 2 | 1 & 2 | 1 & 2 | 1 & 2 | 1 & 2 |
          |--------------------+-------+-------+-------+-------+-------|
          |     TI486DX2 *     | 1 & 2 | 1 & 2 | 1 & 2 | 1 & 2 | 1 & 2 |
          |--------------------+-------+-------+-------+-------+-------|
          |      CX486DX2      | 1 & 2 | 1 & 2 | 1 & 2 | 1 & 2 | 1 & 2 |
          |--------------------+-------+-------+-------+-------+-------|
          |     IBM486DX2      | 1 & 2 | 1 & 2 | 1 & 2 | 1 & 2 | 1 & 2 |
          |--------------------+-------+-------+-------+-------+-------|
          |      TI486DX2      | 1 & 2 | 1 & 2 | 1 & 2 | 1 & 2 | 1 & 2 |
          |--------------------+-------+-------+-------+-------+-------|
          | (SL)AM486DX2(SV8T) | 2 & 3 | 2 & 3 | 2 & 3 | 2 & 3 | 2 & 3 |
          |--------------------+-------+-------+-------+-------+-------|
          | (SL)AM486DX2(SV8B) | 2 & 3 | 2 & 3 | 2 & 3 | 2 & 3 | 2 & 3 |
          |--------------------+-------+-------+-------+-------+-------|
          |        P24C        | 2 & 3 | 2 & 3 | 2 & 3 | 2 & 3 | 2 & 3 |
          |--------------------+-------+-------+-------+-------+-------|
          |        P24D        | 2 & 3 | 2 & 3 | 2 & 3 | 2 & 3 | 2 & 3 |
          |--------------------+-------+-------+-------+-------+-------|
          |      AMD NV8T      | 2 & 3 | 2 & 3 | 2 & 3 | 2 & 3 | 2 & 3 |
          |--------------------+-------+-------+-------+-------+-------|
          |      AMD NV8B      | 2 & 3 | 2 & 3 | 2 & 3 | 2 & 3 | 2 & 3 |
          |--------------------+-------+-------+-------+-------+-------|
          |      CX486DX4      | 1 & 2 | 1 & 2 | 1 & 2 | 1 & 2 | 1 & 2 |
          |--------------------+-------+-------+-------+-------+-------|
          |     IBM486DX4      | 1 & 2 | 1 & 2 | 1 & 2 | 1 & 2 | 1 & 2 |
          |--------------------+-------+-------+-------+-------+-------|
          | (SL)AM486DX4(SV8T) | 2 & 3 | 2 & 3 | 2 & 3 | 2 & 3 | 2 & 3 |
          |--------------------+-------+-------+-------+-------+-------|
          | (SL)AM486DX4(SV8B) | 2 & 3 | 2 & 3 | 2 & 3 | 2 & 3 | 2 & 3 |
          |--------------------+-------+-------+-------+-------+-------|
          |        P24T        | 2 & 3 | 2 & 3 | 2 & 3 | 2 & 3 | 2 & 3 |
          |--------------------+-------+-------+-------+-------+-------|
          |      CX 5X86       | 1 & 2 | 2 & 3 | 2 & 3 | Open  | Open  |
          |--------------------+-------+-------+-------+-------+-------|
          |      IBM 5X86      | 1 & 2 | 2 & 3 | 2 & 3 | Open  | Open  |
          |------------------------------------------------------------|
          | Note: Pins designated should be in the closed position. *  |
          | = 3.3v, 3.45v CPU.                                         |
          +------------------------------------------------------------+
       
          +------------------------------------------------------------+
          |                 CPU TYPE SELECTION (CON’T)                 |
          |------------------------------------------------------------|
          |        Type        | JP17F  | JP17G  | JP18 | JP19 | JP26A |
          |--------------------+--------+--------+------+------+-------|
          |       80486        | 2 & 3  | 2 & 3  | 1 &  | 2 &  | 2 & 3 |
          |                    |        |        |  2   |  3   |       |
          |--------------------+--------+--------+------+------+-------|
          |     80486 (WB)     | 2 & 3  | 2 & 3  | 1 &  | 1 &  | 1 & 2 |
          |                    |        |        |  2   |  2   |       |
          |--------------------+--------+--------+------+------+-------|
          |     CX486DX2 *     | 1 & 2  | 1 & 2  | 2 &  | 1 &  | 2 & 3 |
          |                    |        |        |  3   |  2   |       |
          |--------------------+--------+--------+------+------+-------|
          |    IBM486DX2 *     | 1 & 2  | 1 & 2  | 2 &  | 1 &  | 2 & 3 |
          |                    |        |        |  3   |  2   |       |
          |--------------------+--------+--------+------+------+-------|
          |     TI486DX2 *     | 1 & 2  | 1 & 2  | 2 &  | 1 &  | 2 & 3 |
          |                    |        |        |  3   |  2   |       |
          |--------------------+--------+--------+------+------+-------|
          |      CX486DX2      | 1 & 2  | 1 & 2  | 2 &  | 1 &  | 2 & 3 |
          |                    |        |        |  3   |  2   |       |
          |--------------------+--------+--------+------+------+-------|
          |     IBM486DX2      | 1 & 2  | 1 & 2  | 2 &  | 1 &  | 2 & 3 |
          |                    |        |        |  3   |  2   |       |
          |--------------------+--------+--------+------+------+-------|
          |      TI486DX2      | 1 & 2  | 1 & 2  | 2 &  | 1 &  | 2 & 3 |
          |                    |        |        |  3   |  2   |       |
          |--------------------+--------+--------+------+------+-------|
          | (SL)AM486DX2(SV8T) | 2 & 3  | 2 & 3  | 2 &  | 1 &  | 2 & 3 |
          |                    |        |        |  3   |  2   |       |
          |--------------------+--------+--------+------+------+-------|
          | (SL)AM486DX2(SV8B) | 2 & 3  | 2 & 3  | 1 &  | 1 &  | 1 & 2 |
          |                    |        |        |  2   |  2   |       |
          |--------------------+--------+--------+------+------+-------|
          |        P24C        | 2 & 3  | 2 & 3  | 1 &  | 2 &  | 2 & 3 |
          |                    |        |        |  2   |  3   |       |
          |--------------------+--------+--------+------+------+-------|
          |        P24D        | 2 & 3  | 2 & 3  | 1 &  | 1 &  | 1 & 2 |
          |                    |        |        |  2   |  2   |       |
          |--------------------+--------+--------+------+------+-------|
          |      AMD NV8T      | 2 & 3  | 2 & 3  | 1 &  | 2 &  | 2 & 3 |
          |                    |        |        |  2   |  3   |       |
          |--------------------+--------+--------+------+------+-------|
          |      AMD NV8B      | 2 & 3  | 2 & 3  | 1 &  | 2 &  | 2 & 3 |
          |                    |        |        |  2   |  3   |       |
          |--------------------+--------+--------+------+------+-------|
          |      CX486DX4      | 1 & 2  | 1 & 2  | 2 &  | 1 &  | 2 & 3 |
          |                    |        |        |  3   |  2   |       |
          |--------------------+--------+--------+------+------+-------|
          |     IBM486DX4      | 1 & 2  | 1 & 2  | 2 &  | 1 &  | 2 & 3 |
          |                    |        |        |  3   |  2   |       |
          |--------------------+--------+--------+------+------+-------|
          | (SL)AM486DX4(SV8T) | 2 & 3  | 2 & 3  | 2 &  | 1 &  | 2 & 3 |
          |                    |        |        |  3   |  2   |       |
          |--------------------+--------+--------+------+------+-------|
          | (SL)AM486DX4(SV8B) | 2 & 3  | 2 & 3  | 1 &  | 1 &  | 1 & 2 |
          |                    |        |        |  2   |  2   |       |
          |--------------------+--------+--------+------+------+-------|
          |        P24T        | 2 & 3  | 2 & 3  | 1 &  | 1 &  | 1 & 2 |
          |                    |        |        |  2   |  2   |       |
          |--------------------+--------+--------+------+------+-------|
          |      CX 5X86       |  Open  |  Open  | Open | 1 &  | Open  |
          |                    |        |        |      |  2   |       |
          |--------------------+--------+--------+------+------+-------|
          |      IBM 5X86      |  Open  |  Open  | Open | 1 &  | Open  |
          |                    |        |        |      |  2   |       |
          |------------------------------------------------------------|
          | Note: Pins designated should be in the closed position. *  |
          | = 3.3v, 3.45v CPU.                                         |
          +------------------------------------------------------------+
       
          +------------------------------------------------------------+
          |                 CPU TYPE SELECTION (CON’T)                 |
          |------------------------------------------------------------|
          |        Type        | JP26B | JP26C | JP26D | JP26E | JP26F |
          |--------------------+-------+-------+-------+-------+-------|
          |       80486        | 2 & 3 | 2 & 3 | 2 & 3 | 2 & 3 | 2 & 3 |
          |--------------------+-------+-------+-------+-------+-------|
          |     80486 (WB)     | 1 & 2 | 1 & 2 | 1 & 2 | 1 & 2 | 1 & 2 |
          |--------------------+-------+-------+-------+-------+-------|
          |     CX486DX2 *     | 2 & 3 | 2 & 3 | 2 & 3 | 2 & 3 | 2 & 3 |
          |--------------------+-------+-------+-------+-------+-------|
          |    IBM486DX2 *     | 2 & 3 | 2 & 3 | 2 & 3 | 2 & 3 | 2 & 3 |
          |--------------------+-------+-------+-------+-------+-------|
          |     TI486DX2 *     | 2 & 3 | 2 & 3 | 2 & 3 | 2 & 3 | 2 & 3 |
          |--------------------+-------+-------+-------+-------+-------|
          |      CX486DX2      | 2 & 3 | 2 & 3 | 2 & 3 | 2 & 3 | 2 & 3 |
          |--------------------+-------+-------+-------+-------+-------|
          |     IBM486DX2      | 2 & 3 | 2 & 3 | 2 & 3 | 2 & 3 | 2 & 3 |
          |--------------------+-------+-------+-------+-------+-------|
          |      TI486DX2      | 2 & 3 | 2 & 3 | 2 & 3 | 2 & 3 | 2 & 3 |
          |--------------------+-------+-------+-------+-------+-------|
          | (SL)AM486DX2(SV8T) | 2 & 3 | 2 & 3 | 2 & 3 | 2 & 3 | 2 & 3 |
          |--------------------+-------+-------+-------+-------+-------|
          | (SL)AM486DX2(SV8B) | 1 & 2 | 1 & 2 | 1 & 2 | 1 & 2 | 1 & 2 |
          |--------------------+-------+-------+-------+-------+-------|
          |        P24C        | 2 & 3 | 2 & 3 | 2 & 3 | 2 & 3 | 2 & 3 |
          |--------------------+-------+-------+-------+-------+-------|
          |        P24D        | 1 & 2 | 1 & 2 | 1 & 2 | 1 & 2 | 1 & 2 |
          |--------------------+-------+-------+-------+-------+-------|
          |      AMD NV8T      | 2 & 3 | 2 & 3 | 2 & 3 | 2 & 3 | 2 & 3 |
          |--------------------+-------+-------+-------+-------+-------|
          |      AMD NV8B      | 2 & 3 | 2 & 3 | 2 & 3 | 2 & 3 | 2 & 3 |
          |--------------------+-------+-------+-------+-------+-------|
          |      CX486DX4      | 2 & 3 | 2 & 3 | 2 & 3 | 2 & 3 | 2 & 3 |
          |--------------------+-------+-------+-------+-------+-------|
          |     IBM486DX4      | 2 & 3 | 2 & 3 | 2 & 3 | 2 & 3 | 2 & 3 |
          |--------------------+-------+-------+-------+-------+-------|
          | (SL)AM486DX4(SV8T) | 2 & 3 | 2 & 3 | 2 & 3 | 2 & 3 | 2 & 3 |
          |--------------------+-------+-------+-------+-------+-------|
          | (SL)AM486DX4(SV8B) | 1 & 2 | 1 & 2 | 1 & 2 | 1 & 2 | 1 & 2 |
          |--------------------+-------+-------+-------+-------+-------|
          |        P24T        | 1 & 2 | 1 & 2 | 1 & 2 | 1 & 2 | 1 & 2 |
          |--------------------+-------+-------+-------+-------+-------|
          |      CX 5X86       | Open  | Open  | 1 & 2 | 1 & 2 | 2 & 3 |
          |--------------------+-------+-------+-------+-------+-------|
          |      IBM 5X86      | Open  | Open  | 1 & 2 | 1 & 2 | 2 & 3 |
          |------------------------------------------------------------|
          | Note: Pins designated should be in the closed position. *  |
          | = 3.3v, 3.45v CPU.                                         |
          +------------------------------------------------------------+
       
          +------------------------------------------------------------+
          |                 CPU TYPE SELECTION (CON’T)                 |
          |------------------------------------------------------------|
          |      Type       |  JP26G   |  JP26H   |   JP27   |  JP32   |
          |-----------------+----------+----------+----------+---------|
          |      80486      |  2 & 3   |  2 & 3   |  3 & 4   |  1 & 2  |
          |-----------------+----------+----------+----------+---------|
          |   80486 (WB)    |  1 & 2   |  1 & 2   |  3 & 4   |  1 & 2  |
          |-----------------+----------+----------+----------+---------|
          |   CX486DX2 *    |  2 & 3   |  2 & 3   |  3 & 4   |  1 & 2  |
          |-----------------+----------+----------+----------+---------|
          |   IBM486DX2 *   |  2 & 3   |  2 & 3   |  3 & 4   |  1 & 2  |
          |-----------------+----------+----------+----------+---------|
          |   TI486DX2 *    |  2 & 3   |  2 & 3   |  3 & 4   |  1 & 2  |
          |-----------------+----------+----------+----------+---------|
          |    CX486DX2     |  2 & 3   |  2 & 3   |  3 & 4   |  2 & 3  |
          |-----------------+----------+----------+----------+---------|
          |    IBM486DX2    |  2 & 3   |  2 & 3   |  3 & 4   |  2 & 3  |
          |-----------------+----------+----------+----------+---------|
          |    TI486DX2     |  2 & 3   |  2 & 3   |  3 & 4   |  2 & 3  |
          |-----------------+----------+----------+----------+---------|
          |  (SL)AM486DX2   |  2 & 3   |  2 & 3   |  2 & 3   |  1 & 2  |
          |     (SV8T)      |          |          |          |         |
          |-----------------+----------+----------+----------+---------|
          |  (SL)AM486DX2   |  1 & 2   |  1 & 2   |  2 & 3   |  1 & 2  |
          |     (SV8B)      |          |          |          |         |
          |-----------------+----------+----------+----------+---------|
          |      P24C       |  2 & 3   |  2 & 3   |  3 & 4   |  1 & 2  |
          |-----------------+----------+----------+----------+---------|
          |      P24D       |  1 & 2   |  1 & 2   |  3 & 4   |  1 & 2  |
          |-----------------+----------+----------+----------+---------|
          |    AMD NV8T     |  2 & 3   |  2 & 3   |  3 & 4   |  1 & 2  |
          |-----------------+----------+----------+----------+---------|
          |    AMD NV8B     |  2 & 3   |  2 & 3   |  3 & 4   |  1 & 2  |
          |-----------------+----------+----------+----------+---------|
          |    CX486DX4     |  2 & 3   |  2 & 3   |  3 & 4   |  1 & 2  |
          |-----------------+----------+----------+----------+---------|
          |    IBM486DX4    |  2 & 3   |  2 & 3   |  3 & 4   |  1 & 2  |
          |-----------------+----------+----------+----------+---------|
          |  (SL)AM486DX4   |  2 & 3   |  2 & 3   |  3 & 4   |  1 & 2  |
          |     (SV8T)      |          |          |          |         |
          |-----------------+----------+----------+----------+---------|
          |  (SL)AM486DX4   |  1 & 2   |  1 & 2   |  3 & 4   |  1 & 2  |
          |     (SV8B)      |          |          |          |         |
          |-----------------+----------+----------+----------+---------|
          |      P24T       |  1 & 2   |  1 & 2   |  1 & 2   |  1 & 2  |
          |-----------------+----------+----------+----------+---------|
          |     CX 5X86     |  1 & 2   |   Open   |  3 & 4   |  1 & 2  |
          |-----------------+----------+----------+----------+---------|
          |    IBM 5X86     |  1 & 2   |   Open   |  3 & 4   |  1 & 2  |
          |------------------------------------------------------------|
          | Note: Pins designated should be in the closed position. *  |
          | = 3.3v, 3.45v CPU.                                         |
          +------------------------------------------------------------+
       
          +------------------------------------------------------------+
          |                 CPU TYPE SELECTION (CON’T)                 |
          |------------------------------------------------------------|
          |      Type       |  JP36A   |  JP36B   |  JP36C   |  JP36D  |
          |-----------------+----------+----------+----------+---------|
          |      80486      |  2 & 3   |  2 & 3   |  2 & 3   |  2 & 3  |
          |-----------------+----------+----------+----------+---------|
          |   80486 (WB)    |  2 & 3   |  2 & 3   |  2 & 3   |  2 & 3  |
          |-----------------+----------+----------+----------+---------|
          |   CX486DX2 *    |  1 & 2   |  1 & 2   |  1 & 2   |  1 & 2  |
          |-----------------+----------+----------+----------+---------|
          |   IBM486DX2 *   |  1 & 2   |  1 & 2   |  1 & 2   |  1 & 2  |
          |-----------------+----------+----------+----------+---------|
          |   TI486DX2 *    |  1 & 2   |  1 & 2   |  1 & 2   |  1 & 2  |
          |-----------------+----------+----------+----------+---------|
          |    CX486DX2     |  1 & 2   |  1 & 2   |  1 & 2   |  1 & 2  |
          |-----------------+----------+----------+----------+---------|
          |    IBM486DX2    |  1 & 2   |  1 & 2   |  1 & 2   |  1 & 2  |
          |-----------------+----------+----------+----------+---------|
          |    TI486DX2     |  1 & 2   |  1 & 2   |  1 & 2   |  1 & 2  |
          |-----------------+----------+----------+----------+---------|
          |  (SL)AM486DX2   |  1 & 2   |  1 & 2   |  1 & 2   |  1 & 2  |
          |     (SV8T)      |          |          |          |         |
          |-----------------+----------+----------+----------+---------|
          |  (SL)AM486DX2   |  1 & 2   |  1 & 2   |  1 & 2   |  1 & 2  |
          |     (SV8B)      |          |          |          |         |
          |-----------------+----------+----------+----------+---------|
          |      P24C       |  2 & 3   |  2 & 3   |  2 & 3   |  2 & 3  |
          |-----------------+----------+----------+----------+---------|
          |      P24D       |  2 & 3   |  2 & 3   |  2 & 3   |  2 & 3  |
          |-----------------+----------+----------+----------+---------|
          |    AMD NV8T     |  2 & 3   |  2 & 3   |  2 & 3   |  2 & 3  |
          |-----------------+----------+----------+----------+---------|
          |    AMD NV8B     |  2 & 3   |  2 & 3   |  2 & 3   |  2 & 3  |
          |-----------------+----------+----------+----------+---------|
          |    CX486DX4     |  1 & 2   |  1 & 2   |  1 & 2   |  1 & 2  |
          |-----------------+----------+----------+----------+---------|
          |    IBM486DX4    |  1 & 2   |  1 & 2   |  1 & 2   |  1 & 2  |
          |-----------------+----------+----------+----------+---------|
          |  (SL)AM486DX4   |  1 & 2   |  1 & 2   |  1 & 2   |  1 & 2  |
          |     (SV8T)      |          |          |          |         |
          |-----------------+----------+----------+----------+---------|
          |  (SL)AM486DX4   |  1 & 2   |  1 & 2   |  1 & 2   |  1 & 2  |
          |     (SV8B)      |          |          |          |         |
          |-----------------+----------+----------+----------+---------|
          |      P24T       |  2 & 3   |  2 & 3   |  2 & 3   |  2 & 3  |
          |-----------------+----------+----------+----------+---------|
          |     CX 5X86     |  1 & 2   |  1 & 2   |  1 & 2   |  1 & 2  |
          |-----------------+----------+----------+----------+---------|
          |    IBM 5X86     |  1 & 2   |  1 & 2   |  1 & 2   |  1 & 2  |
          |------------------------------------------------------------|
          | Note: Pins designated should be in the closed position. *  |
          | = 3.3v, 3.45v CPU.                                         |
          +------------------------------------------------------------+
       
          +------------------------------------------------------------+
          |                   DMA CHANNEL SELECTION                    |
          |------------------------------------------------------------|
          |     Channel      |        JP7         |        JP8         |
          |------------------+--------------------+--------------------|
          |        1         | Pins 1 & 2 closed  | Pins 1 & 2 closed  |
          |------------------+--------------------+--------------------|
          |        3         | Pins 2 & 3 closed  | Pins 2 & 3 closed  |
          +------------------------------------------------------------+