URI: 
  TEXT View Source
       
       # ACER, INC.
       
          AX5T-3
       
          Device Type      Mainboard                                     
          Processor        AM K5/AM K6/Pentium/Pentium MMX/CX 6X86/CX    
                           6X86L                                         
          Processor Speed  90/100/120/133/150/166/180/200/233MHz         
          Chip Set         Unidentified                                  
          Maximum Onboard  256MB (Fast Page & EDO supported)             
          Memory           
          Cache            256/512KB                                     
          BIOS             Award                                         
          Dimensions       305mm x 244mm                                 
          I/O Options      32-bit PCI slots (4), floppy drive interface, 
          (backplane)      IDE interfaces (2), parallel port, PS/2 mouse 
                           port, serial ports (2), IR connector, IrDA    
                           connector, USB connector, ATX power connector 
       
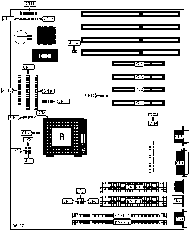
   IMG IMG 1
          
       
          +------------------------------------------------------------+
          |                        CONNECTIONS                         |
          |------------------------------------------------------------|
          | Purpose         | Location | Purpose         |  Location   |
          |-----------------+----------+-----------------+-------------|
          | Serial port 1   |   CN1    | IDE interface 1 |    CN11     |
          |-----------------+----------+-----------------+-------------|
          | PS/2 mouse port |   CN2    | Floppy drive    |    CN12     |
          |                 |          | interface       |             |
          |-----------------+----------+-----------------+-------------|
          | Parallel port   |   CN4    | HDD LED         |    CN13     |
          |                 |          | connector       |             |
          |-----------------+----------+-----------------+-------------|
          | Serial port 2   |   CN5    | Power LED &     | CN14/pins 1 |
          |                 |          | keylock         |     - 5     |
          |-----------------+----------+-----------------+-------------|
          | USB connector   |   CN6    | Speaker         | CN14/pins 7 |
          |                 |          |                 |    - 10     |
          |-----------------+----------+-----------------+-------------|
          | Soft power      |   CN7    | Reset switch    |  CN14/pins  |
          | switch          |          |                 |   19 & 20   |
          | connector       |          |                 |             |
          |-----------------+----------+-----------------+-------------|
          | CPU fan         |   CN8    | IR connector    |    CN15     |
          | connector 2     |          |                 |             |
          |-----------------+----------+-----------------+-------------|
          | CPU fan         |   CN9    | IR/modem wake   |    CN16     |
          | connector 1     |          | up connector    |             |
          |-----------------+----------+-----------------+-------------|
          | IDE interface 2 |   CN10   | 32-bit PCI      |  PC1 - PC4  |
          |                 |          | slots           |             |
          +------------------------------------------------------------+
       
          +------------------------------------------------------------+
          |                 USER CONFIGURABLE SETTINGS                 |
          |------------------------------------------------------------|
          |            Function            | Label |     Position      |
          |--------------------------------+-------+-------------------|
          | » | CMOS memory normal         | JP14  | Pins 1 & 2 closed |
          |   | operation                  |       |                   |
          |---+----------------------------+-------+-------------------|
          |   | CMOS memory clear          | JP14  | Pins 2 & 3 closed |
          +------------------------------------------------------------+
       
          +------------------------------------------------------------+
          |                     SIMM CONFIGURATION                     |
          |------------------------------------------------------------|
          |       Size       |       Bank 0       |       Bank 1       |
          |------------------+--------------------+--------------------|
          |       8MB        |    (2) 1M x 36     |        None        |
          |------------------+--------------------+--------------------|
          |       16MB       |    (2) 1M x 36     |    (2) 1M x 36     |
          |------------------+--------------------+--------------------|
          |       16MB       |    (2) 2M x 36     |        None        |
          |------------------+--------------------+--------------------|
          |       24MB       |    (2) 2M x 36     |    (2) 1M x 36     |
          |------------------+--------------------+--------------------|
          |       32MB       |    (2) 2M x 36     |    (2) 2M x 36     |
          |------------------+--------------------+--------------------|
          |       32MB       |    (2) 4M x 36     |        None        |
          |------------------+--------------------+--------------------|
          |       40MB       |    (2) 4M x 36     |    (2) 1M x 36     |
          |------------------+--------------------+--------------------|
          |       48MB       |    (2) 4M x 36     |    (2) 2M x 36     |
          |------------------+--------------------+--------------------|
          |       64MB       |    (2) 4M x 36     |    (2) 4M x 36     |
          |------------------+--------------------+--------------------|
          |       64MB       |    (2) 8M x 36     |        None        |
          |------------------+--------------------+--------------------|
          |       72MB       |    (2) 8M x 36     |    (2) 1M x 36     |
          |------------------+--------------------+--------------------|
          |       80MB       |    (2) 8M x 36     |    (2) 2M x 36     |
          |------------------+--------------------+--------------------|
          |       96MB       |    (2) 8M x 36     |    (2) 4M x 36     |
          |------------------+--------------------+--------------------|
          |      128MB       |    (2) 8M x 36     |    (2) 8M x 36     |
          |------------------+--------------------+--------------------|
          |      128MB       |    (2) 16M x 36    |        None        |
          |------------------+--------------------+--------------------|
          |      136MB       |    (2) 16M x 36    |    (2) 1M x 36     |
          |------------------+--------------------+--------------------|
          |      144MB       |    (2) 16M x 36    |    (2) 2M x 36     |
          |------------------+--------------------+--------------------|
          |      160MB       |    (2) 16M x 36    |    (2) 4M x 36     |
          |------------------+--------------------+--------------------|
          |      192MB       |    (2) 16M x 36    |    (2) 8M x 36     |
          |------------------+--------------------+--------------------|
          |      256MB       |    (2) 16M x 36    |    (2) 16M x 36    |
          |------------------------------------------------------------|
          | Note: Board accepts EDO memory.                            |
          +------------------------------------------------------------+
       
          +------------------------------------------------------------+
          |                     DIMM CONFIGURATION                     |
          |------------------------------------------------------------|
          |       Size       |       Bank 2       |       Bank 3       |
          |------------------+--------------------+--------------------|
          |       8MB        |    (1) 1M x 64     |        None        |
          |------------------+--------------------+--------------------|
          |       16MB       |    (1) 1M x 64     |    (1) 1M x 64     |
          |------------------+--------------------+--------------------|
          |       16MB       |    (1) 2M x 64     |        None        |
          |------------------+--------------------+--------------------|
          |       24MB       |    (1) 2M x 64     |    (1) 1M x 64     |
          |------------------+--------------------+--------------------|
          |       32MB       |    (1) 2M x 64     |    (1) 2M x 64     |
          |------------------+--------------------+--------------------|
          |       32MB       |    (1) 4M x 64     |        None        |
          |------------------+--------------------+--------------------|
          |       40MB       |    (1) 4M x 64     |    (1) 1M x 64     |
          |------------------+--------------------+--------------------|
          |       48MB       |    (1) 4M x 64     |    (1) 2M x 64     |
          |------------------+--------------------+--------------------|
          |       64MB       |    (1) 4M x 64     |    (1) 4M x 64     |
          |------------------+--------------------+--------------------|
          |       64MB       |    (1) 8M x 64     |        None        |
          |------------------+--------------------+--------------------|
          |       72MB       |    (1) 8M x 64     |    (1) 1M x 64     |
          |------------------+--------------------+--------------------|
          |       80MB       |    (1) 8M x 64     |    (1) 2M x 64     |
          |------------------+--------------------+--------------------|
          |       96MB       |    (1) 8M x 64     |    (1) 4M x 64     |
          |------------------+--------------------+--------------------|
          |      128MB       |    (1) 8M x 64     |    (1) 8M x 64     |
          |------------------+--------------------+--------------------|
          |      128MB       |    (1) 16M x 64    |        None        |
          |------------------+--------------------+--------------------|
          |      136MB       |    (1) 16M x 64    |    (1) 1M x 64     |
          |------------------+--------------------+--------------------|
          |      144MB       |    (1) 16M x 64    |    (1) 2M x 64     |
          |------------------+--------------------+--------------------|
          |      160MB       |    (1) 16M x 64    |    (1) 4M x 64     |
          |------------------+--------------------+--------------------|
          |      192MB       |    (1) 16M x 64    |    (1) 8M x 64     |
          |------------------+--------------------+--------------------|
          |      256MB       |    (1) 16M x 64    |    (1) 16M x 64    |
          +------------------------------------------------------------+
       
          +------------------------------------------------------------+
          |                    CACHE CONFIGURATION                     |
          |------------------------------------------------------------|
          | Note: The configuration of the cache is unidentified.      |
          +------------------------------------------------------------+
       
          +------------------------------------------------------------+
          |               CPU SPEED SELECTION (PENTIUM)                |
          |------------------------------------------------------------|
          |  CPU  | Clock  |Multiplier| JP1 | JP2 | JP3 |JP4 |JP5 |JP6 |
          | speed | speed  |          |     |     |     |    |    |    |
          |-------+--------+----------+-----+-----+-----+----+----+----|
          | 90MHz | 60MHz  |   1.5x   |1 & 2|1 & 2|1 & 2|1 & |2 & |1 & |
          |       |        |          |     |     |     | 2  | 3  | 2  |
          |-------+--------+----------+-----+-----+-----+----+----+----|
          |100MHz | 66MHz  |   1.5x   |1 & 2|1 & 2|1 & 2|2 & |2 & |1 & |
          |       |        |          |     |     |     | 3  | 3  | 2  |
          |-------+--------+----------+-----+-----+-----+----+----+----|
          |120MHz | 60MHz  |    2x    |2 & 3|1 & 2|1 & 2|1 & |2 & |1 & |
          |       |        |          |     |     |     | 2  | 3  | 2  |
          |-------+--------+----------+-----+-----+-----+----+----+----|
          |133MHz | 66MHz  |    2x    |2 & 3|1 & 2|1 & 2|2 & |2 & |1 & |
          |       |        |          |     |     |     | 3  | 3  | 2  |
          |-------+--------+----------+-----+-----+-----+----+----+----|
          |150MHz | 60MHz  |   2.5x   |2 & 3|2 & 3|1 & 2|1 & |2 & |1 & |
          |       |        |          |     |     |     | 2  | 3  | 2  |
          |-------+--------+----------+-----+-----+-----+----+----+----|
          |166MHz | 66MHz  |   2.5x   |2 & 3|2 & 3|1 & 2|2 & |2 & |1 & |
          |       |        |          |     |     |     | 3  | 3  | 2  |
          |-------+--------+----------+-----+-----+-----+----+----+----|
          |200MHz | 66MHz  |    3x    |1 & 2|2 & 3|1 & 2|2 & |2 & |1 & |
          |       |        |          |     |     |     | 3  | 3  | 2  |
          |------------------------------------------------------------|
          |Note: Pins designated are in the closed position.           |
          +------------------------------------------------------------+
       
          +------------------------------------------------------------+
          |             CPU SPEED SELECTION (PENTIUM MMX)              |
          |------------------------------------------------------------|
          |  CPU  | Clock  |Multiplier| JP1 | JP2 | JP3 |JP4 |JP5 |JP6 |
          | speed | speed  |          |     |     |     |    |    |    |
          |-------+--------+----------+-----+-----+-----+----+----+----|
          |150MHz | 60MHz  |   2.5x   |2 & 3|2 & 3|1 & 2|1 & |2 & |1 & |
          |       |        |          |     |     |     | 2  | 3  | 2  |
          |-------+--------+----------+-----+-----+-----+----+----+----|
          |166MHz | 66MHz  |   2.5x   |2 & 3|2 & 3|1 & 2|2 & |2 & |1 & |
          |       |        |          |     |     |     | 3  | 3  | 2  |
          |-------+--------+----------+-----+-----+-----+----+----+----|
          |200MHz | 66MHz  |    3x    |1 & 2|2 & 3|1 & 2|2 & |2 & |1 & |
          |       |        |          |     |     |     | 3  | 3  | 2  |
          |-------+--------+----------+-----+-----+-----+----+----+----|
          |233MHz | 66MHz  |   3.5x   |1 & 2|1 & 2|1 & 2|2 & |2 & |1 & |
          |       |        |          |     |     |     | 3  | 3  | 2  |
          |------------------------------------------------------------|
          |Note: Pins designated are in the closed position.           |
          +------------------------------------------------------------+
       
          +------------------------------------------------------------+
          |               CPU SPEED SELECTION (CX 6X86)                |
          |------------------------------------------------------------|
          |  CPU  | Clock  |Multiplier| JP1 | JP2 | JP3 |JP4 |JP5 |JP6 |
          | speed | speed  |          |     |     |     |    |    |    |
          |-------+--------+----------+-----+-----+-----+----+----+----|
          |120MHz | 60MHz  |    2x    |2 & 3|1 & 2|1 & 2|1 & |2 & |1 & |
          |       |        |          |     |     |     | 2  | 3  | 2  |
          |-------+--------+----------+-----+-----+-----+----+----+----|
          |133MHz | 66MHz  |    2x    |2 & 3|1 & 2|1 & 2|2 & |2 & |1 & |
          |       |        |          |     |     |     | 3  | 3  | 2  |
          |-------+--------+----------+-----+-----+-----+----+----+----|
          |150MHz | 75MHz  |    2x    |2 & 3|1 & 2|1 & 2|2 & |1 & |1 & |
          |       |        |          |     |     |     | 3  | 2  | 2  |
          |------------------------------------------------------------|
          |Note: Pins designated are in the closed position.           |
          +------------------------------------------------------------+
       
          +------------------------------------------------------------+
          |               CPU SPEED SELECTION (CX 6X86L)               |
          |------------------------------------------------------------|
          |  CPU  | Clock  |Multiplier| JP1 | JP2 | JP3 |JP4 |JP5 |JP6 |
          | speed | speed  |          |     |     |     |    |    |    |
          |-------+--------+----------+-----+-----+-----+----+----+----|
          |150MHz | 60MHz  |   2.5x   |2 & 3|2 & 3|1 & 2|1 & |2 & |1 & |
          |       |        |          |     |     |     | 2  | 3  | 2  |
          |-------+--------+----------+-----+-----+-----+----+----+----|
          |166MHz | 66MHz  |   2.5x   |2 & 3|2 & 3|1 & 2|2 & |2 & |1 & |
          |       |        |          |     |     |     | 3  | 3  | 2  |
          |-------+--------+----------+-----+-----+-----+----+----+----|
          |200MHz | 66MHz  |    3x    |1 & 2|2 & 3|1 & 2|2 & |2 & |1 & |
          |       |        |          |     |     |     | 3  | 3  | 2  |
          |-------+--------+----------+-----+-----+-----+----+----+----|
          |233MHz | 66MHz  |   3.5x   |1 & 2|1 & 2|1 & 2|2 & |2 & |1 & |
          |       |        |          |     |     |     | 3  | 3  | 2  |
          |------------------------------------------------------------|
          |Note: Pins designated are in the closed position.           |
          +------------------------------------------------------------+
       
          +------------------------------------------------------------+
          |                CPU SPEED SELECTION (AM K5)                 |
          |------------------------------------------------------------|
          |  CPU  | Clock  |Multiplier| JP1 | JP2 | JP3 |JP4 |JP5 |JP6 |
          | speed | speed  |          |     |     |     |    |    |    |
          |-------+--------+----------+-----+-----+-----+----+----+----|
          | 90MHz | 60MHz  |   1.5x   |1 & 2|1 & 2|1 & 2|1 & |2 & |1 & |
          |       |        |          |     |     |     | 2  | 3  | 2  |
          |-------+--------+----------+-----+-----+-----+----+----+----|
          |100MHz | 66MHz  |   1.5x   |1 & 2|1 & 2|1 & 2|2 & |2 & |1 & |
          |       |        |          |     |     |     | 3  | 3  | 2  |
          |-------+--------+----------+-----+-----+-----+----+----+----|
          | 90MHz | 60MHz  |   1.5x   |1 & 2|1 & 2|1 & 2|1 & |2 & |1 & |
          |       |        |          |     |     |     | 2  | 3  | 2  |
          |-------+--------+----------+-----+-----+-----+----+----+----|
          |100MHz | 66MHz  |   1.5x   |1 & 2|1 & 2|1 & 2|2 & |2 & |1 & |
          |       |        |          |     |     |     | 3  | 3  | 2  |
          |-------+--------+----------+-----+-----+-----+----+----+----|
          |116MHz | 66MHz  |  1.75x   |2 & 3|2 & 3|1 & 2|2 & |2 & |1 & |
          |       |        |          |     |     |     | 3  | 3  | 2  |
          |------------------------------------------------------------|
          |Note: Pins designated are in the closed position.           |
          +------------------------------------------------------------+
       
          +------------------------------------------------------------+
          |                CPU SPEED SELECTION (AM K6)                 |
          |------------------------------------------------------------|
          |  CPU  | Clock  |Multiplier| JP1 | JP2 | JP3 |JP4 |JP5 |JP6 |
          | speed | speed  |          |     |     |     |    |    |    |
          |-------+--------+----------+-----+-----+-----+----+----+----|
          |166MHz | 66MHz  |   2.5x   |2 & 3|2 & 3|1 & 2|2 & |2 & |1 & |
          |       |        |          |     |     |     | 3  | 3  | 2  |
          |-------+--------+----------+-----+-----+-----+----+----+----|
          |200MHz | 66MHz  |    3x    |1 & 2|2 & 3|1 & 2|2 & |2 & |1 & |
          |       |        |          |     |     |     | 3  | 3  | 2  |
          |-------+--------+----------+-----+-----+-----+----+----+----|
          |233MHz | 66MHz  |   3.5x   |1 & 2|1 & 2|1 & 2|2 & |2 & |1 & |
          |       |        |          |     |     |     | 3  | 3  | 2  |
          |------------------------------------------------------------|
          |Note: Pins designated are in the closed position.           |
          +------------------------------------------------------------+
       
          +------------------------------------------------------------+
          |               CPU VOLTAGE SELECTION (SINGLE)               |
          |------------------------------------------------------------|
          |          Voltage           |             JP11              |
          |----------------------------+-------------------------------|
          | »  |         3.45v         |       Pins 1 & 2 closed       |
          +------------------------------------------------------------+
       
          +------------------------------------------------------------+
          |                CPU VOLTAGE SELECTION (DUAL)                |
          |------------------------------------------------------------|
          |          Voltage           |             JP11              |
          |----------------------------+-------------------------------|
          |            2.8v            |       Pins 7 & 8 closed       |
          |----------------------------+-------------------------------|
          |            2.9v            |       Pins 5 & 6 closed       |
          |----------------------------+-------------------------------|
          |            3.2v            |      Pins 9 & 10 closed       |
          |----------------------------+-------------------------------|
          |           3.52v            |       Pins 3 & 4 closed       |
          +------------------------------------------------------------+