URI: 
  TEXT View Source
       
       # CAF TECHNOLOGY, INC.
       
          N342 (Ver. 1.0)
       
          Processor        80368SX                                       
          Processor Speed  25/33MHz                                      
          Chip Set         VLSI SCAMP                                    
          Max. Onboard     16MB                                          
          DRAM             
          SRAM Cache       None                                          
          BIOS             AMI                                           
          Dimensions       240mm x 220mm                                 
          I/O Options      Floppy drive interface, game port, IDE        
                           interface, parallel port, serial port (2)     
          NPU Options      80387SX                                       
       
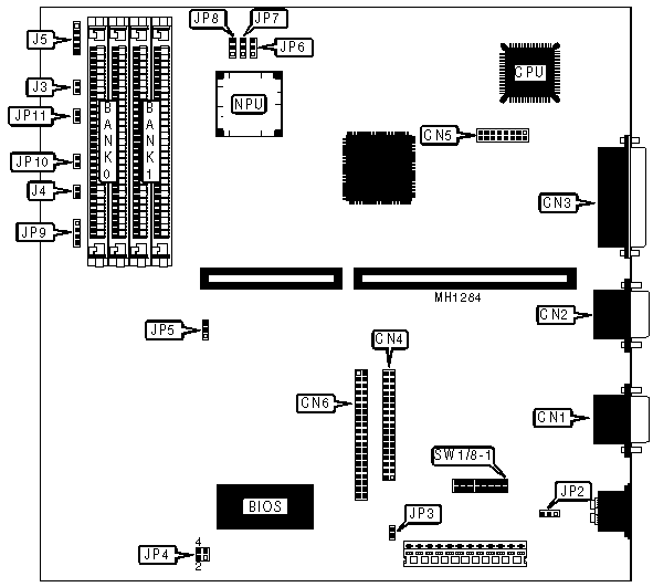
   IMG IMG 1
          
       
          +------------------------------------------------------------+
          |                        CONNECTIONS                         |
          |------------------------------------------------------------|
          | Purpose           | Location | Purpose          | Location |
          |-------------------+----------+------------------+----------|
          | IDE interface LED |    J3    | Serial port 1    |   CN1    |
          |-------------------+----------+------------------+----------|
          | Reset switch      |    J4    | Serial port 2    |   CN2    |
          |-------------------+----------+------------------+----------|
          | Power LED &       |    J5    | Parallel port    |   CN3    |
          | keylock           |          |                  |          |
          |-------------------+----------+------------------+----------|
          | Speaker           | JP9 pins | Floppy drive     |   CN4    |
          |                   |  3 & 4   | interface        |          |
          |-------------------+----------+------------------+----------|
          | Turbo switch      |   JP10   | Game port        |   CN5    |
          |-------------------+----------+------------------+----------|
          | Turbo LED         |   JP11   | IDE interface    |   CN6    |
          +------------------------------------------------------------+
       
          +------------------------------------------------------------+
          |                 USER CONFIGURABLE SETTINGS                 |
          |------------------------------------------------------------|
          |           Function            | Jumper/Switch |  Position  |
          |-------------------------------+---------------+------------|
          | » | Battery select internal   |      JP2      | pins 1 & 2 |
          |   | (3.6VDC)                  |               |   closed   |
          |---+---------------------------+---------------+------------|
          |   | Battery select external   |      JP2      | pins 2 & 3 |
          |   | (6.0VDC)                  |               |   closed   |
          |---+---------------------------+---------------+------------|
          | » | SYSCLK normal operation   |      JP3      |    open    |
          |---+---------------------------+---------------+------------|
          |   | SYSCLK select 12MHz       |      JP3      |   closed   |
          |---+---------------------------+---------------+------------|
          | » | CMOS memory normal        |      JP4      | pins 1 & 2 |
          |   | operation                 |               |   closed   |
          |---+---------------------------+---------------+------------|
          |   | CMOS memory clear         |      JP4      | pins 3 & 4 |
          |   |                           |               |   closed   |
          |---+---------------------------+---------------+------------|
          | » | Turbo mode controlled by  |      JP5      | pins 2 & 3 |
          |   | JP10                      |               |   closed   |
          |---+---------------------------+---------------+------------|
          |   | Turbo mode selectable at  |      JP5      | pins 1 & 2 |
          |   | keyboard                  |               |   closed   |
          |---+---------------------------+---------------+------------|
          | » | Speaker select internal   |      JP9      | pins 1 & 2 |
          |   |                           |               |   closed   |
          |---+---------------------------+---------------+------------|
          |   | Speaker select external   |      JP9      | connected  |
          |---+---------------------------+---------------+------------|
          | » | Monitor type select       | SW1/Switch 8  |    open    |
          |   | monochrone                |               |            |
          |---+---------------------------+---------------+------------|
          |   | Monitor type select color | SW1/Switch 8  |   closed   |
          |---+---------------------------+---------------+------------|
          | » | Factory configured - do   | SW1/Switch 3  |  unknown   |
          |   | not alter                 |               |            |
          +------------------------------------------------------------+
       
          +------------------------------------------------------------+
          |                     CPU CONFIGURATION                      |
          |------------------------------------------------------------|
          |    CPU     | Clock  |     JP6      |    JP7    |    JP8    |
          |            | Speed  |              |           |           |
          |------------+--------+--------------+-----------+-----------|
          | 80386SX/33 | 66MHz  |  pins 1 & 2  | pins 2 &  | pins 1 &  |
          |            |        |    closed    | 3 closed  | 2 closed  |
          |------------+--------+--------------+-----------+-----------|
          | 80386SX/25 | 50MHz  |  pins 2 & 3  | pins 2 &  | pins 1 &  |
          |            |        |    closed    | 3 closed  | 2 closed  |
          |------------+--------+--------------+-----------+-----------|
          | 80386SX/20 | 40MHz  |  pins 1 & 2  | pins 1 &  | pins 2 &  |
          |            |        |    closed    | 2 closed  | 3 closed  |
          +------------------------------------------------------------+
       
          +------------------------------------------------------------+
          |                     DRAM CONFIGURATION                     |
          |------------------------------------------------------------|
          |       Size       |       Bank 0       |       Bank 1       |
          |------------------+--------------------+--------------------|
          |      512KB       |    (2) 256K x 9    |        NONE        |
          |------------------+--------------------+--------------------|
          |       1MB        |    (2) 256K x 9    |    (2) 256K x 9    |
          |------------------+--------------------+--------------------|
          |       2MB        |     (2) 1M x 9     |        NONE        |
          |------------------+--------------------+--------------------|
          |       4MB        |     (2) 1M x 9     |     (2) 1M x 9     |
          |------------------+--------------------+--------------------|
          |       8MB        |     (2) 4M x 9     |        NONE        |
          |------------------+--------------------+--------------------|
          |       16MB       |     (2) 4M x 9     |     (2) 4M x 9     |
          +------------------------------------------------------------+
       
          +------------------------------------------------------------+
          |                I/O CONTROLLER CONFIGURATION                |
          |------------------------------------------------------------|
          |           Device           |   SW1    | Enabled | Disabled |
          |----------------------------+----------+---------+----------|
          |         COM1 (CN1)         | switch 1 |  open   |  closed  |
          |----------------------------+----------+---------+----------|
          |         COM2 (CN2)         | switch 2 |  open   |  closed  |
          |----------------------------+----------+---------+----------|
          |   Floppy drive interface   | switch 4 |  open   |  closed  |
          |           (CN4)            |          |         |          |
          |----------------------------+----------+---------+----------|
          |    Parallel port (CN3)     | switch 5 |  open   |  closed  |
          |----------------------------+----------+---------+----------|
          |    IDE interface (CN6)     | switch 6 |  open   |  closed  |
          |----------------------------+----------+---------+----------|
          |      Game port (CN5)       | switch 7 |  open   |  closed  |
          +------------------------------------------------------------+