URI: 
  TEXT View Source
       
       # DELL COMPUTER CORPORATION
       
          DIMENSION PXXXS
       
          Processor        Pentium                                       
          Processor Speed  133/166/200MHz                                
          Chip Set         None                                          
          Video Chip Set   None                                          
          Maximum Onboard  64MB                                          
          Memory           
          Maximum Video    None                                          
          Memory           
          Cache            256/512KB                                     
          BIOS             Unidentified                                  
          Dimensions       305mm x 244mm                                 
          I/O Options      32-bit PCI slots (4), floppy drive interface, 
                           IDE interfaces (2), parallel port, PS/2 mouse 
                           port, serial ports (2), cache slot, ATX power 
                           connector, line in, line out, microphone in,  
                           game/MIDI port, wavetable connector, CD-ROM   
                           audio in                                      
          NPU Options      None                                          
       
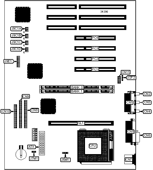
   IMG IMG 1
          
       
          +------------------------------------------------------------+
          |                        CONNECTIONS                         |
          |------------------------------------------------------------|
          | Purpose          | Location | Purpose           | Location |
          |------------------+----------+-------------------+----------|
          | ATX power        |   ATX    | IDE interface 1   |   CN9    |
          | connector        |          |                   |          |
          |------------------+----------+-------------------+----------|
          | Game/MIDI port   |   CN1    | Floppy drive      |   CN10   |
          |                  |          | interface         |          |
          |------------------+----------+-------------------+----------|
          | Microphone in    |   CN2    | Wavetable         |   CN11   |
          |                  |          | connector         |          |
          |------------------+----------+-------------------+----------|
          | Line in          |   CN3    | CD-ROM audio in   |   J2F2   |
          |------------------+----------+-------------------+----------|
          | Line out         |   CN4    | Chassis fan power |   J7M1   |
          |------------------+----------+-------------------+----------|
          | Parallel port    |   CN5    | Front panel       |   J9E1   |
          |                  |          | connector         |          |
          |------------------+----------+-------------------+----------|
          | Serial port      |   CN6    | 32-bit PCI slots  |  PC1 –   |
          |                  |          |                   |   PC4    |
          |------------------+----------+-------------------+----------|
          | PS/2 mouse port  |   CN7    | Cache slot        |   SL1    |
          |------------------+----------+-------------------+----------|
          | IDE interface 2  |   CN8    |                   |          |
          +------------------------------------------------------------+
       
          +------------------------------------------------------------+
          |                 USER CONFIGURABLE SETTINGS                 |
          |------------------------------------------------------------|
          |             Function             |   Label    |  Position  |
          |----------------------------------+------------+------------|
          | » | Factory configured - do not  |    J6M1    | Pins 2 & 3 |
          |   | alter                        |            |   closed   |
          |---+------------------------------+------------+------------|
          |   | Password enabled             |   J9C1A    | Pins 1 & 2 |
          |   |                              |            |   closed   |
          |---+------------------------------+------------+------------|
          |   | Password disabled            |   J9C1A    | Pins 2 & 3 |
          |   |                              |            |   closed   |
          |---+------------------------------+------------+------------|
          | » | CMOS memory normal operation |   J9C1A    | Pins 4 & 5 |
          |   |                              |            |   closed   |
          |---+------------------------------+------------+------------|
          |   | CMOS memory clear            |   J9C1A    | Pins 5 & 6 |
          |   |                              |            |   closed   |
          |---+------------------------------+------------+------------|
          | » | Setup access enabled         |   J9C1B    | Pins 1 & 2 |
          |   |                              |            |   closed   |
          |---+------------------------------+------------+------------|
          |   | Setup access disabled        |   J9C1B    | Pins 2 & 3 |
          |   |                              |            |   closed   |
          |---+------------------------------+------------+------------|
          | » | Factory configured - do not  | J9C1B/pins |    Open    |
          |   | alter                        |   4 - 6    |            |
          +------------------------------------------------------------+
       
          +------------------------------------------------------------+
          |                     DIMM CONFIGURATION                     |
          |------------------------------------------------------------|
          |       Size       |       Bank 0       |       Bank 1       |
          |------------------+--------------------+--------------------|
          |       16MB       |    (1) 2M x 64     |        None        |
          |------------------+--------------------+--------------------|
          |       32MB       |    (1) 4M x 64     |        None        |
          |------------------+--------------------+--------------------|
          |       32MB       |    (1) 2M x 64     |    (1) 2M x 64     |
          |------------------+--------------------+--------------------|
          |       48MB       |    (1) 4M x 64     |    (1) 2M x 64     |
          |------------------+--------------------+--------------------|
          |       64MB       |    (1) 4M x 64     |    (1) 4M x 64     |
          +------------------------------------------------------------+
       
          +------------------------------------------------------------+
          |                    CACHE CONFIGURATION                     |
          |------------------------------------------------------------|
          |            Size            |              SL1              |
          |----------------------------+-------------------------------|
          |           256KB            |    256KB module installed     |
          |----------------------------+-------------------------------|
          |           512KB            |    512KB module installed     |
          +------------------------------------------------------------+
       
          +------------------------------------------------------------+
          |                    CPU SPEED SELECTION                     |
          |------------------------------------------------------------|
          | CPU speed  |  Clock   | Multiplier |   J9C1C    |  J9C1D   |
          |            |  speed   |            |            |          |
          |------------+----------+------------+------------+----------|
          |   133MHz   |  66MHz   |     2x     | 1 & 2, 5 & | 2 & 3, 4 |
          |            |          |            |     6      |   & 5    |
          |------------+----------+------------+------------+----------|
          |   166MHz   |  66MHz   |    2.5x    | 1 & 2, 5 & | 2 & 3, 5 |
          |            |          |            |     6      |   & 6    |
          |------------+----------+------------+------------+----------|
          |   200MHz   |  66MHz   |     3x     | 1 & 2, 5 & | 1 & 2, 5 |
          |            |          |            |     6      |   & 6    |
          |------------------------------------------------------------|
          | Note: Pins designated should be in the closed position.    |
          +------------------------------------------------------------+