URI: 
  TEXT View Source
       
       # DTK COMPUTER, INC.
       
          PRM-0074I (VER. 1.02)
       
          Device Type      Mainboard                                     
          Processor        Pentium II                                    
          Processor Speed  233/266/300MHz                                
          Chip Set         Intel 440FX                                   
          Maximum Onboard  512MB (EDO supported)                         
          Memory           
          Cache            256/512KB (located on the Pentium II CPU)     
          BIOS             AMI                                           
          Dimensions       305mm x 244mm                                 
          I/O Options      32-bit PCI slots (5), floppy drive interface, 
                           green PC connector, IDE interface (2),        
                           parallel port, PS/2 mouse port, serial ports  
                           (2), IR connector, USB connector (2), ATX     
                           power connector                               
       
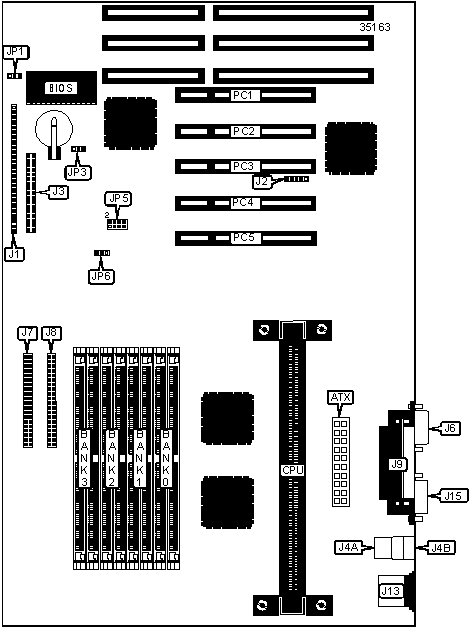
   IMG IMG 1
          
       
          +------------------------------------------------------------+
          |                        CONNECTIONS                         |
          |------------------------------------------------------------|
          | Purpose          | Location  | Purpose          | Location |
          |------------------+-----------+------------------+----------|
          | ATX power supply |    ATX    | USB connector 1  |   J4A    |
          |------------------+-----------+------------------+----------|
          | Speaker          | J1/pins 1 | USB connector 2  |   J4B    |
          |                  |    - 4    |                  |          |
          |------------------+-----------+------------------+----------|
          | Reset switch     | J1/pins 6 | Serial port 2    |    J6    |
          |                  |    & 7    |                  |          |
          |------------------+-----------+------------------+----------|
          | Keylock          | J1/pins 9 | IDE interface 1  |    J7    |
          |                  |   - 13    |                  |          |
          |------------------+-----------+------------------+----------|
          | IDE interface    |  J1/pins  | IDE interface 2  |    J8    |
          | LED              |  15 - 18  |                  |          |
          |------------------+-----------+------------------+----------|
          | Green PC         |  J1/pins  | Parallel port    |    J9    |
          | connector        |  20 & 21  |                  |          |
          |------------------+-----------+------------------+----------|
          | ATX power switch |  J1/pins  | PS/2 mouse port  |   J13    |
          |                  |  22 & 23  |                  |          |
          |------------------+-----------+------------------+----------|
          | Turbo LED        |  J1/pins  | Serial port 1    |   J15    |
          |                  |  25 & 26  |                  |          |
          |------------------+-----------+------------------+----------|
          | IR connector     |    J2     | 32-bit PCI slots |  PC1 -   |
          |                  |           |                  |   PC5    |
          |------------------+-----------+------------------+----------|
          | Floppy drive     |    J3     |                  |          |
          | interface        |           |                  |          |
          +------------------------------------------------------------+
       
          +------------------------------------------------------------+
          |                 USER CONFIGURABLE SETTINGS                 |
          |------------------------------------------------------------|
          |             Function              | Label |    Position    |
          |-----------------------------------+-------+----------------|
          |   | Flash BIOS voltage select 12v |  JP1  |   Pins 1 & 2   |
          |   |                               |       |     closed     |
          |---+-------------------------------+-------+----------------|
          |   | Flash BIOS voltage select 5v  |  JP1  |   Pins 2 & 3   |
          |   |                               |       |     closed     |
          |---+-------------------------------+-------+----------------|
          | » | CMOS memory normal operation  |  JP3  |   Pins 2 & 3   |
          |   |                               |       |     closed     |
          |---+-------------------------------+-------+----------------|
          |   | CMOS memory clear             |  JP3  |   Pins 1 & 2   |
          |   |                               |       |     closed     |
          +------------------------------------------------------------+
       
          +------------------------------------------------------------+
          |                     DRAM CONFIGURATION                     |
          |------------------------------------------------------------|
          | Size |   Bank 0    |   Bank 1    |   Bank 2   |   Bank 3   |
          |------+-------------+-------------+------------+------------|
          | 8MB  | (2) 1M x 36 |    None     |    None    |    None    |
          |------+-------------+-------------+------------+------------|
          | 16MB | (2) 2M x 36 |    None     |    None    |    None    |
          |------+-------------+-------------+------------+------------|
          | 16MB | (2) 1M x 36 | (2) 1M x 36 |    None    |    None    |
          |------+-------------+-------------+------------+------------|
          | 24MB | (2) 2M x 36 | (2) 1M x 36 |    None    |    None    |
          |------+-------------+-------------+------------+------------|
          | 24MB | (2) 1M x 36 | (2) 1M x 36 |  (2) 1M x  |    None    |
          |      |             |             |     36     |            |
          |------+-------------+-------------+------------+------------|
          | 32MB | (2) 4M x 36 |    None     |    None    |    None    |
          |------+-------------+-------------+------------+------------|
          | 32MB | (2) 2M x 36 | (2) 2M x 36 |    None    |    None    |
          |------+-------------+-------------+------------+------------|
          | 32MB | (2) 1M x 36 | (2) 1M x 36 |  (2) 1M x  |  (2) 1M x  |
          |      |             |             |     36     |     36     |
          |------+-------------+-------------+------------+------------|
          | 40MB | (2) 4M x 36 | (2) 1M x 36 |    None    |    None    |
          |------+-------------+-------------+------------+------------|
          | 48MB | (2) 4M x 36 | (2) 2M x 36 |    None    |    None    |
          |------+-------------+-------------+------------+------------|
          | 48MB | (2) 2M x 36 | (2) 2M x 36 |  (2) 2M x  |    None    |
          |      |             |             |     36     |            |
          |------+-------------+-------------+------------+------------|
          | 64MB | (2) 2M x 36 | (2) 2M x 36 |  (2) 2M x  |  (2) 2M x  |
          |      |             |             |     36     |     36     |
          |------+-------------+-------------+------------+------------|
          | 64MB | (2) 8M x 36 |    None     |    None    |    None    |
          |------+-------------+-------------+------------+------------|
          | 64MB | (2) 4M x 36 | (2) 4M x 36 |    None    |    None    |
          +------------------------------------------------------------+
       
          +------------------------------------------------------------+
          |                 DRAM CONFIGURATION (CON’T)                 |
          |------------------------------------------------------------|
          | Size  |   Bank 0    |   Bank 1   |   Bank 2   |   Bank 3   |
          |-------+-------------+------------+------------+------------|
          | 72MB  | (2) 8M x 36 |  (2) 1M x  |    None    |    None    |
          |       |             |     36     |            |            |
          |-------+-------------+------------+------------+------------|
          | 80MB  | (2) 8M x 36 |  (2) 2M x  |    None    |    None    |
          |       |             |     36     |            |            |
          |-------+-------------+------------+------------+------------|
          | 96MB  | (2) 8M x 36 |  (2) 4M x  |    None    |    None    |
          |       |             |     36     |            |            |
          |-------+-------------+------------+------------+------------|
          | 96MB  | (2) 4M x 36 |  (2) 4M x  |  (2) 4M x  |    None    |
          |       |             |     36     |     36     |            |
          |-------+-------------+------------+------------+------------|
          | 128MB |  (2) 16M x  |    None    |    None    |    None    |
          |       |     36      |            |            |            |
          |-------+-------------+------------+------------+------------|
          | 128MB | (2) 8M x 36 |  (2) 8M x  |    None    |    None    |
          |       |             |     36     |            |            |
          |-------+-------------+------------+------------+------------|
          | 128MB | (2) 4M x 36 |  (2) 4M x  |  (2) 4M x  |  (2) 4M x  |
          |       |             |     36     |     36     |     36     |
          |-------+-------------+------------+------------+------------|
          | 136MB |  (2) 16M x  |  (2) 1M x  |    None    |    None    |
          |       |     36      |     36     |            |            |
          |-------+-------------+------------+------------+------------|
          | 144MB |  (2) 16M x  |  (2) 2M x  |    None    |    None    |
          |       |     36      |     36     |            |            |
          |-------+-------------+------------+------------+------------|
          | 152MB |  (2) 16M x  |  (2) 1M x  |  (2) 1M x  |  (2) 1M x  |
          |       |     36      |     36     |     36     |     36     |
          |-------+-------------+------------+------------+------------|
          | 160MB |  (2) 16M x  |  (2) 4M x  |    None    |    None    |
          |       |     36      |     36     |            |            |
          |-------+-------------+------------+------------+------------|
          | 176MB |  (2) 16M x  |  (2) 2M x  |  (2) 2M x  |  (2) 2M x  |
          |       |     36      |     36     |     36     |     36     |
          |-------+-------------+------------+------------+------------|
          | 192MB |  (2) 16M x  |  (2) 8M x  |    None    |    None    |
          |       |     36      |     36     |            |            |
          |-------+-------------+------------+------------+------------|
          | 192MB | (2) 8M x 36 |  (2) 8M x  |  (2) 8M x  |    None    |
          |       |             |     36     |     36     |            |
          |-------+-------------+------------+------------+------------|
          | 224MB |  (2) 16M x  |  (2) 4M x  |  (2) 4M x  |  (2) 4M x  |
          |       |     36      |     36     |     36     |     36     |
          |-------+-------------+------------+------------+------------|
          | 256MB |  (2) 32M x  |    None    |    None    |    None    |
          |       |     36      |            |            |            |
          |-------+-------------+------------+------------+------------|
          | 256MB |  (2) 16M x  | (2) 16M x  |    None    |    None    |
          |       |     36      |     36     |            |            |
          |-------+-------------+------------+------------+------------|
          | 256MB | (2) 8M x 36 |  (2) 8M x  |  (2) 8M x  |  (2) 8M x  |
          |       |             |     36     |     36     |     36     |
          |-------+-------------+------------+------------+------------|
          | 272MB |  (2) 16M x  | (2) 16M x  |  (2) 1M x  |  (2) 1M x  |
          |       |     36      |     36     |     36     |     36     |
          |-------+-------------+------------+------------+------------|
          | 280MB |  (2) 32M x  |  (2) 1M x  |  (2) 1M x  |  (2) 1M x  |
          |       |     36      |     36     |     36     |     36     |
          |-------+-------------+------------+------------+------------|
          | 288MB |  (2) 16M x  | (2) 16M x  |  (2) 2M x  |  (2) 2M x  |
          |       |     36      |     36     |     36     |     36     |
          |-------+-------------+------------+------------+------------|
          | 304MB |  (2) 32M x  |  (2) 2M x  |  (2) 2M x  |  (2) 2M x  |
          |       |     36      |     36     |     36     |     36     |
          |-------+-------------+------------+------------+------------|
          | 320MB |  (2) 16M x  | (2) 16M x  |  (2) 4M x  |  (2) 4M x  |
          |       |     36      |     36     |     36     |     36     |
          |-------+-------------+------------+------------+------------|
          | 320MB |  (2) 16M x  |  (2) 8M x  |  (2) 8M x  |  (2) 8M x  |
          |       |     36      |     36     |     36     |     36     |
          |-------+-------------+------------+------------+------------|
          | 352MB |  (2) 32M x  |  (2) 4M x  |  (2) 4M x  |  (2) 4M x  |
          |       |     36      |     36     |     36     |     36     |
          |-------+-------------+------------+------------+------------|
          | 384MB |  (2) 16M x  | (2) 16M x  | (2) 16M x  |    None    |
          |       |     36      |     36     |     36     |            |
          |-------+-------------+------------+------------+------------|
          | 448MB |  (2) 32M x  |  (2) 8M x  |  (2) 8M x  |  (2) 8M x  |
          |       |     36      |     36     |     36     |     36     |
          |-------+-------------+------------+------------+------------|
          | 512MB |  (2) 16M x  | (2) 16M x  | (2) 16M x  | (2) 16M x  |
          |       |     36      |     36     |     36     |     36     |
          +------------------------------------------------------------+
       
          +------------------------------------------------------------+
          |               CPU SPEED SELECTION (PENTIUM)                |
          |------------------------------------------------------------|
          | Speed  | Clock  | Multiplier |         JP5         |  JP6  |
          |        | speed  |            |                     |       |
          |--------+--------+------------+---------------------+-------|
          | 233MHz | 66MHz  |    3.5x    |    1 & 2, 3 & 4     | 1 & 2 |
          |--------+--------+------------+---------------------+-------|
          | 266MHz | 66MHz  |     4x     | 1 & 2, 5 & 6, 7 & 8 | 1 & 2 |
          |--------+--------+------------+---------------------+-------|
          | 300MHz | 66MHz  |    4.5x    |    1 & 2, 5 & 6     | 1 & 2 |
          |------------------------------------------------------------|
          | Note: Numbers designate pins that should be closed.        |
          +------------------------------------------------------------+