URI: 
  TEXT View Source
       
       # DIAMOND FLOWER, INC.
       
          586IVX/S (REV. A+)
       
          Device Type      Mainboard                                     
          Processor        CX 6X86/AM K5/Pentium/Pentium MMX             
          Processor Speed  75/90/100/120/133/150/166/200MHz              
          Chip Set         Intel                                         
          Video Chip Set   None                                          
          Maximum Onboard  128MB (EDO & SDRAM supported)                 
          Memory           
          Maximum Video    None                                          
          Memory           
          Cache            256/512KB                                     
          BIOS             Award                                         
          Dimensions       305mm x 230mm                                 
          I/O Options      32-bit PCI slots (4), floppy drive interface, 
                           game/MIDI port, green PC connector, IDE       
                           interfaces (2), parallel port, PS/2 mouse     
                           port, serial ports (2), IR connector, USB     
                           connectors (2), ATX power connector, line in, 
                           line out, microphone in, wavetable connector, 
                           audio in – CD-ROM, modem connector            
          NPU Options      None                                          
       
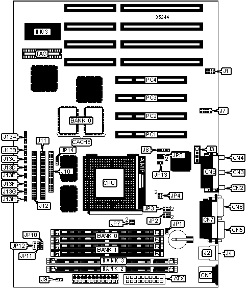
   IMG IMG 1
          
       
          +------------------------------------------------------------+
          |                        CONNECTIONS                         |
          |------------------------------------------------------------|
          | Purpose           | Location | Purpose          | Location |
          |-------------------+----------+------------------+----------|
          | ATX power         |   ATX    | IR connector     |    J8    |
          | connector         |          |                  |          |
          |-------------------+----------+------------------+----------|
          | Line out          |   CN2    | Chassis fan      |    J9    |
          |                   |          | power            |          |
          |-------------------+----------+------------------+----------|
          | Line in           |   CN3    | Floppy drive     |   J10    |
          |                   |          | interface        |          |
          |-------------------+----------+------------------+----------|
          | Microphone in     |   CN4    | IDE interface 1  |   J11    |
          |-------------------+----------+------------------+----------|
          | Serial port 2     |   CN5    | IDE interface 2  |   J12    |
          |-------------------+----------+------------------+----------|
          | Serial port 1     |   CN6    | Power LED &      |   J13A   |
          |                   |          | keylock          |          |
          |-------------------+----------+------------------+----------|
          | Parallel port     |   CN7    | Speaker          |   J13B   |
          |-------------------+----------+------------------+----------|
          | PS/2 mouse port   |   CN8    | Reset switch     |   J13C   |
          |-------------------+----------+------------------+----------|
          | Game/MIDI port    |   CN9    | Green PC         |   J13D   |
          |                   |          | connector        |          |
          |-------------------+----------+------------------+----------|
          | Wavetable         |    J1    | Soft off power   |   J13E   |
          | connector         |          | supply           |          |
          |-------------------+----------+------------------+----------|
          | USB connector 1   |    J2    | Green PC LED     |   J13F   |
          |-------------------+----------+------------------+----------|
          | USB connector 2   |    J4    | IDE interface    |   J13G   |
          |                   |          | LED              |          |
          |-------------------+----------+------------------+----------|
          | Audio in – CD-ROM |    J3    | ATX LED          |   J13H   |
          |-------------------+----------+------------------+----------|
          | Modem connector   |    J7    | 32-bit PCI slots |  PC1 –   |
          |                   |          |                  |   PC4    |
          +------------------------------------------------------------+
       
          +------------------------------------------------------------+
          |                 USER CONFIGURABLE SETTINGS                 |
          |------------------------------------------------------------|
          |              Function               |  Label  |  Position  |
          |-------------------------------------+---------+------------|
          | » | CMOS memory normal operation    |   JP1   |   Closed   |
          |---+---------------------------------+---------+------------|
          |   | CMOS memory clear               |   JP1   |    Open    |
          |---+---------------------------------+---------+------------|
          | » | Password normal operation       |  JP13   |    Open    |
          |---+---------------------------------+---------+------------|
          |   | Password clear                  |  JP13   |   Closed   |
          +------------------------------------------------------------+
       
          +------------------------------------------------------------+
          |                     SIMM CONFIGURATION                     |
          |------------------------------------------------------------|
          |       Size       |       Bank 0       |       Bank 1       |
          |------------------+--------------------+--------------------|
          |       8MB        |    (2) 1M x 36     |        None        |
          |------------------+--------------------+--------------------|
          |       16MB       |    (2) 2M x 36     |        None        |
          |------------------+--------------------+--------------------|
          |       16MB       |    (2) 1M x 36     |    (2) 1M x 36     |
          |------------------+--------------------+--------------------|
          |       24MB       |    (2) 2M x 36     |    (2) 1M x 36     |
          |------------------+--------------------+--------------------|
          |       32MB       |    (2) 4M x 36     |        None        |
          |------------------+--------------------+--------------------|
          |       32MB       |    (2) 2M x 36     |    (2) 2M x 36     |
          |------------------+--------------------+--------------------|
          |       40MB       |    (2) 4M x 36     |    (2) 1M x 36     |
          |------------------+--------------------+--------------------|
          |       48MB       |    (2) 4M x 36     |    (2) 2M x 36     |
          |------------------+--------------------+--------------------|
          |       64MB       |    (2) 8M x 36     |        None        |
          |------------------+--------------------+--------------------|
          |       64MB       |    (2) 4M x 36     |    (2) 4M x 36     |
          |------------------+--------------------+--------------------|
          |       72MB       |    (2) 8M x 36     |    (2) 1M x 36     |
          |------------------+--------------------+--------------------|
          |       80MB       |    (2) 8M x 36     |    (2) 2M x 36     |
          |------------------+--------------------+--------------------|
          |       96MB       |    (2) 8M x 36     |    (2) 4M x 36     |
          |------------------+--------------------+--------------------|
          |      128MB       |    (2) 8M x 36     |    (2) 8M x 36     |
          |------------------------------------------------------------|
          | Note: Board accepts EDO memory.                            |
          +------------------------------------------------------------+
       
          +------------------------------------------------------------+
          |                     DIMM CONFIGURATION                     |
          |------------------------------------------------------------|
          |       Size       |       Bank 0       |       Bank 1       |
          |------------------+--------------------+--------------------|
          |       8MB        |    (1) 1M x 64     |        None        |
          |------------------+--------------------+--------------------|
          |       16MB       |    (1) 2M x 64     |        None        |
          |------------------+--------------------+--------------------|
          |       16MB       |    (1) 1M x 64     |    (1) 1M x 64     |
          |------------------+--------------------+--------------------|
          |       24MB       |    (1) 2M x 64     |    (1) 1M x 64     |
          |------------------+--------------------+--------------------|
          |       32MB       |    (1) 4M x 64     |        None        |
          |------------------+--------------------+--------------------|
          |       32MB       |    (1) 2M x 64     |    (1) 2M x 64     |
          |------------------+--------------------+--------------------|
          |       40MB       |    (1) 4M x 64     |    (1) 1M x 64     |
          |------------------+--------------------+--------------------|
          |       48MB       |    (1) 4M x 64     |    (1) 2M x 64     |
          |------------------+--------------------+--------------------|
          |       64MB       |    (1) 8M x 64     |        None        |
          |------------------+--------------------+--------------------|
          |       64MB       |    (1) 4M x 64     |    (1) 4M x 64     |
          |------------------+--------------------+--------------------|
          |       72MB       |    (1) 8M x 64     |    (1) 1M x 64     |
          |------------------+--------------------+--------------------|
          |       80MB       |    (1) 8M x 64     |    (1) 2M x 64     |
          |------------------+--------------------+--------------------|
          |       96MB       |    (1) 8M x 64     |    (1) 4M x 64     |
          |------------------+--------------------+--------------------|
          |      128MB       |    (1) 8M x 64     |    (1) 8M x 64     |
          |------------------------------------------------------------|
          |      Note: Board accepts SDRAM memory.                     |
          +------------------------------------------------------------+
       
          +------------------------------------------------------------+
          |                   MEMORY TYPE SELECTION                    |
          |------------------------------------------------------------|
          |             Type              |            JP14            |
          |-------------------------------+----------------------------|
          | » |      SIMMs installed      |     Pins 1 & 2 closed      |
          |---+---------------------------+----------------------------|
          |   |      DIMMs installed      |     Pins 2 & 3 closed      |
          +------------------------------------------------------------+
       
          +------------------------------------------------------------+
          |                    CACHE CONFIGURATION                     |
          |------------------------------------------------------------|
          |       Size       |       Bank 0       |        TAG         |
          |------------------+--------------------+--------------------|
          |      256KB       |    (2) 32K x 32    |    Unidentified    |
          |------------------+--------------------+--------------------|
          |      512KB       |    (2) 64K x 32    |    Unidentified    |
          +------------------------------------------------------------+
       
          +------------------------------------------------------------+
          |               CPU SPEED SELECTION (CX 6X86)                |
          |------------------------------------------------------------|
          |  CPU   | Clock  | Multiplier | JP5  | JP10  | JP11  | JP12 |
          | speed  | speed  |            |      |       |       |      |
          |--------+--------+------------+------+-------+-------+------|
          | 120MHz | 50MHz  |     2x     | 2 &  | 1 & 2 | 1 & 2 | 1 &  |
          |        |        |            | 4, 3 |       |       |  2   |
          |        |        |            | & 5  |       |       |      |
          |--------+--------+------------+------+-------+-------+------|
          | 133MHz | 55MHz  |     2x     | 2 &  | 2 & 3 | 1 & 2 | 1 &  |
          |        |        |            | 4, 3 |       |       |  2   |
          |        |        |            | & 5  |       |       |      |
          |--------+--------+------------+------+-------+-------+------|
          | 150MHz | 60MHz  |     2x     | 2 &  | 1 & 2 | 2 & 3 | 1 &  |
          |        |        |            | 4, 3 |       |       |  2   |
          |        |        |            | & 5  |       |       |      |
          |--------+--------+------------+------+-------+-------+------|
          | 166MHz | 66MHz  |     2x     | 2 &  | 1 & 2 | 1 & 2 | 2 &  |
          |        |        |            | 4, 3 |       |       |  3   |
          |        |        |            | & 5  |       |       |      |
          |------------------------------------------------------------|
          | Note: Pins designated should be in the closed position.    |
          +------------------------------------------------------------+
       
          +------------------------------------------------------------+
          |                CPU SPEED SELECTION (AM K5)                 |
          |------------------------------------------------------------|
          |  CPU   | Clock  | Multiplier | JP5  | JP10  | JP11  | JP12 |
          | speed  | speed  |            |      |       |       |      |
          |--------+--------+------------+------+-------+-------+------|
          | 75MHz  | 50MHz  |    1.5x    | 1 &  | 1 & 2 | 1 & 2 | 1 &  |
          |        |        |            | 3, 2 |       |       |  2   |
          |        |        |            | & 4  |       |       |      |
          |--------+--------+------------+------+-------+-------+------|
          | 90MHz  | 60MHz  |    1.5x    | 1 &  | 1 & 2 | 2 & 3 | 1 &  |
          |        |        |            | 3, 2 |       |       |  2   |
          |        |        |            | & 4  |       |       |      |
          |--------+--------+------------+------+-------+-------+------|
          | 100MHz | 66MHz  |    1.5x    | 1 &  | 1 & 2 | 1 & 2 | 2 &  |
          |        |        |            | 3, 2 |       |       |  3   |
          |        |        |            | & 4  |       |       |      |
          |--------+--------+------------+------+-------+-------+------|
          | 120MHz | 60MHz  |    1.5x    | 1 &  | 1 & 2 | 2 & 3 | 1 &  |
          |        |        |            | 3, 2 |       |       |  2   |
          |        |        |            | & 4  |       |       |      |
          |--------+--------+------------+------+-------+-------+------|
          | 133MHz | 66MHz  |    1.5x    | 1 &  | 1 & 2 | 1 & 2 | 2 &  |
          |        |        |            | 3, 2 |       |       |  3   |
          |        |        |            | & 4  |       |       |      |
          |--------+--------+------------+------+-------+-------+------|
          | 166MHz | 66MHz  |   1.75x    | 3 &  | 1 & 2 | 1 & 2 | 2 &  |
          |        |        |            | 5, 4 |       |       |  3   |
          |        |        |            | & 6  |       |       |      |
          |------------------------------------------------------------|
          | Note: Pins designated should be in the closed position.    |
          +------------------------------------------------------------+
       
          +------------------------------------------------------------+
          |                CPU SPEED SELECTION (INTEL)                 |
          |------------------------------------------------------------|
          |  CPU   | Clock  | Multiplier | JP5  | JP10  | JP11  | JP12 |
          | speed  | speed  |            |      |       |       |      |
          |--------+--------+------------+------+-------+-------+------|
          | 75MHz  | 50MHz  |    1.5x    | 1 &  | 1 & 2 | 1 & 2 | 1 &  |
          |        |        |            | 3, 2 |       |       |  2   |
          |        |        |            | & 4  |       |       |      |
          |--------+--------+------------+------+-------+-------+------|
          | 90MHz  | 60MHz  |    1.5x    | 1 &  | 1 & 2 | 2 & 3 | 1 &  |
          |        |        |            | 3, 2 |       |       |  2   |
          |        |        |            | & 4  |       |       |      |
          |--------+--------+------------+------+-------+-------+------|
          | 100MHz | 66MHz  |    1.5x    | 1 &  | 1 & 2 | 1 & 2 | 2 &  |
          |        |        |            | 3, 2 |       |       |  3   |
          |        |        |            | & 4  |       |       |      |
          |--------+--------+------------+------+-------+-------+------|
          | 120MHz | 60MHz  |     2x     | 2 &  | 1 & 2 | 2 & 3 | 1 &  |
          |        |        |            | 4, 3 |       |       |  2   |
          |        |        |            | & 5  |       |       |      |
          |--------+--------+------------+------+-------+-------+------|
          | 133MHz | 66MHz  |     2x     | 2 &  | 1 & 2 | 1 & 2 | 2 &  |
          |        |        |            | 4, 3 |       |       |  3   |
          |        |        |            | & 5  |       |       |      |
          |--------+--------+------------+------+-------+-------+------|
          | 150MHz | 60MHz  |    2.5x    | 3 &  | 1 & 2 | 2 & 3 | 1 &  |
          |        |        |            | 5, 4 |       |       |  2   |
          |        |        |            | & 6  |       |       |      |
          |--------+--------+------------+------+-------+-------+------|
          | 166MHz | 66MHz  |    2.5x    | 3 &  | 1 & 2 | 1 & 2 | 2 &  |
          |        |        |            | 5, 4 |       |       |  3   |
          |        |        |            | & 6  |       |       |      |
          |--------+--------+------------+------+-------+-------+------|
          | 200MHz | 66MHz  |     3x     | 1 &  | 1 & 2 | 1 & 2 | 2 &  |
          |        |        |            | 3, 4 |       |       |  3   |
          |        |        |            | & 6  |       |       |      |
          |------------------------------------------------------------|
          | Note: Pins designated should be in the closed position.    |
          +------------------------------------------------------------+
       
          +------------------------------------------------------------+
          |              CPU SPEED SELECTION (INTEL MMX)               |
          |------------------------------------------------------------|
          |  CPU   | Clock  | Multiplier | JP5  | JP10  | JP11  | JP12 |
          | speed  | speed  |            |      |       |       |      |
          |--------+--------+------------+------+-------+-------+------|
          | 166MHz | 66MHz  |    2.5x    | 3 &  | 1 & 2 | 1 & 2 | 2 &  |
          |        |        |            | 5, 4 |       |       |  3   |
          |        |        |            | & 6  |       |       |      |
          |--------+--------+------------+------+-------+-------+------|
          | 200MHz | 66MHz  |     3x     | 1 &  | 1 & 2 | 1 & 2 | 2 &  |
          |        |        |            | 3, 4 |       |       |  3   |
          |        |        |            | & 6  |       |       |      |
          |------------------------------------------------------------|
          | Note: Pins designated should be in the closed position.    |
          +------------------------------------------------------------+
       
          +------------------------------------------------------------+
          |                   CPU VOLTAGE SELECTION                    |
          |------------------------------------------------------------|
          |  Voltage   |     JP2      |  JP3   |  JP4   |     JP7      |
          |------------+--------------+--------+--------+--------------|
          |    | 2.7v  | 1 & 3, 2 & 4 | 1 & 2  | 3 & 4  |     Open     |
          |----+-------+--------------+--------+--------+--------------|
          |    | 2.8v  | 1 & 3, 2 & 4 | 3 & 4  | 3 & 4  |     Open     |
          |----+-------+--------------+--------+--------+--------------|
          |    | 2.9v  | 1 & 3, 2 & 4 | 5 & 6  | 3 & 4  |     Open     |
          |----+-------+--------------+--------+--------+--------------|
          | »  | 3.3v  | 3 & 5, 4 & 6 | 3 & 4  | 3 & 4  | 1 & 2, 3 & 4 |
          |----+-------+--------------+--------+--------+--------------|
          |    | 3.5v  | 3 & 5, 4 & 6 | 3 & 4  | 1 & 2  | 1 & 2, 3 & 4 |
          |------------------------------------------------------------|
          | Note: Pins designated should be in the closed position.    |
          +------------------------------------------------------------+