URI: 
  TEXT View Source
       
       # DIAMOND FLOWER, INC.
       
          P2XBL/D (REV. A+)
       
          Device Type      Mainboard                                     
          Processor        Pentium II                                    
          Processor Speed  233/266/300/333/350/400/450MHz                
          Chip Set         Intel 440BX                                   
          Maximum Onboard  1GB (EDO & SDRAM supported)                   
          Memory           
          Cache            256/512KB (located on the Pentium II CPU)     
          BIOS             Award                                         
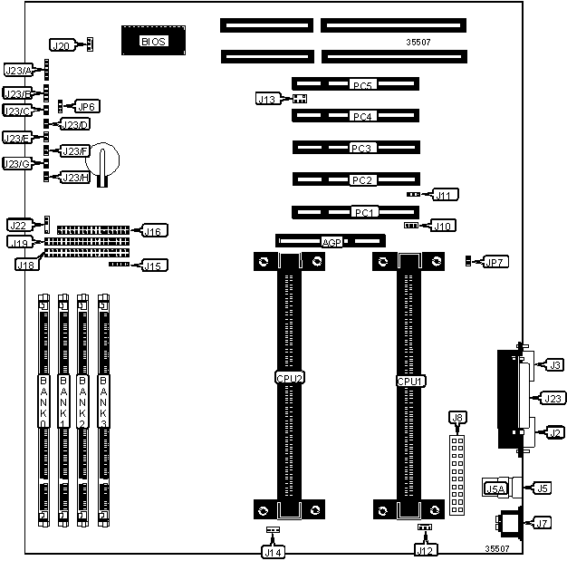
          I/O Options      32-bit PCI slots (5), floppy drive interface, 
                           IDE interface, parallel port, PS/2 mouse      
                           port, serial ports (2)                        
       
   IMG IMG 1
          
       
          +------------------------------------------------------------+
          |                        CONNECTIONS                         |
          |------------------------------------------------------------|
          | Purpose           | Location | Purpose          | Location |
          |-------------------+----------+------------------+----------|
          | AGP slot          |   AGP    | Floppy drive     |   J16    |
          |                   |          | interface        |          |
          |-------------------+----------+------------------+----------|
          | Serial port 1     |    J2    | IDE interface 1  |   J18    |
          |-------------------+----------+------------------+----------|
          | Serial port 2     |    J3    | IDE interface 2  |   J19    |
          |-------------------+----------+------------------+----------|
          | USB connector 1   |    J5    | Chassis fan      |   J20    |
          |                   |          | power            |          |
          |-------------------+----------+------------------+----------|
          | USB connector 2   |   J5A    | Chassis sensor   |   J22    |
          |                   |          | connector        |          |
          |-------------------+----------+------------------+----------|
          | Parallel port     |    J6    | Power LED &      |  J23/A   |
          |                   |          | keylock          |          |
          |-------------------+----------+------------------+----------|
          | PS/2 mouse        |    J7    | Speaker          |  J23/B   |
          | interface         |          |                  |          |
          |-------------------+----------+------------------+----------|
          | ATX power         |    J8    | Reset switch     |  J23/C   |
          |-------------------+----------+------------------+----------|
          | AGP fan power     |   J10    | Green PC switch  |  J23/D   |
          |-------------------+----------+------------------+----------|
          | Wake on LAN       |   J11    | Soft off power   |  J23/E   |
          | connector         |          | button connector |          |
          |-------------------+----------+------------------+----------|
          | CPU fan power     |   J12    | Green PC LED     |  J23/F   |
          |-------------------+----------+------------------+----------|
          | SB link connector |   J13    | IDE interface    |  J23/G   |
          |                   |          | LED              |          |
          |-------------------+----------+------------------+----------|
          | CPU fan power     |   J14    | Stand by LED     |  J23/H   |
          |-------------------+----------+------------------+----------|
          | IR connector      |   J15    | 32-bit PCI slots |  PC1 -   |
          |                   |          |                  |   PC5    |
          +------------------------------------------------------------+
       
          +------------------------------------------------------------+
          |                 USER CONFIGURABLE SETTINGS                 |
          |------------------------------------------------------------|
          |             Function             | Label |    Position     |
          |----------------------------------+-------+-----------------|
          | » | CMOS memory normal operation |  JP6  |   Pins 1 & 2    |
          |   |                              |       |     closed      |
          |---+------------------------------+-------+-----------------|
          |   | CMOS memory clear            |  JP6  |   Pins 2 & 3    |
          |   |                              |       |     closed      |
          +------------------------------------------------------------+
       
          +------------------------------------------------------------+
          |                     DIMM CONFIGURATION                     |
          |------------------------------------------------------------|
          | Size  |   Bank 0    |   Bank 1   |   Bank 2   |   Bank 3   |
          |-------+-------------+------------+------------+------------|
          |  8MB  | (1) 1M x 64 |    None    |    None    |    None    |
          |-------+-------------+------------+------------+------------|
          | 16MB  | (1) 2M x 64 |    None    |    None    |    None    |
          |-------+-------------+------------+------------+------------|
          | 16MB  | (1) 1M x 64 |  (1) 1M x  |    None    |    None    |
          |       |             |     64     |            |            |
          |-------+-------------+------------+------------+------------|
          | 24MB  | (1) 2M x 64 |  (1) 1M x  |    None    |    None    |
          |       |             |     64     |            |            |
          |-------+-------------+------------+------------+------------|
          | 24MB  | (1) 1M x 64 |  (1) 1M x  |  (1) 1M x  |    None    |
          |       |             |     64     |     64     |            |
          |-------+-------------+------------+------------+------------|
          | 32MB  | (1) 4M x 64 |    None    |    None    |    None    |
          |-------+-------------+------------+------------+------------|
          | 32MB  | (1) 2M x 64 |  (1) 2M x  |    None    |    None    |
          |       |             |     64     |            |            |
          |-------+-------------+------------+------------+------------|
          | 32MB  | (1) 1M x 64 |  (1) 1M x  |  (1) 1M x  |  (1) 1M x  |
          |       |             |     64     |     64     |     64     |
          |-------+-------------+------------+------------+------------|
          | 40MB  | (1) 4M x 64 |  (1) 1M x  |    None    |    None    |
          |       |             |     64     |            |            |
          |-------+-------------+------------+------------+------------|
          | 48MB  | (1) 4M x 64 |  (1) 2M x  |    None    |    None    |
          |       |             |     64     |            |            |
          |-------+-------------+------------+------------+------------|
          | 48MB  | (1) 2M x 64 |  (1) 2M x  |  (1) 2M x  |    None    |
          |       |             |     64     |     64     |            |
          |-------+-------------+------------+------------+------------|
          | 64MB  | (1) 2M x 64 |  (1) 2M x  |  (1) 2M x  |  (1) 2M x  |
          |       |             |     64     |     64     |     64     |
          |-------+-------------+------------+------------+------------|
          | 64MB  | (1) 8M x 64 |    None    |    None    |    None    |
          |-------+-------------+------------+------------+------------|
          | 64MB  | (1) 4M x 64 |  (1) 4M x  |    None    |    None    |
          |       |             |     64     |            |            |
          |-------+-------------+------------+------------+------------|
          | 72MB  | (1) 8M x 64 |  (1) 1M x  |    None    |    None    |
          |       |             |     64     |            |            |
          |-------+-------------+------------+------------+------------|
          | 80MB  | (1) 8M x 64 |  (1) 2M x  |    None    |    None    |
          |       |             |     64     |            |            |
          |-------+-------------+------------+------------+------------|
          | 96MB  | (1) 8M x 64 |  (1) 4M x  |    None    |    None    |
          |       |             |     64     |            |            |
          |-------+-------------+------------+------------+------------|
          | 96MB  | (1) 4M x 64 |  (1) 4M x  |  (1) 4M x  |    None    |
          |       |             |     64     |     64     |            |
          |-------+-------------+------------+------------+------------|
          | 128MB |  (1) 16M x  |    None    |    None    |    None    |
          |       |     64      |            |            |            |
          |-------+-------------+------------+------------+------------|
          | 128MB | (1) 8M x 64 |  (1) 8M x  |    None    |    None    |
          |       |             |     64     |            |            |
          |-------+-------------+------------+------------+------------|
          | 128MB | (1) 4M x 64 |  (1) 4M x  |  (1) 4M x  |  (1) 4M x  |
          |       |             |     64     |     64     |     64     |
          +------------------------------------------------------------+
       
          +------------------------------------------------------------+
          |                 DIMM CONFIGURATION (CON’T)                 |
          |------------------------------------------------------------|
          |   Size   |   Bank 0    |  Bank 1   |  Bank 2   |  Bank 3   |
          |----------+-------------+-----------+-----------+-----------|
          |  136MB   |  (1) 16M x  | (1) 1M x  |   None    |   None    |
          |          |     64      |    64     |           |           |
          |----------+-------------+-----------+-----------+-----------|
          |  144MB   |  (1) 16M x  | (1) 2M x  |   None    |   None    |
          |          |     64      |    64     |           |           |
          |----------+-------------+-----------+-----------+-----------|
          |  152MB   |  (1) 16M x  | (1) 1M x  | (1) 1M x  | (1) 1M x  |
          |          |     64      |    64     |    64     |    64     |
          |----------+-------------+-----------+-----------+-----------|
          |  160MB   |  (1) 16M x  | (1) 4M x  |   None    |   None    |
          |          |     64      |    64     |           |           |
          |----------+-------------+-----------+-----------+-----------|
          |  176MB   |  (1) 16M x  | (1) 2M x  | (1) 2M x  | (1) 2M x  |
          |          |     64      |    64     |    64     |    64     |
          |----------+-------------+-----------+-----------+-----------|
          |  192MB   |  (1) 16M x  | (1) 8M x  |   None    |   None    |
          |          |     64      |    64     |           |           |
          |----------+-------------+-----------+-----------+-----------|
          |  192MB   | (1) 8M x 64 | (1) 8M x  | (1) 8M x  |   None    |
          |          |             |    64     |    64     |           |
          |----------+-------------+-----------+-----------+-----------|
          |  224MB   |  (1) 16M x  | (1) 4M x  | (1) 4M x  | (1) 4M x  |
          |          |     64      |    64     |    64     |    64     |
          |----------+-------------+-----------+-----------+-----------|
          |  256MB   |  (1) 32M x  |   None    |   None    |   None    |
          |          |     64      |           |           |           |
          |----------+-------------+-----------+-----------+-----------|
          |  256MB   |  (1) 16M x  | (1) 16M x |   None    |   None    |
          |          |     64      |    64     |           |           |
          |----------+-------------+-----------+-----------+-----------|
          |  256MB   | (1) 8M x 64 | (1) 8M x  | (1) 8M x  | (1) 8M x  |
          |          |             |    64     |    64     |    64     |
          |----------+-------------+-----------+-----------+-----------|
          |  272MB   |  (1) 16M x  | (1) 16M x | (1) 1M x  | (1) 1M x  |
          |          |     64      |    64     |    64     |    64     |
          |----------+-------------+-----------+-----------+-----------|
          |  280MB   |  (1) 32M x  | (1) 1M x  | (1) 1M x  | (1) 1M x  |
          |          |     64      |    64     |    64     |    64     |
          |----------+-------------+-----------+-----------+-----------|
          |  288MB   |  (1) 16M x  | (1) 16M x | (1) 2M x  | (1) 2M x  |
          |          |     64      |    64     |    64     |    64     |
          |----------+-------------+-----------+-----------+-----------|
          |  304MB   |  (1) 32M x  | (1) 2M x  | (1) 2M x  | (1) 2M x  |
          |          |     64      |    64     |    64     |    64     |
          |----------+-------------+-----------+-----------+-----------|
          |  320MB   |  (1) 16M x  | (1) 16M x | (1) 4M x  | (1) 4M x  |
          |          |     64      |    64     |    64     |    64     |
          |----------+-------------+-----------+-----------+-----------|
          |  320MB   |  (1) 16M x  | (1) 8M x  | (1) 8M x  | (1) 8M x  |
          |          |     64      |    64     |    64     |    64     |
          |----------+-------------+-----------+-----------+-----------|
          |  352MB   |  (1) 32M x  | (1) 4M x  | (1) 4M x  | (1) 4M x  |
          |          |     64      |    64     |    64     |    64     |
          |----------+-------------+-----------+-----------+-----------|
          |  384MB   |  (1) 16M x  | (1) 16M x | (1) 16M x |   None    |
          |          |     64      |    64     |    64     |           |
          |----------+-------------+-----------+-----------+-----------|
          |  448MB   |  (1) 32M x  | (1) 8M x  | (1) 8M x  | (1) 8M x  |
          |          |     64      |    64     |    64     |    64     |
          |----------+-------------+-----------+-----------+-----------|
          |  512MB   |  (1) 32M x  | (1) 32M x |   None    |   None    |
          |          |     64      |    64     |           |           |
          |----------+-------------+-----------+-----------+-----------|
          |  512MB   |  (1) 16M x  | (1) 16M x | (1) 16M x | (1) 16M x |
          |          |     64      |    64     |    64     |    64     |
          |----------+-------------+-----------+-----------+-----------|
          |  640MB   |  (1) 32M x  | (1) 16M x | (1) 16M x | (1) 16M x |
          |          |     64      |    64     |    64     |    64     |
          |----------+-------------+-----------+-----------+-----------|
          |  768MB   |  (1) 32M x  | (1) 32M x | (1) 32M x |   None    |
          |          |     64      |    64     |    64     |           |
          |----------+-------------+-----------+-----------+-----------|
          |  1024MB  |  (1) 32M x  | (1) 32M x | (1) 32M x | (1) 32M x |
          |          |     64      |    64     |    64     |    64     |
          |------------------------------------------------------------|
          | Note: Board accepts EDO & SDRAM memory. Maximum SDRAM is   |
          | 512MB. Maximum EDO is 1GB.                                 |
          +------------------------------------------------------------+
       
          +------------------------------------------------------------+
          |                    CACHE CONFIGURATION                     |
          |------------------------------------------------------------|
          | The 256/512KB cache is located on the Pentium II CPU.      |
          +------------------------------------------------------------+
       
          +------------------------------------------------------------+
          |                    MULTIPLIER SELECTION                    |
          |------------------------------------------------------------|
          |          Multiplier           |            JP7             |
          |-------------------------------+----------------------------|
          |        BIOS controlled        |            Open            |
          |-------------------------------+----------------------------|
          |              2x               |           Closed           |
          +------------------------------------------------------------+