URI: 
  TEXT View Source
       
       # CHAINTECH COMPUTER COMPANY, LTD.
       
          CT-6BTS
       
          Device Type     Mainboard                                      
          Processor       Pentium II                                     
          Processor Speed 233/266/300/333/350/366/400/450MHz             
          Chip Set        Intel 440BX                                    
          Video Chip Set  None                                           
          Maximum Onboard 512MB (SDRAM supported)                        
          Memory          
          Maximum Video   None                                           
          Memory          
          Cache           256/512KB (located on Pentium II CPU)          
          BIOS            Award                                          
          Dimensions      305mm x 230mm                                  
          I/O Options     32-bit PCI slots (4), floppy drive interface,  
                          green PC connector, IDE interfaces (2), SCSI   
                          interface, Wide Ultra SCSI interface, parallel 
                          port, PS/2 mouse port, serial ports (2), IR    
                          connector, USB connectors (2), ATX power       
                          connector, AGP slot, SB-link connector, wake   
                          on LAN connector                               
       
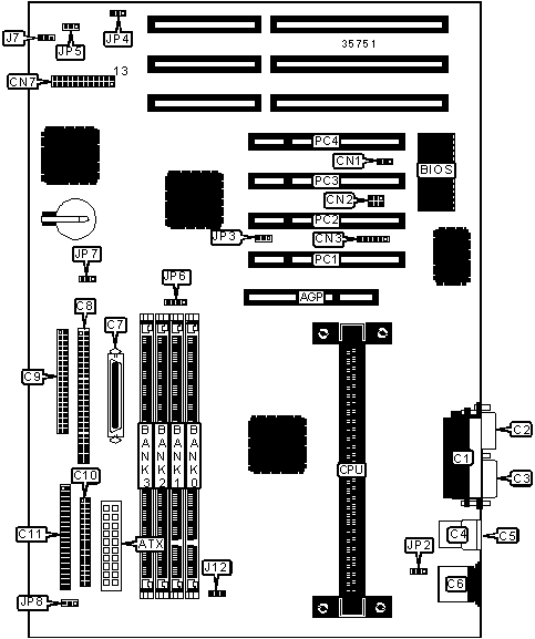
   IMG IMG 1
          
       
          +------------------------------------------------------------+
          |                        CONNECTIONS                         |
          |------------------------------------------------------------|
          | Purpose         | Location | Purpose         |  Location   |
          |-----------------+----------+-----------------+-------------|
          | AGP slot        |   AGP    | SB-link         |     CN2     |
          |                 |          | connector       |             |
          |-----------------+----------+-----------------+-------------|
          | ATX power       |   ATX    | IR connector    |     CN3     |
          | connector       |          |                 |             |
          |-----------------+----------+-----------------+-------------|
          | Parallel port   |    C1    | Power LED &     | CN7/pins 1  |
          |                 |          | keylock         |     - 5     |
          |-----------------+----------+-----------------+-------------|
          | Serial port 2   |    C2    | Speaker         | CN7/pins 7  |
          |                 |          |                 |    - 10     |
          |-----------------+----------+-----------------+-------------|
          | Serial port 1   |    C3    | Soft off power  | CN7/pins 11 |
          |                 |          | supply          |    & 12     |
          |-----------------+----------+-----------------+-------------|
          | USB connector 1 |    C4    | Turbo LED       | CN7/pins 13 |
          |                 |          |                 |    & 14     |
          |-----------------+----------+-----------------+-------------|
          | USB connector 2 |    C5    | Green PC        | CN7/pins 16 |
          |                 |          | connector       |    & 17     |
          |-----------------+----------+-----------------+-------------|
          | PS/2 mouse port |    C6    | Green PC LED    | CN7/pins 18 |
          |                 |          |                 |    & 19     |
          |-----------------+----------+-----------------+-------------|
          | Ultra Wide SCSI |    C7    | Reset switch    | CN7/pins 21 |
          | interface       |          |                 |    & 22     |
          |-----------------+----------+-----------------+-------------|
          | SCSI interface  |    C8    | IDE interface   | CN7/pins 23 |
          |                 |          | LED             |    & 24     |
          |-----------------+----------+-----------------+-------------|
          | IDE interface 1 |    C9    | Chassis fan     |     J7      |
          |                 |          | power           |             |
          |-----------------+----------+-----------------+-------------|
          | Floppy drive    |   C10    | CPU fan power   |     J12     |
          | interface       |          |                 |             |
          |-----------------+----------+-----------------+-------------|
          | IDE interface 2 |   C11    | Chassis         |     JP8     |
          |                 |          | intrusion       |             |
          |                 |          | connector       |             |
          |-----------------+----------+-----------------+-------------|
          | Wake on LAN     |   CN1    | 32-bit PCI      |  PC1 - PC4  |
          | connector       |          | slots           |             |
          +------------------------------------------------------------+
       
          +------------------------------------------------------------+
          |                 USER CONFIGURABLE SETTINGS                 |
          |------------------------------------------------------------|
          |               Function                | Label |  Position  |
          |---------------------------------------+-------+------------|
          | » | Keyboard power on disabled        |  JP2  | Pins 1 & 2 |
          |   |                                   |       |   closed   |
          |---+-----------------------------------+-------+------------|
          |   | Keyboard power on enabled         |  JP2  | Pins 2 & 3 |
          |   |                                   |       |   closed   |
          |---+-----------------------------------+-------+------------|
          | » | On board SCSI enabled             |  JP3  | Pins 1 & 2 |
          |   |                                   |       |   closed   |
          |---+-----------------------------------+-------+------------|
          |   | On board SCSI disabled            |  JP3  | Pins 2 & 3 |
          |   |                                   |       |   closed   |
          |---+-----------------------------------+-------+------------|
          | » | Power failure recovery disabled   |  JP4  | Pins 1 & 2 |
          |   |                                   |       |   closed   |
          |---+-----------------------------------+-------+------------|
          |   | Power failure recovery enabled    |  JP4  | Pins 2 & 3 |
          |   |                                   |       |   closed   |
          |---+-----------------------------------+-------+------------|
          | » | CMOS memory normal operation      |  JP5  | Pins 1 & 2 |
          |   |                                   |       |   closed   |
          |---+-----------------------------------+-------+------------|
          |   | CMOS memory clear                 |  JP5  | Pins 2 & 3 |
          |   |                                   |       |   closed   |
          |---+-----------------------------------+-------+------------|
          | » | Internal/external SCSI select     |  JP7  | Pins 1 & 2 |
          |   | normal                            |       |   closed   |
          |---+-----------------------------------+-------+------------|
          |   | Internal/external SCSI select     |  JP7  | Pins 2 & 3 |
          |   | install internal/external at same |       |   closed   |
          |   | time                              |       |            |
          +------------------------------------------------------------+
       
          +------------------------------------------------------------+
          |                     SIMM CONFIGURATION                     |
          |------------------------------------------------------------|
          |  Size  |   Bank 0    |   Bank 1    |   Bank 2    | Bank 3  |
          |--------+-------------+-------------+-------------+---------|
          |  8MB   | (2) 1M x 36 |    None     |    None     |  None   |
          |--------+-------------+-------------+-------------+---------|
          |  16MB  | (2) 2M x 36 |    None     |    None     |  None   |
          |--------+-------------+-------------+-------------+---------|
          |  16MB  | (2) 1M x 36 | (2) 1M x 36 |    None     |  None   |
          |--------+-------------+-------------+-------------+---------|
          |  24MB  | (2) 2M x 36 | (2) 1M x 36 |    None     |  None   |
          |--------+-------------+-------------+-------------+---------|
          |  24MB  | (2) 1M x 36 | (2) 1M x 36 | (2) 1M x 36 |  None   |
          +------------------------------------------------------------+
       
          +------------------------------------------------------------+
          |                 DIMM CONFIGURATION (CON'T)                 |
          |------------------------------------------------------------|
          | Size  |   Bank 0    |   Bank 1   |   Bank 2   |   Bank 3   |
          |-------+-------------+------------+------------+------------|
          | 32MB  | (2) 4M x 36 |    None    |    None    |    None    |
          |-------+-------------+------------+------------+------------|
          | 32MB  | (2) 2M x 36 |  (2) 2M x  |    None    |    None    |
          |       |             |     36     |            |            |
          |-------+-------------+------------+------------+------------|
          | 32MB  | (2) 1M x 36 |  (2) 1M x  |  (2) 1M x  |  (2) 1M x  |
          |       |             |     36     |     36     |     36     |
          |-------+-------------+------------+------------+------------|
          | 40MB  | (2) 4M x 36 |  (2) 1M x  |    None    |    None    |
          |       |             |     36     |            |            |
          |-------+-------------+------------+------------+------------|
          | 48MB  | (2) 4M x 36 |  (2) 2M x  |    None    |    None    |
          |       |             |     36     |            |            |
          |-------+-------------+------------+------------+------------|
          | 48MB  | (2) 2M x 36 |  (2) 2M x  |  (2) 2M x  |    None    |
          |       |             |     36     |     36     |            |
          |-------+-------------+------------+------------+------------|
          | 64MB  | (2) 2M x 36 |  (2) 2M x  |  (2) 2M x  |  (2) 2M x  |
          |       |             |     36     |     36     |     36     |
          |-------+-------------+------------+------------+------------|
          | 64MB  | (2) 8M x 36 |    None    |    None    |    None    |
          |-------+-------------+------------+------------+------------|
          | 64MB  | (2) 4M x 36 |  (2) 4M x  |    None    |    None    |
          |       |             |     36     |            |            |
          |-------+-------------+------------+------------+------------|
          | 72MB  | (2) 8M x 36 |  (2) 1M x  |    None    |    None    |
          |       |             |     36     |            |            |
          |-------+-------------+------------+------------+------------|
          | 80MB  | (2) 8M x 36 |  (2) 2M x  |    None    |    None    |
          |       |             |     36     |            |            |
          |-------+-------------+------------+------------+------------|
          | 96MB  | (2) 8M x 36 |  (2) 4M x  |    None    |    None    |
          |       |             |     36     |            |            |
          |-------+-------------+------------+------------+------------|
          | 96MB  | (2) 4M x 36 |  (2) 4M x  |  (2) 4M x  |    None    |
          |       |             |     36     |     36     |            |
          |-------+-------------+------------+------------+------------|
          | 128MB |  (2) 16M x  |    None    |    None    |    None    |
          |       |     36      |            |            |            |
          |-------+-------------+------------+------------+------------|
          | 128MB | (2) 8M x 36 |  (2) 8M x  |    None    |    None    |
          |       |             |     36     |            |            |
          |-------+-------------+------------+------------+------------|
          | 128MB | (2) 4M x 36 |  (2) 4M x  |  (2) 4M x  |  (2) 4M x  |
          |       |             |     36     |     36     |     36     |
          |-------+-------------+------------+------------+------------|
          | 136MB |  (2) 16M x  |  (2) 1M x  |    None    |    None    |
          |       |     36      |     36     |            |            |
          |-------+-------------+------------+------------+------------|
          | 144MB |  (2) 16M x  |  (2) 2M x  |    None    |    None    |
          |       |     36      |     36     |            |            |
          |-------+-------------+------------+------------+------------|
          | 152MB |  (2) 16M x  |  (2) 1M x  |  (2) 1M x  |  (2) 1M x  |
          |       |     36      |     36     |     36     |     36     |
          |-------+-------------+------------+------------+------------|
          | 160MB |  (2) 16M x  |  (2) 4M x  |    None    |    None    |
          |       |     36      |     36     |            |            |
          |-------+-------------+------------+------------+------------|
          | 176MB |  (2) 16M x  |  (2) 2M x  |  (2) 2M x  |  (2) 2M x  |
          |       |     36      |     36     |     36     |     36     |
          |-------+-------------+------------+------------+------------|
          | 192MB |  (2) 16M x  |  (2) 8M x  |    None    |    None    |
          |       |     36      |     36     |            |            |
          |-------+-------------+------------+------------+------------|
          | 192MB | (2) 8M x 36 |  (2) 8M x  |  (2) 8M x  |    None    |
          |       |             |     36     |     36     |            |
          |-------+-------------+------------+------------+------------|
          | 224MB |  (2) 16M x  |  (2) 4M x  |  (2) 4M x  |  (2) 4M x  |
          |       |     36      |     36     |     36     |     36     |
          |-------+-------------+------------+------------+------------|
          | 256MB |  (2) 16M x  | (2) 16M x  |    None    |    None    |
          |       |     36      |     36     |            |            |
          |-------+-------------+------------+------------+------------|
          | 256MB | (2) 8M x 36 |  (2) 8M x  |  (2) 8M x  |  (2) 8M x  |
          |       |             |     36     |     36     |     36     |
          |-------+-------------+------------+------------+------------|
          | 272MB |  (2) 16M x  | (2) 16M x  |  (2) 1M x  |  (2) 1M x  |
          |       |     36      |     36     |     36     |     36     |
          |-------+-------------+------------+------------+------------|
          | 288MB |  (2) 16M x  | (2) 16M x  |  (2) 2M x  |  (2) 2M x  |
          |       |     36      |     36     |     36     |     36     |
          |-------+-------------+------------+------------+------------|
          | 320MB |  (2) 16M x  | (2) 16M x  |  (2) 4M x  |  (2) 4M x  |
          |       |     36      |     36     |     36     |     36     |
          |-------+-------------+------------+------------+------------|
          | 320MB |  (2) 16M x  |  (2) 8M x  |  (2) 8M x  |  (2) 8M x  |
          |       |     36      |     36     |     36     |     36     |
          |-------+-------------+------------+------------+------------|
          | 384MB |  (2) 16M x  | (2) 16M x  | (2) 16M x  |    None    |
          |       |     36      |     36     |     36     |            |
          |-------+-------------+------------+------------+------------|
          | 512MB |  (2) 16M x  | (2) 16M x  | (2) 16M x  | (2) 16M x  |
          |       |     36      |     36     |     36     |     36     |
          |------------------------------------------------------------|
          | Note: Board accepts SDRAM memory.                          |
          +------------------------------------------------------------+
       
          +-----------------------------------------------------------+
          |                    CACHE CONFIGURATION                    |
          |-----------------------------------------------------------|
          | Note: 256KB/512KB cache is located on the Pentium II CPU. |
          +-----------------------------------------------------------+
       
          +------------------------------------------------------------+
          |                    CPU SPEED SELECTION                     |
          |------------------------------------------------------------|
          |           CPU speed            |            JP6            |
          |--------------------------------+---------------------------|
          | » |     Determined by CPU      |     Pins 1 & 2 closed     |
          |---+----------------------------+---------------------------|
          |   |           66MHz            |     Pins 2 & 3 closed     |
          |---+----------------------------+---------------------------|
          |   |           100MHz           |     Pins 3 & 4 closed     |
          +------------------------------------------------------------+