URI: 
  TEXT View Source
       
       # COMPULINK RESEARCH, INC.
       
          INFINITY PT2-DAX
       
          Device Type     Mainboard                                      
          Processor       Pentium II                                     
          Processor Speed 233/266/300/333/366MHz                         
          Chip Set        Intel 440LX                                    
          Audio Chip Set  Unidentified                                   
          Maximum Onboard 384MB (EDO & SDRAM supported)                  
          Memory          
          Maximum Audio   Unidentified                                   
          Memory          
          Cache           256/512KB (located on the Pentium II CPU)      
          BIOS            Intel/Phoenix                                  
          Dimensions      330mm x 218mm                                  
          I/O Options     32-bit PCI slots (4), floppy drive interface,  
                          game/MIDI port, IDE interfaces (2), parallel   
                          port, PS/2 mouse port, serial ports (2), IR    
                          connector, USB connectors (2), ATX power       
                          connector, AGP slot, line in, line out,        
                          microphone in, wavetable connector, audio in - 
                          CD-ROMs (2)                                    
       
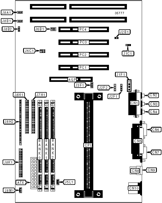
   IMG IMG 1
          
       
          +------------------------------------------------------------+
          |                        CONNECTIONS                         |
          |------------------------------------------------------------|
          | Purpose           | Location | Purpose       |  Location   |
          |-------------------+----------+---------------+-------------|
          | AGP slot          |   AGP    | Chassis fan   |    J3F1     |
          |                   |          | power         |             |
          |-------------------+----------+---------------+-------------|
          | ATX power         |   ATX    | CPU fan power |    J5L1     |
          | connector         |          |               |             |
          |-------------------+----------+---------------+-------------|
          | Game/MIDI port    |   CN1    | Wavetable     |    J6B1     |
          |                   |          | connector     |             |
          |-------------------+----------+---------------+-------------|
          | Microphone in     |   CN2    | IDE interface |    J7H1     |
          |                   |          | 2             |             |
          |-------------------+----------+---------------+-------------|
          | Line in           |   CN3    | Wake on ring  |    J8A1     |
          |                   |          | header        |             |
          |-------------------+----------+---------------+-------------|
          | Line out          |   CN4    | SCSI LED      |    J8B1     |
          |-------------------+----------+---------------+-------------|
          | Parallel port     |   CN5    | IDE interface |    J8H1     |
          |                   |          | 1             |             |
          |-------------------+----------+---------------+-------------|
          | Serial port 2     |   CN6    | Power switch  | J8H2/pins 1 |
          |                   |          |               |     & 2     |
          |-------------------+----------+---------------+-------------|
          | Serial port 1     |   CN7    | Green PC      | J8H2/Pins 3 |
          |                   |          | connector     |     & 4     |
          |-------------------+----------+---------------+-------------|
          | USB connector 2   |   CN8    | IR connector  | J8H2/Pins 6 |
          |                   |          |               |    - 11     |
          |-------------------+----------+---------------+-------------|
          | USB connector 1   |   CN9    | IDE interface |  J8H2/Pins  |
          |                   |          | LED           |   13 - 16   |
          |-------------------+----------+---------------+-------------|
          | PS/2 mouse port   |   CN10   | Power LED     |  J8H2/Pins  |
          |                   |          |               |   18 - 21   |
          |-------------------+----------+---------------+-------------|
          | Wake on LAN       |   J1C1   | Reset switch  |  J8H2/Pins  |
          | connector         |          |               |   22 & 23   |
          |-------------------+----------+---------------+-------------|
          | Audio in - CD-ROM |   J1F1   | Speaker       |  J8H2/Pins  |
          |                   |          |               |   24 - 27   |
          |-------------------+----------+---------------+-------------|
          | Chassis Security  |   J2B1   | Floppy drive  |    J8K1     |
          | Header            |          | interface     |             |
          |-------------------+----------+---------------+-------------|
          | ATAPI telephony   |   J2F1   | Chassis fan   |    J8M1     |
          | connector         |          | power         |             |
          |-------------------+----------+---------------+-------------|
          | Line in           |   J2F2   | 32-bit PCI    |  PC1 - PC4  |
          |                   |          | slots         |             |
          +------------------------------------------------------------+
       
          +------------------------------------------------------------+
          |                 USER CONFIGURABLE SETTINGS                 |
          |------------------------------------------------------------|
          | Function                         | Label | Position        |
          |----------------------------------+-------+-----------------|
          | ยป | CMOS memory normal operation | J8B2  | Pins 1 & 2      |
          |   |                              |       | closed          |
          |---+------------------------------+-------+-----------------|
          |   | CMOS memory clear            | J8B2  | Pins 2 & 3      |
          |   |                              |       | closed          |
          |---+------------------------------+-------+-----------------|
          |   | BIOS recovery mode           | J8B2  | Open            |
          +------------------------------------------------------------+
       
          +------------------------------------------------------------+
          |             DIMM CONFIGURATION (NEEDING 256MB)             |
          |------------------------------------------------------------|
          |    Size    |    Bank 0     |    Bank 1     |    Bank 2     |
          |------------+---------------+---------------+---------------|
          |    8MB     | (1) 1MB x 64  |               |               |
          |------------+---------------+---------------+---------------|
          |    16MB    | (1) 1MB x 64  | (1) 1MB x 64  |               |
          |------------+---------------+---------------+---------------|
          |    24MB    | (1) 1MB x 64  | (1) 1MB x 64  | (1) 1MB x 64  |
          |------------+---------------+---------------+---------------|
          |    16MB    | (1) 2MB x 64  |               |               |
          |------------+---------------+---------------+---------------|
          |    32MB    | (1) 2MB x 64  | (1) 2MB x 64  |               |
          |------------+---------------+---------------+---------------|
          |    48MB    | (1) 2MB x 64  | (1) 2MB x 64  | (1) 2MB x 64  |
          |------------+---------------+---------------+---------------|
          |    32MB    | (1) 4MB x 64  |               |               |
          |------------+---------------+---------------+---------------|
          |    64MB    | (1) 4MB x 64  | (1) 4MB x 64  |               |
          |------------+---------------+---------------+---------------|
          |    96MB    | (1) 4MB x 64  | (1) 4MB x 64  | (1) 4MB x 64  |
          |------------+---------------+---------------+---------------|
          |    64MB    | (1) 8MB x 64  |               |               |
          |------------+---------------+---------------+---------------|
          |   128MB    | (1) 8MB x 64  | (1) 8MB x 64  |               |
          |------------+---------------+---------------+---------------|
          |   192MB    | (1) 8MB x 64  | (1) 8MB x 64  | (1) 8MB x 64  |
          |------------+---------------+---------------+---------------|
          |   128MB    | (1) 16MB x 64 |               |               |
          |------------+---------------+---------------+---------------|
          |   256MB    | (1) 16MB x 64 | (1) 16MB x 64 |               |
          |------------+---------------+---------------+---------------|
          |   384MB    | (1) 16MB x 64 | (1) 16MB x 64 | (1) 16MB x 64 |
          |------------+---------------+---------------+---------------|
          |    40MB    | (1) 2MB x 64  | (1) 2MB x 64  | (1) 1MB x 64  |
          |------------+---------------+---------------+---------------|
          |    80MB    | (1) 4MB x 64  | (1) 4MB x 64  | (1) 2MB x 64  |
          |------------+---------------+---------------+---------------|
          |   160MB    | (1) 8MB x 64  | (1) 8MB x 64  | (1) 4MB x 64  |
          |------------+---------------+---------------+---------------|
          |   320MB    | (1) 16MB x 64 | (1) 16MB x 64 | (1) 8MB x 64  |
          +------------------------------------------------------------+
       
          +------------------------------------------------------------+
          |                    CACHE CONFIGURATION                     |
          |------------------------------------------------------------|
          | Note: The 256/512KB cache is located on the Pentium II     |
          | CPU.                                                       |
          +------------------------------------------------------------+