URI: 
  TEXT View Source
       
       # DATAEXPERT CORPORATION
       
          MLX8440-OS
       
          Device Type     Mainboard                                      
          Processor       Pentium II/Celeron                             
          Processor Speed 233/266/300/333MHz                             
          Chip Set        Intel 440LX                                    
          Maximum Onboard 384MB (EDO & SDRAM supported)                  
          Memory          
          Audio Chip Set  Yamaha                                         
          Cache           0/128/256/512KB (located on the CPU)           
          BIOS            Award                                          
          Dimensions      305mm x 180mm                                  
          I/O Options     32-bit PCI slots (4), floppy drive interface,  
                          green PC connector, IDE interfaces (2),        
                          parallel port, PS/2 mouse port, serial ports   
                          (2), IR connector, USB connectors (2), ATX     
                          power connector, AGP slot, line in, line out,  
                          microphone in, audio in - CD-ROMs (2)          
       
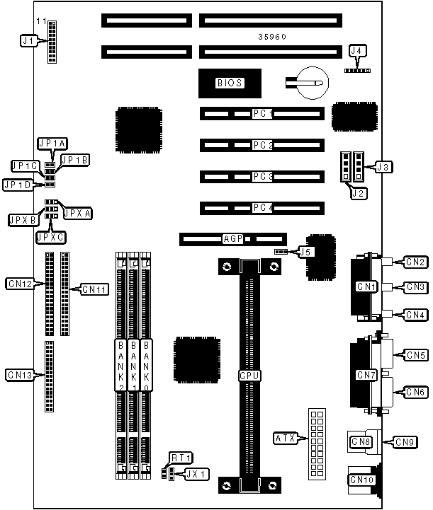
   IMG IMG 1
          
       
          +------------------------------------------------------------+
          |                        CONNECTIONS                         |
          |------------------------------------------------------------|
          | Purpose         | Location | Purpose           | Location  |
          |-----------------+----------+-------------------+-----------|
          | AGP slot        |   AGP    | Power LED &       | J1/pins 1 |
          |                 |          | keylock           |    - 5    |
          |-----------------+----------+-------------------+-----------|
          | ATX power       |   ATX    | IDE interface LED | J1/pins 6 |
          | connector       |          |                   |   & 16    |
          |-----------------+----------+-------------------+-----------|
          | Game/MIDI port  |   CN1    | Green PC LED      | J1/pins 7 |
          |                 |          |                   |   & 17    |
          |-----------------+----------+-------------------+-----------|
          | Microphone in   |   CN2    | Green PC          | J1/pins 8 |
          |                 |          | connector         |   & 18    |
          |-----------------+----------+-------------------+-----------|
          | Line in         |   CN3    | Soft off power    | J1/pins 9 |
          |                 |          | supply            |   & 19    |
          |-----------------+----------+-------------------+-----------|
          | Line out        |   CN4    | Reset switch      |  J1/pins  |
          |                 |          |                   |  10 & 20  |
          |-----------------+----------+-------------------+-----------|
          | Serial port 2   |   CN5    | Speaker           |  J1/pins  |
          |                 |          |                   |  11 - 14  |
          |-----------------+----------+-------------------+-----------|
          | Serial port 1   |   CN6    | Audio in - CD-ROM |    J2     |
          |                 |          | (Panasonic)       |           |
          |-----------------+----------+-------------------+-----------|
          | Parallel port   |   CN7    | Audio in - CD-ROM |    J3     |
          |                 |          | (Sony)            |           |
          |-----------------+----------+-------------------+-----------|
          | USB connector 1 |   CN8    | IR connector      |    J4     |
          |-----------------+----------+-------------------+-----------|
          | USB connector 2 |   CN9    | Chassis fan power |    J5     |
          |-----------------+----------+-------------------+-----------|
          | PS/2 mouse port |   CN10   | CPU fan power     |    JX1    |
          |-----------------+----------+-------------------+-----------|
          | IDE interface 2 |   CN11   | Thermistor        |    RT1    |
          |                 |          | connector         |           |
          |-----------------+----------+-------------------+-----------|
          | IDE interface 1 |   CN12   | 32-bit PCI slots  | PC1 - PC4 |
          |-----------------+----------+-------------------+-----------|
          | Floppy drive    |   CN13   |                   |           |
          | interface       |          |                   |           |
          +------------------------------------------------------------+
       
          +------------------------------------------------------------+
          |                     DIMM CONFIGURATION                     |
          |------------------------------------------------------------|
          |    Size    |    Bank 0     |    Bank 1     |    Bank 2     |
          |------------+---------------+---------------+---------------|
          |    8MB     |  (1) 1M x 64  |     None      |     None      |
          |------------+---------------+---------------+---------------|
          |    16MB    |  (1) 2M x 64  |     None      |     None      |
          |------------+---------------+---------------+---------------|
          |    16MB    |  (1) 1M x 64  |  (1) 1M x 64  |     None      |
          |------------+---------------+---------------+---------------|
          |    24MB    |  (1) 2M x 64  |  (1) 1M x 64  |     None      |
          |------------+---------------+---------------+---------------|
          |    24MB    |  (1) 1M x 64  |  (1) 1M x 64  |  (1) 1M x 64  |
          |------------+---------------+---------------+---------------|
          |    32MB    |  (1) 4M x 64  |     None      |     None      |
          |------------+---------------+---------------+---------------|
          |    32MB    |  (1) 2M x 64  |  (1) 1M x 64  |  (1) 1M x 64  |
          |------------+---------------+---------------+---------------|
          |    32MB    |  (1) 2M x 64  |  (1) 2M x 64  |     None      |
          |------------+---------------+---------------+---------------|
          |    40MB    |  (1) 4M x 64  |  (1) 1M x 64  |     None      |
          |------------+---------------+---------------+---------------|
          |    40MB    |  (1) 2M x 64  |  (1) 2M x 64  |  (1) 1M x 64  |
          |------------+---------------+---------------+---------------|
          |    48MB    |  (1) 4M x 64  |  (1) 1M x 64  |  (1) 1M x 64  |
          |------------+---------------+---------------+---------------|
          |    48MB    |  (1) 4M x 64  |  (1) 2M x 64  |     None      |
          |------------+---------------+---------------+---------------|
          |    48MB    |  (1) 2M x 64  |  (1) 2M x 64  |  (1) 2M x 64  |
          |------------+---------------+---------------+---------------|
          |    56MB    |  (1) 4M x 64  |  (1) 2M x 64  |  (1) 1M x 64  |
          |------------+---------------+---------------+---------------|
          |    64MB    |  (1) 8M x 64  |     None      |     None      |
          |------------+---------------+---------------+---------------|
          |    64MB    |  (1) 4M x 64  |  (1) 2M x 64  |  (1) 2M x 64  |
          |------------+---------------+---------------+---------------|
          |    64MB    |  (1) 4M x 64  |  (1) 4M x 64  |     None      |
          |------------+---------------+---------------+---------------|
          |    72MB    |  (1) 8M x 64  |  (1) 1M x 64  |     None      |
          |------------+---------------+---------------+---------------|
          |    72MB    |  (1) 4M x 64  |  (1) 4M x 64  |  (1) 1M x 64  |
          |------------+---------------+---------------+---------------|
          |    80MB    |  (1) 8M x 64  |  (1) 1M x 64  |  (1) 1M x 64  |
          |------------+---------------+---------------+---------------|
          |    80MB    |  (1) 8M x 64  |  (1) 2M x 64  |     None      |
          |------------+---------------+---------------+---------------|
          |    80MB    |  (1) 4M x 64  |  (1) 4M x 64  |  (1) 2M x 64  |
          +------------------------------------------------------------+
       
          +------------------------------------------------------------+
          |                 DIMM CONFIGURATION (CON'T)                 |
          |------------------------------------------------------------|
          |    Size    |    Bank 0     |    Bank 1     |    Bank 2     |
          |------------+---------------+---------------+---------------|
          |    88MB    |  (1) 8M x 64  |  (1) 2M x 64  |  (1) 1M x 64  |
          |------------+---------------+---------------+---------------|
          |    96MB    |  (1) 8M x 64  |  (1) 2M x 64  |  (1) 2M x 64  |
          |------------+---------------+---------------+---------------|
          |    96MB    |  (1) 8M x 64  |  (1) 4M x 64  |     None      |
          |------------+---------------+---------------+---------------|
          |    96MB    |  (1) 4M x 64  |  (1) 4M x 64  |  (1) 4M x 64  |
          |------------+---------------+---------------+---------------|
          |   104MB    |  (1) 8M x 64  |  (1) 4M x 64  |  (1) 1M x 64  |
          |------------+---------------+---------------+---------------|
          |   112MB    |  (1) 8M x 64  |  (1) 4M x 64  |  (1) 2M x 64  |
          |------------+---------------+---------------+---------------|
          |   128MB    | (1) 16M x 64  |     None      |     None      |
          |------------+---------------+---------------+---------------|
          |   128MB    |  (1) 8M x 64  |  (1) 4M x 64  |  (1) 4M x 64  |
          |------------+---------------+---------------+---------------|
          |   128MB    |  (1) 8M x 64  |  (1) 8M x 64  |     None      |
          |------------+---------------+---------------+---------------|
          |   136MB    | (1) 16M x 64  |  (1) 1M x 64  |     None      |
          |------------+---------------+---------------+---------------|
          |   136MB    |  (1) 8M x 64  |  (1) 8M x 64  |  (1) 1M x 64  |
          |------------+---------------+---------------+---------------|
          |   144MB    | (1) 16M x 64  |  (1) 1M x 64  |  (1) 1M x 64  |
          |------------+---------------+---------------+---------------|
          |   144MB    | (1) 16M x 64  |  (1) 2M x 64  |     None      |
          |------------+---------------+---------------+---------------|
          |   144MB    |  (1) 8M x 64  |  (1) 8M x 64  |  (1) 2M x 64  |
          |------------+---------------+---------------+---------------|
          |   152MB    | (1) 16M x 64  |  (1) 2M x 64  |  (1) 1M x 64  |
          |------------+---------------+---------------+---------------|
          |   160MB    | (1) 16M x 64  |  (1) 2M x 64  |  (1) 2M x 64  |
          |------------+---------------+---------------+---------------|
          |   160MB    | (1) 16M x 64  |  (1) 4M x 64  |     None      |
          |------------+---------------+---------------+---------------|
          |   160MB    |  (1) 8M x 64  |  (1) 8M x 64  |  (1) 4M x 64  |
          |------------+---------------+---------------+---------------|
          |   168MB    | (1) 16M x 64  |  (1) 4M x 64  |  (1) 1M x 64  |
          |------------+---------------+---------------+---------------|
          |   192MB    | (1) 16M x 64  |  (1) 4M x 64  |  (1) 4M x 64  |
          |------------+---------------+---------------+---------------|
          |   192MB    | (1) 16M x 64  |  (1) 8M x 64  |     None      |
          |------------+---------------+---------------+---------------|
          |   192MB    |  (1) 8M x 64  |  (1) 8M x 64  |  (1) 8M x 64  |
          |------------+---------------+---------------+---------------|
          |   200MB    | (1) 16M x 64  |  (1) 8M x 64  |  (1) 1M x 64  |
          |------------+---------------+---------------+---------------|
          |   208MB    | (1) 16M x 64  |  (1) 8M x 64  |  (1) 2M x 64  |
          |------------+---------------+---------------+---------------|
          |   224MB    | (1) 16M x 64  |  (1) 8M x 64  |  (1) 4M x 64  |
          |------------+---------------+---------------+---------------|
          |   256MB    | (1) 16M x 64  |  (1) 8M x 64  |  (1) 8M x 64  |
          |------------+---------------+---------------+---------------|
          |   384MB    | (1) 16M x 64  | (1) 16M x 64  | (1) 16M x 64  |
          |------------------------------------------------------------|
          | Note: Board accepts EDO & SDRAM memory.                    |
          +------------------------------------------------------------+
       
          +------------------------------------------------------------+
          |                    CACHE CONFIGURATION                     |
          |------------------------------------------------------------|
          | Note: 256KB/512KB cache is located on the Pentium II CPU.  |
          | 128KB cache is located on the Celeron 300A & 333 CPU.      |
          +------------------------------------------------------------+
       
          +------------------------------------------------------------+
          |                    CPU SPEED SELECTION                     |
          |------------------------------------------------------------|
          | CPU speed  |  Clock   | Multiplier | JPXA  | JPXB  | JPXC  |
          |            |  speed   |            |       |       |       |
          |------------+----------+------------+-------+-------+-------|
          |   233MHz   |  66MHz   |    3.5x    | 2 & 3 | 2 & 3 | 2 & 3 |
          |------------+----------+------------+-------+-------+-------|
          |   266MHz   |  66MHz   |     4x     | 2 & 3 | 2 & 3 | 2 & 3 |
          |------------+----------+------------+-------+-------+-------|
          |   300MHz   |  66MHz   |    4.5x    | 2 & 3 | 2 & 3 | 2 & 3 |
          |------------+----------+------------+-------+-------+-------|
          |   333MHz   |  66MHz   |     5x     | 2 & 3 | 2 & 3 | 2 & 3 |
          |------------------------------------------------------------|
          | Note: Pins designated should be in the closed position.    |
          +------------------------------------------------------------+
       
          +------------------------------------------------------------+
          |                CPU SPEED SELECTION (CON'T)                 |
          |------------------------------------------------------------|
          |CPU speed|Clock speed|Multiplier| JP1A | JP1B | JP1C | JP1D |
          |---------+-----------+----------+------+------+------+------|
          | 233MHz  |   66MHz   |   3.5x   | Open | Open |Closed|Closed|
          |---------+-----------+----------+------+------+------+------|
          | 266MHz  |   66MHz   |    4x    |Closed|Closed| Open |Closed|
          |---------+-----------+----------+------+------+------+------|
          | 300MHz  |   66MHz   |   4.5x   | Open |Closed| Open |Closed|
          |---------+-----------+----------+------+------+------+------|
          | 333MHz  |   66MHz   |    5x    |Closed| Open | Open |Closed|
          +------------------------------------------------------------+