URI: 
  TEXT View Source
       
       # GMX, INC.
       
          ESA-MB
       
          Processor    80486SX/80487SX/80486DX/ODP486SX/80486DX2         
          Processor    33/66(internal)MHz                                
          Speed        
          Chip Set     National/INTEL                                    
          Max. Onboard 256MB                                             
          DRAM         
          SRAM Cache   64/128 (optional on CPU card only)                
          BIOS         AMI (located on CPU card)                         
          Dimensions   307.34mm x 330.20mm                               
          I/O Options  Floppy drive interface, IDE interface, parallel   
                       port,                                             
                                                                         
                       proprietary CPU card, serial port (2)             
          NPU Options  None                                              
       
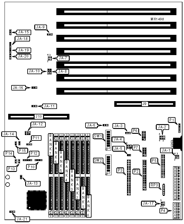
   IMG IMG 1
          
       
          +------------------------------------------------------------+
          |                        CONNECTIONS                         |
          |------------------------------------------------------------|
          | Purpose             | Location | Purpose        | Location |
          |---------------------+----------+----------------+----------|
          | 8-bit ISA slot      |    J9    | Serial port    |    P7    |
          |                     |          | (COM2)         |          |
          |---------------------+----------+----------------+----------|
          | Proprietary CPU     |   J10    | Speaker        |   P10    |
          | card                |          |                |          |
          |---------------------+----------+----------------+----------|
          | Keyboard interface  |    P1    | Turbo Switch   |   P11    |
          |---------------------+----------+----------------+----------|
          | Floppy drive        |    P2    | Power LED &    |   P12    |
          | interface           |          | keylock        |          |
          |---------------------+----------+----------------+----------|
          | IDE interface       |    P3    | IDE interface  |   P13    |
          |                     |          | LED            |          |
          |---------------------+----------+----------------+----------|
          | Auxiliary power     |    P4    | Reset switch   |   P14    |
          | connector           |          |                |          |
          |---------------------+----------+----------------+----------|
          | Parallel port       |    P5    | Lockable reset |   P15    |
          |                     |          | switch         |          |
          |---------------------+----------+----------------+----------|
          | Serial port (COM1)  |    P6    |                |          |
          +------------------------------------------------------------+
       
          +------------------------------------------------------------+
          |                 USER CONFIGURABLE SETTINGS                 |
          |------------------------------------------------------------|
          |             Function              | Jumper |   Position    |
          |-----------------------------------+--------+---------------|
          | » | IDE interface select IORDY at |  JA-2  |  pins 2 & 4   |
          |   | pin 21                        |        |    closed     |
          |---+-------------------------------+--------+---------------|
          |   | IDE interface select IORDY at |  JA-2  |  pins 4 & 6   |
          |   | pin 27                        |        |    closed     |
          |---+-------------------------------+--------+---------------|
          | » | Watchdog strobe select 1.8MHz |  JA-4  |  pins 5 & 6   |
          |   | clock                         |        |    closed     |
          |---+-------------------------------+--------+---------------|
          |   | Watchdog strobe select host   |  JA-4  |  pins 3 & 4   |
          |   | address strobe                |        |    closed     |
          |---+-------------------------------+--------+---------------|
          |   | Watchdog strobe select signal |  JA-4  |  pins 1 & 2   |
          |   | watchdog                      |        |    closed     |
          |---+-------------------------------+--------+---------------|
          | » | IDE interface address latch   |  JA-5  |    Closed     |
          |   | enabled at IDE pin 28         |        |               |
          |---+-------------------------------+--------+---------------|
          |   | IDE interface address select  |  JA-5  |     Open      |
          |   | spindle sync at IDE pin 28    |        |               |
          |---+-------------------------------+--------+---------------|
          | » | ISA bus select 0 wait state   |  JA-7  |  pins 1 & 3   |
          |   |                               |        |     open      |
          |---+-------------------------------+--------+---------------|
          |   | ISA bus select 1 wait state   |  JA-7  |  pins 1 & 3   |
          |   |                               |        |    closed     |
          |---+-------------------------------+--------+---------------|
          | » | Posted memory write cycles    |  JA-7  |  pins 2 & 4   |
          |   | enabled                       |        |    closed     |
          |---+-------------------------------+--------+---------------|
          |   | Posted memory write cycles    |  JA-7  |  pins 2 & 4   |
          |   | disabled                      |        |     open      |
          |---+-------------------------------+--------+---------------|
          | » | Factory configured - do not   | JA-8 & |      N/A      |
          |   | alter                         |  JA-9  |               |
          |---+-------------------------------+--------+---------------|
          | » | Keyboard buffer full          | JA-10  |  pins 2 & 3   |
          |   | interrupts from keyboard      |        |    closed     |
          |   | controller                    |        |               |
          |---+-------------------------------+--------+---------------|
          |   | Keyboard buffer full          | JA-10  |  pins 1 & 2   |
          |   | interrupts from 82351 at IRQ1 |        |    closed     |
          |---+-------------------------------+--------+---------------|
          | » | Address enable active on slot | JA-11  |  pins 1 & 2   |
          |   | 0 & slot 8 (J9)               |        |    closed     |
          |---+-------------------------------+--------+---------------|
          |   | Address enable active on slot | JA-11  |  pins 1 & 2   |
          |   | 8 (J9) only                   |        |     open      |
          |---+-------------------------------+--------+---------------|
          |   | .  Factory configured - do    | JA-12  |      N/A      |
          |   | not alter                     |        |               |
          |---+-------------------------------+--------+---------------|
          | » | Factory configured - do not   | JA-13  |      N/A      |
          |   | alter                         |        |               |
          |---+-------------------------------+--------+---------------|
          | » | Memory speed select speed 1   | JA-14  |  pins 1 & 3   |
          |   |                               |        |    closed     |
          |---+-------------------------------+--------+---------------|
          |   | Memory speed select speed 0   | JA-14  |  pins 2 & 4   |
          |   |                               |        |    closed     |
          |---+-------------------------------+--------+---------------|
          | » | CMOS memory normal operation  | JA-15  |  pins 2 & 3   |
          |   |                               |        |    closed     |
          |---+-------------------------------+--------+---------------|
          |   | CMOS memory clear             | JA-15  |  pins 1 & 2   |
          |   |                               |        |    closed     |
          |---+-------------------------------+--------+---------------|
          |   | Floppy drive select 2 drives  | JA-17  |     Open      |
          |---+-------------------------------+--------+---------------|
          |   | Floppy drive select 3 drives  | JA-17  | pins 1 & 2, 3 |
          |   |                               |        |  & 4 closed   |
          |---+-------------------------------+--------+---------------|
          | » | UART type 16550               |  JA18  |  pins 1 & 2   |
          |   |                               |        |    closed     |
          |---+-------------------------------+--------+---------------|
          |   | UART type 16540               |  JA18  |  pins 2 & 3   |
          |   |                               |        |    closed     |
          |---+-------------------------------+--------+---------------|
          | » | IDE interface select National | JA-19  |  pins 1 & 2   |
          |   | chipset                       |        |    closed     |
          |---+-------------------------------+--------+---------------|
          |   | IDE interface Intel chipset   | JA-19  |  pins 2 & 3   |
          |   |                               |        |    closed     |
          |---+-------------------------------+--------+---------------|
          | » | Floppy drive select National  | JA--20 |  pins 1 & 2   |
          |   | chipsey                       |        |    closed     |
          |---+-------------------------------+--------+---------------|
          |   | Floppy drive select Intel     | JA-20  |  pins 2 & 3   |
          |   | chipset                       |        |    closed     |
          |---+-------------------------------+--------+---------------|
          | » | Keylock disabled              | JA-21  |  pins 2 & 3   |
          |   |                               |        |    closed     |
          |---+-------------------------------+--------+---------------|
          |   | Keylock enabled               | JA-21  |  pins 1 & 2   |
          |   |                               |        |    closed     |
          |------------------------------------------------------------|
          | Note:SW1 & SW2 are software dependent.                     |
          +------------------------------------------------------------+
       
       +----------------------------------------------------------------------------------+
       |                                DRAM CONFIGURATION                                |
       |----------------------------------------------------------------------------------|
       |  Size  |  Bank0  |  Bank1  | Bank2  | Bank3  | Bank4  | Bank5  | Bank6  | Bank7  |
       |--------+---------+---------+--------+--------+--------+--------+--------+--------|
       |  1MB   |  256K   |  NONE   |  NONE  |  NONE  |  NONE  |  NONE  |  NONE  |  NONE  |
       |--------+---------+---------+--------+--------+--------+--------+--------+--------|
       |  2MB   |  256K   |  256K   |  NONE  |  NONE  |  NONE  |  NONE  |  NONE  |  NONE  |
       |--------+---------+---------+--------+--------+--------+--------+--------+--------|
       |  2MB   |  512K   |  NONE   |  NONE  |  NONE  |  NONE  |  NONE  |  NONE  |  NONE  |
       |--------+---------+---------+--------+--------+--------+--------+--------+--------|
       |  3MB   |  256K   |  256K   |  256K  |  NONE  |  NONE  |  NONE  |  NONE  |  NONE  |
       |--------+---------+---------+--------+--------+--------+--------+--------+--------|
       |  4MB   |  256K   |  256K   |  256K  |  256K  |  NONE  |  NONE  |  NONE  |  NONE  |
       |--------+---------+---------+--------+--------+--------+--------+--------+--------|
       |  4MB   |  512K   |  512K   |  NONE  |  NONE  |  NONE  |  NONE  |  NONE  |  NONE  |
       |--------+---------+---------+--------+--------+--------+--------+--------+--------|
       |  4MB   |   1M    |  NONE   |  NONE  |  NONE  |  NONE  |  NONE  |  NONE  |  NONE  |
       |--------+---------+---------+--------+--------+--------+--------+--------+--------|
       |  5MB   |  256K   |  256K   |  256K  |  256K  |  256K  |  NONE  |  NONE  |  NONE  |
       |--------+---------+---------+--------+--------+--------+--------+--------+--------|
       |  6MB   |  256K   |  256K   |  256K  |  256K  |  256K  |  256K  |  NONE  |  NONE  |
       |--------+---------+---------+--------+--------+--------+--------+--------+--------|
       |  6MB   |  256K   |  256K   |  256K  |  256K  |  512K  |  NONE  |  NONE  |  NONE  |
       |--------+---------+---------+--------+--------+--------+--------+--------+--------|
       |  6MB   |  512K   |  512K   |  512K  |  NONE  |  NONE  |  NONE  |  NONE  |  NONE  |
       |--------+---------+---------+--------+--------+--------+--------+--------+--------|
       |  7MB   |  256K   |  256K   |  256K  |  256K  |  256K  |  256K  |  256K  |  NONE  |
       |--------+---------+---------+--------+--------+--------+--------+--------+--------|
       |  8MB   |  256K   |  256K   |  256K  |  256K  |  256K  |  256K  |  256K  |  256K  |
       |--------+---------+---------+--------+--------+--------+--------+--------+--------|
       |  8MB   |  256K   |  256K   |  256K  |  256K  |  512K  |  512K  |  NONE  |  NONE  |
       |--------+---------+---------+--------+--------+--------+--------+--------+--------|
       |  8MB   |  256K   |  256K   |  256K  |  256K  |   1M   |  NONE  |  NONE  |  NONE  |
       |--------+---------+---------+--------+--------+--------+--------+--------+--------|
       |  8MB   |  512K   |  512K   |  512K  |  512K  |  NONE  |  NONE  |  NONE  |  NONE  |
       |--------+---------+---------+--------+--------+--------+--------+--------+--------|
       |  8MB   |   1M    |   1M    |  NONE  |  NONE  |  NONE  |  NONE  |  NONE  |  NONE  |
       |--------+---------+---------+--------+--------+--------+--------+--------+--------|
       |  8MB   |   2M    |  NONE   |  NONE  |  NONE  |  NONE  |  NONE  |  NONE  |  NONE  |
       |--------+---------+---------+--------+--------+--------+--------+--------+--------|
       |  9MB   |  512K   |  512K   |  512K  |  512K  |  256K  |  NONE  |  NONE  |  NONE  |
       |--------+---------+---------+--------+--------+--------+--------+--------+--------|
       |  10MB  |  512K   |  512K   |  512K  |  512K  |  256K  |  256K  |  NONE  |  NONE  |
       |--------+---------+---------+--------+--------+--------+--------+--------+--------|
       |  10MB  |  512K   |  512K   |  512K  |  512K  |  512K  |  NONE  |  NONE  |  NONE  |
       |--------+---------+---------+--------+--------+--------+--------+--------+--------|
       |  11MB  |  512K   |  512K   |  512K  |  512K  |  256K  |  256K  |  256K  |  NONE  |
       |--------+---------+---------+--------+--------+--------+--------+--------+--------|
       |  12MB  |  512K   |  512K   |  512K  |  512K  |  256K  |  256K  |  256K  |  256K  |
       |--------+---------+---------+--------+--------+--------+--------+--------+--------|
       |  12MB  |  512K   |  512K   |  512K  |  512K  |  512K  |  512K  |  NONE  |  NONE  |
       |--------+---------+---------+--------+--------+--------+--------+--------+--------|
       |  12MB  |  512K   |  512K   |  512K  |  512K  |   1M   |  NONE  |  NONE  |  NONE  |
       |--------+---------+---------+--------+--------+--------+--------+--------+--------|
       |  12MB  |   1M    |   1M    |   1M   |  NONE  |  NONE  |  NONE  |  NONE  |  NONE  |
       |--------+---------+---------+--------+--------+--------+--------+--------+--------|
       |  14MB  |  512K   |  512K   |  512K  |  512K  |  512K  |  512K  |  512K  |  NONE  |
       |--------+---------+---------+--------+--------+--------+--------+--------+--------|
       |  16MB  |  512K   |  512K   |  512K  |  512K  |  512K  |  512K  |  512K  |  512K  |
       |--------+---------+---------+--------+--------+--------+--------+--------+--------|
       |  16MB  |  512K   |  512K   |  512K  |  512K  |   1M   |   1M   |  NONE  |  NONE  |
       |--------+---------+---------+--------+--------+--------+--------+--------+--------|
       |  16MB  |  512K   |  512K   |  512K  |  512K  |   2M   |  NONE  |  NONE  |  NONE  |
       |--------+---------+---------+--------+--------+--------+--------+--------+--------|
       |  16MB  |   1M    |   1M    |   1M   |   1M   |  NONE  |  NONE  |  NONE  |  NONE  |
       |--------+---------+---------+--------+--------+--------+--------+--------+--------|
       |  16MB  |   2M    |   2M    |  NONE  |  NONE  |  NONE  |  NONE  |  NONE  |  NONE  |
       |--------+---------+---------+--------+--------+--------+--------+--------+--------|
       |  16MB  |   4M    |  NONE   |  NONE  |  NONE  |  NONE  |  NONE  |  NONE  |  NONE  |
       |--------+---------+---------+--------+--------+--------+--------+--------+--------|
       |  17MB  |   1M    |   1M    |   1M   |   1M   |  256K  |  NONE  |  NONE  |  NONE  |
       |--------+---------+---------+--------+--------+--------+--------+--------+--------|
       |  18MB  |   1M    |   1M    |   1M   |   1M   |  256K  |  256K  |  NONE  |  NONE  |
       |--------+---------+---------+--------+--------+--------+--------+--------+--------|
       |  18MB  |   1M    |   1M    |   1M   |   1M   |  512K  |  NONE  |  NONE  |  NONE  |
       |--------+---------+---------+--------+--------+--------+--------+--------+--------|
       |  19MB  |   1M    |   1M    |   1M   |   1M   |  256K  |  256K  |  256K  |  NONE  |
       |--------+---------+---------+--------+--------+--------+--------+--------+--------|
       |  20MB  |   1M    |   1M    |   1M   |   1M   |  256K  |  256K  |  256K  |  256K  |
       |--------+---------+---------+--------+--------+--------+--------+--------+--------|
       |  20MB  |   1M    |   1M    |   1M   |   1M   |  512K  |  512K  |  NONE  |  NONE  |
       |--------+---------+---------+--------+--------+--------+--------+--------+--------|
       |  20MB  |   1M    |   1M    |   1M   |   1M   |   1M   |  NONE  |  NONE  |  NONE  |
       |--------+---------+---------+--------+--------+--------+--------+--------+--------|
       |  22MB  |   1M    |   1M    |   1M   |   1M   |  512K  |  512K  |  512K  |  NONE  |
       |--------+---------+---------+--------+--------+--------+--------+--------+--------|
       |  24MB  |   1M    |   1M    |   1M   |   1M   |  512K  |  512K  |  512K  |  512K  |
       |--------+---------+---------+--------+--------+--------+--------+--------+--------|
       |  24MB  |   1M    |   1M    |   1M   |   1M   |   1M   |   1M   |  NONE  |  NONE  |
       |----------------------------------------------------------------------------------|
       |     +---------------------------------------------------------------------------+|
       |     |                      DRAM CONFIGURATION (CONTINUED)                       ||
       |     |---------------------------------------------------------------------------||
       |     | Size  | Bank0  | Bank1  | Bank2  | Bank3  | Bank4 | Bank5 | Bank6 | Bank7 ||
       |     |-------+--------+--------+--------+--------+-------+-------+-------+-------||
       |     | 24MB  |   1M   |   1M   |   1M   |   1M   |  2M   | NONE  | NONE  | NONE  ||
       |     |-------+--------+--------+--------+--------+-------+-------+-------+-------||
       |     | 24MB  |   2M   |   2M   |   2M   |  NONE  | NONE  | NONE  | NONE  | NONE  ||
       |     |-------+--------+--------+--------+--------+-------+-------+-------+-------||
       |     | 28MB  |   1M   |   1M   |   1M   |   1M   |  1M   |  1M   |  1M   | NONE  ||
       |     |-------+--------+--------+--------+--------+-------+-------+-------+-------||
       |     | 32MB  |   1M   |   1M   |   1M   |   1M   |  1M   |  1M   |  1M   |  1M   ||
       |     |-------+--------+--------+--------+--------+-------+-------+-------+-------||
       |     | 32MB  |   1M   |   1M   |   1M   |   1M   |  2M   |  2M   | NONE  | NONE  ||
       |     |-------+--------+--------+--------+--------+-------+-------+-------+-------||
       |     | 32MB  |   1M   |   1M   |   1M   |   1M   |  4M   | NONE  | NONE  | NONE  ||
       |     |-------+--------+--------+--------+--------+-------+-------+-------+-------||
       |     | 32MB  |   4M   |   4M   |  NONE  |  NONE  | NONE  | NONE  | NONE  | NONE  ||
       |     |-------+--------+--------+--------+--------+-------+-------+-------+-------||
       |     | 32MB  |   8M   |  NONE  |  NONE  |  NONE  | NONE  | NONE  | NONE  | NONE  ||
       |     |-------+--------+--------+--------+--------+-------+-------+-------+-------||
       |     | 32MB  |   2M   |   2M   |   2M   |   2M   | NONE  | NONE  | NONE  | NONE  ||
       |     |-------+--------+--------+--------+--------+-------+-------+-------+-------||
       |     | 33MB  |   2M   |   2M   |   2M   |   2M   | 256K  | NONE  | NONE  | NONE  ||
       |     |-------+--------+--------+--------+--------+-------+-------+-------+-------||
       |     | 34MB  |   2M   |   2M   |   2M   |   2M   | 256K  | 256K  | NONE  | NONE  ||
       |     |-------+--------+--------+--------+--------+-------+-------+-------+-------||
       |     | 34MB  |   2M   |   2M   |   2M   |   2M   | 512K  | NONE  | NONE  | NONE  ||
       |     |-------+--------+--------+--------+--------+-------+-------+-------+-------||
       |     | 35MB  |   2M   |   2M   |   2M   |   2M   | 256K  | 256K  | 256K  | NONE  ||
       |     |-------+--------+--------+--------+--------+-------+-------+-------+-------||
       |     | 36MB  |   2M   |   2M   |   2M   |   2M   | 256K  | 256K  | 256K  | 256K  ||
       |     |-------+--------+--------+--------+--------+-------+-------+-------+-------||
       |     | 36MB  |   2M   |   2M   |   2M   |   2M   | 512K  | 512K  | NONE  | NONE  ||
       |     |-------+--------+--------+--------+--------+-------+-------+-------+-------||
       |     | 36MB  |   2M   |   2M   |   2M   |   2M   |  1M   | NONE  | NONE  | NONE  ||
       |     |-------+--------+--------+--------+--------+-------+-------+-------+-------||
       |     | 38MB  |   2M   |   2M   |   2M   |   2M   | 512K  | 512K  | 512K  | NONE  ||
       |     |-------+--------+--------+--------+--------+-------+-------+-------+-------||
       |     | 40MB  |   2M   |   2M   |   2M   |   2M   | 512K  | 512K  | 512K  | 512K  ||
       |     |-------+--------+--------+--------+--------+-------+-------+-------+-------||
       |     | 40MB  |   2M   |   2M   |   2M   |   2M   |  1M   |  1M   | NONE  | NONE  ||
       |     |-------+--------+--------+--------+--------+-------+-------+-------+-------||
       |     | 40MB  |   2M   |   2M   |   2M   |   2M   |  2M   | NONE  | NONE  | NONE  ||
       |     |-------+--------+--------+--------+--------+-------+-------+-------+-------||
       |     | 44MB  |   2M   |   2M   |   2M   |   2M   |  1M   |  1M   |  1M   | NONE  ||
       |     |-------+--------+--------+--------+--------+-------+-------+-------+-------||
       |     | 48MB  |   2M   |   2M   |   2M   |   2M   |  1M   |  1M   |  1M   |  1M   ||
       |     |-------+--------+--------+--------+--------+-------+-------+-------+-------||
       |     | 48MB  |   2M   |   2M   |   2M   |   2M   |  2M   |  2M   | NONE  | NONE  ||
       |     |-------+--------+--------+--------+--------+-------+-------+-------+-------||
       |     | 48MB  |   2M   |   2M   |   2M   |   2M   |  4M   | NONE  | NONE  | NONE  ||
       |     |-------+--------+--------+--------+--------+-------+-------+-------+-------||
       |     | 48MB  |   4M   |   4M   |   4M   |  NONE  | NONE  | NONE  | NONE  | NONE  ||
       |     |-------+--------+--------+--------+--------+-------+-------+-------+-------||
       |     | 56MB  |   2M   |   2M   |   2M   |   2M   |  2M   |  2M   |  2M   | NONE  ||
       |     |-------+--------+--------+--------+--------+-------+-------+-------+-------||
       |     | 64MB  |   2M   |   2M   |   2M   |   2M   |  2M   |  2M   |  2M   |  2M   ||
       |     |-------+--------+--------+--------+--------+-------+-------+-------+-------||
       |     | 64MB  |   2M   |   2M   |   2M   |   2M   |  4M   |  4M   | NONE  | NONE  ||
       |     |-------+--------+--------+--------+--------+-------+-------+-------+-------||
       |     | 64MB  |   2M   |   2M   |   2M   |   2M   |  8M   | NONE  | NONE  | NONE  ||
       |     |-------+--------+--------+--------+--------+-------+-------+-------+-------||
       |     | 64MB  |   4M   |   4M   |   4M   |   4M   | NONE  | NONE  | NONE  | NONE  ||
       |     |-------+--------+--------+--------+--------+-------+-------+-------+-------||
       |     | 64MB  |   8M   |   8M   |  NONE  |  NONE  | NONE  | NONE  | NONE  | NONE  ||
       |     |-------+--------+--------+--------+--------+-------+-------+-------+-------||
       |     | 65MB  |   4M   |   4M   |   4M   |   4M   | 256K  | NONE  | NONE  | NONE  ||
       |     |-------+--------+--------+--------+--------+-------+-------+-------+-------||
       |     | 66MB  |   4M   |   4M   |   4M   |   4M   | 256K  | 256K  | NONE  | NONE  ||
       |     |-------+--------+--------+--------+--------+-------+-------+-------+-------||
       |     | 66MB  |   4M   |   4M   |   4M   |   4M   | 512K  | NONE  | NONE  | NONE  ||
       |     |-------+--------+--------+--------+--------+-------+-------+-------+-------||
       |     | 67MB  |   4M   |   4M   |   4M   |   4M   | 256K  | 256K  | 256K  | NONE  ||
       |     |-------+--------+--------+--------+--------+-------+-------+-------+-------||
       |     | 68MB  |   4M   |   4M   |   4M   |   4M   | 256K  | 256K  | 256K  | 256K  ||
       |     |-------+--------+--------+--------+--------+-------+-------+-------+-------||
       |     | 68MB  |   4M   |   4M   |   4M   |   4M   | 512K  | 512K  | NONE  | NONE  ||
       |     |-------+--------+--------+--------+--------+-------+-------+-------+-------||
       |     | 68MB  |   4M   |   4M   |   4M   |   4M   |  1M   | NONE  | NONE  | NONE  ||
       |     |-------+--------+--------+--------+--------+-------+-------+-------+-------||
       |     | 70MB  |   4M   |   4M   |   4M   |   4M   | 512K  | 512K  | 512K  | NONE  ||
       |     |-------+--------+--------+--------+--------+-------+-------+-------+-------||
       |     | 72MB  |   4M   |   4M   |   4M   |   4M   | 512K  | 512K  | 512K  | 512K  ||
       |     |-------+--------+--------+--------+--------+-------+-------+-------+-------||
       |     | 72MB  |   4M   |   4M   |   4M   |   4M   |  1M   |  1M   | NONE  | NONE  ||
       |     |-------+--------+--------+--------+--------+-------+-------+-------+-------||
       |     | 72MB  |   4M   |   4M   |   4M   |   4M   |  2M   | NONE  | NONE  | NONE  ||
       |     |---------------------------------------------------------------------------||
       |     | +-----------------------------------------------------------------------+ ||
       |     | |                    DRAM CONFIGURATION (CONTINUED)                     | ||
       |     | |-----------------------------------------------------------------------| ||
       |     | | Size  | Bank0 | Bank1 | Bank2 | Bank3 | Bank4 | Bank5 | Bank6 | Bank7 | ||
       |     | |-------+-------+-------+-------+-------+-------+-------+-------+-------| ||
       |     | | 80MB  |  4M   |  4M   |  4M   |  4M   |  2M   |  2M   | NONE  | NONE  | ||
       |     | |-------+-------+-------+-------+-------+-------+-------+-------+-------| ||
       |     | | 80MB  |  4M   |  4M   |  4M   |  4M   |  4M   | NONE  | NONE  | NONE  | ||
       |     | |-------+-------+-------+-------+-------+-------+-------+-------+-------| ||
       |     | | 88MB  |  4M   |  4M   |  4M   |  4M   |  2M   |  2M   |  2M   | NONE  | ||
       |     | |-------+-------+-------+-------+-------+-------+-------+-------+-------| ||
       |     | | 96MB  |  4M   |  4M   |  4M   |  4M   |  4M   |  4M   | NONE  | NONE  | ||
       |     | |-------+-------+-------+-------+-------+-------+-------+-------+-------| ||
       |     | | 96MB  |  4M   |  4M   |  4M   |  4M   |  8M   | NONE  | NONE  | NONE  | ||
       |     | |-------+-------+-------+-------+-------+-------+-------+-------+-------| ||
       |     | | 96MB  |  4M   |  4M   |  4M   |  4M   |  2M   |  2M   |  2M   |  2M   | ||
       |     | |-------+-------+-------+-------+-------+-------+-------+-------+-------| ||
       |     | | 96MB  |  8M   |  8M   |  8M   | NONE  | NONE  | NONE  | NONE  | NONE  | ||
       |     | |-------+-------+-------+-------+-------+-------+-------+-------+-------| ||
       |     | | 128MB |  8M   |  8M   |  8M   |  8M   | NONE  | NONE  | NONE  | NONE  | ||
       |     | |-------+-------+-------+-------+-------+-------+-------+-------+-------| ||
       |     | | 128MB |  4M   |  4M   |  4M   |  4M   |  8M   |  8M   | NONE  | NONE  | ||
       |     | |-------+-------+-------+-------+-------+-------+-------+-------+-------| ||
       |     | | 129MB |  8M   |  8M   |  8M   |  8M   | 256K  | NONE  | NONE  | NONE  | ||
       |     | |-------+-------+-------+-------+-------+-------+-------+-------+-------| ||
       |     | | 130MB |  8M   |  8M   |  8M   |  8M   | 256K  | 256K  | NONE  | NONE  | ||
       |     | |-------+-------+-------+-------+-------+-------+-------+-------+-------| ||
       |     | | 130MB |  8M   |  8M   |  8M   |  8M   | 512K  | NONE  | NONE  | NONE  | ||
       |     | |-------+-------+-------+-------+-------+-------+-------+-------+-------| ||
       |     | | 131MB |  8M   |  8M   |  8M   |  8M   | 256K  | 256K  | 256K  | NONE  | ||
       |     | |-------+-------+-------+-------+-------+-------+-------+-------+-------| ||
       |     | | 132MB |  8M   |  8M   |  8M   |  8M   | 256K  | 256K  | 256K  | 256K  | ||
       |     | |-------+-------+-------+-------+-------+-------+-------+-------+-------| ||
       |     | | 132MB |  8M   |  8M   |  8M   |  8M   | 512K  | 512K  | NONE  | NONE  | ||
       |     | |-------+-------+-------+-------+-------+-------+-------+-------+-------| ||
       |     | | 132MB |  8M   |  8M   |  8M   |  8M   |  1M   | NONE  | NONE  | NONE  | ||
       |     | |-------+-------+-------+-------+-------+-------+-------+-------+-------| ||
       |     | | 134MB |  8M   |  8M   |  8M   |  8M   | 512K  | 512K  | 512K  | NONE  | ||
       |     | |-------+-------+-------+-------+-------+-------+-------+-------+-------| ||
       |     | | 136MB |  8M   |  8M   |  8M   |  8M   | 512K  | 512K  | 512K  | 512K  | ||
       |     | |-------+-------+-------+-------+-------+-------+-------+-------+-------| ||
       |     | | 136MB |  8M   |  8M   |  8M   |  8M   |  1M   |  1M   | NONE  | NONE  | ||
       |     | |-------+-------+-------+-------+-------+-------+-------+-------+-------| ||
       |     | | 136MB |  8M   |  8M   |  8M   |  8M   |  2M   | NONE  | NONE  | NONE  | ||
       |     | |-------+-------+-------+-------+-------+-------+-------+-------+-------| ||
       |     | | 140MB |  8M   |  8M   |  8M   |  8M   |  1M   |  1M   |  1M   | NONE  | ||
       |     | |-------+-------+-------+-------+-------+-------+-------+-------+-------| ||
       |     | | 144MB |  8M   |  8M   |  8M   |  8M   |  1M   |  1M   |  1M   |  1M   | ||
       |     | |-------+-------+-------+-------+-------+-------+-------+-------+-------| ||
       |     | | 144MB |  8M   |  8M   |  8M   |  8M   |  2M   |  2M   | NONE  | NONE  | ||
       |     | |-------+-------+-------+-------+-------+-------+-------+-------+-------| ||
       |     | | 144MB |  8M   |  8M   |  8M   |  8M   |  4M   | NONE  | NONE  | NONE  | ||
       |     | |-------+-------+-------+-------+-------+-------+-------+-------+-------| ||
       |     | | 152MB |  8M   |  8M   |  8M   |  8M   |  2M   |  2M   |  2M   | NONE  | ||
       |     | |-------+-------+-------+-------+-------+-------+-------+-------+-------| ||
       |     | | 160MB |  8M   |  8M   |  8M   |  8M   |  2M   |  2M   |  2M   |  2M   | ||
       |     | |-------+-------+-------+-------+-------+-------+-------+-------+-------| ||
       |     | | 160MB |  8M   |  8M   |  8M   |  8M   |  4M   |  4M   | NONE  | NONE  | ||
       |     | |-------+-------+-------+-------+-------+-------+-------+-------+-------| ||
       |     | | 160MB |  8M   |  8M   |  8M   |  8M   |  8M   | NONE  | NONE  | NONE  | ||
       |     | |-------+-------+-------+-------+-------+-------+-------+-------+-------| ||
       |     | | 176MB |  8M   |  8M   |  8M   |  8M   |  4M   |  4M   |  4M   | NONE  | ||
       |     | |-------+-------+-------+-------+-------+-------+-------+-------+-------| ||
       |     | | 192MB |  8M   |  8M   |  8M   |  8M   |  4M   |  4M   |  4M   |  4M   | ||
       |     | |-------+-------+-------+-------+-------+-------+-------+-------+-------| ||
       |     | | 192MB |  8M   |  8M   |  8M   |  8M   |  8M   |  8M   | NONE  | NONE  | ||
       |     | |-------+-------+-------+-------+-------+-------+-------+-------+-------| ||
       |     | | 224MB |  8M   |  8M   |  8M   |  8M   |  8M   |  8M   |  8M   | NONE  | ||
       |     | |-------+-------+-------+-------+-------+-------+-------+-------+-------| ||
       |     | | 256MB |  8M   |  8M   |  8M   |  8M   |  8M   |  8M   |  8M   |  8M   | ||
       |     | |-----------------------------------------------------------------------| ||
       |     | | Note: The 512K x 36, 2M x 36, and 8M x 36 SIMMs are double-sided      | ||
       |     | | SIMMs.                                                                | ||
       |     | +-----------------------------------------------------------------------+ ||
       |     |                                                                           ||
       |     | +-----------------------------------------------------------------------+ ||
       |     | |                     FLOPPY DRIVE 0 CONFIGURATION                      | ||
       |     | |-----------------------------------------------------------------------| ||
       |     | |                A:                |          JA-1/pins 2 & 4           | ||
       |     | |----------------------------------+------------------------------------| ||
       |     | |               3.5"               |               Closed               | ||
       |     | |----------------------------------+------------------------------------| ||
       |     | |              5.25"               |                Open                | ||
       |     | +-----------------------------------------------------------------------+ ||
       |     |                                                                           ||
       |     | +-----------------------------------------------------------------------+ ||
       |     | |                     FLOPPY DRIVE 1 CONFIGURATION                      | ||
       |     | |-----------------------------------------------------------------------| ||
       |     | |                B:                |          JA-1/pins 1 & 3           | ||
       |     | |----------------------------------+------------------------------------| ||
       |     | |               3.5"               |               Closed               | ||
       |     | |----------------------------------+------------------------------------| ||
       |     | |              5.25"               |                Open                | ||
       |     | +-----------------------------------------------------------------------+ ||
       |     |                                                                           ||
       |     | +-----------------------------------------------------------------------+ ||
       |     | |                   FLOPPY DRIVE POWER CONFIGURATION                    | ||
       |     | |-----------------------------------------------------------------------| ||
       |     | |             Drive Type             |               RP3                | ||
       |     | |------------------------------------+----------------------------------| ||
       |     | |            Normal 3.5"             |              150 W               | ||
       |     | |------------------------------------+----------------------------------| ||
       |     | |           Low power 3.5"           |               1K W               | ||
       |     | +-----------------------------------------------------------------------+ ||
       |     |                                                                           ||
       |     | +-----------------------------------------------------------------------+ ||
       |     | |             IDE INTERFACE I/O READY SIGNAL CONFIGURATION              | ||
       |     | |-----------------------------------------------------------------------| ||
       |     | |                  IORDY                  |     JA-2/pins 2, 4, & 6     | ||
       |     | |-----------------------------------------+-----------------------------| ||
       |     | |       At pin 21 of IDE interface        |      pins 2 & 4 closed      | ||
       |     | |-----------------------------------------+-----------------------------| ||
       |     | |       At pin 27 of IDE interface        |      pins 4 & 6 closed      | ||
       |     | |-----------------------------------------------------------------------| ||
       |     | | Note:If the hard drive has the IORDY signal at at both pins then      | ||
       |     | | either configuration will work.                                       | ||
       |     | +-----------------------------------------------------------------------+ ||
       |     |                                                                           ||
       |     | +-----------------------------------------------------------------------+ ||
       |     | |                    IDE INTERFACE DMA CONFIGURATION                    | ||
       |     | |-----------------------------------------------------------------------| ||
       |     | |    DMA     |  JA-2/pins 1 & 2  |  JA-2/pins 3 & 5  |   JA-6 & JA-16   | ||
       |     | |------------+-------------------+-------------------+------------------| ||
       |     | |    DMA6    |      Closed       |      Closed       |    pins 1 & 2    | ||
       |     | |            |                   |                   |      closed      | ||
       |     | |------------+-------------------+-------------------+------------------| ||
       |     | |  Disabled  |       Open        |       Open        |    pins 2 & 3    | ||
       |     | |            |                   |                   |      closed      | ||
       |     | |-----------------------------------------------------------------------| ||
       |     | | Note:If the drive supports DMA then the IORDY signal must be at pin   | ||
       |     | | 27 of the IDE interface.                                              | ||
       |     | +-----------------------------------------------------------------------+ ||
       |     |                                                                           ||
       |     | +-----------------------------------------------------------------------+ ||
       |     | |                     WATCHDOG TIMER CONFIGURATION                      | ||
       |     | |-----------------------------------------------------------------------| ||
       |     | | Timeout Minimum | Timeout Typical | Timeout Maximum |      JA-3       | ||
       |     | |-----------------+-----------------+-----------------+-----------------| ||
       |     | |      50ms       |      150ms      |      250ms      |   pins 1 & 2    | ||
       |     | |                 |                 |                 |     closed      | ||
       |     | |-----------------+-----------------+-----------------+-----------------| ||
       |     | |      250ms      |      600ms      |     1000ms      |      Open       | ||
       |     | |-----------------+-----------------+-----------------+-----------------| ||
       |     | |      400ms      |     1200ms      |     2000ms      |   pins 2 & 3    | ||
       |     | |                 |                 |                 |     closed      | ||
       |     | +-----------------------------------------------------------------------+ ||
       |     |                                                                           ||
   IMG IMG 2
       |     |                                                                   ||
       |     |                                                                           ||
       |     | +-----------------------------------------------------------------------+ ||
       |     | |                              CONNECTIONS                              | ||
       |     | |-----------------------------------------------------------------------| ||
       |     | | Purpose                                              |    Location    | ||
       |     | |------------------------------------------------------+----------------| ||
       |     | | CPU cooling fan power +12VDC                         |       P1       | ||
       |     | |------------------------------------------------------+----------------| ||
       |     | | Optional secondary cache module (64K or 128K)        |       U7       | ||
       |     | |-----------------------------------------------------------------------| ||
       |     | |      Note:All DRAM banks must be populated on the motherboard before  | ||
       |     | |      any cache modules can be installed.                              | ||
       |     | +-----------------------------------------------------------------------+ ||
       |     |                                                                           ||
       |     | +-----------------------------------------------------------------------+ ||
       |     | |                      USER CONFIGURABLE SETTINGS                       | ||
       |     | |-----------------------------------------------------------------------| ||
       |     | |                 Function                  | Jumper |     Position     | ||
       |     | |-------------------------------------------+--------+------------------| ||
       |     | | » | Flash memory normal operation at      |  JA-1  |    pins 2 & 3    | ||
       |     | |   | address A16                           |        |      closed      | ||
       |     | |---+---------------------------------------+--------+------------------| ||
       |     | |   | Flash memory inverted operation at    |  JA-1  | pins 1 & 2 open  | ||
       |     | |   | address A16                           |        |                  | ||
       |     | |---+---------------------------------------+--------+------------------| ||
       |     | | » | Flash BIOS write protect enabled      |  JA-2  | pins 1 & 3, 2 &  | ||
       |     | |   |                                       |        |     4 closed     | ||
       |     | |---+---------------------------------------+--------+------------------| ||
       |     | |   | Flash BIOS write protect disabled     |  JA-2  | pins 1 & 3, 2 &  | ||
       |     | |   |                                       |        |      4 open      | ||
       |     | +-----------------------------------------------------------------------+ ||
       |     |                                                                           ||
       |     | +-----------------------------------------------------------------------+ ||
       |     | |                        CPU TYPE CONFIGURATION                         | ||
       |     | |-----------------------------------------------------------------------| ||
       |     | |    Type     |   Speed    |       JA-3        |          JA-4          | ||
       |     | |-------------+------------+-------------------+------------------------| ||
       |     | |   80486SX   |   33MHz    | pins 1 & 2 closed |   pins 2 & 4 closed    | ||
       |     | |-------------+------------+-------------------+------------------------| ||
       |     | | 80486DX/DX2 | 33/66i MHz | pins 1 & 2 closed |   pins 1 & 2, 3 & 4    | ||
       |     | |             |            |                   |         closed         | ||
       |     | |-------------+------------+-------------------+------------------------| ||
       |     | |  ODPR486DX  |   33MHz    | pins 1 & 2 closed |   pins 1 & 2, 3 & 4    | ||
       |     | |             |            |                   |         closed         | ||
       |     | |-------------+------------+-------------------+------------------------| ||
       |     | |  ODP486DX   |   33MHz    | pins 2 & 3 closed |   pins 1 & 2, 3 & 4    | ||
       |     | |             |            |                   |         closed         | ||
       |     | |-----------------------------------------------------------------------| ||
       |     | | Note:ODPR486DX is pin compatible with the 80486DX/80486DX2            | ||
       |     | | processors.                                                           | ||
       |     | +-----------------------------------------------------------------------+ ||
       |     +---------------------------------------------------------------------------+|
       +----------------------------------------------------------------------------------+