URI: 
  TEXT View Source
       
       # ELITEGROUP COMPUTER SYSTEMS, INC.
       
          P5VX-A (VER 1.1 PCB 1.0)
       
          Processor        Pentium                                       
          Processor Speed  75/90/100/120/133/150/166/200MHz              
          Chip Set         Intel                                         
          Video Chip Set   None                                          
          Maximum Onboard  128MB (EDO supported)                         
          Memory           
          Maximum Video    None                                          
          Memory           
          Cache            256/512KB                                     
          BIOS             Unidentified                                  
          Dimensions       330mm x 218mm                                 
          I/O Options      32-bit PCI slots (4), floppy drive interface, 
                           game port, green PC connector, IDE interfaces 
                           (2), parallel port, PS/2 mouse port, serial   
                           ports (2), cache slot, IR connectors (2), USB 
                           connectors (2), ATX power connector,          
                           microphone port, line in port, line out port, 
                           wavetable connector, modem/phone speaker      
                           connector, soft off power supply              
          NPU Options      None                                          
       
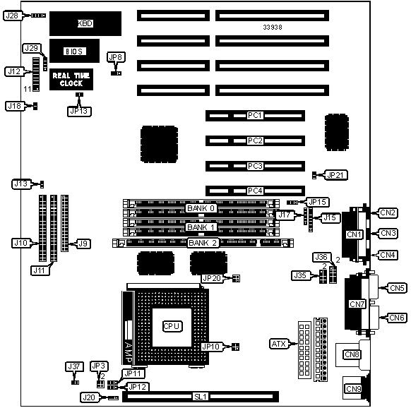
   IMG IMG 1
          
       
          +------------------------------------------------------------+
          |                        CONNECTIONS                         |
          |------------------------------------------------------------|
          | Purpose         | Location  | Purpose          | Location  |
          |-----------------+-----------+------------------+-----------|
          | ATX power       |    ATX    | Reset switch     | J12 pins  |
          | connector       |           |                  |  9 & 10   |
          |-----------------+-----------+------------------+-----------|
          | Game port       |    CN1    | Power LED &      | J12 pins  |
          |                 |           | keylock          |  11 - 15  |
          |-----------------+-----------+------------------+-----------|
          | Microphone port |    CN2    | Speaker          | J12 pins  |
          |                 |           |                  |  17 - 20  |
          |-----------------+-----------+------------------+-----------|
          | Line in port    |    CN3    | IDE interface    |    J13    |
          |                 |           | LED              |           |
          |-----------------+-----------+------------------+-----------|
          | Line out port   |    CN4    | IR connector     |    J15    |
          |                 |           | (fast)           |           |
          |-----------------+-----------+------------------+-----------|
          | Serial port 1   |    CN5    | IR connector     |    J17    |
          |-----------------+-----------+------------------+-----------|
          | Serial port 2   |    CN6    | Green PC LED     |    J18    |
          |-----------------+-----------+------------------+-----------|
          | Parallel port   |    CN7    | Chassis fan      |    J20    |
          |                 |           | power            |           |
          |-----------------+-----------+------------------+-----------|
          | USB connectors  |    CN8    | CD-ROM connector |    J28    |
          |-----------------+-----------+------------------+-----------|
          | PS/2 mouse port |    CN9    | Volume control   |    J29    |
          |                 |           | connector        |           |
          |-----------------+-----------+------------------+-----------|
          | Floppy drive    |    J9     | Wavetable        |    J35    |
          | interface       |           | connector        |           |
          |-----------------+-----------+------------------+-----------|
          | IDE interface 1 |    J10    | Modem/phone      |    J36    |
          |                 |           | speaker          |           |
          |                 |           | connector        |           |
          |-----------------+-----------+------------------+-----------|
          | IDE interface 2 |    J11    | Soft off power   |    J37    |
          |                 |           | supply           |           |
          |-----------------+-----------+------------------+-----------|
          | Power on LED    | J12 pins  | 32-bit PCI slots | PC1 - PC4 |
          |                 |   2 & 3   |                  |           |
          |-----------------+-----------+------------------+-----------|
          | Green PC        | J12 pins  | Cache slot       |    SL1    |
          | connector       |   4 & 5   |                  |           |
          +------------------------------------------------------------+
       
          +------------------------------------------------------------+
          |                 USER CONFIGURABLE SETTINGS                 |
          |------------------------------------------------------------|
          |             Function              | Label |    Position    |
          |-----------------------------------+-------+----------------|
          | » | Flash BIOS voltage select 5v  |  JP8  |   Pins 2 & 3   |
          |   |                               |       |     closed     |
          |---+-------------------------------+-------+----------------|
          |   | Flash BIOS voltage select 12v |  JP8  |   Pins 1 & 2   |
          |   |                               |       |     closed     |
          |---+-------------------------------+-------+----------------|
          | » | CMOS memory normal operation  | JP13  |      Open      |
          |---+-------------------------------+-------+----------------|
          |   | CMOS memory clear             | JP13  |     Closed     |
          |---+-------------------------------+-------+----------------|
          | » | Super I/O enabled             | JP15  |   Pins 1 & 2   |
          |   |                               |       |     closed     |
          |---+-------------------------------+-------+----------------|
          |   | Super I/O disabled            | JP15  |   Pins 2 & 3   |
          |   |                               |       |     closed     |
          |---+-------------------------------+-------+----------------|
          | » | 3D sound enabled              | JP21  |     Closed     |
          |---+-------------------------------+-------+----------------|
          |   | 3D sound disabled             | JP21  |      Open      |
          +------------------------------------------------------------+
       
          +------------------------------------------------------------+
          |                  DIMM/DRAM CONFIGURATION                   |
          |------------------------------------------------------------|
          |    Size    |    Bank 0     |    Bank 1     |    Bank 2     |
          |------------+---------------+---------------+---------------|
          |    8MB     |  (2) 1M x 36  |     None      |     None      |
          |------------+---------------+---------------+---------------|
          |    8MB     |     None      |     None      |  (1) 1M x 64  |
          |------------+---------------+---------------+---------------|
          |    16MB    |  (2) 2M x 36  |     None      |     None      |
          |------------+---------------+---------------+---------------|
          |    16MB    |  (2) 1M x 36  |  (2) 1M x 36  |     None      |
          |------------+---------------+---------------+---------------|
          |    16MB    |     None      |     None      |  (1) 2M x 64  |
          |------------+---------------+---------------+---------------|
          |    16MB    |  (2) 1M x 36  |     None      |  (1) 1M x 64  |
          |------------+---------------+---------------+---------------|
          |    24MB    |  (2) 2M x 36  |  (2) 1M x 36  |     None      |
          |------------+---------------+---------------+---------------|
          |    24MB    |  (2) 2M x 36  |     None      |  (1) 1M x 64  |
          |------------+---------------+---------------+---------------|
          |    24MB    |  (2) 1M x 36  |     None      |  (1) 2M x 64  |
          |------------+---------------+---------------+---------------|
          |    32MB    |  (2) 4M x 36  |     None      |     None      |
          |------------+---------------+---------------+---------------|
          |    32MB    |  (2) 2M x 36  |  (2) 2M x 36  |     None      |
          |------------+---------------+---------------+---------------|
          |    32MB    |     None      |     None      |  (1) 4M x 64  |
          |------------+---------------+---------------+---------------|
          |    32MB    |  (2) 2M x 36  |     None      |  (1) 2M x 64  |
          +------------------------------------------------------------+
       
          +------------------------------------------------------------+
          |              DIMM/DRAM CONFIGURATION (CON’T)               |
          |------------------------------------------------------------|
          |    Size    |    Bank 0     |    Bank 1     |    Bank 2     |
          |------------+---------------+---------------+---------------|
          |    40MB    |  (2) 4M x 36  |  (2) 1M x 36  |     None      |
          |------------+---------------+---------------+---------------|
          |    40MB    |  (2) 4M x 36  |     None      |  (1) 1M x 64  |
          |------------+---------------+---------------+---------------|
          |    40MB    |  (2) 1M x 36  |     None      |  (1) 4M x 64  |
          |------------+---------------+---------------+---------------|
          |    48MB    |  (2) 4M x 36  |  (2) 2M x 36  |     None      |
          |------------+---------------+---------------+---------------|
          |    48MB    |  (2) 4M x 36  |     None      |  (1) 2M x 64  |
          |------------+---------------+---------------+---------------|
          |    48MB    |  (2) 2M x 36  |     None      |  (1) 4M x 64  |
          |------------+---------------+---------------+---------------|
          |    64MB    |  (2) 8M x 36  |     None      |     None      |
          |------------+---------------+---------------+---------------|
          |    64MB    |  (2) 4M x 36  |  (2) 4M x 36  |     None      |
          |------------+---------------+---------------+---------------|
          |    64MB    |     None      |     None      |  (1) 8M x 64  |
          |------------+---------------+---------------+---------------|
          |    64MB    |  (2) 4M x 36  |     None      |  (1) 4M x 64  |
          |------------+---------------+---------------+---------------|
          |    72MB    |  (2) 8M x 36  |  (2) 1M x 36  |     None      |
          |------------+---------------+---------------+---------------|
          |    72MB    |  (2) 8M x 36  |     None      |  (1) 1M x 64  |
          |------------+---------------+---------------+---------------|
          |    72MB    |  (2) 1M x 36  |     None      |  (1) 8M x 64  |
          |------------+---------------+---------------+---------------|
          |    80MB    |  (2) 8M x 36  |  (2) 2M x 36  |     None      |
          |------------+---------------+---------------+---------------|
          |    80MB    |  (2) 8M x 36  |     None      |  (1) 2M x 64  |
          |------------+---------------+---------------+---------------|
          |    80MB    |  (2) 2M x 36  |     None      |  (1) 8M x 64  |
          |------------+---------------+---------------+---------------|
          |    96MB    |  (2) 8M x 36  |  (2) 4M x 36  |     None      |
          |------------+---------------+---------------+---------------|
          |    96MB    |  (2) 4M x 36  |     None      |  (1) 8M x 64  |
          |------------+---------------+---------------+---------------|
          |    96MB    |  (2) 8M x 36  |     None      |  (1) 4M x 64  |
          |------------+---------------+---------------+---------------|
          |   128MB    |  (2) 8M x 36  |  (2) 8M x 36  |     None      |
          |------------+---------------+---------------+---------------|
          |   128MB    |  (2) 8M x 36  |     None      |  (1) 8M x 64  |
          |------------------------------------------------------------|
          | Note: Board accepts EDO memory.                            |
          +------------------------------------------------------------+
       
          +------------------------------------------------------------+
          |                    CACHE CONFIGURATION                     |
          |------------------------------------------------------------|
          |            Size            |              SL1              |
          |----------------------------+-------------------------------|
          |           256KB            |    256KB module installed     |
          |----------------------------+-------------------------------|
          |           512KB            |    512KB module installed     |
          +------------------------------------------------------------+
       
          +------------------------------------------------------------+
          |                    CPU SPEED SELECTION                     |
          |------------------------------------------------------------|
          |  CPU speed   | Clock  | Multiplier |  JP3  | JP11  | JP12  |
          |              | speed  |            |       |       |       |
          |--------------+--------+------------+-------+-------+-------|
          | 75MHz (P54C) | 50MHz  |    1.5x    | Open  | 1 & 2 | 1 & 2 |
          |--------------+--------+------------+-------+-------+-------|
          | 90MHz (P54C) | 60MHz  |    1.5x    | 1 & 2 | 1 & 2 | 1 & 2 |
          |--------------+--------+------------+-------+-------+-------|
          |    100MHz    | 66MHz  |    1.5x    | 3 & 4 | 1 & 2 | 1 & 2 |
          |    (P54C)    |        |            |       |       |       |
          |--------------+--------+------------+-------+-------+-------|
          |    120MHz    | 60MHz  |     2x     | 1 & 2 | 1 & 2 | 2 & 3 |
          |    (P54C)    |        |            |       |       |       |
          |--------------+--------+------------+-------+-------+-------|
          |    133MHz    | 66MHz  |     2x     | 3 & 4 | 1 & 2 | 2 & 3 |
          |    (P54C)    |        |            |       |       |       |
          |--------------+--------+------------+-------+-------+-------|
          |    150MHz    | 60MHz  |    2.5x    | 1 & 2 | 2 & 3 | 2 & 3 |
          |    (P54C)    |        |            |       |       |       |
          |--------------+--------+------------+-------+-------+-------|
          |    150MHz    | 60MHz  |    2.5x    | 1 & 2 | 2 & 3 | 2 & 3 |
          |    (P55C)    |        |            |       |       |       |
          |--------------+--------+------------+-------+-------+-------|
          |    166MHz    | 66MHz  |    2.5x    | 3 & 4 | 2 & 3 | 2 & 3 |
          |    (P54C)    |        |            |       |       |       |
          |--------------+--------+------------+-------+-------+-------|
          |    166MHz    | 66MHz  |    2.5x    | 3 & 4 | 2 & 3 | 1 & 2 |
          |    (P55C)    |        |            |       |       |       |
          |--------------+--------+------------+-------+-------+-------|
          |    200MHz    | 66MHz  |     3x     | 3 & 4 | 2 & 3 | 1 & 2 |
          |    (P54C)    |        |            |       |       |       |
          |------------------------------------------------------------|
          |      Note: Pins designated should be in the closed         |
          |      position.                                             |
          +------------------------------------------------------------+
       
          +------------------------------------------------------------+
          |                CPU SPEED SELECTION (CON’T)                 |
          |------------------------------------------------------------|
          |   CPU    |  Clock  | Multiplier |  JP16  |  JP17  |  JP18  |
          |  speed   |  speed  |            |        |        |        |
          |----------+---------+------------+--------+--------+--------|
          |  75MHz   |  50MHz  |    1.5x    | 1 & 2  | 1 & 2  | 1 & 2  |
          |  (P54C)  |         |            |        |        |        |
          |----------+---------+------------+--------+--------+--------|
          |  90MHz   |  60MHz  |    1.5x    | 1 & 2  | 1 & 2  | 1 & 2  |
          |  (P54C)  |         |            |        |        |        |
          |----------+---------+------------+--------+--------+--------|
          |  100MHz  |  66MHz  |    1.5x    | 1 & 2  | 1 & 2  | 1 & 2  |
          |  (P54C)  |         |            |        |        |        |
          |----------+---------+------------+--------+--------+--------|
          |  120MHz  |  60MHz  |     2x     | 1 & 2  | 1 & 2  | 1 & 2  |
          |  (P54C)  |         |            |        |        |        |
          |----------+---------+------------+--------+--------+--------|
          |  133MHz  |  66MHz  |     2x     | 1 & 2  | 1 & 2  | 1 & 2  |
          |  (P54C)  |         |            |        |        |        |
          |----------+---------+------------+--------+--------+--------|
          |  150MHz  |  60MHz  |    2.5x    | 1 & 2  | 1 & 2  | 1 & 2  |
          |  (P54C)  |         |            |        |        |        |
          |----------+---------+------------+--------+--------+--------|
          |  150MHz  |  60MHz  |    2.5x    | 2 & 3  | 2 & 3  | 2 & 3  |
          |  (P55C)  |         |            |        |        |        |
          |----------+---------+------------+--------+--------+--------|
          |  166MHz  |  66MHz  |    2.5x    | 1 & 2  | 1 & 2  | 1 & 2  |
          |  (P54C)  |         |            |        |        |        |
          |----------+---------+------------+--------+--------+--------|
          |  166MHz  |  66MHz  |    2.5x    | 2 & 3  | 2 & 3  | 2 & 3  |
          |  (P55C)  |         |            |        |        |        |
          |----------+---------+------------+--------+--------+--------|
          |  200MHz  |  66MHz  |     3x     | 1 & 2  | 1 & 2  | 1 & 2  |
          |  (P54C)  |         |            |        |        |        |
          |------------------------------------------------------------|
          |      Note: Pins designated should be in the closed         |
          |      position. JP16, JP17 & JP18 may not be present on all |
          |      boards. The location is unidentified.                 |
          +------------------------------------------------------------+
       
          +------------------------------------------------------------+
          |                CPU VOLTAGE SELECTION (P54C)                |
          |------------------------------------------------------------|
          |          Voltage           |             JP10              |
          |----------------------------+-------------------------------|
          |   |          3.3v          |       Pins 1 & 2 closed       |
          |---+------------------------+-------------------------------|
          | » |         3.525v         |       Pins 3 & 4 closed       |
          +------------------------------------------------------------+
       
          +------------------------------------------------------------+
          |                CPU VOLTAGE SELECTION (P55C)                |
          |------------------------------------------------------------|
          |          Voltage           |             JP20              |
          |----------------------------+-------------------------------|
          |            2.5V            |       Pins 1 & 2 closed       |
          |----------------------------+-------------------------------|
          |            2.8V            |       Pins 3 & 4 closed       |
          +------------------------------------------------------------+